images/testate/header-valvole-farfalla.jpg

Item 675蝶阀

Item 675蝶阀
蝶形阀

"Wafer”法兰间装配型PV蝶阀

配置 动力
申请详细信息
打印页面
  • 特性
  • 特性
  • 物料
  • 图表和起动扭矩

标准配置:
• 依照双偏心准则制造而成:带来更低的密封座损耗,且相较于定心蝶阀,操纵扭矩下降50%
• 阀体外部为抗紫外线照射的聚丙烯(PP-GR)材料
• 蝶板为热塑材料:PVC-C
• 弹性体主密封套:EPDM
• 使用温度:0℃~+80℃
• 运行压力:参见图表
• 应用领域:不会与破坏PVC-C和EPDM材质化学耐性的化学物质和流体。
• 尺寸范畴:DN50至DN300 PN10
• 标准法兰接埠:DN40至DN300 ISO 7005 PN 10,EN 1092 PN 10,DIN 2501 PN 10,ANSI/ASME B16.5 等级150, BS 1560: 1989,BS 4504,JIS B 2220
• F07接口遵照DIN/ISO 5211

选装特殊配置:

• 专用蝶板为热塑材料:PVC-U,ABS,PP-H,PVDF
• 专用主密封件材质:FPM,FPM/PTFE
• 可选装手动变速器

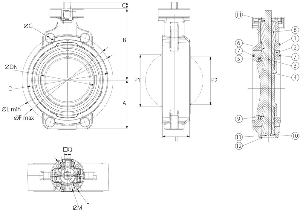
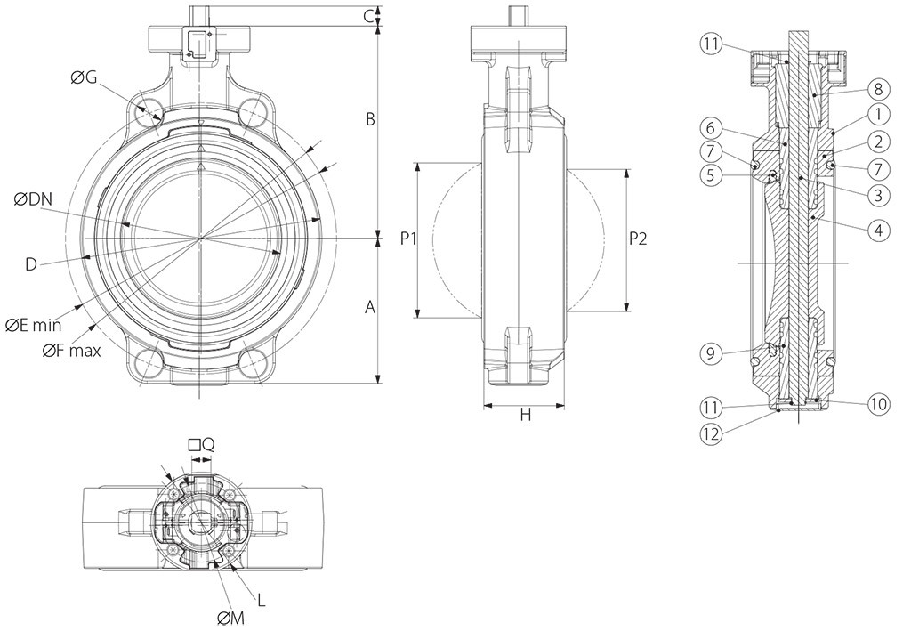
尺寸规格
尺寸 
H
A
B
C
D
G
ØE最小
ØF最大
ØM
L
□Q
P1
P2
DN [mm]
[inch]
DN 50
2"
45
77
134
27
104
19
120
125
70
90
11
40
40
DN 65
2" 1/2
46
83
140
27
115
19
140
145
70
90
11
54
35
DN 80
3"
49
89
146
27
131
19
150
160
70
90
11
67
50
DN 100
4"
56
104
167
16
161
19
175
191
70
90
14
88
74
DN 125
5"
64
117
181
16
187
23
210
216
70
90
14
113
97
DN 150
6"
72
130
189
19
215
24
241
241
70
90
17
139
123
DN 200
8"
73
158
210
19
267
23
290
295
70
90
17
178
169
DN 250
10"
113
205
264
40
329
25
353
362
102
125
22
210
207
DN 300
12"
113
228
285
40
379
25
400
432
102
125
22
256
253

材质
1
阀体
PP+GF30
2
内阀体
PVC-C
3
阀轴
S.S.
4
蝶板
PVC-C
5
密封件
EPDM
6
顶衬套
PVC-C
7
法兰密封件
EPDM
8
阀杆止推衬套
PP+GF30
9
底衬套
PVC-C
10
垫圈
不锈钢
11
锁止环
不锈钢
12
阀杆盖
PE

压力/温度图表

流量/压力损失和公称系数Kv


DN50
DN65
DN80
DN100
DN125
DN150
DN200
DN250
DN300

Kv100
1470
2200
3000
6500
11500
16600
39600
51000
73000
KV100 每分钟升
KV
88,2
132
180
390
690
996
2376
3060
4380
KV 立方米/小时


 流量系数Kv的数值等于压降为1 bar时的流量值(单位为m3/h,水温为15℃)。

起动扭矩(Nm)
尺寸
DN 50
2"
DN 65 2"1/2
DN 80
3"
DN 100
4"
DN 125
5"
DN 150
6"
DN 200
8"
DN 250
10"
DN 300
12"

PN 10 bar
12
18
28
40
50
62
90
110
140


 扭矩值可能因温度和流体类型的影响而出现变化。纳入考虑的安全因子为1.4。
在频繁开闭的循环条件下,操纵扭矩可能会略低于初始扭矩。后文中列示的执行器/阀门装配以平均温度下截止洁净的液体或气体时为准。欲了解详情或其他应用方式,请联络我司的技术部门。

配置 驾驶
选择搜索参数
搜索文章
X 关闭

下一新闻

Asia Water 2026
Asia Water 2026
Kuala Lumpur, 7-9 April 2026