images/testate/header-valvole-farfalla.jpg

Valvola a farfalla Item 675

Valvola a farfalla Item 675

Valvola a farfalla in PVC per montaggio tra flange tipo “Wafer”

CONFIGURA Azionamento
RICHIEDI INFORMAZIONI
STAMPA PAGINA
  • caratteristiche
  • dimensioni
  • materiali
  • diagrammi e coppie di spunto

ESECUZIONE STANDARD:
• Costruzione secondo il principio del doppio eccentrico: garantisce una minor usura del seggio di tenuta e una coppia di azionamento inferiore fino al 50% rispetto a una valvola a farfalla centrica.
• Corpo esterno in polipropilene (PP-GR) resistente ai raggi UV.
• Lente in materiale termoplastico: PVC-C.
• Tenuta primaria con manicotto in elastomero: EPDM.
• Temperatura di esercizio: da 0°C a 80°C.
• Pressione di esercizio: vedi diagramma.
• Applicazioni: sostanze chimiche, fluidi ai quali il PVC-C ed EPDM sono chimicamente resistente.
• Gamma disponibile: dal DN50 al DN300 PN10
• Flangiatura standard: dal DN40 al DN300 ISO 7005 PN 10, EN 1092 PN 10, DIN 2501 PN 10, ANSI/ASME B16.5 classe 150, BS 1560: 1989, BS 4504, JIS B 2220.
• Interfaccia F07 secondo DIN/ISO 5211.

ESECUZIONI SPECIALI A RICHIESTA:

• Lenti speciali in materiale termoplastico: PVC-U, ABS, PP-H, PVDF.
• Tenute primarie speciali: FPM, FPM/PTFE.
• Possibilità di installare riduttore manuale.

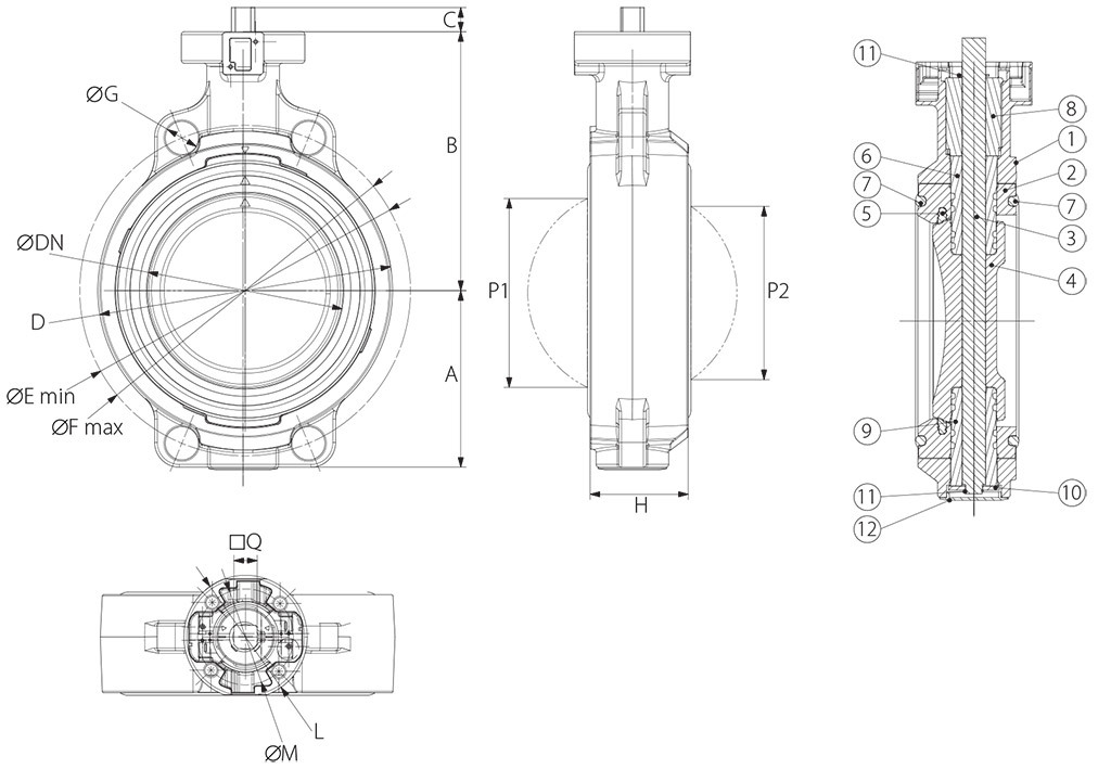
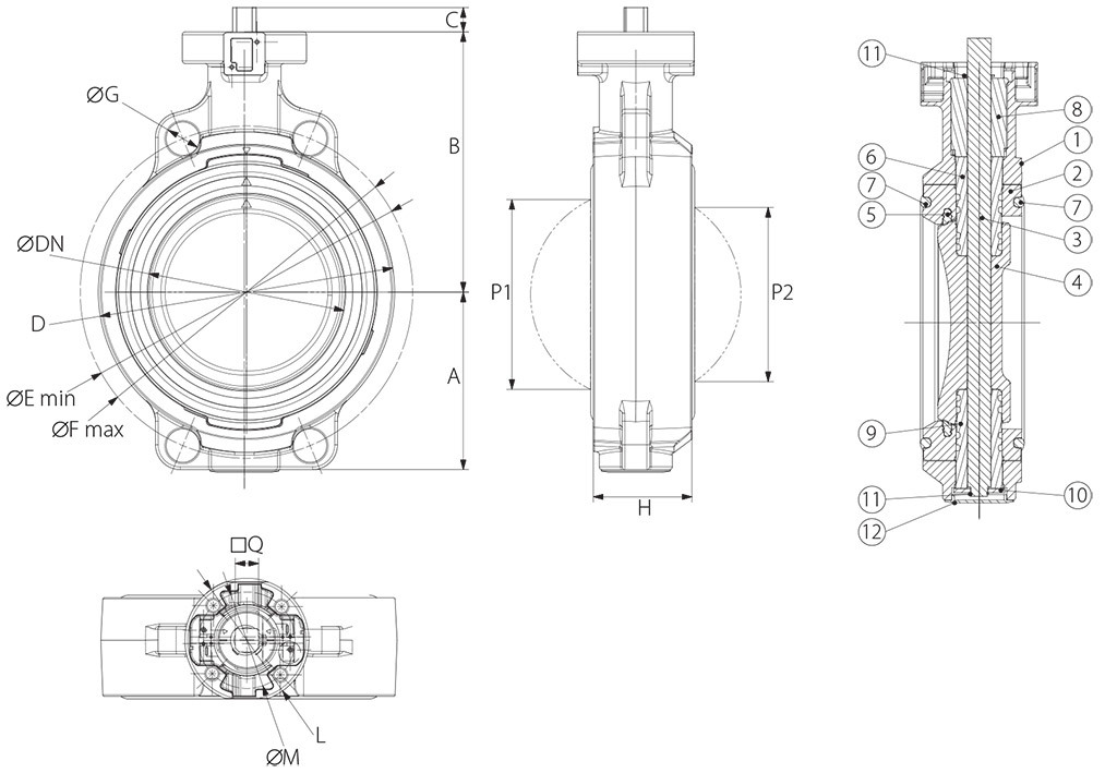
DIMENSIONI   
MISURA  
H
A
B
C
D
G
ØE min
ØF max
ØM
L
□Q
P1
P2
DN [mm]
[inch]
DN 50
2"
45
77
134
27
104
19
120
125
70
90
11
40
40
DN 65
2" 1/2
46
83
140
27
115
19
140
145
70
90
11
54
35
DN 80
3"
49
89
146
27
131
19
150
160
70
90
11
67
50
DN 100
4"
56
104
167
16
161
19
175
191
70
90
14
88
74
DN 125
5"
64
117
181
16
187
23
210
216
70
90
14
113
97
DN 150
6"
72
130
189
19
215
24
241
241
70
90
17
139
123
DN 200
8"
73
158
210
19
267
23
290
295
70
90
17
178
169
DN 250
10"
113
205
264
40
329
25
353
362
102
125
22
210
207
DN 300
12"
113
228
285
40
379
25
400
432
102
125
22
256
253

MATERIALI   
1
Corpo  
PP+GF30
2
Corpo interno  
PVC-C
3
Albero  
S.S.
4
Lente  
PVC-C
5
Guarnizione di tenuta  
EPDM
6
Boccola superiore
PVC-C
7
Guarnizione flangia  
EPDM
8
Boccola ferma stelo  
PP+GF30
9
Boccola inferiore  
PVC-C
10
Rondella  
S.S.
11
Anello di bloccaggio  
S.S.
12
Coperchio stelo  
PE

Diagramma pressione/temperatura

Portata/perdita di carico e coefficiente nominale Kv


DN50
DN65
DN80
DN100
DN125
DN150
DN200
DN250
DN300

Kv100
1470
2200
3000
6500
11500
16600
39600
51000
73000
KV100 litri al minuto 
KV
88,2
132
180
390
690
996
2376
3060
4380
KV metricubi/ora  


Il valore Kv è il valore di portata in m3/h (con acqua a 15°C) che provoca la caduta di pressione di 1 bar.

COPPIE DI SPUNTO in Nm  
MISURA
DN 50
2"
DN 65 2"1/2
DN 80
3"
DN 100
4"
DN 125
5"
DN 150
6"
DN 200
8"
DN 250
10"
DN 300
12"

PN 10 bar
12
18
28
40
50
62
90
110
140


I valori della coppia possono variare in funzione della temperatura e del tipo di fluido. Considerare un fattore di sicurezza pari a 1,4.
Con frequenti cicli di apertura e chiusura la coppia di manovra può diminuire sensibilmente rispetto a quella iniziale. Gli accoppiamenti attuatore/valvola, riportati nelle pagine seguenti, sono realizzati per valvole che intercettano fluidi liquidi o gassosi, puliti e per medie temperature. Per maggiori informazioni,o utilizzi diversi, consultare il nostro ufficio tecnico.

CONFIGURA AZIONAMENTO
Seleziona i parametri di ricerca
CERCA ARTICOLO
X CHIUDI

PROSSIMO EVENTO

IVS - Industrial Valve Summit 2026
IVS - Industrial Valve Summit 2026
Bergamo, Italia, 19 - 21 maggio 2026