images/testate/header-valvole-farfalla.jpg

Absperrklappe Item 675

Absperrklappe Item 675

Absperrklappe aus PVC als Zwischenflanschausführung „Wafer“

KONFIGURIEREN Steuerung
INFORMATIONEN ANFORDERN
SEITE DRUCKEN
  • eigenschaften
  • abmessungen
  • werkstoffe
  • diagramme und anlaufmomente

STANDARDAUSFÜHRUNGEN: 
• Doppelexzentrische Ausführung: Garantiert eine geringere Abnutzung des Dichtungssitzes und ein um 50% niedrigeres Antriebsmoment im Vergleich zu einer zentrischen Absperrklappe. 
• Gehäuse aus UV-beständigem Polypropylen (PP-GR).
• Klappenscheibe aus thermoplastischem Material: PVC-C.
• Primärdichtung mit Elastomermanschette: EPDM.
• Betriebstemperatur: 0°C bis 80°C
• Betriebsdruck: siehe Diagramm.
• Anwendungen: Chemikalien und Flüssigkeiten, gegen die PVC-C und EPDM chemisch resistent sind.
• Erhältlich: von DN50 bis DN300 PN10
• Standardflansch: von DN40 bis DN300 ISO 7005 PN 10, EN 1092 PN 10, DIN 2501 PN 10, ANSI/ASME B16.5 Klasse 150, BS 1560: 1989, BS 4504, JIS B 2220.
• F07-Anschluss nach DIN/ISO 5211. 

SONDERAUSFÜHRUNGEN AUF ANFRAGE: 
• Spezialklappenscheiben aus thermoplastischem Material: PVC-U, ABS, PP-H, PVDF.
• Spezielle Primärdichtungen: FPM, FPM/PTFE.
• Möglichkeit zur Installation eines manuellen Druckminderers.

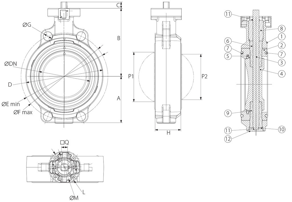
ABMESSUNGEN
 BAUGRÖSSE  
H
A
B
C
D
G
ØE min
ØF max
ØM
L
□Q
P1
P2
DN [mm]
[Zoll]
DN 50
2"
45
77
134
27
104
19
120
125
70
90
11
40
40
DN 65
2" 1/2
46
83
140
27
115
19
140
145
70
90
11
54
35
DN 80
3"
49
89
146
27
131
19
150
160
70
90
11
67
50
DN 100
4"
56
104
167
16
161
19
175
191
70
90
14
88
74
DN 125
5"
64
117
181
16
187
23
210
216
70
90
14
113
97
DN 150
6"
72
130
189
19
215
24
241
241
70
90
17
139
123
DN 200
8"
73
158
210
19
267
23
290
295
70
90
17
178
169
DN 250
10"
113
205
264
40
329
25
353
362
102
125
22
210
207
DN 300
12"
113
228
285
40
379
25
400
432
102
125
22
256
253

WERKSTOFFE 
1
Gehäuse  
PP+GF30
2
Innengehäuse
PVC-C
3
Welle
S.S.
4
Klappenscheibe
PVC-C
5
Dichtung  
EPDM
6
Obere Buchse
PVC-C
7
Flanschdichtung
EPDM
8
Spindelbuchse  
PP+GF30
9
Untere Buchse  
PVC-C
10
Unterlegscheibe
S.S.
11
Feststellring  
S.S.
12
Spindelabdeckung
PE

DRUCK-/TEMPERATURDIAGRAMM

Durchflussrate/Druckverlust und Nennkoeffizient Kv



DN50

DN65

DN80

DN100

DN125

DN150

DN200

DN250

DN300


Kv100
1470
2200
3000
6500
11500
16600
39600
51000
73000
Kv100 
Liter/Minute
KV
88,2
132
180
390
690
996
2376
3060
4380
Kv Kubikmeter/Stunde  


Der Kv-Wert ist der Durchflusswert in m3/h (bei einer Wassertemperatur von 15°C), der einen Druckabfall von 1 bar verursacht.

ANLAUFMOMENTE in Nm  
BAUGRÖSSE
DN 50
2"
DN 65 2"1/2
DN 80
3"
DN 100
4"
DN 125
5"
DN 150
6"
DN 200
8"
DN 250
10"
DN 300
12"

PN 10 bar
12
18
28
40
50
62
90
110
140


Die angegebenen Anlaufmomentwerte können sich je nach Temperatur oder Betriebsmedien ändern. Berücksichtigen Sie bitte einen Sicherheitsfaktor von 1,4.
Bei häufigen Öffnungs- und Schließzyklen kann sich das Betriebsdrehmoment im Vergleich zum Anfangswert leicht verringern. Die auf den folgenden Seiten angegebenen Kombinationen Antrieb/Armatur beziehen sich auf Armaturen mit flüssigen oder gasförmigen sauberen Medien bei mittleren Temperaturen. Für weitere Informationen oder andere Anwendungen wenden Sie sich bitte an unsere technische Abteilung.

KONFIGURIEREN BETÄTIGUNG
Wählen Sie die Suchparameter
ARTIKEL SUCHEN
SCHLIESSEN

NÄCHSTES EVENT

IVS - Industrial Valve Summit 2026
IVS - Industrial Valve Summit 2026
Bergamo, Italy, 19 - 21 may 2026