images/testate/header-valvole-farfalla.jpg

Vanne à papillon, Item 675

Vanne à papillon, Item 675

Vanne à papillon en PVC pour montage entre brides de type à oreilles de centrage

CONFIGURER Actionnement
DEMANDE D'INFORMATIONS
IMPRIMER PAGE
  • caractéristiques
  • dimensions
  • matériaux
  • diagrammes et couples de démarrage

RÉALISATION STANDARD:
• Construction selon le principe de la double excentration: cela garantit une usure moindre du siège d'étanchéité et un couple d'actionnement jusqu'à 50 % inférieur à celui d'une vanne à papillon centrique.
• Corps extérieur en polypropylène (PP-GR) résistant aux rayons UV.
• Papillon en matériau thermoplastique: PVC-C.
• Étanchéité primaire avec manchon en élastomère: EPDM.
• Température de fonctionnement: de 0°C à 80°C
• Pression de fonctionnement: voir diagramme.
• Applications: produits chimiques, fluides pour lesquels le PVC-C et EPDM sont chimiquement résistants.
• Gamme disponible: du DN50 au DN300 PN10
• Raccordement à brides standard: du DN40 au DN300 ISO 7005 PN 10, EN 1092 PN 10, DIN 2501 PN 10, ANSI/ASME B16.5 classe 150, BS 1560: 1989, BS 4504, JIS B 2220.
• Platine F07 selon DIN/ISO 5211.

RÉALISATIONS SPÉCIALES SUR DEMANDE:
• Papillons spéciaux en matériau thermoplastique: PVC-U, ABS, PP-H, PVDF.
• Étanchéités primaires spéciales: FPM, FPM/PTFE.
• Possibilité de monter un réducteur manuel.

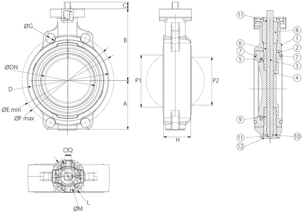
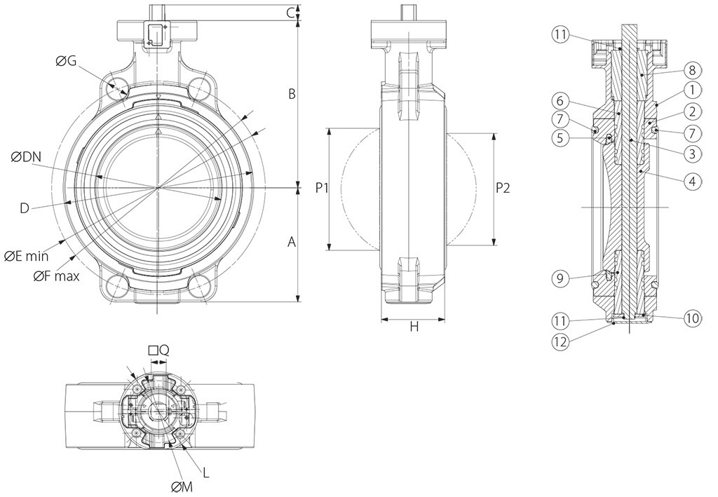
DIMENSIONS   
MESURE  
H
A
B
C
D
G
ØE min
ØF max
ØM
L
□Q
P1
P2
DN [mm]
[pouces]
DN 50
2"
45
77
134
27
104
19
120
125
70
90
11
40
40
DN 65
2" 1/2
46
83
140
27
115
19
140
145
70
90
11
54
35
DN 80
3"
49
89
146
27
131
19
150
160
70
90
11
67
50
DN 100
4"
56
104
167
16
161
19
175
191
70
90
14
88
74
DN 125
5"
64
117
181
16
187
23
210
216
70
90
14
113
97
DN 150
6"
72
130
189
19
215
24
241
241
70
90
17
139
123
DN 200
8"
73
158
210
19
267
23
290
295
70
90
17
178
169
DN 250
10"
113
205
264
40
329
25
353
362
102
125
22
210
207
DN 300
12"
113
228
285
40
379
25
400
432
102
125
22
256
253

MATÉRIAUX   
1
Corps
PP+GF30
2
Corps interne
PVC-C
3
Arbre
S.S.
4
Papillon
PVC-C
5
Garniture d'étanchéité
EPDM
6
Douille supérieure
PVC-C
7
Garniture bride
EPDM
8
Douille blocage tige
PP+GF30
9
Douille inférieure
PVC-C
10
Rondelle
S.S.
11
Bague de blocage
S.S.
12
Couvercle tige
PE

DIAGRAMME PRESSION/TEMPÉRATURE

Débit/perte de charge et coefficient nominal Kv


DN50
DN65
DN80
DN100
DN125
DN150
DN200
DN250
DN300

Kv100
1470
2200
3000
6500
11500
16600
39600
51000
73000
KV100 litres par minute
KV
88,2
132
180
390
690
996
2376
3060
4380
KV mètres cubes/heure


La valeur Kv est la valeur du débit en m3/h (avec de l’eau à 15°C) qui provoque une chute de pression d’1 bar.

COUPLES DE DÉMARRAGE en Nm 
MESUREDN 50
2"
DN 65 2"1/2
DN 80
3"
DN 100
4"
DN 125
5"
DN 150
6"
DN 200
8"
DN 250
10"
DN 300
12"

PN 10 bar
12
18
28
40
50
62
90
110
140


Les valeurs du couple peuvent varier en fonction de la température et du fluide. Considérer un facteur de sécurité de 1,4.
Avec des cycles fréquents d'ouverture et de fermeture, le couple de manœuvre pourrait être considérablement inférieur au couple initial. Les accouplements actionneur/vanne, montrés aux pages suivantes, sont conçus pour les vannes qui arrêtent des fluides liquides ou gazeux, propres et pour des températures moyennes. Pour plus d'informations ou pour des utilisations différentes, veuillez vous adresser à notre bureau technique.

CONFIGURER ACTIONNEMENT
Sélectionnez les paramètres de recherche
RECHERCHER UN ARTICLE
X FERMER

PROCHAIN ÉVÈNEMENT

IVS - Industrial Valve Summit 2026
IVS - Industrial Valve Summit 2026
Bergamo, Italy, 19 - 21 may 2026