images/testate/header-valvole-farfalla.jpg

Válvula de mariposa Item 675

Válvula de mariposa Item 675

Válvula de mariposa en PVC para el montaje entre bridas tipo “Wafer”

CONFIGURA Accionamiento
SOLICITA INFORMACIÓN
IMPRIME PÁGINA
  • características
  • dimensiones
  • materiales
  • diagramas y pares de aceleración

EJECUCIÓN ESTÁNDAR:
• Construcción de acuerdo con el principio de doble excéntrico: garantiza un menor desgaste del asiento de sellado y un par de accionamiento inferior al 50% con respecto a una válvula de mariposa céntrica.
• Cuerpo exterior de polipropileno (PP-GR) resistente a los rayos UV.
• Lente de material termoplástico: PVC-C.
• Sellado primario con manguito de elastómero: EPDM.
• Temperatura de funcionamiento: desde 0°C a 80°C
• Presión de funcionamiento: ver diagrama.
• Aplicaciones: sustancias químicas, fluidos a los que el PVC-C y el EPDM son químicamente resistentes.
• Gama disponible: desde el DN50 al DN300 PN10
• Entramado estándar: desde el DN40 al DN300 ISO 7005 PN 10, EN 1092 PN 10, DIN 2501 PN 10, ANSI/ASME B16.5 clase 150, BS 1560: 1989, BS 4504, JIS B 2220.
• Interfaz F07 de acuerdo con DIN/ISO 5211.

EJECUCIONES ESPECIALES BAJO PEDIDO:
• Lentes especiales de material termoplástico: PVC-U, ABS, PP-H, PVDF.
• Sellados primarios especiales: FPM, FPM/PTFE.
• Posibilidad de instalar reductor manual.

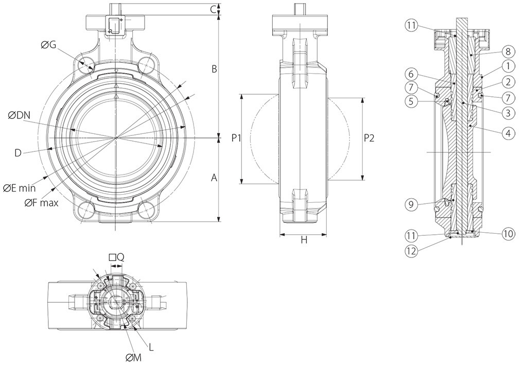
DIMENSIONES   
MEDIDA  
H
A
B
C
D
G
ØE min
ØF max
ØM
L
□Q
P1
P2
DN [mm]
[pulgadas]
DN 50
2"
45
77
134
27
104
19
120
125
70
90
11
40
40
DN 65
2" 1/2
46
83
140
27
115
19
140
145
70
90
11
54
35
DN 80
3"
49
89
146
27
131
19
150
160
70
90
11
67
50
DN 100
4"
56
104
167
16
161
19
175
191
70
90
14
88
74
DN 125
5"
64
117
181
16
187
23
210
216
70
90
14
113
97
DN 150
6"
72
130
189
19
215
24
241
241
70
90
17
139
123
DN 200
8"
73
158
210
19
267
23
290
295
70
90
17
178
169
DN 250
10"
113
205
264
40
329
25
353
362
102
125
22
210
207
DN 300
12"
113
228
285
40
379
25
400
432
102
125
22
256
253

MATERIALES   
1
Cuerpo
PP+GF30
2
Cuerpo interior
PVC-C
3
Eje
S.S.
4
Lente
PVC-C
5
Junta de sellado
EPDM
6
Casquillo superior
PVC-C
7
Junta brida
EPDM
8
Casquillo de retención del vástago
PP+GF30
9
Casquillo inferior
PVC-C
10
Arandela
S.S.
11
Anillo de bloqueo
S.S.
12
Tapa del vástago
PE

DIAGRAMA PRESIÓN/TEMPERATURA

Capacidad/pérdida de carga y coeficiente nominal Kv


DN50
DN65
DN80
DN100
DN125
DN150
DN200
DN250
DN300

Kv100
1470
2200
3000
6500
11500
16600
39600
51000
73000
KV100 litros por minuto
KV
88,2
132
180
390
690
996
2376
3060
4380
KV metros cúbicos/hora


El valor Kv es el valor de la capacidad de carga en m3/h (con agua a 15°C) que provoca una caída de presión.

PARES DE ACELERACIÓN en Nm 
MEDIDADN 50
2"
DN 65 2"1/2
DN 80
3"
DN 100
4"
DN 125
5"
DN 150
6"
DN 200
8"
DN 250
10"
DN 300
12"

PN 10 bar
12
18
28
40
50
62
90
110
140


Los valores del par pueden variar según la temperatura y el tipo de fluido. Tener en cuenta un factor de seguridad igual a 1.4.
Con frecuentes ciclos de apertura y cierre, el par de maniobra puede disminuir sensiblemente con respecto al inicial. Los acoplamientos actuador/válvula, mostrados en las siguientes páginas, se realizan para válvulas que interceptan fluidos líquidos o gaseosos, limpios y para temperaturas medias. Para más información, o usos diferentes, consultar nuestro departamento técnico.

CONFIGURA CONDUCIR
Selecciona los parámetros de búsqueda
BUSCA ARTÍCULO
X CERRAR

SIGUIENTE EVENTO

IVS - Industrial Valve Summit 2026
IVS - Industrial Valve Summit 2026
Bergamo, Italy, 19 - 21 may 2026