images/testate/header-valvole-farfalla.jpg

Item 675 butterfly valve

Item 675 butterfly valve

PVC butterfly valve for mounting between flanges, “Wafer” type

CONFIGURE Drive
REQUEST INFORMATION
PAGE PRINT
  • features
  • dimensions
  • materials
  • diagrams and breakaway torque

STANDARD VERSION:
• Double eccentric operating principle: this construction helps to reduce seat abrasion and actuation torque lower than 50% compared to a centric butterfly valve.
• External body material: polypropylene fiber glass reinforced.
• Butterfly: PVC-C.
• Seal: EPDM.
• Working temperature: from 0°C to +80°C.
• Working pressure: see diagram.
• Application: chemicals and all kinds of fluids compatible with PVC-C and EPDM.
• Available range: from DN50 to DN300 PN 10.
• Standard flanges: from DN50 to DN300 ISO 7005 PN 10, EN 1092 PN 10, DIN 2501 PN 10, ANSI/ASME B16.5 class 150, BS 1560: 1989, BS 4504, JIS B 2220.
• F07 connection as per DIN/ISO 5211.

ON REQUEST:
• Disc: PVC-U, ABS, PP-H, PVDF.
• Seals: FPM, FPM/PTFE.
• Gear box.

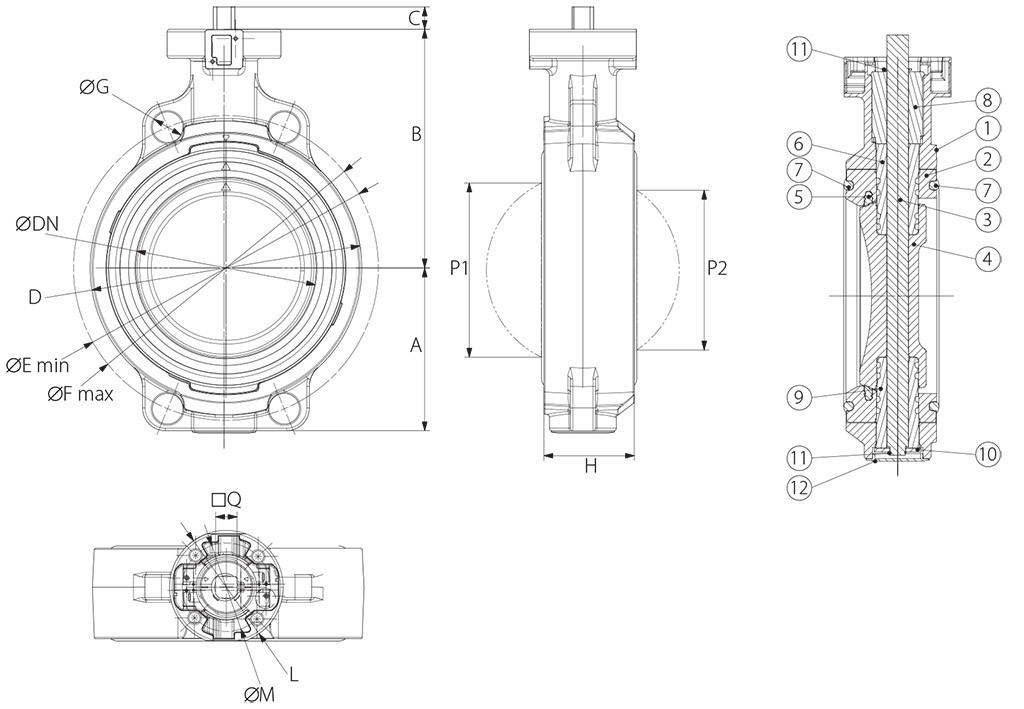
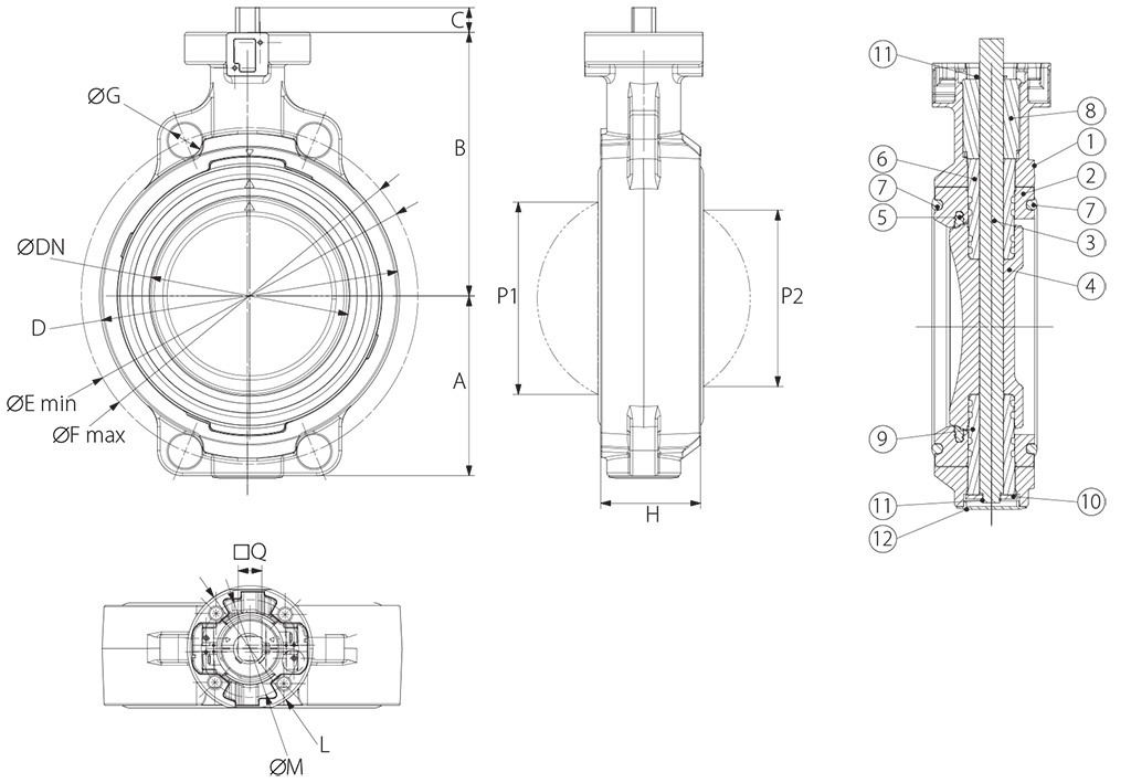
 DIMENSIONS
SIZE
H
A
B
C
D
G
ØE min
ØF max
ØM
L
Q
P1
P2
DN [mm]
[inch]
DN 50
2"
45
77
134
27
104
19
120
125
70
90
11
40
40
DN 65
2" 1/2
46
83
140
27
115
19
140
145
70
90
11
54
35
DN 80
3"
49
89
146
27
131
19
150
160
70
90
11
67
50
DN 100
4"
56
104
167
16
161
19
175
191
70
90
14
88
74
DN 125
5"
64
117
181
16
187
23
210
216
70
90
14
113
97
DN 150
6"
72
130
189
19
215
24
241
241
70
90
17
139
123
DN 200
8"
73
158
210
19
267
23
290
295
70
90
17
178
169
DN 250
10"
113
205
264
40
329
25
353
362
102
125
22
210
207
DN 300
12"
113
228
285
40
379
25
400
432
102
125
22
256
253

  MATERIALS
1
Body
PP+GF30
2
Internal body
PVC-C
3
Stem
S.S.
4
Disc
PVC-C
5
Gasket
EPDM
6
Upper Bush
PVC-C
7
Flange gasket
EPDM
8
Stem holder bush
PP+GF30
9
Lower bush
PVC-C
10
Washer
S.S.
11
Retainer ring
S.S.
12
Shaft cover
PE

Pressure/temperature diagram

Flow-pressure loss diagram and Kv nominal coefficient


DN50
DN65
DN80
DN100
DN125
DN150
DN200
DN250
DN300

Kv100
1470
2200
3000
6500
11500
16600
39600
51000
73000
KV100 liters per minute 
KV
88,2
132
180
390
690
996
2376
3060
4380
KV cubic meters / hour


Kv is the coefficient, expressed in m3/h (with water at 15°C) causing a pressure loss of 1 bar.

 BREAKAWAY TORQUES Nm
  SIZE
DN 50
2"
DN 65 2"1/2
DN 80
3"
DN 100
4"
DN 125
5"
DN 150
6"
DN 200
8"
DN 250
10"
DN 300
12"
PN 10 bar
12
18
28
40
50
62
90
110
140


Torque can vary depending on temperature and type of fluid; a safety factor of 1.4 must be applied. Torque can drop on high frequency of operations. The actuator/valve sizing, indicated on the following pages, are based for valves to be used with liquids or gaseous fluids, clean, and for medium temperatures. For further information,or different uses please contact our technical department.

CONFIGURE DRIVE
Select the search standards
FIND ITEM
X CLOSE

NEXT EVENT

IVS - Industrial Valve Summit 2026
IVS - Industrial Valve Summit 2026
Bergamo, Italy, 19 - 21 may 2026