images/testate/1600x499accattuatori.jpg

KSSK ATEX em alumínio com indicador visual

II2GD Exdb IIC T6 - T4 GB / Extb IIIC
KSSK ATEX em alumínio com indicador visual

CARACTERÍSTICAS PRINCIPAIS
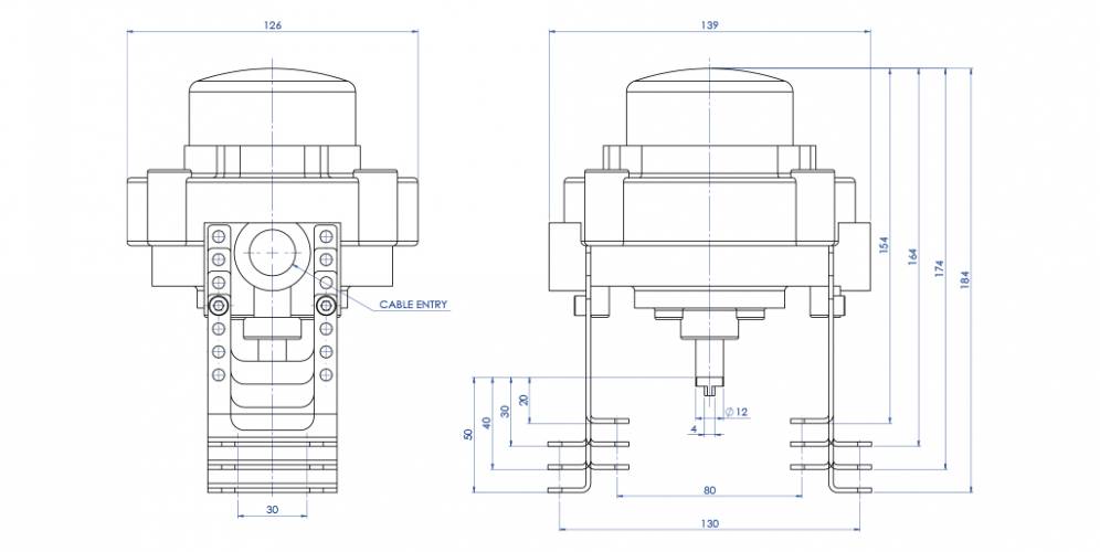
- Projetado para verificar facilmente a posição visual e elétrica de cada válvula, mesmo em longas distâncias.
- Construído em conformidade com as normas VDI/VDE 3845 standard. (EN15714-3)
- Pode conter dois interruptores de limite de sinalização seja de tipo "SPDT" mecânico que de proximidade.
- Os cames de acionamento do interruptor de limite não têm a possibilidade de escorregamento, pois a regulagem é garantida por ranhuras no eixo portante sem a necessidade de parafusos de fixação ou outras ferramentas.
- A pré-fiação é feita com terminais numerados: n° 6 para os dois microinterruptores e pólos extras para qualquer fiação da válvula solenóide (ver diagramas elétricos).
- N° 2 conexões elétricas rosqueadas para braçadeira de fixação do cabo
- Temperatura de operação:
de -40°C a +80°C (standard);
de -25°C a +70°C para interruptor de limite código "73";
de -25°C a +80°C para interruptor de limite código "75".
- Grau de Proteção: IP 67

MATERIAIS
- Corpo e tampa: alumínio fundido revestido com pó de poliéster*.
- Indicador: policarbonato resistente a raios UV e autoextinguível classe V0
- Eixo: aço inoxidável
- Parafusos: aço inoxidável

* A pedido também em aço inoxidável CF8M

CERTIFICAÇÕES
- ATEX, IEC Ex: II2GD Exdb IIC T6 - T4 Gb / Extb IIIC
- Outros a pedido
- Certificados até SIL 3

TIPOS DE INTERRUPTOR DE LIMITE CONTIDOS NOS BOXES KSSK

CÓDIGO*
DESCRIÇÃO
VERSÃO
CONEXÃO ELÉTRICA
01
Microinterruptores eletromecânicos SPTD com contatos de prata (CHERRY)

Max: 250 Vac 5A -24 Vdc 3A; Min: 250 Vac 50 mA - 24 Vdc 50 mA. (carga resistiva)
De série
03
Microinterruptores eletromecânicos SPTD com contatos de ouro (CHERRY)

Max: 250 Vac 0,1 mA - 30 Vdc 0,5 mA;
A pedido
1F
Microinterruptores eletromecânicos DPDT com contatos de prata, (cada came aciona 2 microinterruptores SPDT simultaneamente) (CHERRY)

Max: 250 Vac 5A - 24 Vdc 5A; Min: 24 Vdc 50 mA.
A pedido
73
Microinterruptores de proximidade amplificados 3 fios PNP NO P+F NBB2 V3 E2,

10÷30 VDC; 200 Ma - corrente de operação 0 - 100 mA
A pedido
75
Microinterruptores de proximidade amplificados IFM IS 5026, 2 fios

5÷36 Vdc; 4÷200 mA
A pedido

* A sigla que identifica o tipo de interruptores de limite usados, aparece no código do box no 6° e 7° posto.

PESQUISAR CóDIGO 
X FECHAR

PRÓXIMO EVENTO

IVS - Industrial Valve Summit 2026
IVS - Industrial Valve Summit 2026
Bergamo, Italy, 19 - 21 may 2026