images/testate/1600x499accattuatori.jpg

KSSK ATEX aluminium with optical indicator

II2GD Exdb IIC T6 - T4 GB / Extb IIIC
KSSK ATEX aluminium with optical indicator

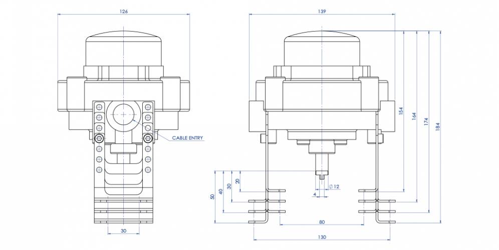
TECHNICAL FEATURES
- Made to easily verify the visual and electrical position of each valve even from long distances.
- Built according to VDI / VDE 3845 standards. (EN15714-3)
- It can contain two limit switches either mechanical "SPDT" or proximity.
- The cam of limit switch cannot slide since their regulation or other tools.
- The pre-wiring is realized means of numbered terminals: n° 6 for the two microswitches, and extra poles for eventual solenoid wiring (see wiring diagrams).
- N. 2 threaded electrical connections for cable gland
- Operating temperature:
from -40°C to +80°C (standard);
from -25°C to +70°C for limit switch code "73";
from -25°C to +80°C for limit switch code "75".
- Protection rate: IP 67

MATERIALS
- Body and cover: die-cast aluminum coated with polyester powder*.
- Indicator: UV-resistant and self-extinguishing polycarbonate class V0.
- Shaft: Stainless steel
- Screws: Stainless steel

* On request also in stainless steel CF8M

CERTIFICATIONS
- ATEX, IEC Ex: II2GD Exdb IIC T6 - T4 Gb / Extb IIIC
- More on request
- Up to SIL 3 Certified

TYPES OF LIMIT SWITCHES CONTAINED IN BOX KSSK

CODE*
DESCRIPTION
VERSION
WIRING DIAGRAM
01
SPDT Electromechanical microswitches with silver plated contacts (CHERRY)

Max: 250 Vac 5A -24 Vdc 3A; Min: 250 Vac 50 mA - 24 Vdc 50 mA. (resisive load)
Standard
SPDT Electromechanical microswitches
03
SPDT Electromechanical microswitches SPDT with gold plated contacts (CHERRY)

Max: 250 Vac 0,1 mA - 30 Vdc 0,5 mA;
On request
1F
DPDT Electromechanical microswitches with silver plated contacts (each cam actuates 2 SPDT microswitches simultaneously) (CHERRY)

Max: 250 Vac 5A - 24 Vdc 5A; Min: 24 Vdc 50 mA.
On request
DPDT Electromechanical microswitches with silver plated contacts
73
3-wire amplified proximity microswitches PNP NO P+F NBB2 V3 E2,

10÷30 VDC; 200 Ma - opereting current 0 - 100 mA
On request
3-wire amplified proximity microswitches
75
2-wire amplified proximity microswitches IFM IS 5026

5÷36 Vdc; 4÷200 mA
On request
2-wire amplified proximity microswitches

* The symbol that identifies the type of limit switches used, appears in the code box in the 6th and 7th position.

SEARCH CODE 
X CLOSE

NEXT EVENT

IVS - Industrial Valve Summit 2026
IVS - Industrial Valve Summit 2026
Bergamo, Italy, 19 - 21 may 2026