images/testate/1600x499accattuatori.jpg

Görsel göstergeli̇ alümi̇nyum KSSK ATEX

II2GD Exdb IIC T6 - T4 GB / Extb IIIC
Görsel göstergeli̇ alümi̇nyum KSSK ATEX

TEMEL ÖZELLİKLER
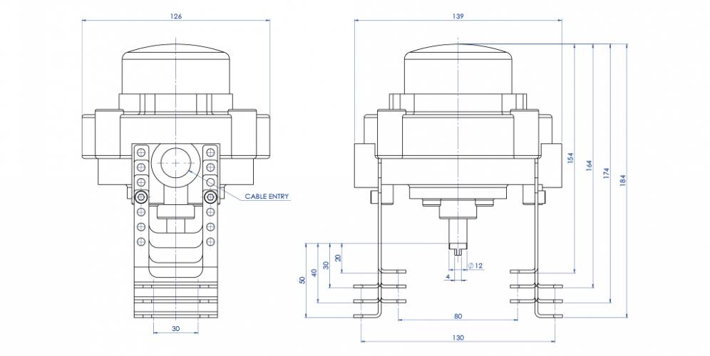
- Uzun mesafelerden bile her bir vananın görsel ve elektriksel konumunu kolayca kontrol etmek için tasarlanmıştır.
- VDI/VDE 3845 standardına göre üretilmiştir. (EN15714-3)
- Hem mekanik "SPDT" hem de yakınlık sinyali vermek için içinde iki limit anahtarı içerebilir.
- Limit anahtarı çalıştırma kamları, sabitleme vidalarına veya başka aletlere ihtiyaç duymadan yatak mili üzerindeki oluklarla ayar yapıldığından kayma olasılığı yoktur.
- Ön kablolama, numaralı terminallerle yapılır: iki mikro anahtar için 6 ve herhangi bir solenoid vana kablolaması için ekstra kutuplar (bağlantı şemalarına bakınız).
- Kablo kelepçesi için 2 adet dişli elektrik bağlantısı
- Çalışma sıcaklığı:
-40 ° C ila +80 ° C (standart);
"73" limit anahtarı kodu için -25 °C ile + 70 °C arası;
"75" limit anahtarı kodu için -25 °C ile + 80 °C arası
- Koruma derecesi: IP 67

MALZEMELER
- Gövde: ve kapak polyester tozu* ile kaplanmış alüminyum döküm.
- Kapak ve gösterge: UV ışınlarına dayanıklı ve kendi kendine sönen V0 sınıfı polikarbonat.
- Mil: paslanmaz çelik.
- Vidalar: paslanmaz çelik.

* İsteğe göre ayrıca CF8M paslanmaz çelik.

SERTİFİKALAR
- ATEX, IEC Ex: II2GD Exdb IIC T6 - T4 Gb / Extb IIIC
- İsteğe göre diğerleri
- SIL 3'e kadar sertifikalı

KSSK KUTULARINDAKİ LİMİT ANAHTARI TİPLERİ

KOD*
AÇIKLAMA
SÜRÜM
ELEKTRİK BAĞLANTISI
01
Gümüş kontaklı SPDT elektromekanik mikroanahtarları (CHERRY)

Maks: 250 Vac 5A -24 Vdc 3A; Min: 250 Vac 50 mA - 24 Vdc 50 mA. (dirençli yük)
Standart
03
Altın kontaklı SPTD elektromekanik mikroanahtarları (CHERRY)

Max: 250 Vac 0,1 mA - 30 Vdc 0,5 mA;
İsteğe göre:
1F
Gümüş kontaklı DPDT elektromekanik mikroanahtarları, (her kam aynı anda 2 SPDTmikroanahtarı çalıştırır) (CHERRY)

Maks: 250 Vac 5A - 24 Vdc 5A; Min: 24 Vdc 50 mA.
İsteğe göre:

73
PNP NO P + F NBB2 V3 E2 3 kablolu güçlendirilmiş yakınlık mikroanahtarları

10÷30 VDC; 200 Ma - çalışma akımı 0 - 100 mA
İsteğe göre:
75
IFM IS 5026 2 kablolu güçlendirilmiş yakınlık mikroanahtarları

5÷36 Vdc; 4÷200 mA
İsteğe göre:

* 6. ve 7. sıralardaKİ kutu kodunda kullanılan limit anahtarlarıin tipini belirten simge yer almaktadır.

ARAMA KODU 
X KAPAT

GELECEK ETKİNLİK

IVS - Industrial Valve Summit 2026
IVS - Industrial Valve Summit 2026
Bergamo, Italy, 19 - 21 may 2026