images/testate/1600x499accattuatori.jpg

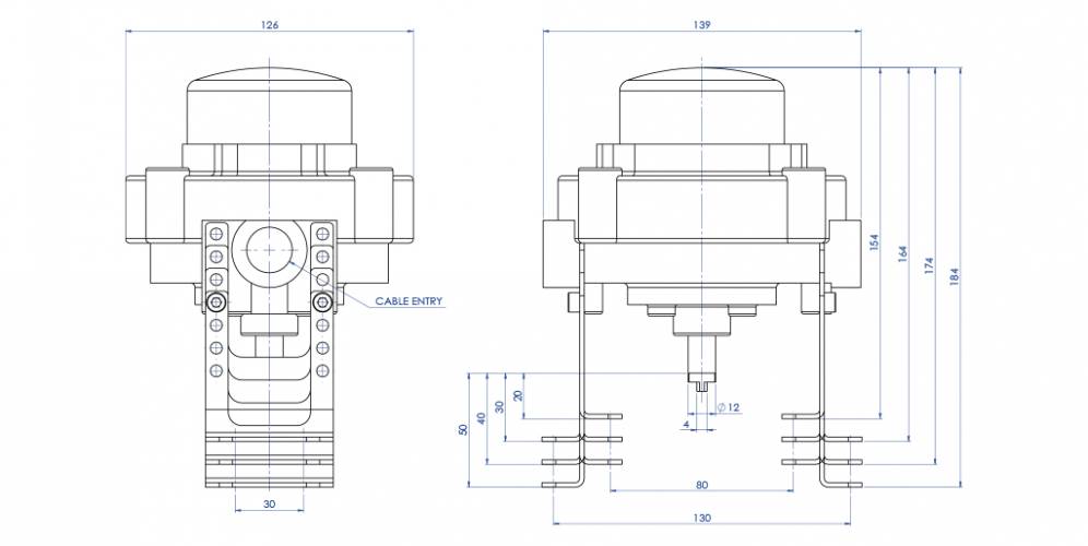
KSSK ATEX aus Aluminium mit optischer Anzeige

II2GD Exdb IIC T6 - T4 GB / Extb IIIC
KSSK ATEX aus Aluminium mit optischer Anzeige

HAUPTMERKMALE
- Entwickelt, um die visuelle und elektrische Position jedes Ventils auch aus großer Entfernung leicht zu überprüfen.
- Gebaut nach Norm VDI/VDE 3845 (EN15714-3)
- Kann im Inneren zwei Signal-Endschalter enthalten, sowohl des mechanischen Typs "SPDT [Wechselschalter]" als auch Näherungsschalter.
- Die Betätigungsnocken des Endschalters sind schlupffrei, da die Verstellung durch Nuten an der Lagerwelle ohne Befestigungsschrauben oder sonstiges Werkzeug gewährleistet ist.
- Die Vorverdrahtung erfolgt mit nummerierten Klemmen: 6 für die beiden Mikroschalter und zusätzliche Pole für eventuelle Verdrahtungen des Magnetventils (siehe Schaltpläne).
- 2 elektrische Anschlüsse mit Gewinde für Klemmkorb
- Betriebstemperatur:
von - 40 bis + 80 °C (Standard);
von - 25 bis + 70 °C für Endschalter der Codes "23" und "73";
von - 25 bis + 80 °C für Endschalter des Codes "75".
- Schutzart: IP 67

WERKSTOFFE
- Gehäuse und Deckel: Aluminiumdruckguss mit Polyesterpulver beschichtet.
- Anzeige: UV-beständiges und selbstverlöschendes Polycarbonat der Klasse V0
- Schaft: Rostfreier Stahl
- Schrauben: Rostfreier Stahl

* Auf Anfrage auch in Inox-Stahl CF8M

ZERTIFIZIERUNGEN
- ATEX, IEC Ex: II2GD Exdb IIC T6 - T4 Gb / Extb IIIC
- Andere auf Anfrage
- Zertifikat bis SIL 3

ARTEN VON ENDSCHALTERN, DIE IN DEN KSSK-BOXEN ENTHALTEN SIND

CODE*
BESCHREIBUNG
VERSION
ELEKTRISCHER ANSCHLUSS
01
Elektromechanische SPDT-Mikroschalter mit Silberkontakten (CHERRY)

Max: 250 Vac 5A -24 Vdc 3A; Min: 250 Vac 50 mA - 24 Vdc 50 mA. (ohmsche Last
Serienmäßig
Elektromechanische SPDT-Mikroschalter
03
Elektromechanische SPTD-Mikroschalter mit Goldkontakten (CHERRY)

Max: 250 Vac 0,1 mA - 30 Vdc 0,5 mA;
Auf Anfrage
1F
Elektromechanische DPDT-Mikroschalter mit Silberkontakten (jede Nocke betätigt gleichzeitig 2 SPDT-Mikroschalter) (CHERRY)

Max: 250 Vac 5A - 24 Vdc 5A; Min: 24 Vdc 50 mA.
Auf Anfrage
Elektromechanische DPDT-Mikroschalter mit Silberkontakten
73
Verstärkte 3-Leiter Mikro-Näherungsschalter PNP NO P + F NBB2 V3 E2,

10÷30 VDC; 200 Ma - opereting current 0 - 100 mA
Auf Anfrage
Verstärkte 3-Leiter Mikro-Näherungsschalte
75
Verstärkte 2-Leiter Mikro-Näherungsschalter IFM IS 5026

5÷36 Vdc; 4÷200 mA
Auf Anfrage
Verstärkte 2-Leiter Mikro-Näherungsschalter

* Der Code für die verwendete Endschalterart erscheint im Code auf der Verpackung an 6. und 7. Stelle.

ARTIKELNUMMER SUCHEN 
SCHLIESSEN

NÄCHSTES EVENT

IVS - Industrial Valve Summit 2026
IVS - Industrial Valve Summit 2026
Bergamo, Italy, 19 - 21 may 2026