images/testate/1600x499accattuatori.jpg

KSSK in alluminio con indicatore visivo ATEX

II2GD Exdb IIC T6 - T4 GB / Extb IIIC
KSSK in alluminio con indicatore visivo ATEX

CARATTERISTICHE PRINCIPALI
- Realizzato per verificare facilmente la posizione visiva ed elettrica di ogni valvola anche da lunghe distanze.
- Costruito a norme VDI/VDE 3845 standard. (EN15714-3)
- Può contenere al suo interno due finecorsa di segnalazione sia di tipo meccanico “SPDT” che di prossimità.
- Le camme di azionamento del finecorsa sono senza possibilità di slittamento in quanto la regolazione è assicurata da scanalature sull’albero portante senza bisogno di viti di fissaggio o altri utensili.
- Il precablaggio è realizzato con morsetti numerati: n° 6 per i due microinterruttori, ed extra poli per eventuale cablaggio dell’elettrovalvola (vedere schemi elettrici).
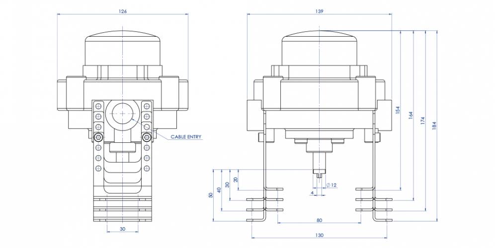
- N° 2 connesioni elettriche filettate per serracavo
- Temperatura di esercizio:
  da -40°C a +80°C (standard);
  da -25°C a +70°C per finecorsa codice "73";
  da -25°C a +80°C per finecorsa codice "75".
- Grado di Protezione: IP 67

MATERIALI 
- Corpo e coperchio: alluminio pressofuso rivestito con polvere di poliestere*.
- Indicatore: policarbonato resistente UV e autoestinguente classe V0
- Albero: acciaio inossidabile
- Viti: acciaio inossidabile

* A richiesta anche in acciaio inox CF8M

CERTIFICAZIONI
- ATEX, IEC Ex: II2GD Exdb IIC T6 - T4 Gb / Extb IIIC
- Altri a richiesta
- Certificato fino a SIL 3

TIPI DI FINECORSA CONTENUTI NEI BOX KSSK

CODE*
DESCRIZIONE
VERSIONE
COLLEGAMENTO ELETTRICO
01
Microinterruttori elettromeccanici SPDT con contatti argentati (CHERRY)

Max: 250 Vac 5A -24 Vdc 3A; Min: 250 Vac 50 mA - 24 Vdc 50 mA. (resisive load)
Di serie
Microinterruttori elettromeccanici SPDT
03
Microinterruttori elettromeccanici SPTD con contatti dorati (CHERRY)

Max: 250 Vac 0,1 mA - 30 Vdc 0,5 mA;
A richiesta
1F
Microinterruttori elettromeccanici DPDT con contatti argentati, (ogni camma aziona 2 microinterruttori SPDT contemporaneamente) (CHERRY)

Max: 250 Vac 5A - 24 Vdc 5A; Min: 24 Vdc 50 mA.
A richiesta
Microinterruttori elettromeccanici DPDT con contatti argentati
73
Microinterruttori di prossimità amplificati 3 fili PNP NO P+F NBB2 V3 E2

10÷30 VDC; 200 Ma - opereting current 0 - 100 mA
A richiesta
Microinterruttori di prossimità amplificati 3 fili
75
Microinterruttori di prossimità amplificati IFM IS 5026, 2 fili

5÷36 Vdc; 4÷200 mA
A richiesta
Microinterruttori di prossimità amplificati IFM

* La sigla che identifica il tipo di finecorsa usati, compare nel codice del box al 6° e 7° posto.

CERCA IL CODICE 
X CHIUDI

PROSSIMO EVENTO

IVS - Industrial Valve Summit 2026
IVS - Industrial Valve Summit 2026
Bergamo, Italia, 19 - 21 maggio 2026