images/testate/1600x499accattuatori.jpg

KPFE ATEX Posicionador Eletropneumático 4-20mA

II 2 G EEX ia/ib IIB/IIC T4/T6

Execução ATEX
STANDARD
Spoll Valve
STANDARD
Versão de Efeitp duplo
SIM
Manifold completo com manômetros
SIM
Caixa de Alumínio Pintada com Epóxi
STANDARD
Caixa em AÇO INOX
OPÇÃO

O POSICIONADOR É VENDIDO JÁ CALIBRADO SE COMPRADO EM UMA MONTAGEM COM ATUADOR PNEUMÁTICO DA OMAL S.P.A.; AO CONTRÁRIO, SE VENDIDO INDIVIDUALMENTE, A RESPONSABILIDADE PELA CALIBRAGEM É DO CLIENTE. A OMAL S.P.A. NÃO É RESPONSÁVEL PELO SET-UP.

CARACTERÍSTICAS PRINCIPAIS
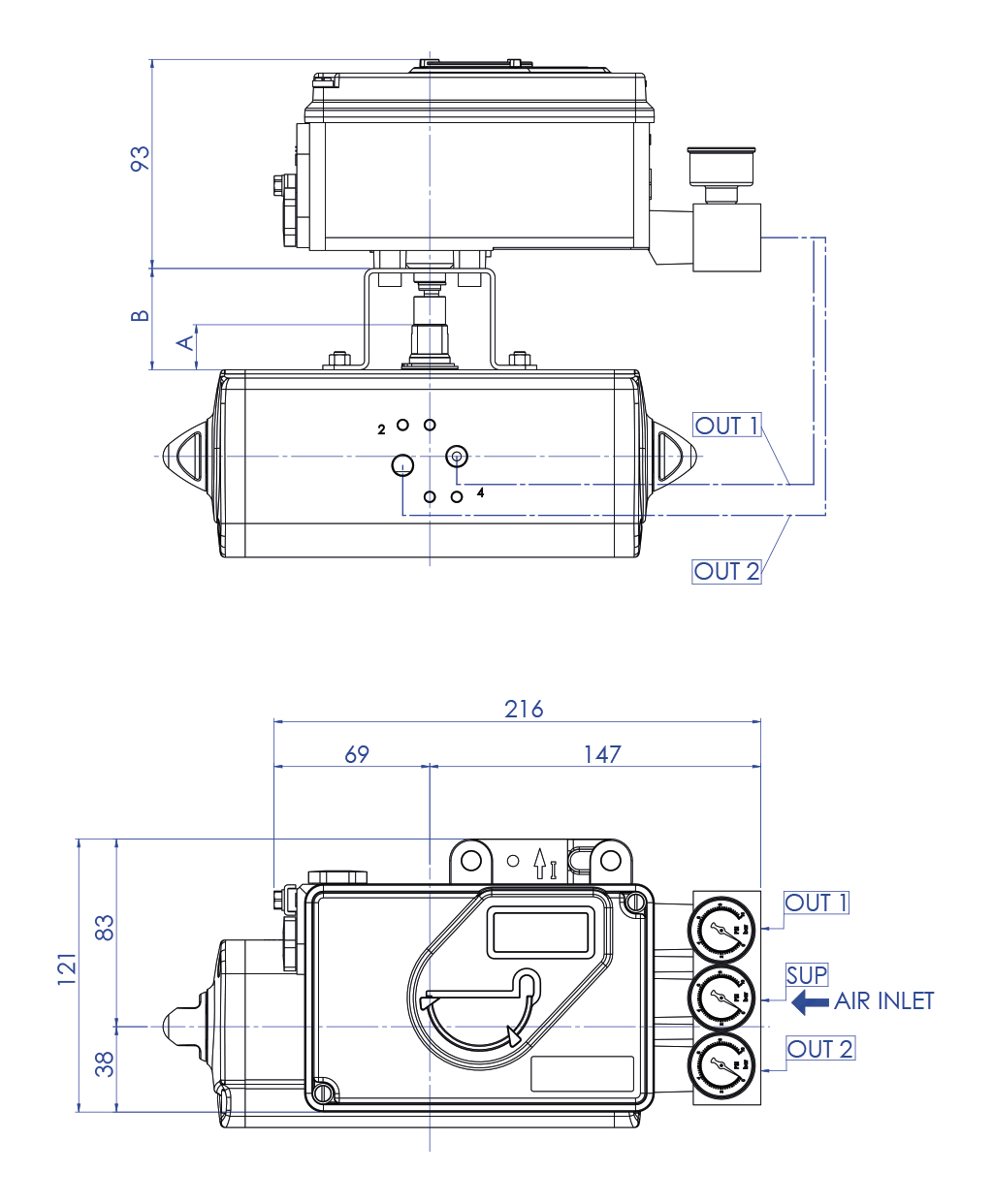
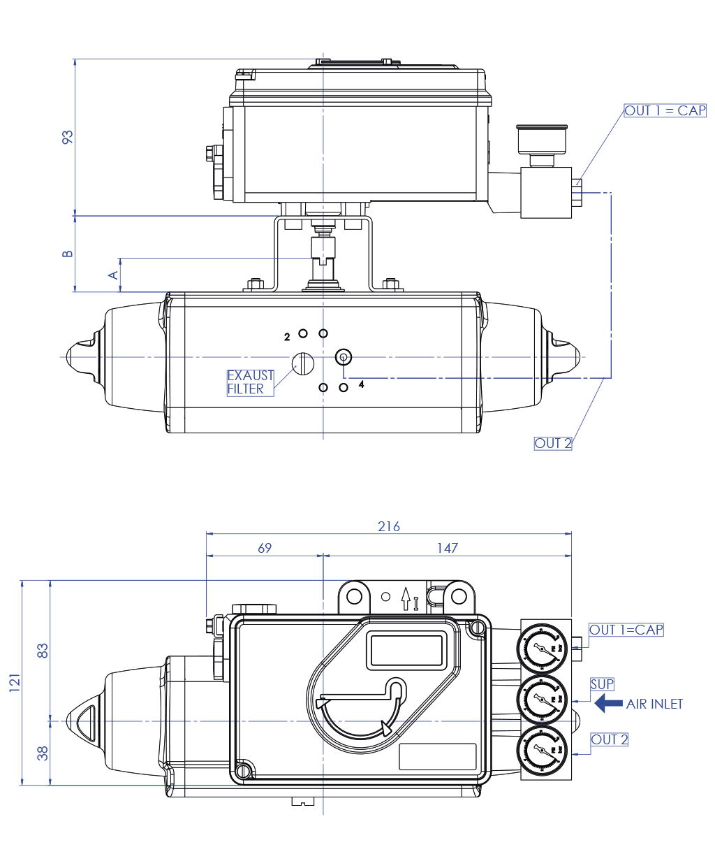
- Posicionador eletropneumático analógico com entrada 4-20 mA. Projetado para o controle de atuadores pneumáticos Simplicidade de configuração através de Chaves e Potenciômetros. Na versão com feedback, o instrumento é equipado com retransmissão de posição para monitoramento contínuo da válvula (4 - 20 mA).
- Caixa em Alumínio pintada com Resina Epóxi Temperatura de operação: de -40°C a 80°C
- VERSÃO: Efeito Simples/Duplo
- INPUT: Sinal de 4-20 mA
- INPUTS/OUTPUTS ADICIONAIS: Não
- INTERRUPTORES DE LIMITE INTERNOS: Não
- CONEXÃO ELÉTRICA: M20x1.5, completo com Prensa-Cabo
- EXECUÇÃO ELÉTRICA: ATEX II 2 G EEx ia/ib IIB/IIC T4/T6
- Grau de proteção ambiental: IP65 (IP66 a pedido)

ACESSÓRIOS INCLUÍDOS
- Amplificador pneumático tipo "Spool Valve"
- Manifold completo com manômetros, com conexão ao processo 1/4-18 NPT
- Kit de montagem para atuador rotativo, de acordo com VDI/VDE 3845

OPÇÕES A PEDIDO
- Transmissão Posição da válvula 4-20 mA intrinsecamente segura
- N°2 Limit Switches NAMUR / PNP microinterruptores intrinsecamente seguros
- Caixa em aço Inoxidável 316
- Caixa em manômetros em aço inoxidável 316

CERTIFICAÇÕES
- Declaração de conformidade ATEX II 2 G EEx ia/ib IIB/IIC T4/T6 + outras a pedido.

FOXBORO ECKART-SRI990

NOTAS
Os posicionadores pneumáticos e eletropneumáticos são fornecidos a pedido ajustados e montados usando tubos em alumínio revestido e engates rápidos.

Ajuste A = 0° - 90°:
- Sinal de controle 4mA: posição fechado
- Sinal de controle 20mA: posição aberto
Ajuste D = 90° - 0°:
- Sinal de controle 4mA: posição aberto
- Sinal de controle 20mA: posição fechado

Para mais informações, consultar o manual de uso e manutenção.

Posicionador com atuador Efeito Duplo

Posicionador com atuador Efeito Simples

Para as medidas A e B ver pág. 75.

PESQUISAR CóDIGO 
X FECHAR

PRÓXIMO EVENTO

IVS - Industrial Valve Summit 2026
IVS - Industrial Valve Summit 2026
Bergamo, Italy, 19 - 21 may 2026