images/testate/1600x499accattuatori.jpg

KPFE ATEX Electropneumatic positioner 4-20mA

II 2 G EEX ia/ib IIB/IIC T4/T6

ATEX execution
STANDARD
Spoll Valve
STANDARD
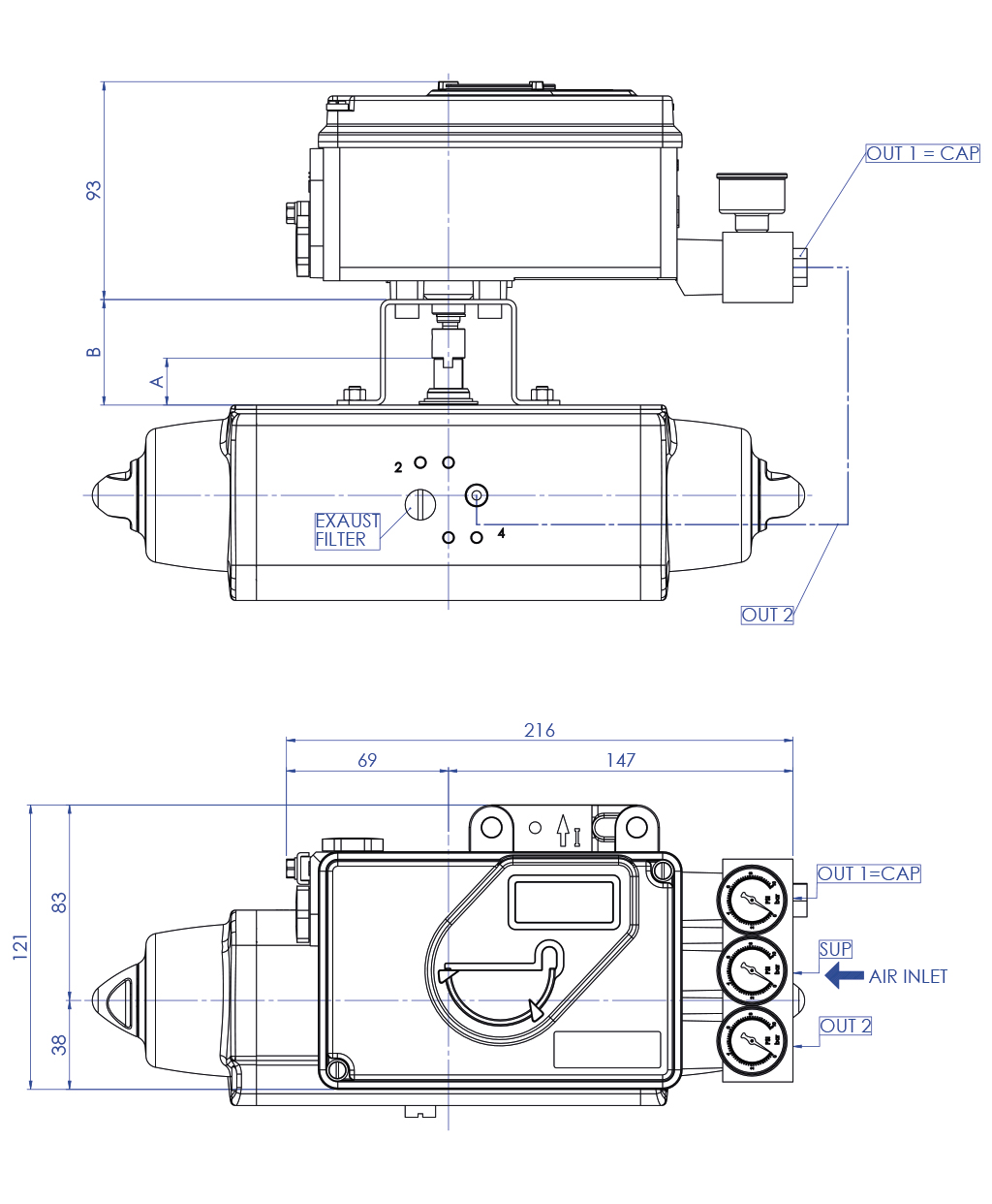
Double acting version
YES
Manifold complete with manometer
YES
Epoxy painted Aluminium box
STANDARD
INOX box
OPTION

WHEN THE POSITIONER IS PURCHASED MOUNTED ON OMAL S.P.A. PNEUMATIC ACTUATOR, YOU WILL RECEIVE IT ALREADY CALIBRATED; OTHERWISE THE SETTING IS UP TO THE CUSTOMER. OMAL S.P.A. WILL NOT BE RESPONSIBLE FOR IT.

TECHNICAL FEATURES
• Analog positioner with Input 4-20 mA. Designed to control pneumatic actuators. It offers an easy configuration by means of switches and potentiometers. The version with feedback signal, includes a position transmitter for the continuous valve monitoring (4 - 20 mA).
- Epoxy painted aluminium case. Working temperature: from -40°C to 80°C
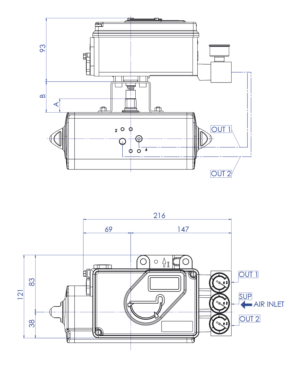
- VERSION: Single / Double acting
- INPUT: Signal 4-20 mA
- ADDITIONAL INPUTS/OUTPUTS: Not included INTERNAL
- LIMIT SWITCHES : Not included
- CABLE ENTRY: M20x1.5, complete of cable gland
- ELECTRICAL CLASSIFICATION: II 2 G EEx ia/ib IIB/IIC T4/T6 according to ATEX
- Protection: IP65 (IP66 on request)

INCLUDED ACCESSORIES
- “Spool valve” pneumatic amplifier
- Manifold complete with manometers, with connection 1/4-18 NPT
- Mounting kit for rotary actuator, according to VDI/VDE 3845

OPTIONS ON REQUEST
- Position Feedback 4 - 20 mA , Intrinsically Safe
- N° 2 Namur Limit Switches / PNP micro switches Intrinsically Safe
- 316 Stainless Steel housing
- 316 Stainless Steel housing and manometers

CERTIFICATIONS
- Declaration of conformity ATEX II 2 G EEx ia/ib IIB/IIC T4/T6 + others on request.

FOXBORO ECKART-SRI990

NOTES
Pneumatic and electro-pneumatic positioners are supplied up on request adjusted and are mounted using covered aluminium pipes and rapid connectors.

Adjustment A = 0° - 90°:
- 4mA control signal: closed position
- 20mA control signal: opened position.
Adjustment D = 90° - 0°:
- 4mA control signal: opened position
- 20mA control signal: closed position.

For any other information, see the use and maintenance manual.

Positioner with Double Acting actuator

Positioner with Spring Return actuator

For dimentions A and B see page 75 of the accessories catalogue.

SEARCH CODE 
X CLOSE

NEXT EVENT

IVS - Industrial Valve Summit 2026
IVS - Industrial Valve Summit 2026
Bergamo, Italy, 19 - 21 may 2026