images/testate/1600x499accattuatori.jpg

KPFE ATEX Elektropneumatischer Stellungsregler 4-20 mA

II 2 G EEX ia/ib IIB/IIC T4/T6

ATEX-Ausführung
STANDARD
Spoll Valve
STANDARD
Bi-direktionale Wirkung
JA
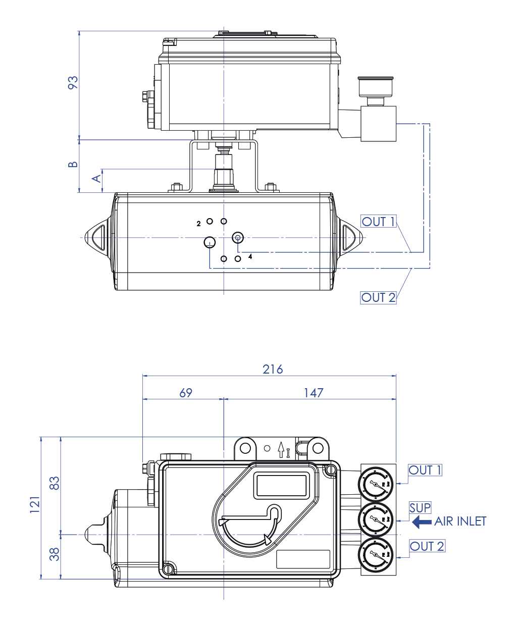
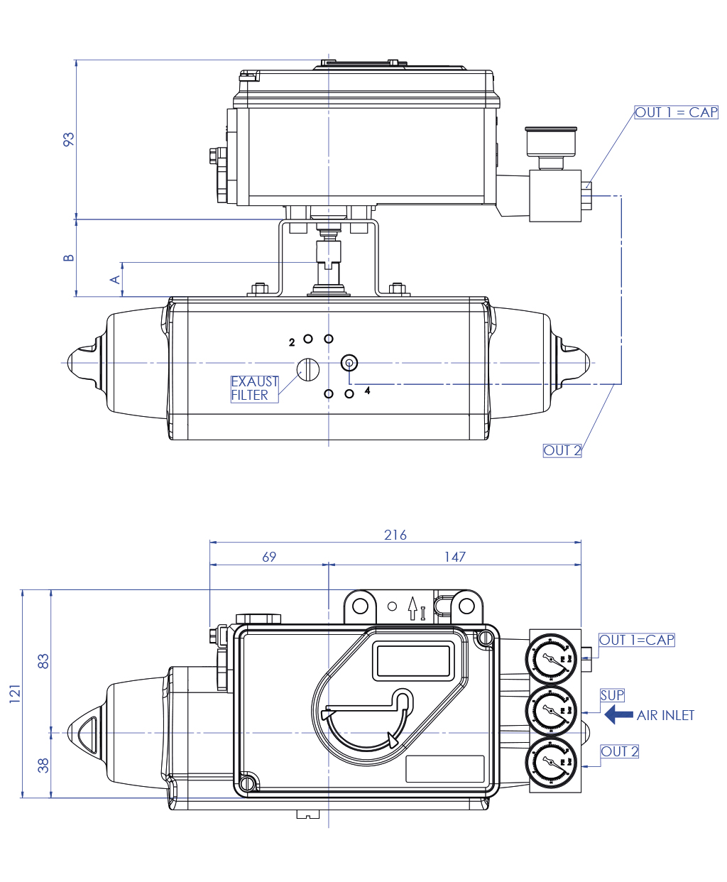
Verteiler komplett mit Manometer
JA
Epoxidlackiertes Aluminiumgehäuse
STANDARD
Gehäuse aus rostfreiem
OPTION

DER STELLUNGSREGLER WIRD BEREITS KALIBRIERT VERKAUFT, WENN ER ZUSAMMEN MIT PNEUMATISCHEM STELLANTRIEB VON OMAL S.P.A. GEKAUFT WIRD, WENN EINZELN VERKAUFT, GEHT DIE KALIBRIERUNG ZU LASTEN DES KUNDEN. OMAL S.P.A. IST NICHT FÜR DAS SET-UP VERANTWORTLICH.

HAUPTMERKMALE
- Analoger elektropneumatischer Stellungsregler mit 4 - 20 mA Eingang. Konzipiert für die Steuerung pneumatischer Stellantriebe Einfache Konfiguration durch Schalter und Potentiometer. In der Ausführung mit Rückmeldung ist das Gerät mit einer Stellungsrückmeldung zur kontinuierlichen Ventilüberwachung (4 - 20 mA) ausgestattet.
- Aluminiumgehäuse mit Epoxidharz lackiert, Betriebstemperatur: von - 40 bis + 80 °C
- VERSION: Uni-/bidirektionale Wirkung
- EINGANG: Signal 4 - 20 mA
- ZUSÄTZLICHE EIN- / AUSGÄNGE: Nein
- INTERNE ENDSCHALTER: Nein
- ELEKTRISCHE VERBINDUNG: M20 x 1,5, komplett mit Kabelverschraubung
- ELEKTRISCHE AUSFÜHRUNG: ATEX II 2 G EEx ia/ib IIB/IIC T4/T6
- Schutzart: IP65 (IP66 auf Anfrage)

INKLUSIVE ZUBEHÖR
- Pneumatischer Verstärker Typ "Spool Valve"
- Verteiler komplett mit Manometer, mit 1/4-18 NPT Anschluss
- Montage-Bausatz für Dreh-Stellantrieb, nach VDI/VDE 3845

OPTIONEN AUF ANFRAGE
- Übertragung Eigensichere 4 - 20 mA Ventilstellung
- 2 Endschalter NAMUR/PNP Mikroschalter mit Eigensicherheit
- Gehäuse aus Edelstahl 316
- Gehäuse und Manometer aus Edelstahl 316

ZERTIFIZIERUNGEN
- Konformitätserklärung ATEX II 2 G EEx ia/ib IIB/IIC T4/T6 + andere auf Anfrage.

FOXBORO ECKART-SRI990

ANMERKUNGEN
Pneumatische und elektro-pneumatische Stellungsregler werden auf Anfrage geliefert, justiert und montiert unter Verwendung von beschichteten Aluminiumrohren und Schnellkupplungen.

Einstellung A = 0 - 90°:
- Steuersignal 4 mA: geschlossene Stellung
- Steuersignal 20 mA: offene Stellung
Einstellung D = 90 - 0°:
- 4 mA Steuersignal: offene Stellung
- 20 mA Steuersignal: geschlossene Stellung

Weitere Angaben finden Sie in der Gebrauchs- und Wartungsanleitung.

Bi-direktionaler Stellungsregler

Uni-direktionaler Stellungsregler

Maßzahlen A und B siehe S. 75.

ARTIKELNUMMER SUCHEN 
SCHLIESSEN

NÄCHSTES EVENT

IVS - Industrial Valve Summit 2026
IVS - Industrial Valve Summit 2026
Bergamo, Italy, 19 - 21 may 2026