images/testate/1600x499accattuatori.jpg

KPFE ATEX Positionneur électropneumatique 4- 20mA

II 2 G EEX ia/ib IIB/IIC T4/T6

Exécution ATEX
STANDARD
Spoll Valve
STANDARD
Version double effet
OUI
Collecteur avec manomètres
OUI
Boîtier en aluminium avec peinture époxy
STANDARD
Boîtier en acier INOX
OPTION

LE POSITIONNEUR EST VENDU DÉJÀ ÉTALONNÉ SI ACHETÉ DANS UN ENSEMBLE AVEC ACTIONNEUR PNEUMATIQUE OMAL S.P.A. ; S’IL A ÉTÉ VENDU SEUL, LA RESPONSABILITÉ DE L’ÉTALONNAGE IMCOMBE AU CLIENT. OMAL S.P.A. N'EST PAS RESPONSABLE DE L'INSTALLATION.

CARACTÉRISTIQUES PRINCIPALES
- Positionneur électropneumatique analogique avec entrée 4-20 mA. Conçu pour le contrôle d'actionneurs pneumatiques. Configuration facile au moyen de commutateurs et potentiomètres. Dans la version avec rétro-action, l'instrument est équipé d'une retransmission de la position pour une surveillance continue de la vanne (4 - 20 mA).
- Boîtier en aluminium revêtu de peinture époxy Température de fonctionnement : de -40 °C à 80 °C
- VERSION : Simple / Double effet
- ENTRÉE : Signal 4-20 mA
- ENTRÉES/SORTIES SUPPLÉMENTAIRES : Non
- FINS DE COURSE INTERNES : Non
- RACCORD ÉLECTRIQUE : M20x1,5, avec presse-étoupe
- EXÉCUTION ÉLECTRIQUE : ATEX II 2 G EEx ia/ib IIB/IIC T4/T6
- Indice de protection environnementale : IP65 (IP66 sur demande)

ACCESSOIRES INCLUS
- Amplificateur pneumatique de type « Spool Valve »
- Collecteur avec manomètres, avec raccord au processus 1/4-18 NPT
- Kit de montage pour actionneur rotatif, suivant VDI/VDE 3845

OPTIONS DISPONIBLES SUR DEMANDE
- Transmission de la position de la vanne 4-20 mA à sécurité intrinsèque
- 2 fins de course NAMUR/PNP microrupteurs à sécurité intrinsèque
- Boîtier en acier inoxydable 316
- Boîtier et manomètres en acier inoxydable 316

CERTIFICATIONS
- Déclaration de conformité ATEX II 2 G EEx ia/ib IIB/IIC T4/T6 + autres certificats disponibles sur demande.

FOXBORO ECKART-SRI990

REMARQUES
Sur demande, les positionneurs pneumatiques et électropneumatiques sont fournis réglés et assemblés à l'aide de tubes en aluminium revêtu et de raccords rapides.

Réglage A = 0 ° - 90 ° :
- Signal de commande 4 mA : position fermée
- Signal de commande 20 mA : position ouverte
Réglage D = 90 ° - 0 ° :
- Signal de commande 4 mA : position ouverte
- Signal de commande 20 mA : position fermée

Pour plus d'informations, veuillez consulter le manuel d'utilisation et d'entretien.

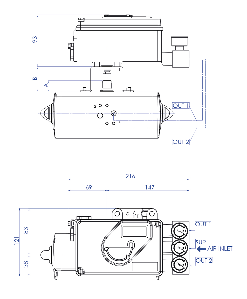
Positionneur avec actionneur double effet

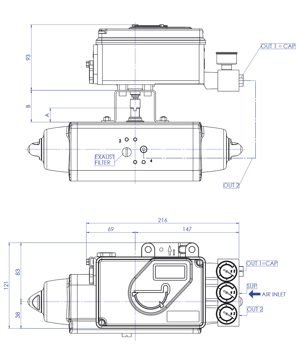
Positionneur avec actionneur simple effet

Pour les cotes A et B, voir p. 75.

CHERCHER LE CODE 
X FERMER

PROCHAIN ÉVÈNEMENT

IVS - Industrial Valve Summit 2026
IVS - Industrial Valve Summit 2026
Bergamo, Italy, 19 - 21 may 2026