images/testate/1600x499accattuatori.jpg

KPFE ATEX elektro-pnömati̇k konumlandirici 4-20mA

II 2 G EEX ia/ib IIB/IIC T4/T6

Uygulama ATEX
STANDART
Sürgülü Vana
STANDART
Çift Etkili Sürüm
EVET
Manometreli manifold
EVET
Epoksi Boyalı Alüminyum Kasa
STANDART
Paslanmaz çelik kasa
SEÇENEK

KONUMLANDIRICI, OMAL S.P.A. PNÖMATİK AKTÜATÖR İLE MONTAJLI OLARAK SATIN ALINDIĞINDA ZATEN KALİBRE EDİLMİŞTİR; ANCAK TEK OLARAK SATIN ALINDIĞINDA KALİBRE ETME SORUMLULUĞU MÜŞTERİYE AİTTİR. OMAL S.P.A. KURULUMDAN SORUMLU DEĞİLDİR.

TEMEL ÖZELLİKLER
- 4-20 mA girişli analog elektro-pnömatik konumlandırıcı. Pnömatik aktüatörlerin kontrolü için tasarlanmıştır Anahtarlar ve Potansiyometreler aracılığıyla basit konfigürasyon. Geri beslemeli sürümde cihaz, vanayı sürekli izlemek (4 - 20 mA) için konum retransmisyonu ile donatılmıştır.
- Epoksi Reçine ile boyanmış alüminyum kasa Çalışma sıcaklığı: -40 °C ile 80 °C arası
- SÜRÜM: Tek / Çift etkili
- INPUT: 4-20 mA sinyali
- EK GİRİŞLER / ÇIKIŞLAR: HAYIR
- DÂHİLİ LİMİT ANAHTARLARI: HAYIR
- ELEKTRİKSEL BAĞLANTI: M20x1.5, Kablo Rakoru ile birlikte
- ELEKTRİKLİ UYGULAMA: ATEX, II 2 G EEx ia / ib IIB / IIC T4 / T6
- Çevre koruma derecesi IP65 (isteğe göre IP66).

DAHİL OLAN AKSESUARLAR
- "Spool Valve” tipi pnömatik amplifikatör
- 1 / 4-18 NPT işlemi bağlantılı manometreli manifold
- VDI / VDE 3845'e göre döner aktüatör montaj kiti

İSTEĞE GÖRE SEÇENEKLER
- Kendinden emniyetli 4-20 mA vana konumu transmisyonu
- 2 adet Limit Anahtarı NAMUR / PNP kendinden emniyetli mikro anahtarlar
- 316 paslanmaz çelik kasa
- 316 paslanmaz çelik kasa ve göstergeler

SERTİFİKALAR
- ATEX uygunluk beyanı II 2 G EEx ia/ib IIB/IIC T4/T6 + istek üzerine diğerleri

FOXBORO ECKART-SRI990

NOT
Pnömatik ve elektropnömatik konumlandırıcılar isteğe göre sağlanır kaplamalı alüminyum borular ve hızlı kaplinler kullanılarak ayarlanmış ve monte edilmiştir.

Ayar A = 0 ° - 90 °:
- 4mA kontrol sinyali: kapalı konum
- 20mA kontrol sinyali: açık konum
Ayar D = 90° - 0°:
- 4mA kontrol sinyali: açık konum
- 20mA kontrol sinyali: kapalı konum

Daha fazla bilgi için kullanım ve bakım kılavuzuna bakınız.

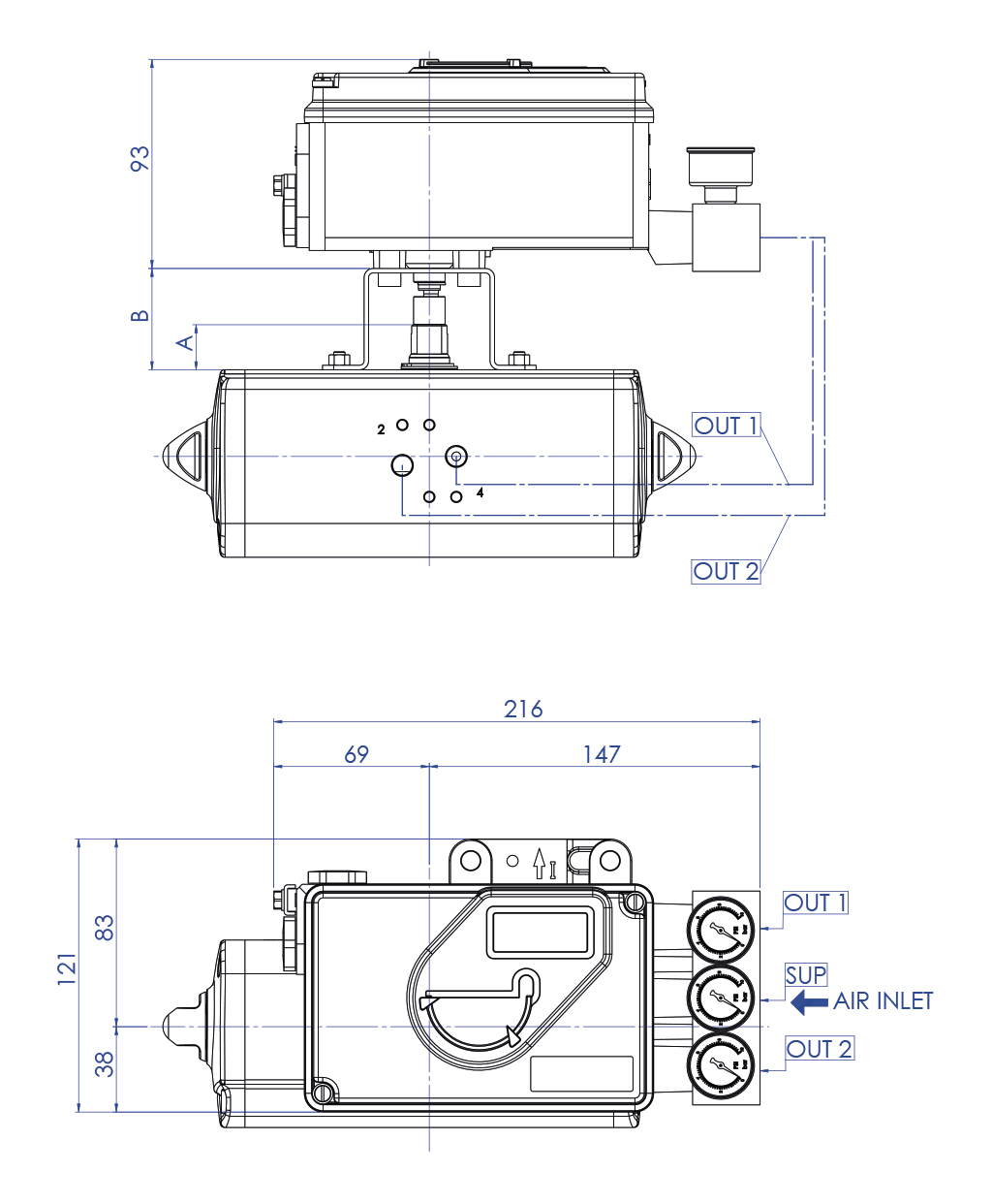
Çift etkili pnömatik aktüatörlü konumlandırıcı

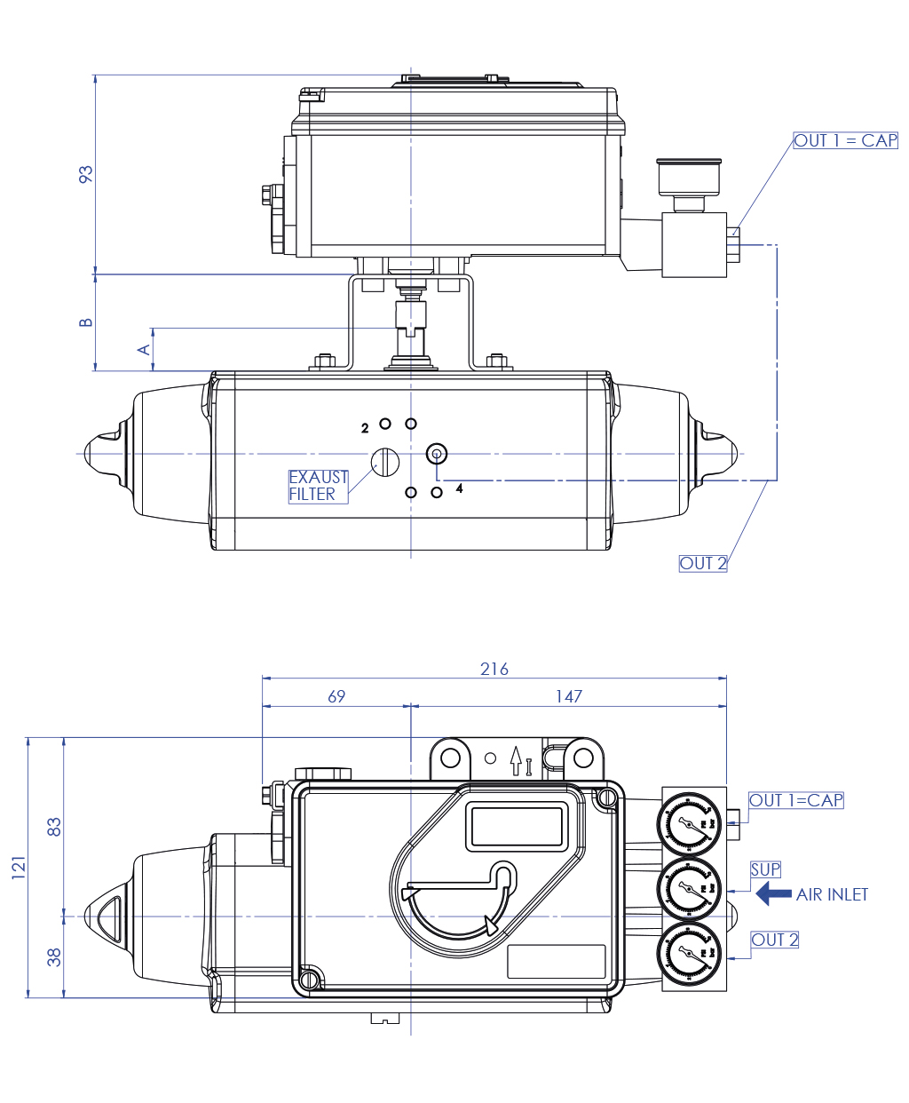
Tek etkili pnömatik aktüatörlü konumlandırıcı

A ve B boyutları için bkz. 75.

ARAMA KODU 
X KAPAT

GELECEK ETKİNLİK

IVS - Industrial Valve Summit 2026
IVS - Industrial Valve Summit 2026
Bergamo, Italy, 19 - 21 may 2026