images/testate/7J20T0_Header-attuatori-elettrici.jpg

Atuador elétrico tipo rotativo EF 25-250

  • características
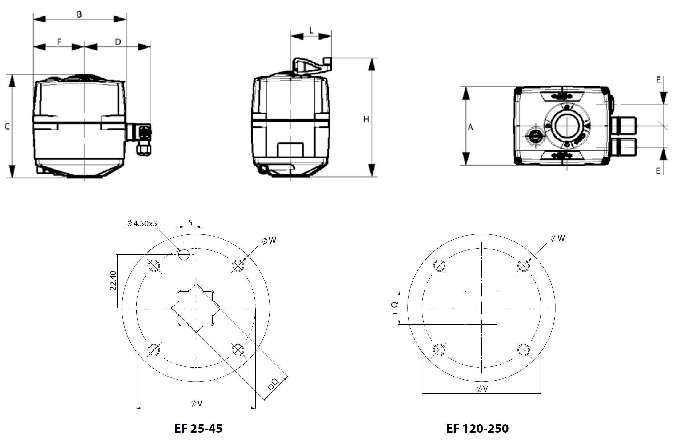
  • dimensões

DADOS TÉCNICOS
Atuador elétrico tipo rotativo utilizável em aplicações aberto/fechado e modulantes.
Utilizado para válvulas com ângulo de rotação de 90°a 180°.
Posição aberto/fechado/intermediário
Torque nominal: 10-100 Nm
Torque de pico: 25-250 Nm.
Tensão de alimentação: AC 100-230 V, 50/60 Hz - AC/DC 24 V, 50/60 Hz
Tolerância da alimentação ±15%.
Classe de proteção IP65 (IP67 com prensa-cabos e instalação vertical) conforme EN 60529
Atuadores para válvulas industriais EN 15714-2
Temperatura de operação: de -10°C1 a + 50°C Umidade relativa: Máx. 90% sem condensação
Material do corpo: PP preenchido com vidro

* Em temperaturas abaixo de -10°C e na presença de umidade, o elemento de aquecimento deve ser ativado.

OPCIONAL A PEDIDO

Posicionador: Corrente, tensão
Conexão: Profibus DP
Retorno à posição de segurança: Bateria interna, alimentação externa
Módulos adicionais: Monitoramento de ciclos, contador de ciclos, monitoramento da corrente do motor

FICHA TÉCNICA

EF 25EF 45EF 120EF 250
Torque nominal  (Nm)102060100
Torque de pico   (Nm)2545120250
Carga de trabalho
100%50%50%35%
Tempo de ciclo com torque nominal  5 s/90°6 s/90°15 s/90°20 s/90°
Tensão de alimentação
100-230 VAC, 50/60 HZ
24VAC/DC, 50/60 HZ
Potência de saída nominal
35VA @ 100-230VAC
40VA @ 24VAC/DC
55VA @ 100-230VAC
60VA @ 24VAC/DC
50VA @ 100-230VAC
55VA @ 24VAC/DC
60VA @ 100-230VAC
65VA @ 24VAC/DC
Absorção  0.35A @ 100VAC
0.15A @ 230
1.7A @ 24VDC
0.55A @ 100VAC
0.24A @ 230
2.5A @ 24VDC
0.5A @ 100VAC
0.22A @ 230
2.3A @ 24VDC
0.55A @ 100VAC
0.26A @ 230
2.7A @ 24VDC
Peso   (kg)2,12,23,65
Ângulo de rotação  Max. 355°, set @ 90°
Ciclos testados (a 20°C e torque nominal)  
250 000100 000100 00075 000

DIMENSÕES
TIPO
ISO
A
B
C
D
E
F
H
L
Q
øV
øW
EF 25
F05
122
150
167
108
33
83
189
64
14
50
M6
EF 45
F05
122
150
167
108
33
83
189
64
14
50
M6
EF 120
F07
122
150
190
108
33
83
212
64
17
70
M8
EF 250
F07
122
150
208
108
33
83
230
64
17
70
M8

SELEÇÃO TAMANHO
Selecionar os parâmetros de pesquisa
PESQUISA DE ITEM
X FECHAR

PRÓXIMO EVENTO

IVS - Industrial Valve Summit 2026
IVS - Industrial Valve Summit 2026
Bergamo, Italy, 19 - 21 may 2026