images/testate/7J20T0_Header-attuatori-elettrici.jpg

EF 25-250 döner tip elektrikli aktüatör

  • özellikleri
  • boyutlar

TEKNİK BİLGİLER
Açık/kapalı ve modülasyonlu uygulamalarda kullanılabilen döner tip elektrikli aktüatör.
90° - 180° arası dönüş açısına sahip vanalarda kullanılır.
Açık/kapalı/orta pozisyon
Nominal moment: 10-100 Nm
Tepe momenti: 25-250 Nm.
Güç gerilimi AC 100-230 V, 50/60 Hz - AC/DC 24 V, 50/60 Hz
Güç toleransı %±15.
EN 60529'a göre koruma sınıfı IP65 (kablo rakorlu ve dikey montajlı IP67)

Endüstriyel vana aktüatörleri EN 15714-2
Çalışma sıcaklığı: -10°C ile +50°C arası
Bağıl nem: Maks. %90 yoğuşmasız
Gövde malzemesi: PP cam takviyeli

1 Düşük sıcaklıklarda ve nem varlığında, ısıtma elemanı
etkinleştirilmelidir..

İSTEĞE GÖRE OPTIONAL

Pozisyoner: Akım, gerilim
Bağlantı: Profibus DP
Emniyet konumuna geri dönüş: Dahili batarya, harici güç kaynağı
İlave modüller: Döngü izleme, döngü sayacı, motor akımı izleme

TEKNİK BİLGİ FORMU

EF 25EF 45EF 120EF 250
Nominal moment (Nm)102060100
  Tepe momenti (Nm)2545120250
 Çalışma yükü100%50%50%35%
 5 s/90°6 s/90°15 s/90°20 s/90°
  Normal momentteki çevrim süresi100-230 VAC, 50/60 HZ
24VAC/DC, 50/60 HZ
Nominal çıkış güç
35VA @ 100-230VAC
40VA @ 24VAC/DC
55VA @ 100-230VAC
60VA @ 24VAC/DC
50VA @ 100-230VAC
55VA @ 24VAC/DC
60VA @ 100-230VAC
65VA @ 24VAC/DC
Tüketim
0.35A @ 100VAC
0.15A @ 230
1.7A @ 24VDC
0.55A @ 100VAC
0.24A @ 230
2.5A @ 24VDC
0.5A @ 100VAC
0.22A @ 230
2.3A @ 24VDC
0.55A @ 100VAC
0.26A @ 230
2.7A @ 24VDC
Ağırlık   (kg)2,12,23,65
 Test edilen döngülerMax. 355°, set @ 90°
  (20°C'de ve nominal momentte)250 000100 000100 00075 000

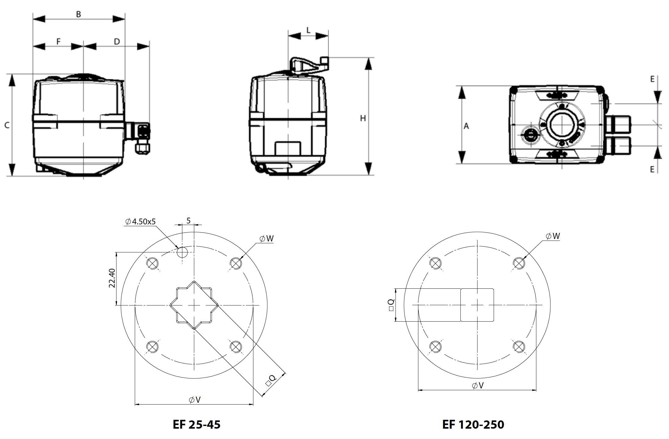
BOYUTLAR
TÜR
ISO
A
B
C
D
E
F
H
L
Q
øV
øW
EF 25
F05
122
150
167
108
33
83
189
64
14
50
M6
EF 45
F05
122
150
167
108
33
83
189
64
14
50
M6
EF 120
F07
122
150
190
108
33
83
212
64
17
70
M8
EF 250
F07
122
150
208
108
33
83
230
64
17
70
M8

SEÇİN BOYUT
Arama parametrelerini seçin
MAKALE ARAYIN
X KAPAT

GELECEK ETKİNLİK

IVS - Industrial Valve Summit 2026
IVS - Industrial Valve Summit 2026
Bergamo, Italy, 19 - 21 may 2026