images/testate/7J20T0_Header-attuatori-elettrici.jpg

Elektrischer Schwenkantrieb EF 25-250

  • eigenschaften
  • abmessungen

TECHNISCHE DATEN 
Elektrischer Schwenkantrieb, in offener/geschlossener und modulierender Anwendung verwendbar. 
Wird für Armaturen mit einem Schwenkwinkel von 90° bis 180° verwendet. 
Offen/Geschlossen/Zwischenstellung
Nenndrehmoment: 10-100 Nm
Spitzendrehmoment: 25-250 Nm. 
Versorgungsspannung: AC 100-230 V, 50/60 Hz - AC / DC 24 V, 50/60 Hz  
Toleranz der Stromversorgung ± 15%. 
Schutzart IP65 (IP67 mit Kabelverschraubung und vertikaler Installation) gemäß EN 60529
Stellantriebe für Industriearmaturen EN 15714-2  
Betriebstemperatur: von -10°C* bis + 50°C  
Relative Luftfeuchtigkeit: max. 90% ohne Kondensation
Gehäusematerial: PP glasfaserverstärkt
 
* Bei niedrigeren Temperaturen -10°C und bei Feuchtigkeit muss das Heizelement aktiviert werden. 

OPTIONAL AUF ANFRAGE 
Stellungsregler: Strom, Spannung
Anschluss: Profibus DPI  
Rückkehr in die Sicherheitsstellung: Interne Batterie, externe Stromversorgung  
Zusätzliche Module: Zyklusüberwachung, Zykluszähler, Motorstromüberwachung

TECHNISCHES DATENBLATT

EF 25EF 45EF 120EF 250
Nenndrehmoment (Nm)102060100
Spitzendrehmoment (Nm)2545120250
Betriebsbelastung   100%50%50%35%
Zykluszeit bei Nenndrehmoment5 s/90°6 s/90°15 s/90°20 s/90°
Versorgungsspannung100-230 VAC, 50/60 HZ
24VAC/DC, 50/60 HZ
Nennausgangsleistung 35VA @ 100-230VAC
40VA @ 24VAC/DC
55VA @ 100-230VAC
60VA @ 24VAC/DC
50VA @ 100-230VAC
55VA @ 24VAC/DC
60VA @ 100-230VAC
65VA @ 24VAC/DC
Leistungsaufnahme  0.35A @ 100VAC
0.15A @ 230
1.7A @ 24VDC
0.55A @ 100VAC
0.24A @ 230
2.5A @ 24VDC
0.5A @ 100VAC
0.22A @ 230
2.3A @ 24VDC
0.55A @ 100VAC
0.26A @ 230
2.7A @ 24VDC
Gewicht (kg)2,12,23,65
Schwenkwinkel  max. 355 °, auf 90° eingestellt
Getestete Zyklen (bei 20°C und Nenndrehmoment)250 000100 000100 00075 000

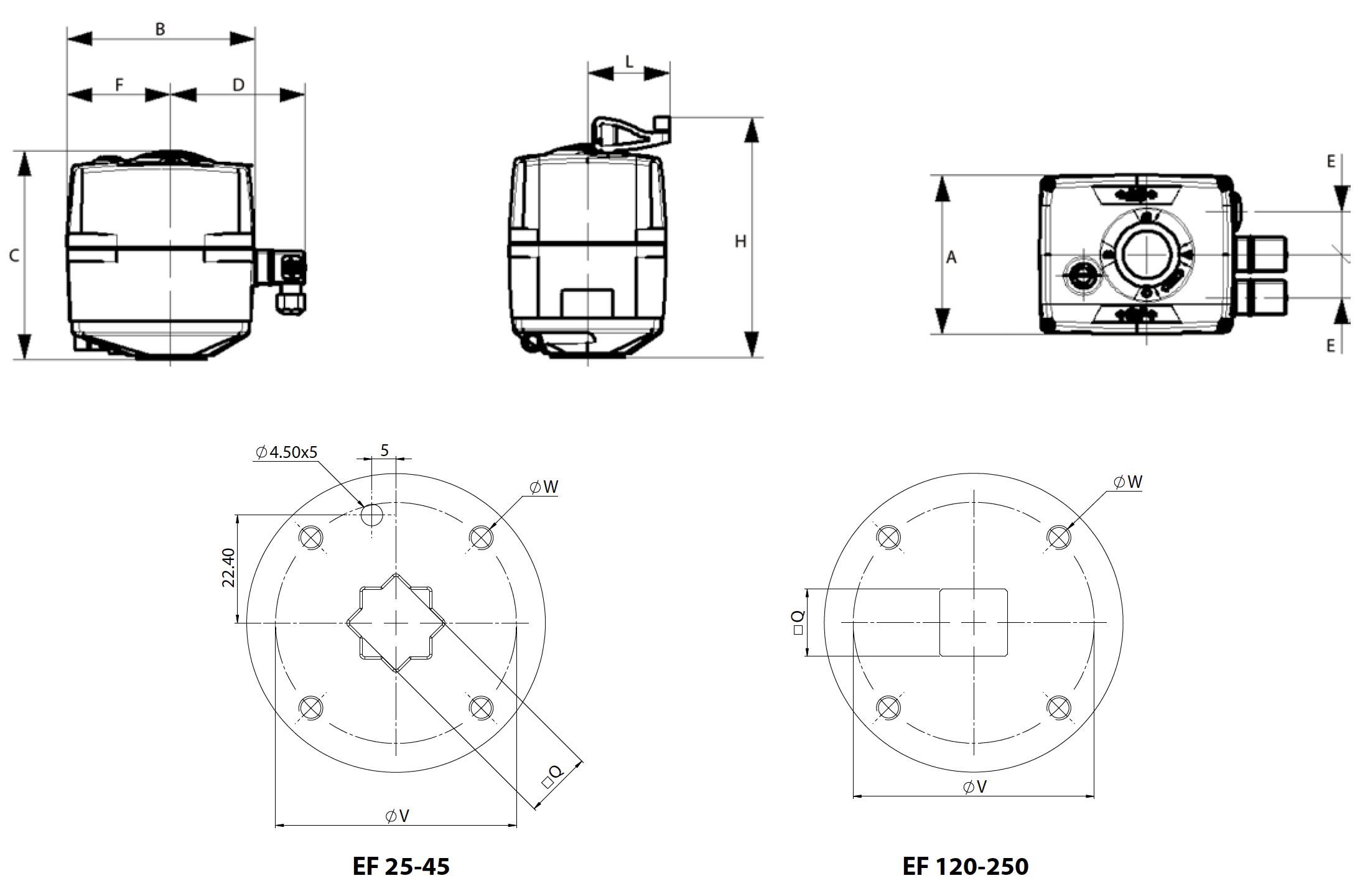
ABMESSUNGEN
TYP
ISO
A
B
C
D
E
F
H
L
Q
øV
øW
EF 25
F05
122
150
167
108
33
83
189
64
14
50
M6
EF 45
F05
122
150
167
108
33
83
189
64
14
50
M6
EF 120
F07
122
150
190
108
33
83
212
64
17
70
M8
EF 250
F07
122
150
208
108
33
83
230
64
17
70
M8

WÄHLE GRÖßE
Wählen Sie die Suchparameter
ARTIKEL SUCHEN
SCHLIESSEN

NÄCHSTES EVENT

IVS - Industrial Valve Summit 2026
IVS - Industrial Valve Summit 2026
Bergamo, Italy, 19 - 21 may 2026