images/testate/7J20T0_Header-attuatori-elettrici.jpg

Attuatore elettrico tipo rotativo EF 25-250

  • caratteristiche
  • dimensioni

DATI TECNICI
Attuatore elettrico tipo rotativo utilizzabile in applicazioni aperto/chiuso e modulante.
Usato per valvole con angolo di rotazione da 90° a 180°.
Posizione aperto/chiuso/intermedio
Coppia nominale: 10-100 Nm
Coppia di picco: 25-250 Nm.
Tensione di alimentazione: AC 100-230 V, 50/60 Hz - AC/DC 24 V, 50/60 Hz
Tolleranza di alimentazione ±15%.
Classe di protezione IP65 (IP67 con pressacavo e installazione verticale) secondo EN 60529
Attuatori per valvole industriali EN 15714-2
Temperatura di esercizio: da -10°C* a +50°C
Umidità relativa: Max. 90% senza condensa
Materiale corpo: PP caricato vetro

* A temperature inferiori a -10°C e in presenza di umidità l’elemento riscaldante deve essere attivato.

OPTIONAL A RICHIESTA
Posizionatore: Corrente, tensione
Connessione: Profibus DP
Ritorno in posizione di sicurezza: Batteria interna, alimentazione dall’esterno
Moduli aggiuntivi: Monitoraggio cicli, contatore cicli, monitoraggio corrente motore

SCHEDA TECNICA

EF 25EF 45EF 120EF 250
Coppia nominale (Nm)102060100
Coppia di picco   (Nm)2545120250
Carico di lavoro   100%50%50%35%
Tempo ciclo alla coppia nominale  5 s/90°6 s/90°15 s/90°20 s/90°
Tensione di alimentazione  100-230 VAC, 50/60 HZ
24VAC/DC, 50/60 HZ
Potenza nominale in uscita 35VA @ 100-230VAC
40VA @ 24VAC/DC
55VA @ 100-230VAC
60VA @ 24VAC/DC
50VA @ 100-230VAC
55VA @ 24VAC/DC
60VA @ 100-230VAC
65VA @ 24VAC/DC
Assorbimento  0.35A @ 100VAC
0.15A @ 230
1.7A @ 24VDC
0.55A @ 100VAC
0.24A @ 230
2.5A @ 24VDC
0.5A @ 100VAC
0.22A @ 230
2.3A @ 24VDC
0.55A @ 100VAC
0.26A @ 230
2.7A @ 24VDC
Peso   (kg)2,12,23,65
Angolo di rotazione  Max. 355°, set @ 90°
Cicli testati (a 20°C e coppia nominale)   250 000100 000100 00075 000

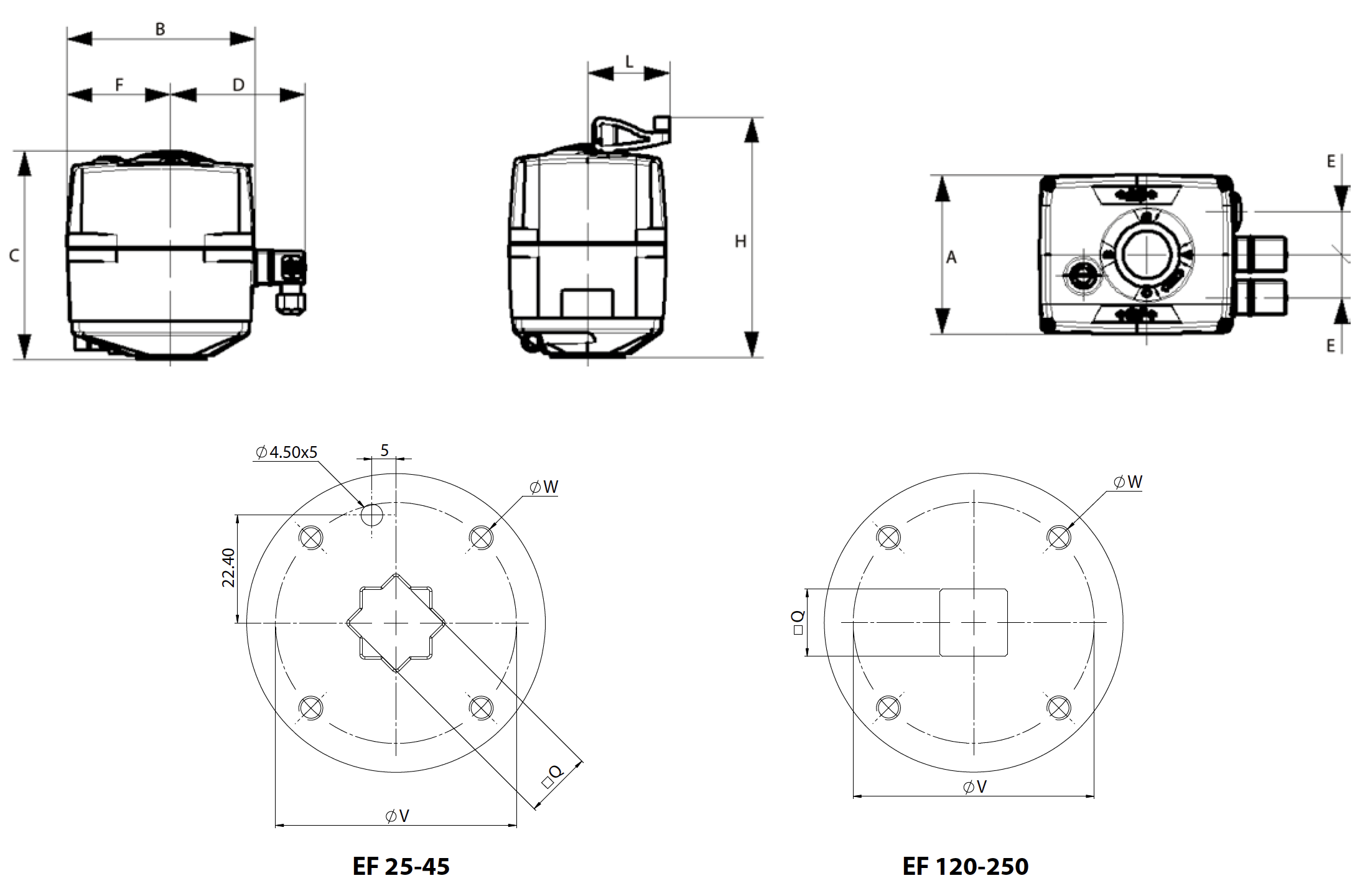
DIMENSIONI  
TIPO
ISO
A
B
C
D
E
F
H
L
Q
øV
øW
EF 25
F05
122
150
167
108
33
83
189
64
14
50
M6
EF 45
F05
122
150
167
108
33
83
189
64
14
50
M6
EF 120
F07
122
150
190
108
33
83
212
64
17
70
M8
EF 250
F07
122
150
208
108
33
83
230
64
17
70
M8

SELEZIONA MISURA
Seleziona i parametri di ricerca
CERCA ARTICOLO
X CHIUDI

PROSSIMO EVENTO

IVS - Industrial Valve Summit 2026
IVS - Industrial Valve Summit 2026
Bergamo, Italia, 19 - 21 maggio 2026