images/testate/7J20T0_Header-attuatori-elettrici.jpg

EF 25-250 rotary type electric actuator

  • features
  • dimensions

TECHNICAL DATA
Rotating electric actuator that can be utilized in either open/close or modulating applications.
Used to operate valves with rotating angle from 90° to 180°
Open/close/middle position
Nominal torque: 10-100 Nm
Peak torque: 25-250 Nm
Rated voltage: : AC 100-230 V, 50/60 Hz AC/DC 24 V, 50/60 Hz
Rated voltage tollerance: +/- 15%
Protection class: IP 65 (IP 67 when used with cable glands and vertical installation) per EN60529
Actuators for industrial valves EN 15714-2
Ambient temperature: -10°C* +50°C
Allowable humidity: Max. 90% relative humidity, non-condensing
Housing material: glass-filled PP

* At temperature below -10°C and if there is condensation, the heating element should be activated.

OPTIONAL ON REQUEST
Positioner: Current, voltage
Network: Profibus DP
Fail safe return: Battery back up, externally powered board
Smart module: Cycle monitoring, cycle counter, motor current monitoring

DATA SHEET

EF 25EF 45EF 120EF 250
 Nominal torque   (Nm)102060100
Peak output torque   (Nm)2545120250
 Duty cycle100%50%50%35%
   Cycle time at nominal torque5 s/90°6 s/90°15 s/90°20 s/90°
  Rated voltage100-230 VAC, 50/60 HZ
24VAC/DC, 50/60 HZ
  Rated output35VA @ 100-230VAC
40VA @ 24VAC/DC
55VA @ 100-230VAC
60VA @ 24VAC/DC
50VA @ 100-230VAC
55VA @ 24VAC/DC
60VA @ 100-230VAC
65VA @ 24VAC/DC
  Current draw0.35A @ 100VAC
0.15A @ 230
1.7A @ 24VDC
0.55A @ 100VAC
0.24A @ 230
2.5A @ 24VDC
0.5A @ 100VAC
0.22A @ 230
2.3A @ 24VDC
0.55A @ 100VAC
0.26A @ 230
2.7A @ 24VDC
  Weight   (kg)2,12,23,65
  Actuating angleMax. 355°, set @ 90°
  Tested cycles (at 20°C and nominal torque)250 000100 000100 00075 000

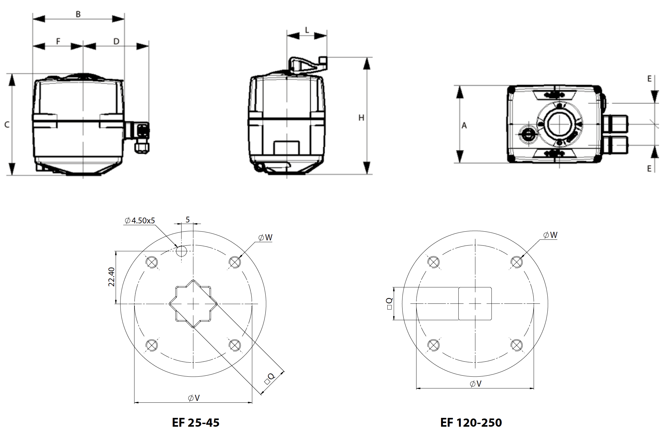
 DIMENSIONS
TYPE
ISO
A
B
C
D
E
F
H
L
Q
øV
øW
EF 25
F05
122
150
167
108
33
83
189
64
14
50
M6
EF 45
F05
122
150
167
108
33
83
189
64
14
50
M6
EF 120
F07
122
150
190
108
33
83
212
64
17
70
M8
EF 250
F07
122
150
208
108
33
83
230
64
17
70
M8

SELECT SIZE
Select the search standards
FIND ITEM
X CLOSE

NEXT EVENT

Oman Water Week 2026
Oman Water Week 2026
Muscat (Oman), 19-23 April 2026