images/testate/7J20T0_Header-attuatori-elettrici.jpg

Actionneur électrique de type rotatif EF 25-250

  • caractéristiques
  • dimensions

CARACTÉRISTIQUES TECHNIQUES
Actionneur électrique de type rotatif utilisable dans des applications ouvert/fermé et modulant.
Utilisé pour les vannes avec un angle de rotation de 90° à 180°.
Position ouverte/fermée/intermédiaire
Couple nominal: 10-100 Nm
Couple crête: 25-250 Nm.
Tension d'alimentation: CA 100-230 V, 50/60 Hz - CA/CC 24 V, 50/60 Hz
Tolérance d'alimentation ± 15 %.
Classe de protection IP65 (IP67 avec presse-étoupe et installation verticale) selon EN 60529
Actionneurs pour vannes industrielles EN 15714-2
Température de fonctionnement: de -10°C*  à +50°C
Humidité relative: Max. 90 % sans condensation
Matériau corps: PP rempli de verre

*  À des températures inférieures -10°C et en présence d'humidité, l'élément chauffant doit être activé.

EN OPTION SUR DEMANDE
Positionneur: Courant, tension
Connexion: Profibus DP
Retour en position de sécurité: Batterie interne, alimentation externe
Modules supplémentaires: Suivi des cycles, compteur de cycles, suivi courant moteur

FICHE TECHNIQUE

EF 25EF 45EF 120EF 250
Couple nominal (Nm)
102060100
Couple crête   (Nm)
2545120250
Charge de travail  100%50%50%35%
Temps cycle au couple nominal  5 s/90°6 s/90°15 s/90°20 s/90°
Tension d'alimentation  100-230 VAC, 50/60 HZ
24VAC/DC, 50/60 HZ
Puissance nominale en sortie
35VA @ 100-230VAC
40VA @ 24VAC/DC
55VA @ 100-230VAC
60VA @ 24VAC/DC
50VA @ 100-230VAC
55VA @ 24VAC/DC
60VA @ 100-230VAC
65VA @ 24VAC/DC
Absorption  0.35A @ 100VAC
0.15A @ 230
1.7A @ 24VDC
0.55A @ 100VAC
0.24A @ 230
2.5A @ 24VDC
0.5A @ 100VAC
0.22A @ 230
2.3A @ 24VDC
0.55A @ 100VAC
0.26A @ 230
2.7A @ 24VDC
Poids   (kg)2,12,23,65
Angle de rotation  Max. 355°, set @ 90°
Cycles testés (à 20°C et couple nominal)  250 000100 000100 00075 000

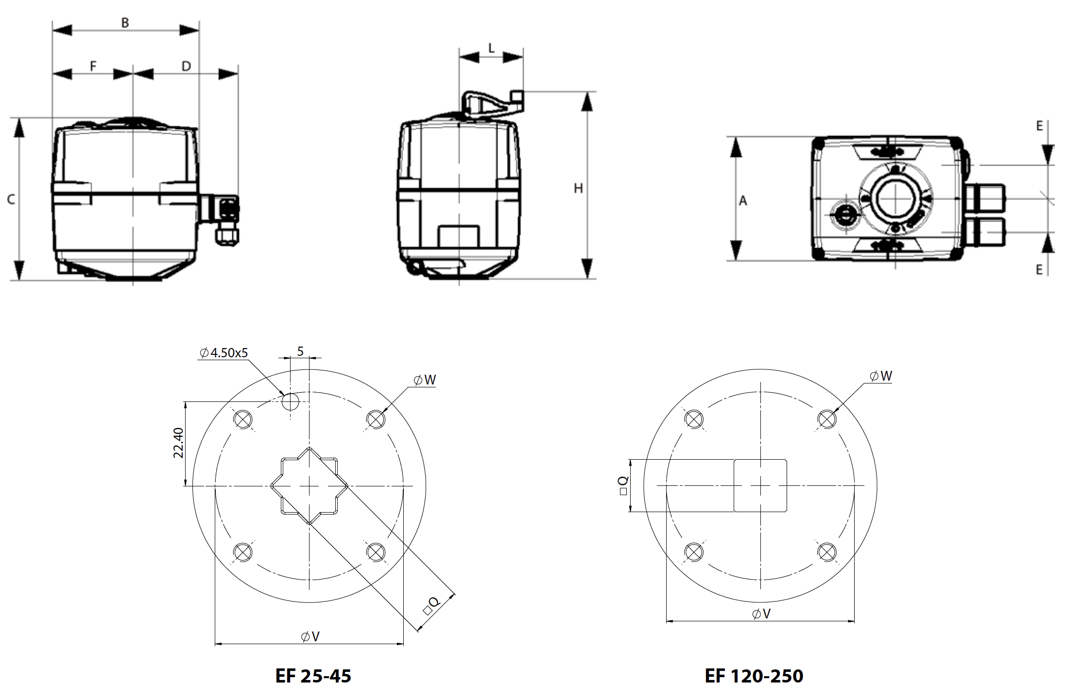
DIMENSIONS
TYPE
ISO
A
B
C
D
E
F
H
L
Q
øV
øW
EF 25
F05
122
150
167
108
33
83
189
64
14
50
M6
EF 45
F05
122
150
167
108
33
83
189
64
14
50
M6
EF 120
F07
122
150
190
108
33
83
212
64
17
70
M8
EF 250
F07
122
150
208
108
33
83
230
64
17
70
M8

SÉLECTIONNEZ TAILLE
Sélectionnez les paramètres de recherche
RECHERCHER UN ARTICLE
X FERMER

PROCHAIN ÉVÈNEMENT

IVS - Industrial Valve Summit 2026
IVS - Industrial Valve Summit 2026
Bergamo, Italy, 19 - 21 may 2026