images/testate/ALMY5P_Template-Header-Sito-OMAL2560x768-AGO-ok.jpg

AGO CF8M - DA inox CF8M microfundido

  • benefícios
  • características
  • dimensões
  • materiais
  • especificações
  • acessórios
  • documentos

1. Faixas de vedação e deslizamento energizadas autolubrificantes
Menor atrito entre o pistão e o cilindro  
É evitada a colagem da guarnição ao cilindro mesmo após longos períodos de inatividade

2. Ranhura, buchas e cavilhas com aço com dureza superior a 50 HRC
Maior resistência a forças presentes dentro do atuador

3. Atrito de rolamento entre a ranhura e o pistão 
Menor atrito

4. Scotch yoke com atrito de rolamento (transformação do movimento linear em movimento rotativo através de pistão e eixo sem engrenagens)
Menor atrito entre o pistão e o eixo, resultando em menor desgaste das peças  
Momento de rotação aprimorado na fase de abertura e fechamento  
Menor volume ocupado em relação aos atuadores de pinhão e cremalheira, com consequente menor espaço necessário
Menor peso em relação aos atuadores de pinhão e cremalheira (-30% Kg/Nm) com consequentes economias na construção da estrutura da planta
Menor consumo de ar comparado aos atuadores de pinhão e cremalheira (-40% de ar cm³/Nm efeito duplo e -20% de ar cm³/Nm efeito simples) com consequente menor carga de trabalho do compressor ou possibilidade de usar um compressor com dimensões reduzidas

5. Cilindro laminado

Menor desgaste nas faixas energizadas devido à baixa rugosidade da superfície

6. Stainless Steel shaft
Higher corrosion resistance

Interface para eletroválvulas NAMUR integradas pelo DAN15  
Não requer nenhuma base adicional

Processo de produção realizado inteiramente na OMAL
Controle máximo em todas as fases de processamento  

Certificado ATEX  
Permite instalação na presença de ambiente potencialmente explosivo  

Certificados até SIL 3
Alto nível de segurança funcional garantido

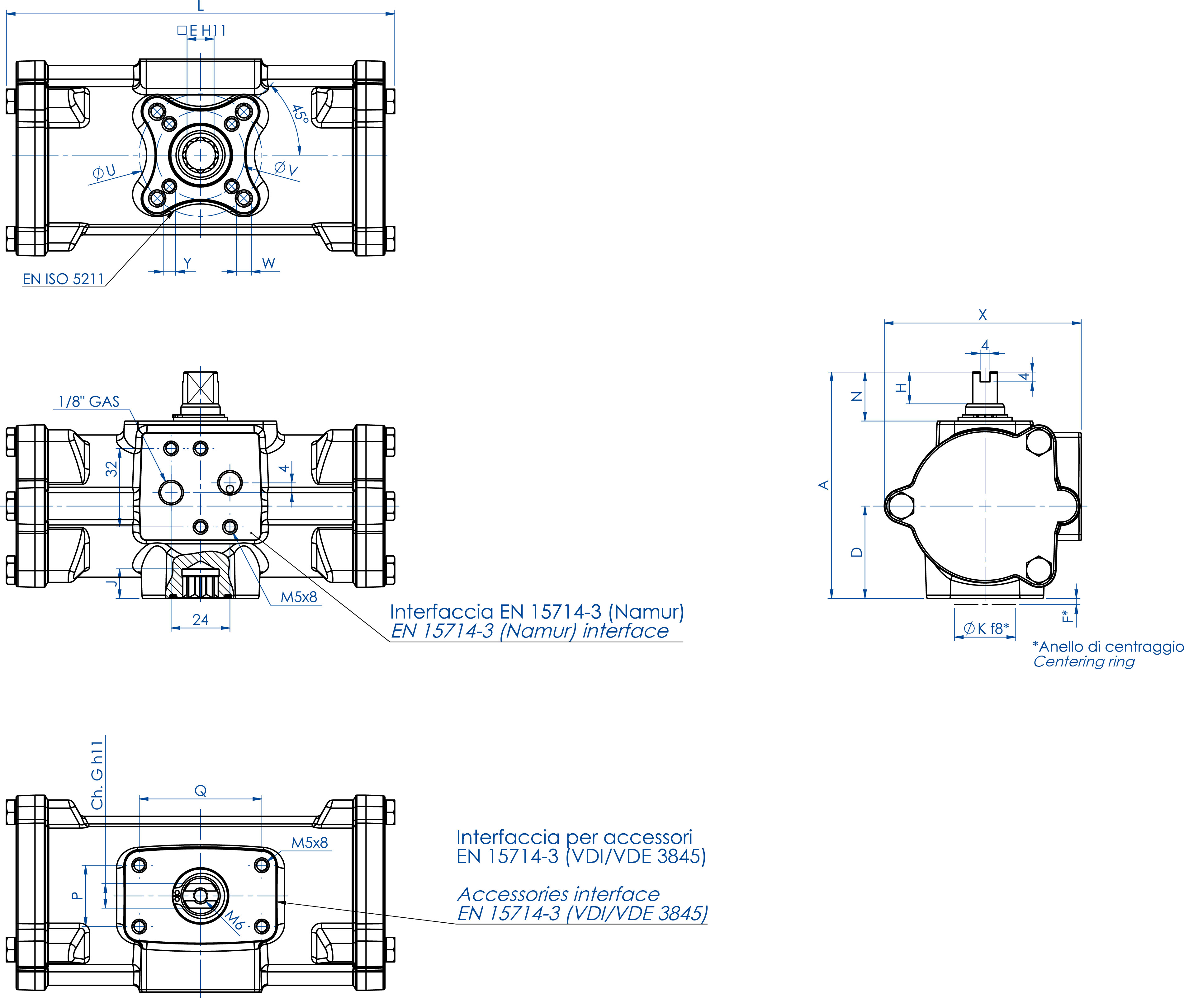
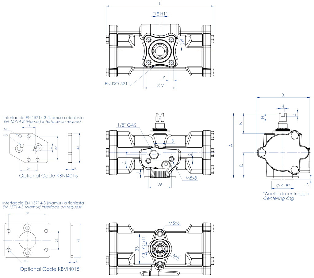
DADOS TÉCNICOS  
Torque de 15 Nm a 480 Nm.
Flange de conexão: ISO 5211; F03 - F05 - F07 - F10.
Em conformidade com a EN 15714-3.
Ângulo de rotação: 92°(-1°, + 91°)
Momento de rotação: Diretamente proporcional à pressão de alimentação; veja a tabela de atuadores pneumáticos do catálogo geral DA.
Em cada atuador, o número que segue a sigla DA corresponde ao valor do torque de partida em Nm. à pressão de 5,6 bar.
Do tamanho DA 60, é possível montar diretamente as eletroválvulas NAMUR no atuador.
As medidas DA15-DA30 precisam da interface NAMUR
Versão ATEX em conformidade com a diretiva 2014/34/UE. Para a versão ATEX, adicionar YX no final do código.

CONDIÇÕES DE OPERAÇÃO

Temperatura: de -20°C a + 80°C.
Pressão nominal: 5,6 bar; máxima de operação 8,4 bar.
Fluido de alimentação: ar comprimido filtrado seco não necessariamente lubrificado. Em caso de lubrificação, usar óleo não detergente, compatível com NBR.

DA 15 ÷ DA 30

DA 60 ÷ DA 480

FICHA TÉCNICA  

Código
DA015516S
DA030516S
DA060516S
DA120516S
DA240516S
DA480516S

Gurnições de reposição
KGXI0112
KGXI0114
KGXI0116
KGXI0118
KGXI0120
KGXI0122

MedidaDA 15 F03
DA 30 F03
DA 60 F03-F05
DA 120 F05-F07
DA 240 F05-F07
DA 480 F07-F10

L mm.
120
134,6
158,4
192,9
246,8
298,4

A mm.
72,4
80,4
92,5
116,5
136,4
160

B mm.
13,4
11,6
-
-
-
-

C mm.
12
13
-
-
-
-

D mm.
28,2
32,7
37,7
46,2
56,2
68

E mm.
9
9
11
14
17
22

F mm.
2
2
2
3
3
3

Ch. G mm.
8
9
10
12
15
19

H mm.
10
10
13
13
17
19

N mm.
23
23
20
30
30
30

X mm.
59
68
80,3
94,4
117
139,7

J mm.
10,2
10,2
12,2
16,3
19,3
24,3

ØK mm.
25
25
25
35
35
55

Q mm.
50
50
50
80
80
80

P mm.
25
25
25
30
30
30

ØU mm.
-
-
50
70
70
102

ØV mm.
36
36
36
50
50
70

Y x prof. profundidade mm
M5x9
M5x9
M5x9
M6x11
M6x11
M8x13

W x prof. profundidade mm
-
-
M6x11
M8x15
M8x13
M10x22

Ar dm3/ciclo
0,079
0,148
0,28
0,59
1,18
2,38

peso kg
0,8
1,2
1,8
3,3
5,6
9,5


COMPONENTES DO ATUADOR PNEUMÁTICO EFEITO DUPLO CF8M TAMANHO: DA 15-DA 30

MATERIAIS: DA 15 ÷ DA 30
Pos
Designação
Qtd
Material
1
Cilindro
1
Aço inoxidável
2*
O-ring tampa
2
Borracha nitrílica
3
VDI/VDE Base
1
Aço inoxidável
4
Base NAMUR
1
Aço inoxidável
5
Eixo
1
Aço inoxidável
6
Parafuso
6
Aço inoxidável
7
Tampa
2
Aço inoxidável
8
Parafuso
4
Aço inoxidável
9
Seeger
1
Aço inoxidável
10
Arruela
1
Aço inoxidável
11
Garfo
1
Liga de aço
12
Cavilha elástica externa
1
Liga de aço
13
Cavilha elástica interna
1
Liga de aço
14
Suporte do eixo superior
1
Resina acetálica
15
Suporte da bucha
2
Resina acetálica
16
Suporte do eixo inferior
1
Resina acetálica
17*
O-ring do eixo superior
1
FKM
18*
O-ring do eixo inferior  
1
FKM
19
Pistão
2
Liga de alumínio
20*
Suporte do pistão
4
P.T.F.E. carbo-graphite filled
21*
Anel de vedação
2
Poliuretano  
22*
O-ring do pistão
2
Borracha nitrílica
23
Pino
2
Liga de aço
24
Bucha
2
Liga de aço
25*
Anel de suporte externo
1
Resina acetálica
26
O-ring (opcional)
2
Borracha nitrílica
* Detalhes do kit de substituição

COMPONENTES DO ATUADOR PNEUMÁTICO EFEITO DUPLO CF8M TAMANHO: DA 60-DA 480

MATERIAIS    
Pos
Designação
Qtde
Material
1
Cilindro  
1
Aço inoxidável
2*
Tampa o-ring
2
Borracha nitrílica
3
Eixo
1
Aço inoxidável
4
Parafuso
6
Aço inoxidável
5
Tampa
2
Aço inoxidável
6
Seeger
1
Aço inoxidável
7
Arruela
1
Aço inoxidável
8
Suporte do eixo inferior
1
Resina acetálica
9
Suporte do eixo superior
1
Resina acetálica
10
Garfo
1
Liga de aço
11*
O-ring do eixo inferior
1
FKM
12
Cavilha elástica externa
1
Liga de aço
13
Cavilha elástica interna
1
Liga de aço
14
Pistão
2
Liga de alumínio
15*
Suporte de pistão
4
P.T.F.E. carbo-graphite filled
16*
Anel de vedação
2
Poliuretano
17
Pino
2
Liga de aço
18
Bucha
2
Liga de aço
19*
O-ring do pistão
2
Borracha nitrílica
20
Suporte da bucha inferior
1
Resina acetálica
21
Suporte da bucha superior
1
Resina acetálica
22*
O-ring do eixo superior
1
FKM
23*
Anel de suporte externo
1
Resina acetálica
* Detalhes do kit de reposição

DIAGRAMA DE FUNCIONAMENTO DO ATUADOR PNEUMÁTICO DA

CAIXA DE SINALIZAÇÃO COM INTERRUPTOR DE LIMITE

OPERADOR MANUAL DE DESBLOQUEIO

ELETROVÁLVULAS NAMUR

ELETROVÁLVULAS

POSICIONADOR ELETROPNEUMÁTICO (SEGURANÇA INTRÍNSECA)

POSICIONADOR PNEUMÁTICO

INTERRUPTORES DE LIMITE DE PROXIMIDAD

INTERRUPTORES DE LIMITE ELETROMECÂNICOS

INTERRUPTORES DE LIMITE PNEUMÁTICOS

INTERRUPTORES DE LIMITE ANTIDEFLAGRANTES II2GD ExdIIC

SELEÇÃO TAMANHO
Selecionar os parâmetros de pesquisa
PESQUISA DE ITEM
X FECHAR

PRÓXIMO EVENTO

IVS - Industrial Valve Summit 2026
IVS - Industrial Valve Summit 2026
Bergamo, Italy, 19 - 21 may 2026