images/testate/ALMY5P_Template-Header-Sito-OMAL2560x768-AGO-ok.jpg

AGO CF8M - DA type inox precision casting CF8M

  • benefits
  • features
  • dimensions
  • materials
  • specifications
  • accessories
  • documents

1.Energized and self-lubricated strips
Less friction between piston and cylinder
It prevents the bonding of the seal to the cylinder even after long periods of inactivity

2.Slots, bushes and pins made by steel with hardness higher than 50 HRC
Higher resistance to the forces inside the actuator

3.Rolling friction between piston and slot
Less friction

4.Scotch yoke with rolling friction (transforming rotary motion into linear motion using piston and shaft without teeths/gears)
Reduced friction between piston and shaft with consequently less wear on the relevant parts
Empowered Breakaway Torque (BTO & BTC)
Smaller volume/size than rack and pinion actuators (with the same torque) therefore less space required for installation
Less weight than the rack and pinion (-30% kg / Nm), with consequent savings on the construction sizing of the plant/equipment
Lower air consumption compared to the rack and pinion actuators (-40% air cm3/Nm for Double Acting and -20% air cm3/Nm for Spring Return) therefore less load on the compressor or the possibility of using a smaller compressor's size.

5.Rolled cylinder

Less wear of the energized ties thanks to the low roughness of the surface

6. Stainless Steel shaft
Higher corrosion resistance

From sizes bigger than DAN15, NAMUR interface for solenoid valve is already integrated.
No need for extra plate.

100% in- house manufacturing process technology
Maximum control and accuracy in all the stages of the manufacturing process

ATEX Certificate
Installation is allowed in a potential explosive environment

Up to SIL 3 Certified
Guarantee of the high level of functional safety.

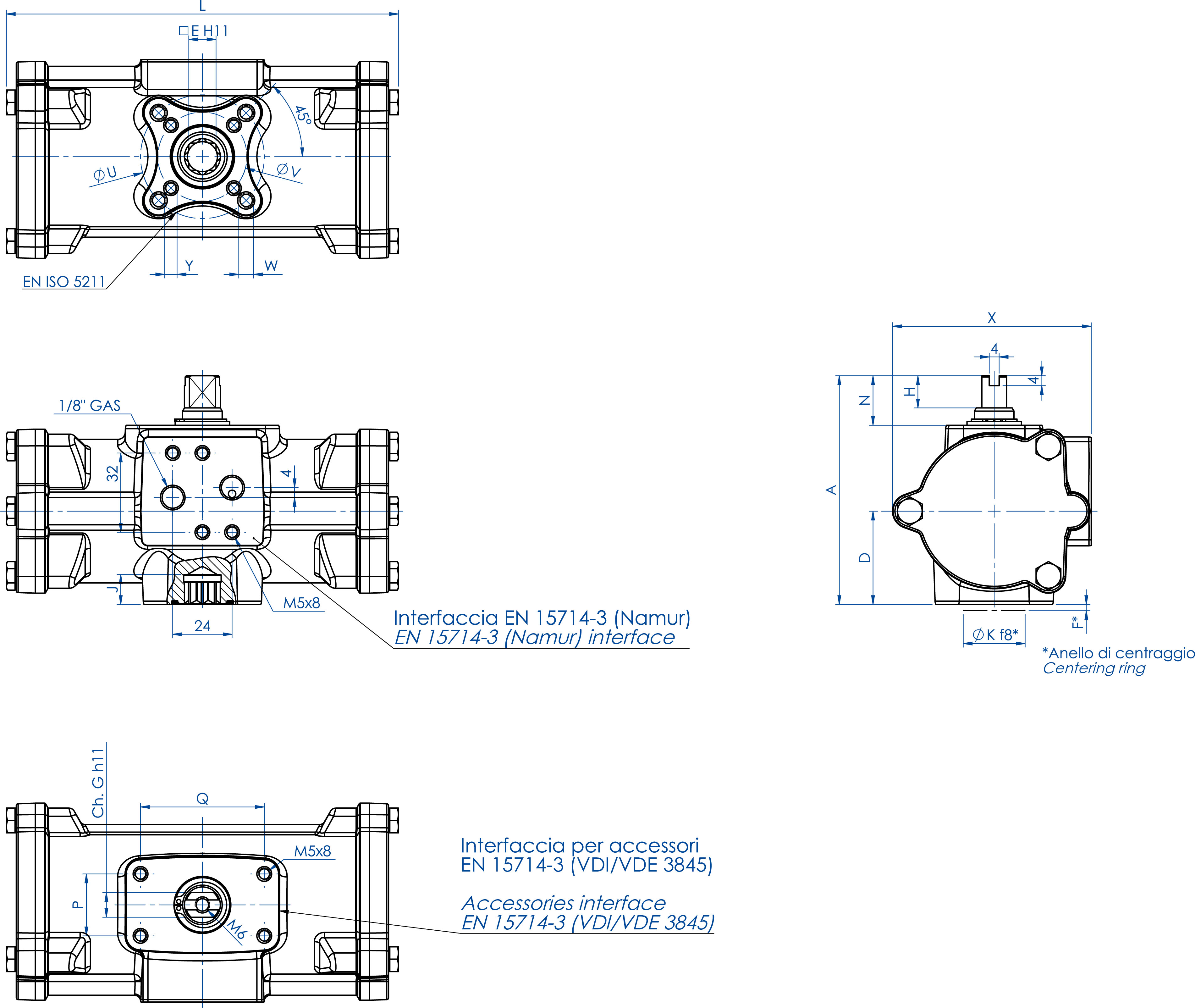
TECHNICAL FEATURES
Torque from 15 Nm to 480 Nm.
Mounting flange according to ISO 5211; F03 - F05 - F07 - F10
In compliance with EN 15714-3.
Rotation angle: 92° (-1°, +91°)
Torque: directly proportional to the air supply (see table - general catalogue pneumatic actuator DA).
The code numbers after the DA letters, always correspond to the breakaway torque in
Nm by 5,6 bar air supply.
Sizes from DA 60 direct connection with NAMUR solenoid valve.
Sizes DA15 - DA30 can be provided with NAMUR plate on request.
ATEX version in conformity with directive 2014/34/EU. Please add YX at the end of the code for ATEX version.

WORKING CONDITION
Temperature: from -20°C to +80°C.
Air supply: 5,6 bar; maximum 8,4 bar.
Actuating media: filtered dry compressed air, not necessarily lubricated. In case of lubricated air, either non detergent oil, NBR compatible oil, must be used.

DA 15 ÷ DA 30

DA 60 ÷ DA 480

DATA SHEET

Code
DA015516S
DA030516S
DA060516S
DA120516S
DA240516S
DA480516S

Spare seals
KGXI0112
KGXI0114
KGXI0116
KGXI0118
KGXI0120
KGXI0122

Size
DA 15 F03
DA 30 F03
DA 60 F03-F05
DA 120 F05-F07
DA 240 F05-F07
DA 480 F07-F10

L mm.
120
134,6
158,4
192,9
246,8
298,4

A mm.
72,4
80,4
92,5
116,5
136,4
160

B mm.
13,4
11,6
-
-
-
-

C mm.
12
13
-
-
-
-

D mm.
28,2
32,7
37,7
46,2
56,2
68

E mm.
9
9
11
14
17
22

F mm.
2
2
2
3
3
3

Ch. G mm.
8
9
10
12
15
19

H mm.
10
10
13
13
17
19

N mm.
23
23
20
30
30
30

X mm.
59
68
80,3
94,4
117
139,7

J mm.
10,2
10,2
12,2
16,3
19,3
24,3

ØK mm.
25
25
25
35
35
55

Q mm.
50
50
50
80
80
80

P mm.
25
25
25
30
30
30

ØU mm.
-
-
50
70
70
102

ØV mm.
36
36
36
50
50
70

Y x prof. depth mm.
M5x9
M5x9
M5x9
M6x11
M6x11
M8x13

W x prof. depth mm.
-
-
M6x11
M8x15
M8x13
M10x22

air dm3/cycle
0,079
0,148
0,28
0,59
1,18
2,38

weight Kg.
0,8
1,2
1,8
3,3
5,6
9,5

CASTING CF8M DOUBLE ACTING PNEUMATIC ACTUATOR COMPONENTS SIZE: DA 15-DA 30

  MATERIALS: DA 15 ÷ DA 30
Pos
Denomination
Q.ty
Material
1
Cylinder
1
Stainless steel CF8M
2*
Cap o-ring
2
Nitrilic rubber
3
Plate
1
Stainless steel
4
NAMUR plate
1
Stainless steel
5
Shaft
1
Stainless steel
6
Screw
6
Stainless steel
7
Cap
2
Stainless steel
8
Screw (optional)
4
Stainless steel
9
Seeger
1
Stainless steel
10
Washer
1
Stainless steel
11
Scotch yoke
1
Steel alloy
12
External elastic pin of the yoke
1
Steel alloy
13
Internal elastic pin of the yoke
1
Steel alloy
14
Upper shaft support
1
Acetalic resins
15
Support bush
2
Acetalic resins
16
Lower shaft support
1
Acetalic resins
17*
O-ring (upper sealing shaft)
1
FKM
18*
O-ring (low sealing shaft)
1
FKM
19
Piston
2
Aluminium alloy
20*
Piston's support
4
P.T.F.E. carbo-graphite filled
21*
Dynamic seal (piston)
2
Polyurethane
22*
Piston o-ring
2
Nitrilic rubber
23
Rotative sleeve
2
Steel alloy
24
Bush
2
Steel alloy
25*
External support ring
1
Acetalic resins
26
O-ring (optional)
2
Nitrilic rubber
* Components of spare part kit

CASTING CF8M DOUBLE ACTING PNEUMATIC ACTUATOR COMPONENTS SIZE: DA60-DA480

 MATERIALS
Pos
Denomination
Q.ty
Material
1
Cylinder
1
Stainless steel
2*
Cap o-ring
2
Nitrilic rubber
3
Shaft
1
Stainless steel
4
Screw
6
Stainless steel
5
Cap
2
Stainless steel
6
Seeger
1
Stainless steel
7
Washer
1
Stainless steel
8
Lower shaft support
1
Acetalic resins
9
Upper shaft support
1
Acetalic resins
10
Scotch yoke
1
Steel alloy
11*
O-ring (low sealing shaft)
1
FKM
12
External elastic pin of the yoke
1
Steel alloy
13
Internal elastic pin of yoke
1
Steel alloy
14
Piston
2
LAluminium alloy
15*
Piston's support
4
P.T.F.E. carbo-graphite filled
16*
Dynamic seal (piston)
2
Polyurethane
17
Rotative sleeve
2
Steel alloy
18
Bush
2
Steel alloy
19*
Piston o-ring
2
Nitrilic rubber
20
Suwer support bush
1
Acetalic resins
21
Upper support bush
1
Acetalic resins
22*
O-ring (upper sealing shaft)
1
FKM
23*
External support ring
1
Acetalic resins
*Components of spare part kit

WORKING PLANE PNEUMATIC ACTUATOR “DA” TYPE

LIMIT SWITCH BOX

MANUAL OVERRIDE WITH HAND WHEEL

NAMUR SOLENOID VALVES

SOLENOID VALVES

ELECTROPNEUMATIC POSITIONER (INTRINSICALLY SAFE)

PNEUMATIC POSITIONER

PROXIMITY LIMIT SWITCHES

ELECTROMECHANICAL LIMIT SWITCHES

PNEUMATIC LIMIT SWITCHES

EXPLOSION PROOF LIMIT SWITCHES II2GD ExdIIC

SELECT SIZE
Select the search standards
FIND ITEM
X CLOSE

NEXT EVENT

IVS - Industrial Valve Summit 2026
IVS - Industrial Valve Summit 2026
Bergamo, Italy, 19 - 21 may 2026