images/testate/ALMY5P_Template-Header-Sito-OMAL2560x768-AGO-ok.jpg

AGO CF8M - DA aus Edelstahl CF8M Mikroguss

  • vorteile
  • eigenschaften
  • abmessungen
  • werkstoffe
  • merkmale
  • zubehör
  • dokumente

1. Energieversorgte, selbstschmierende Dichtungs- und Gleitleisten
Weniger Reibung zwischen Kolben und Zylinder
Das Anhaften der Dichtung am Zylinder wird auch nach langen Standzeiten verhindert
 
2. Schlitz, Buchsen und Stifte mit härterem Stahl - Härte von über 50 HRC 
Größere Beständigkeit gegen die Kräfte innerhalb des Antriebs
 
3. Rollwiderstand zwischen Schlitz und Kolben 
Geringerer Abrieb
 
4. Kurbelschleife mit Rollwiderstand (Umwandlung der linearen in eine Drehbewegung mittels Kolben und Welle ohne Zahnräder)
Geringerer Verschleiß der Teile durch geringeren Abrieb zwischen Kolben und Welle
Verbessertes Drehmoment beim Öffnen und Schließen
Geringerer Platzbedarf im Vergleich zu Zahnstangenantrieben
Geringeres Gewicht im Vergleich zu Zahnstangenantrieben (-30% kg/Nm)  und somit Einsparungen bei Ausführung der Anlagenstruktur
Geringere Belastung des Kompressors bzw. Möglichkeit zur Nutzung eines Kompressors mit kleineren Abmessungen durch geringeren Luftverbrauch im Vergleich zu Zahnstangenantrieben (-40% Luft cm³/Nm doppeltwirkend und -20% Luft cm³/Nm einfachwirkend)
 
5. Rollenzylinder
Geringerer Verschleiß der energieversorgten Dichtungsleisten durch die geringe Rauheit der Oberfläche

6. Stainless Steel shaft
Higher corrosion resistance
 
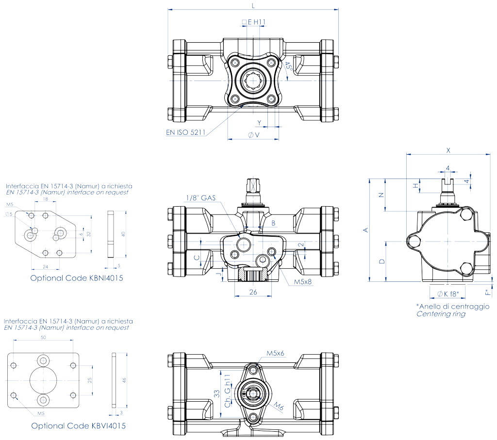
Integrierter Anschluss für NAMUR-Magnetventile DAN15
Kein zusätzlicher Sockel erforderlich
 
Der gesamte Produktionsprozess erfolgt hausintern bei OMAL
Maximale Kontrolle in allen Verarbeitungsphasen
 
ATEX-Zertifikat
Ermöglicht die Installation in explosionsgefährdeten Umgebungen
 
Zertifikat bis SIL 3
Hohes funktionales Sicherheitsniveau garantiert

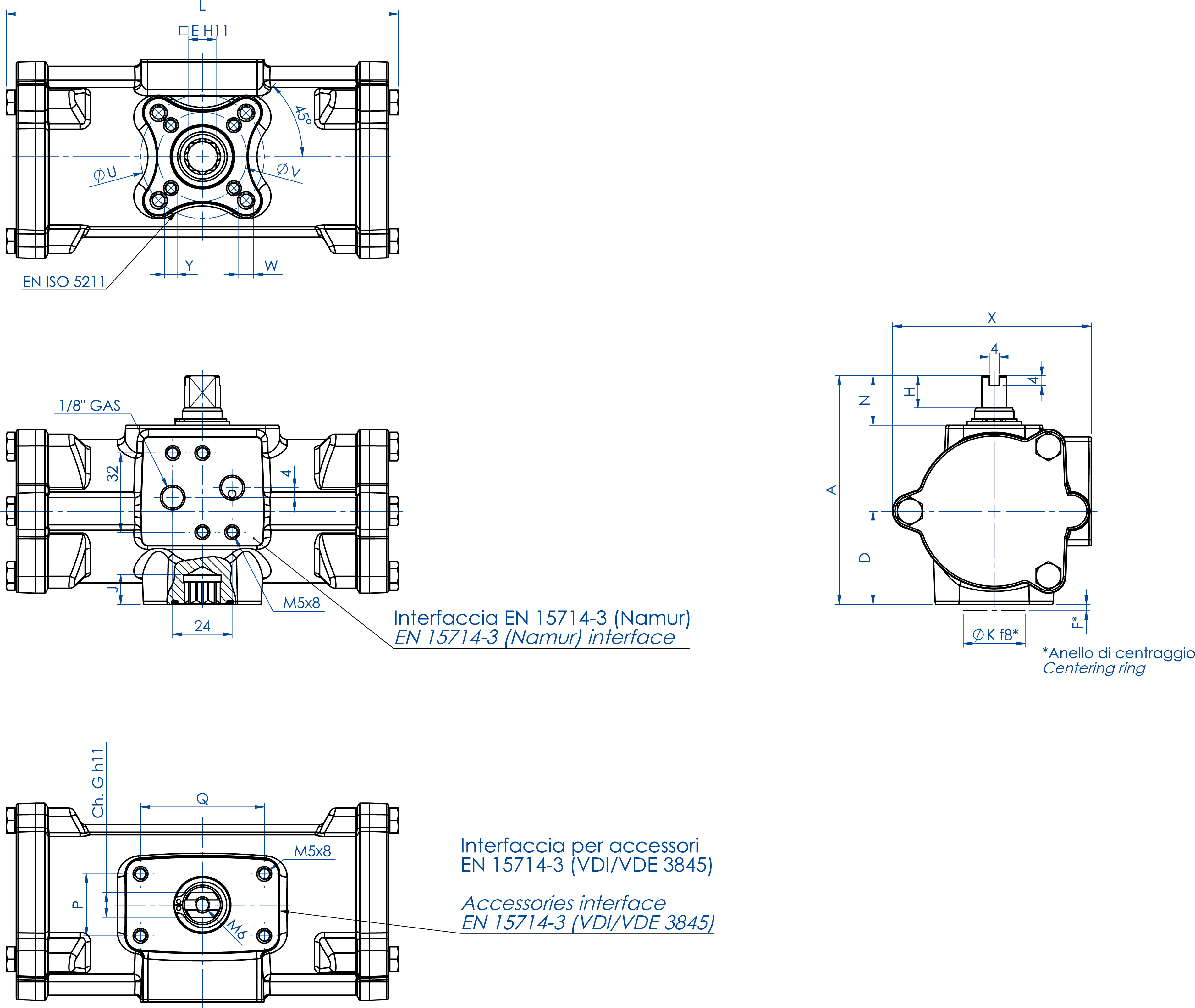
TECHNISCHE DATEN 
Drehmoment von 15 Nm bis 480 Nm.
Flanschanschluss: ISO 5211; F03 - F05 - F07 - F10.
In Einklang mit der Norm EN 15714-3.
Schwenkwinkel: 92° (-1°, +91°)
Drehmoment: Direkt proportional zum Versorgungsdruck; siehe Tabelle pneumatische Stellantriebe DA Hauptkatalog.
Bei jedem Antrieb entspricht der Wert, der der Abkürzung DA folgt, dem Wert des Anlaufmoments in Nm, bei einem Druck von 5,6 bar.
Ab Baugröße DA 60 können NAMUR-Magnetventile direkt am Antrieb montiert werden.
Die Baugrößen DA15-DA30 bedürfen einer NAMUR-Schnittstelle.
ATEX-Ausführung gemäß der EU-Richtlinie 2014/34/EU. Für die ATEX-Ausführung YX am Ende der Artikelnummer hinzufügen.

BETRIEBSBEDINGUNGEN 
Betriebstemperatur: -20°C bis +80°C.
Nenndruck: 5,6 bar; maximaler Betriebsdruck 8,4 bar.
Versorgungsmedium: Trockene, gefilterte, nicht unbedingt geschmierte Druckluft. Verwenden Sie zum Schmieren kein reinigendes Öl, sondern solches, das mit NBR kompatibel ist.

DA 15 ÷ DA 30

DA 60 ÷ DA 480

TECHNISCHES DATENBLATT  

Artikelnummer
DA015516S
DA030516S
DA060516S
DA120516S
DA240516S
DA480516S

Ersatzdichtungen
KGXI0112
KGXI0114
KGXI0116
KGXI0118
KGXI0120
KGXI0122

BaugrößeDA 15 F03
DA 30 F03
DA 60 F03-F05
DA 120 F05-F07
DA 240 F05-F07
DA 480 F07-F10

L mm.
120
134,6
158,4
192,9
246,8
298,4

A mm.
72,4
80,4
92,5
116,5
136,4
160

B mm.
13,4
11,6
-
-
-
-

C mm.
12
13
-
-
-
-

D mm.
28,2
32,7
37,7
46,2
56,2
68

E mm.
9
9
11
14
17
22

F mm.
2
2
2
3
3
3

Ch. G mm.
8
9
10
12
15
19

H mm.
10
10
13
13
17
19

N mm.
23
23
20
30
30
30

X mm.
59
68
80,3
94,4
117
139,7

J mm.
10,2
10,2
12,2
16,3
19,3
24,3

ØK mm.
25
25
25
35
35
55

Q mm.
50
50
50
80
80
80

P mm.
25
25
25
30
30
30

ØU mm.
-
-
50
70
70
102

ØV mm.
36
36
36
50
50
70

Y x Tiefe mm
M5x9
M5x9
M5x9
M6x11
M6x11
M8x13

W x Tiefe mm
-
-
M6x11
M8x15
M8x13
M10x22

Luft dm3/Zyklus
0,079
0,148
0,28
0,59
1,18
2,38

Gewicht kg
0,8
1,2
1,8
3,3
5,6
9,5


BESTANDTEILE DOPPELTWIRKENDER PNEUMATISCHER STELLANTRIEB DA CF8M MIKROGUSS BAUGRÖSSE: DA15-DA30

WERKSTOFFE: DA 15 ÷ DA 30
Pos
Bezeichnung
Menge
Werkstoff
1
Zylinder
1
Edelstahl
2*
O-Ring Kappe
2
Nitrilkautschuk
3
VDI/VDE-Anschlussplatte
1
Edelstahl
4
NAMUR-Anschlussplatte
1
Edelstahl
5
Welle
1
Edelstahl
6
Schraube
6
Edelstahl
7
Kappe
2
Edelstahl
8
Schraube
4
Edelstahl
9
Seeger-Montagezange
1
Edelstahl
10
Unterlegscheibe
1
Edelstahl
11
Gabel
1
Stahllegierung
12
Äußere Spannhülse
1
Stahllegierung
13
Innere Spannhülse
1
Stahllegierung
14
Halterung obere Welle
1
Acetalharz
15
Buchsenhalterung
2
Acetalharz
16
Halterung untere Welle
1
Acetalharz
17*
O-Ring obere Welle
1
FKM
18*
O-Ring untere Welle
1
FKM
19
Kolben
2
Aluminiumlegierung
20*
Kolbenhalterung
4
P.T.F.E. carbo-graphite filled
21*
Dichtring
2
Polyurethan
22*
O-Ring Kolben
2
Nitrilkautschuk
23
Achse
2
Stahllegierung
24
Buchse
2
Stahllegierung
25*
Äußerer Stützring
1
Acetalharz
26
O-Ring (optional)
2
Nitrilkautschuk
* Bestandteile des Ersatzkits

BESTANDTEILE DOPPELTWIRKENDER PNEUMATISCHER STELLANTRIEB DA CF8M MIKROGUSS BAUGRÖSSE: DA60-DA480

WERKSTOFFE 
Pos
Bezeichnung
MengeWerkstoff
1
Zylinder
1
Edelstahl
2*
O-Ring Kappe
2
Nitrilkautschuk
3
Welle
1
Edelstahl
4
Schraube
6
Edelstahl
5
Kappe
2
Edelstahl
6
Seeger-Montagezange
1
Edelstahl
7
Unterlegscheibe
1
Edelstahl
8
Halterung untere Welle
1
Acetalharz
9
Halterung obere Welle
1
Acetalharz
10
Gabel
1
Stahllegierung
11*
O-Ring untere Welle
1
FKM
12
Äußere Spannhülse
1
Stahllegierung
13
Innere Spannhülse
1
Stahllegierung
14
Kolben
2
Aluminiumlegierung
15*
Kolbenhalterung
4
P.T.F.E. carbo-graphite filled
16*
Dichtring
2
Polyurethan
17
Achse
2
Stahllegierung
18
Buchse
2
Stahllegierung
19*
O-Ring Kolben
2
Nitrilkautschuk  
20
Halterung untere Buchse
1
Acetalharz
21
Halterung obere Buchse
1
Acetalharz
22*
O-Ring obere Welle
1
FKM
23*
Äußerer Stützring
1
Acetalharz
* Bestandteile des Ersatzkits

FUNKTIONSSCHEMA PNEUMATISCHER STELLANTRIEB „DA“

SIGNALMODUL MIT ENDSCHALTERN

MANUELLE ENTRIEGELUNG

MAGNETVENTILE NAMUR

MAGNETVENTILE

ELEKTROPNEUMATISCHER STELLUNGSREGLER (EIGENSICHERHEIT)

PNEUMATISCHER STELLUNGSREGLER

NÄHERUNGSSCHALTER

ELEKTROMECHANISCHE ENDSCHALTER

PNEUMATISCHE ENDSCHALTER

EXPLOSIONSSICHERE ENDSCHALTER II2GD ExdIIC

WÄHLE GRÖßE
Wählen Sie die Suchparameter
ARTIKEL SUCHEN
SCHLIESSEN

NÄCHSTES EVENT

IVS - Industrial Valve Summit 2026
IVS - Industrial Valve Summit 2026
Bergamo, Italy, 19 - 21 may 2026