images/testate/ALMY5P_Template-Header-Sito-OMAL2560x768-AGO-ok.jpg

AGO CF8M - DA İnox hassas döküm CF8M

  • avantajları
  • özellikleri
  • boyutlar
  • malzemeler
  • özellikler
  • aksesuarlar
  • belgeler

1.Kendinden yağlamalı, enerjili sızdırmaz ve kayan bantlar
Piston ve silindir arasında daha az sürtünme
Conta uzun süre durduktan sonra bile silindire yapışması önlenir.

2.50 HRC'den büyük çelik sertliği olan yuvalar, burçlar ve soketler
 
 
Aktüatör içindeki mevcut kuvvetlere daha fazla mukavemet

3.Yiv ve piston arasındaki yuvarlanma sürtünmesi

Daha az sürtünme

4.Yuvarlanma sürtünmeli iskoç boyunduruğu (doğrusal hareketin bir piston ve dişlisiz mil vasıtasıyla döner harekete dönüşümü).

Piston ile mil arasında daha az sürtünme, parçalarda daha az aşınma
Açma ve kapama sırasında artan dönme momenti
Pinyon ve kremayer aktüatörlere nazaran daha küçük boyutlarda, dolayısıyla daha az alan gerektirir
Pinyon ve kremayer aktüatörlere nazaran daha az ağırlıkta (-30% Kg/Nm) ve bunun sonucunda tesisat yapımında tasarruf
Kompresörde daha düşük çalışma yükü veya kompresörün küçültülen boyutlarda kullanılması olasılığıyla pinyon ve kremayer aktüatörlere nazaran daha az hava tüketimi (% -40 hava cm3/Nm çift etkili ve %-20 hava cm3/Nm tek etkili)

5.Haddelenmiş silindir

Düşük yüzey pürüzlülüğü sayesinde enerjili bantlarda daha az aşınma

6. Stainless Steel shaft
Higher corrosion resistance

DAN15 ile entegre NAMUR solenoit vana arayüzü

İlave taban plakası gerektirmez

Üretim süreci tümüyle OMAL’de gerçekleşmektedir

Tüm işlem aşamalarında maksimum kontrol

ATEX
Sertifikası
Potansiyel olarak patlayıcı ortamlarda montaja olanak sağlar

SIL 3'e kadar sertifikalı

Yüksek düzeyde işlevsel güvenlik garantisi

TEKNİK BİLGİLER
15 Nm ile 480 Nm arasında moment.
Bağlantı flanşı: ISO 5211; F03 - F05 - F07 - F10.
EN 15714-3 ile uyumludur.
Dönme açısı: 92° (-1°, +91°)
Dönme momenti: Besleme basıncı ile doğrudan orantılı; Genel katalog DA pnömatik aktüatörler tablosuna bakınız.
Her aktüatörde DA kısaltmasını takip eden simge 5.6 bar basınçta Nm cinsinden başlangıç torkunun değerine karşılık gelir.
DA 60 boyutundan itibaren NAMUR solenoit vanaları doğrudan aktüatör üzerine monte edilebilmektedir.
DA15-DA30 ölçüleri NAMUR arayüzüne ihtiyaç duymaktadır.
2014/34/UE direktifine uygun ATEX versiyonu. ATEX versiyonu için kodun sonuna YX ekleyin.

ÇALIŞMA KOŞULLARI

Sıcaklık: -20°C ile +80°C arası
Nominal basınç: 5,6 bar; Maksimum çalışma 8.4 bar
Besleme sıvısı: kuru olarak filtrelenmiş basınçlı yağlı ya da yağlı olmayan hava
Yağlama durumunda, deterjan içermeyen veya NBR uyumlu yağ kullanınız

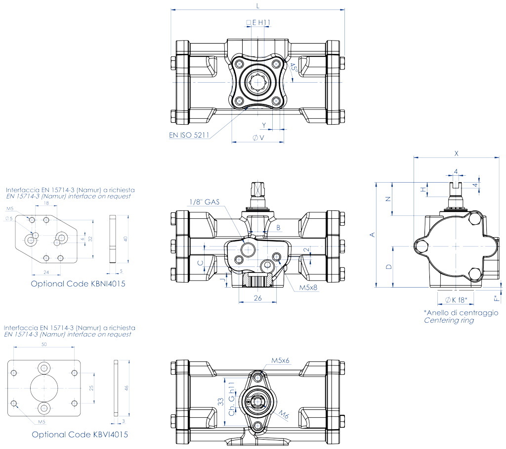
DA 15 ÷ DA 30

DA 60 ÷ DA 480

 TEKNİK BİLGİ FORMU

KodDA015516S
DA030516S
DA060516S
DA120516S
DA240516S
DA480516S

Yedek contalarKGXI0112
KGXI0114
KGXI0116
KGXI0118
KGXI0120
KGXI0122

ÖlçüDA 15 F03
DA 30 F03
DA 60 F03-F05
DA 120 F05-F07
DA 240 F05-F07
DA 480 F07-F10

L mm.
120
134,6
158,4
192,9
246,8
298,4

A mm.
72,4
80,4
92,5
116,5
136,4
160

B mm.
13,4
11,6
-
-
-
-

C mm.
12
13
-
-
-
-

D mm.
28,2
32,7
37,7
46,2
56,2
68

E mm.
9
9
11
14
17
22

F mm.
2
2
2
3
3
3

Ch. G mm.
8
9
10
12
15
19

H mm.
10
10
13
13
17
19

N mm.
23
23
20
30
30
30

X mm.
59
68
80,3
94,4
117
139,7

J mm.
10,2
10,2
12,2
16,3
19,3
24,3

ØK mm.
25
25
25
35
35
55

Q mm.
50
50
50
80
80
80

P mm.
25
25
25
30
30
30

ØU mm.
-
-
50
70
70
102

ØV mm.
36
36
36
50
50
70

Y,derinlik x. depth mm.
M5x9
M5x9
M5x9
M6x11
M6x11
M8x13

W derinlik. depth mm.
-
-
M6x11
M8x15
M8x13
M10x22

Hava (dm3/devir)
0,079
0,148
0,28
0,59
1,18
2,38

Ağırlık Kg.
0,8
1,2
1,8
3,3
5,6
9,5

ÇİFT ETKİLİ PNÖMATİK AKTÜATÖR BİLEŞENLERİ ÖLÇÜLER: DA 15 - DA 30

MALZEMELER: DA 15 ÷ DA 30
Poz
TanımQ.ty
Materiale
1
Silindir
1
Paslanmaz çelik
2*
Tapa o-ringi2
Nitril kauçuk
3
VDI/VDE taban plakası
1
Paslanmaz çelik
4
Pano NAMUR1
Paslanmaz çelik
5
Mil1
Paslanmaz çelik
6
Vida6
Paslanmaz çelik
7
Tapa2
Paslanmaz çelik
8
Vida4
Paslanmaz çelik
9
Seeger1
Paslanmaz çelik
10
Rondela1
Paslanmaz çelik
11
Çatal1
Çelik alaşımı
12
Dış elastik soket1
Çelik alaşımı
13
İç elastik soket1
Çelik alaşımı
14
Üst mil desteği1
Asetal reçine
15
Ara burcu desteği2
Asetal reçine
16
Alt mil desteği1
Asetal reçine
17*
Üst mil o-ringi1
FKM
18*
Alt mil o-ringi1
FKM
19
Piston2
Alüminyum alaşımı
20*
Piston desteği4
P.T.F.E. carbo-graphite filled
21*
Sızdırmaz halkası2
Poliüretan
22*
Piston o-ringi2
Nitril kauçuk
23
Pim2
Çelik alaşımı
24
Ara burcu2
Çelik alaşımı
25*
Dış destek halkası1
Asetal reçine
26
O-ring (isteğe bağlı)
2
Nitril kauçuk
* Yedek parça kitinin detayları.

"DA" CF8M MICROCAST ÇİFT ETKİLİ PNÖMATİK AKTÜATÖR PARÇALARI ÖLÇÜLER: DA 60 - DA 480

MALZEMELER
Poz.
TanımQ.tà
Malzeme
1
Silindir1
Paslanmaz çelik
2*
Tapa o-ringi2
Nitril kauçuk
3
Mil1
Paslanmaz çelik
4
Vida6
Paslanmaz çelik
5
Tapa2
Paslanmaz çelik
6
Seeger1
Paslanmaz çelik
7
Rondela1
Paslanmaz çelik
8
Alt mil desteği1
Asetal reçine
9
Üst mil desteği1
Asetal reçine
10
Çatal1
Çelik alaşımı
11*
Alt mil o-ringi1
FKM
12
Dış elastik soket1
Çelik alaşımı
13
İç elastik soket1
Çelik alaşımı
14
Piston2
Alüminyum alaşımı
15*
Piston desteği4
P.T.F.E. carbo-graphite filled
16*
Sızdırmaz halkası2
Poliüretan
17
Pim2
Çelik alaşımı
18
Ara burcu2
Çelik alaşımı
19*
Piston o-ringi2
Nitril kauçuk
20
Alt ara burcu desteği1
Asetal reçine
21
Üst ara burcu desteği1
Asetal reçine
22*
Üst mil o-ringi1
FKM
23*
Dış destek halkası1
Asetal reçine
* Yedek parça kitinin detayları.

“DA” PNÖMATİK AKTÜATÖR ÇALIŞMA ŞEMASI

LİMİT SVİÇLİ SİNYAL KUTUSU

MANÜEL KİLİT AÇMA İŞLEMCİSİ

SOLENOİT VANA NAMUR

SOLENOİT VANA

ELEKTROPNÖMATİK KONUMLANDIRICI (İNTRENSEK EMNİYET)

PNÖMATİK KONUMLANDIRICI

YAKINLIK LİMİT ANAHTARI

ELEKTROMEKANİK LİMİT ANAHTARI

PNÖMATİK LİMİT ANAHTARI

PATLAMAYA KARŞI SINIRLAYICI LİMİT ANAHTARI II2GD ExdIIC

SEÇİN BOYUT
Arama parametrelerini seçin
MAKALE ARAYIN
X KAPAT

GELECEK ETKİNLİK

IVS - Industrial Valve Summit 2026
IVS - Industrial Valve Summit 2026
Bergamo, Italy, 19 - 21 may 2026