images/testate/ALMY5P_Template-Header-Sito-OMAL2560x768-AGO-ok.jpg

AGO CF8M - DA inox CF8M microfundido

  • ventajas
  • características
  • dimensiones
  • materiales
  • especificaciones
  • accesorios
  • documentos

1. Bandas de sellado y deslizamiento energizadas autolubricantes
Menor fricción entre pistón y cilindro
Se evita el pegado de la junta al cilindro incluso después de largos períodos de parada

2. Ranura, casquillo y enchufes con acero con dureza mayor a 50 HRC
Mayor resistencia a las fuerzas presentes dentro del actuador

3. Fricción a la rodadura entre la ranura y el pistón
Menor fricción

4. Yugo escocés con fricción a la rodadura (transformación del movimiento lineal en movimiento rotatorio mediante pistón y eje sin engranajes)
Menor fricción entre pistón y eje con el consecuente menor desgaste de las piezas
Momento de torsión potenciado en fase de apertura y cierre
Menor espacio con respecto a los actuadores piñón y cremallera con el consecuente menor espacio necesario
Menor peso con respecto a los actuadores piñón y cremallera (-30% Kg/Nm) con los consecuentes ahorros en la realización de la estructura del sistema
Menor consumo de aire con respecto a los actuadores piñón y cremallera (-40% aire cm³/Nm doble efecto y -20% aire cm³/Nm simple efecto) con la consecuente menor carga de trabajo del compresor o posibilidad de uso de compresor con dimensiones reducidas

5. Cilindro laminado
Menor desgaste de las tiras energizadas gracias a la baja rugosidad de la superficie

6. Stainless Steel shaft
Higher corrosion resistance

Interfaz para electroválvulas NAMUR integrada por el DAN15
No requiere ninguna placa de bornes adicional

Proceso productivo totalmente realizado en OMAL
Máximo control en todas las fases de elaboración

Certificado ATEX
Permite la instalación en presencia de entornos potencialmente explosivos

Certificado hasta SIL 3
Alto nivel de seguridad funcional garantizado

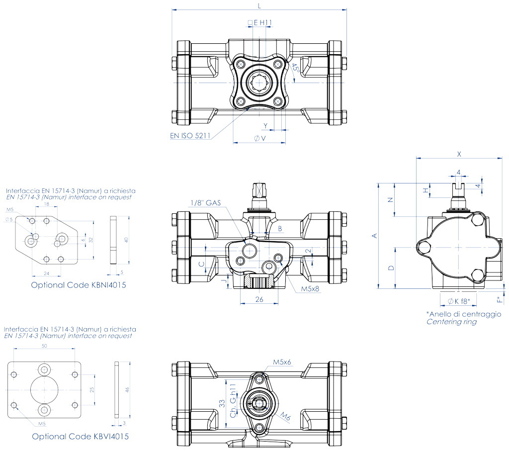
DATOS TÉCNICOS
Par desde 15 Nm a 480 Nm.
Brida de conexión: ISO 5211; F03 - F05 - F07 - F10.
Cumple con EN 15714-3.
Ángulo de rotación: 92° (-1°, +91°)
Momento de torsión: Directamente proporcional a la presión de alimentación; ver tabla actuadores neumáticos DA catálogo general.
En cada actuador la cifra que sigue a la sigla DA corresponde al valor del par de aceleración en Nm. a la presión de 5,6 bar.
De la medida DA 60 es posible el montaje directo de electroválvulas NAMUR en el actuador.
Las medidas DA15-DA30 necesitan de la interfaz NAMUR
Versión ATEX de conformidad con la directiva 2014/34/UE. Para la versión ATEX añadir YX al final del código.

CONDICIONES DE EJERCICIO
Temperatura: desde -20°C a +80°C.
Presión nominal: 5,6 bar; máxima de ejercicio 8,4 bar.
Fluido de alimentación: aire comprimido filtrado seco no necesariamente lubricado. En caso de lubricación usar aceite no detergente, compatible con NBR.

DA 15 ÷ DA 30

DA 60 ÷ DA 480

FICHA TÉCNICA  

Código
DA015516S
DA030516S
DA060516S
DA120516S
DA240516S
DA480516S

Juntas de repuesto
KGXI0112
KGXI0114
KGXI0116
KGXI0118
KGXI0120
KGXI0122

MedidaDA 15 F03
DA 30 F03
DA 60 F03-F05
DA 120 F05-F07
DA 240 F05-F07
DA 480 F07-F10

L mm.
120
134,6
158,4
192,9
246,8
298,4

A mm.
72,4
80,4
92,5
116,5
136,4
160

B mm.
13,4
11,6
-
-
-
-

C mm.
12
13
-
-
-
-

D mm.
28,2
32,7
37,7
46,2
56,2
68

E mm.
9
9
11
14
17
22

F mm.
2
2
2
3
3
3

Ch. G mm.
8
9
10
12
15
19

H mm.
10
10
13
13
17
19

N mm.
23
23
20
30
30
30

X mm.
59
68
80,3
94,4
117
139,7

J mm.
10,2
10,2
12,2
16,3
19,3
24,3

ØK mm.
25
25
25
35
35
55

Q mm.
50
50
50
80
80
80

P mm.
25
25
25
30
30
30

ØU mm.
-
-
50
70
70
102

ØV mm.
36
36
36
50
50
70

Y x fondo mm
M5x9
M5x9
M5x9
M6x11
M6x11
M8x13

W x fondo mm
-
-
M6x11
M8x15
M8x13
M10x22

Aire dm³/ciclo
0,079
0,148
0,28
0,59
1,18
2,38

peso kg
0,8
1,2
1,8
3,3
5,6
9,5


COMPONENTES ACTUADOR NEUMÁTICO DOBLE EFECTO DA CF8M MICROFUNDIDO MEDIDA: DA15-DA30

MATERIALES: DA 15 ÷ DA 30
Pos
Denominación
Cant.
Material
1
Cilindro
1
Acero inoxidable
2*
Cap Junta tórica
2
Goma de nitrilo
3
VDI/VDE Placa de bornes
1
Acero inoxidable
4
Placa de bornes NAMUR
1
Acero inoxidable
5
Eje
1
Acero inoxidable
6
Tornillos
6
Acero inoxidable
7
Tapón
2
Acero inoxidable
8
Tornillos
4
Acero inoxidable
9
Anillo de retención
1
Acero inoxidable
10
Arandela
1
Acero inoxidable
11
Horquilla
1
Aleación de acero
12
Pasador elástico externo
1
Aleación de acero
13
Pasador elástico interno
1
Aleación de acero
14
Soporte eje superior
1
Resina acetálica
15
Soporte brújula
2
Resina acetálica
16
Soporte eje inferior
1
Resina acetálica
17*
Junta tórica del eje superior
1
FKM
18*
Junta tórica del eje inferior
1
FKM
19
Pistón
2
Aleación de aluminio
20*
Soporte pistón
4
P.T.F.E. carbo-graphite filled
21*
Anillo de estanqueidad  
2
Poliuretano  
22*
Junta tórica del pistón
2
Goma de nitrilo
23
Perno
2
Aleación de acero
24
Brújula
2
Aleación de acero
25*
Anillo de soporte externo
1
Resina acetálica
26
Junta tórica (opcional)
2
Goma de nitrilo
* Detalles del kit de repuesto

COMPONENTES ACTUADOR NEUMÁTICO DOBLE EFECTO DA CF8M MICROFUNDIDO MEDIDA: DA60-DA480

MATERIALES    
Pos
Denominación
Cant.
Material
1
Cilindro  
1
Acero inoxidable
2*
Tapón Junta tórica
2
Goma de nitrilo
3
Eje
1
Acero inoxidable
4
Tornillos
6
Acero inoxidable
5
Tapón
2
Acero inoxidable
6
Anillo de retención
1
Acero inoxidable
7
Arandela
1
Acero inoxidable
8
Soporte eje inferior
1
Resina acetálica
9
Soporte eje superior
1
Resina acetálica
10
Horquilla
1
Aleación de acero
11*
Junta tórica del eje inferior
1
FKM
12
Pasador elástico externo
1
Aleación de acero
13
Pasador elástico interno
1
Aleación de acero
14
Pistón
2
Aleación de aluminio
15*
Soporte pistón
4
P.T.F.E. carbo-graphite filled
16*
Anillo de estanqueidad
2
Poliuretano
17
Perno
2
Aleación de acero
18
Brújula
2
Aleación de acero
19*
Junta tórica del pistón
2
Goma de nitrilo
20
Soporte brújula inferior
1
Resina acetálica
21
Soporte brújula superior  
1
Resina acetálica
22*
Junta tórica del eje superior
1
FKM
23*
Anillo de soporte externo
1
Resina acetálica
* Detalles del kit de repuesto

ESQUEMA DE FUNCIONAMIENTO ACTUADOR NEUMÁTICO DA

CAJA DE SEÑALIZACIÓN CON TOPE

OPERADOR MANUAL DE DESBLOQUEO

TOPES INDUCTIVOS NAMUR

TOPES INDUCTIVOS

POSICIONADOR ELECTRONEUMÁTICO (SEGURIDAD INTRÍNSECA)

POSICIONADOR NEUMÁTICO

TOPE DE PROXIMIDAD

TOPES ELECTROMECÁNICOS

TOPES NEUMÁTICOS

TOPES ANTIDEFLAGRANTES II2GD ExdIIC

SELECCIONA TALLA
Selecciona los parámetros de búsqueda
BUSCA ARTÍCULO
X CERRAR

SIGUIENTE EVENTO

IVS - Industrial Valve Summit 2026
IVS - Industrial Valve Summit 2026
Bergamo, Italy, 19 - 21 may 2026