images/testate/ALMY5P_Template-Header-Sito-OMAL2560x768-AGO-ok.jpg

AGO CF8M - DA inox CF8M fonte de précision

  • avantages
  • caractéristiques
  • dimensions
  • matériaux
  • spécifications
  • accessoires
  • documents

1. Bandes d'étanchéité et de glissement autolubrifiantes sous tension 
Frottement réduit entre le piston et le vérin
Évite que la garniture ne se colle au vérin, même après de longues périodes d’immobilisation

2. Fentes, douilles et goupilles en acier avec une dureté supérieure à 50 HRC
Plus grande résistance aux forces à l’intérieur de l'actionneur

3. Frottement de roulement entre la fente et le piston
Réduction du frottement

4. Bielle-manivelle avec frottement de roulement (transformation du mouvement linéaire en mouvement de rotation par piston et arbre sans engrenages).
Moins de frottement entre le piston et l'arbre, ce qui réduit l'usure des pièces
Moment de torsion accru en phase d’ouverture et fermeture
Encombrement réduit par rapport aux actionneurs à pignon et crémaillère, donc moins d'espace requis
Moins de poids par rapport aux actionneurs à pignon et crémaillère (-30 % Kg/Nm), ce qui entraîne des économies sur la construction de la structure de l'installation
Réduction de la consommation d'air par rapport aux actionneurs à pignon et crémaillère (-40 % air cm³/Nm double effet et -20 % air cm³/Nm simple effet) avec une charge de travail réduite du compresseur en conséquence ou possibilité d'utiliser un compresseur de dimensions réduites

5. Vérin laminé 
Usure moindre des bandes sous tension grâce à la faible rugosité de la surface

6. Stainless Steel shaft
Higher corrosion resistance

Plan de pose pour électrovannes NAMUR intégré par le DAN15
Ne nécessite aucune embase supplémentaire

Processus de production entièrement réalisé chez OMAL 
Contrôle maximum dans toutes les phases de d’usinage

Certificat ATEX 
Permet son installation en présence d'un milieu potentiellement explosif

Certifié jusqu'à SIL 3
Niveau élevé garanti de sécurité fonctionnelle

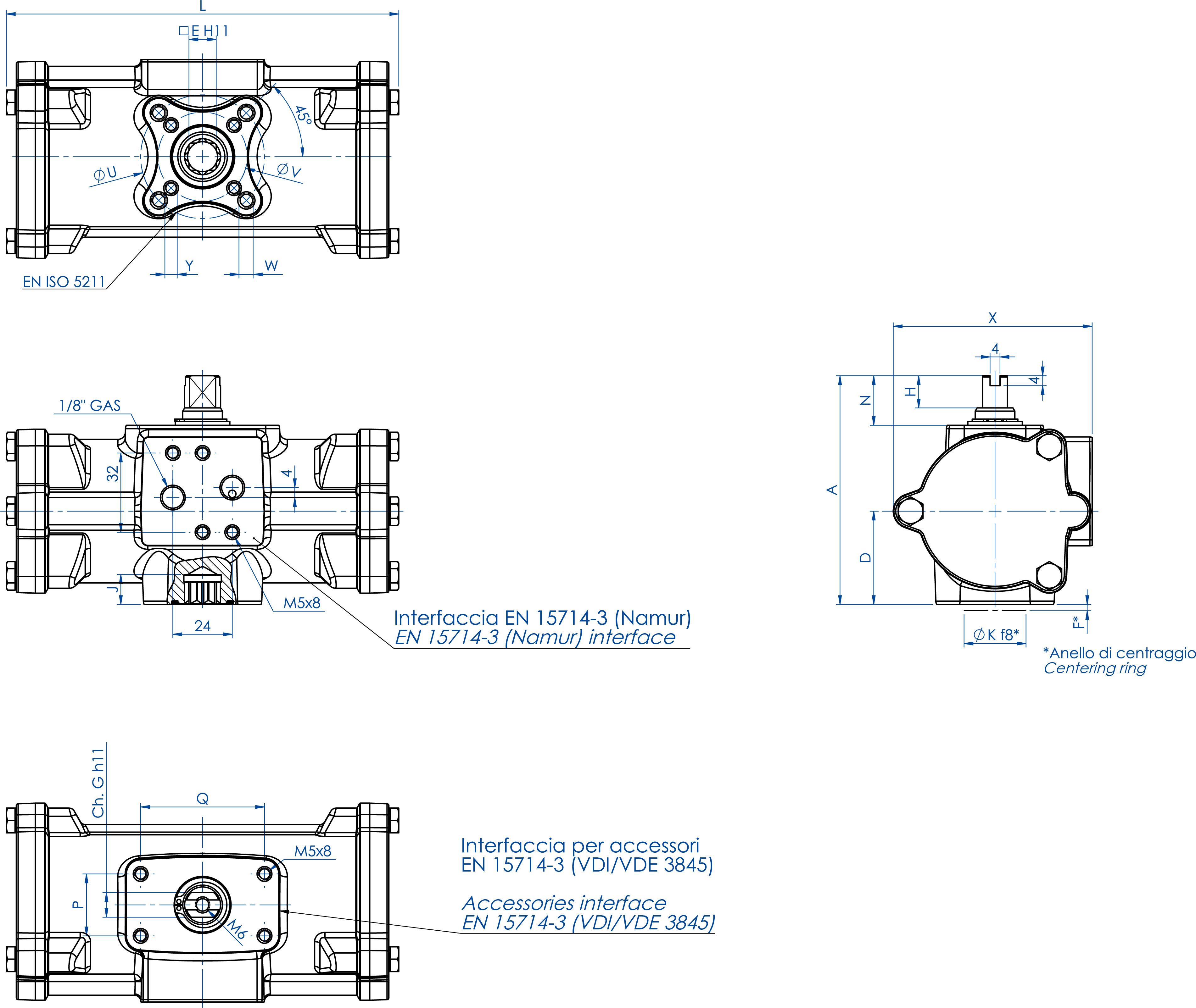
CARACTÉRISTIQUES TECHNIQUES 
Couple compris entre 15 Nm et 480 Nm.
Bride de raccordement: ISO 5211; F03 - F05 - F07 - F10.
Conforme à la norme EN 15714-3.
Angle de rotation: 92° (-1°, +91°)
Moment de torsion: Directement proportionnel à la pression d'alimentation; voir tableau actionneurs pneumatiques DA catalogue général.
Dans chaque actionneur, le chiffre qui suit le sigle DA correspond à la valeur du couple de démarrage en Nm à une pression de 5,6 bar.
À partir de la mesure DA 60, il est possible de monter directement des électrovannes NAMUR sur l'actionneur.
Les mesures DA15-DA30 nécessitent un plan de pose NAMUR
Version ATEX conformément à la directive européenne 2014/34/UE. Pour la version ATEX, ajouter YX à la fin du code.

CONDITIONS DE FONCTIONNEMENT
Température: de -20°C à +80°C.
Pression nominale: 5,6 bar; maximum de fonctionnement 8,4 bar.
Fluide d'alimentation: air comprimé filtré sec pas nécessairement lubrifié.
En cas de lubrification, utilisez une huile non détergente, compatible avec NBR.

DA 15 ÷ DA 30

DA 60 ÷ DA 480

FICHE TECHNIQUE    

Code
DA015516S
DA030516S
DA060516S
DA120516S
DA240516S
DA480516S

Garnitures de rechange
KGXI0112
KGXI0114
KGXI0116
KGXI0118
KGXI0120
KGXI0122

MesureDA 15 F03
DA 30 F03
DA 60 F03-F05
DA 120 F05-F07
DA 240 F05-F07
DA 480 F07-F10

L mm.
120
134,6
158,4
192,9
246,8
298,4

A mm.
72,4
80,4
92,5
116,5
136,4
160

B mm.
13,4
11,6
-
-
-
-

C mm.
12
13
-
-
-
-

D mm.
28,2
32,7
37,7
46,2
56,2
68

E mm.
9
9
11
14
17
22

F mm.
2
2
2
3
3
3

Ch. G mm.
8
9
10
12
15
19

H mm.
10
10
13
13
17
19

N mm.
23
23
20
30
30
30

X mm.
59
68
80,3
94,4
117
139,7

J mm.
10,2
10,2
12,2
16,3
19,3
24,3

ØK mm.
25
25
25
35
35
55

Q mm.
50
50
50
80
80
80

P mm.
25
25
25
30
30
30

ØU mm.
-
-
50
70
70
102

ØV mm.
36
36
36
50
50
70

Y x prof. profondeur mm.
M5x9
M5x9
M5x9
M6x11
M6x11
M8x13

W x prof. profondeur mm.
-
-
M6x11
M8x15
M8x13
M10x22

air  dm3/cycle
0,079
0,148
0,28
0,59
1,18
2,38

poids Kg.
0,8
1,2
1,8
3,3
5,6
9,5


COMPOSANTS ACTIONNEUR PNEUMATIQUE DOUBLE EFFET DA CF8M COULÉES CAST MESURES: DA15-DA30

MATÉRIAUX: DA 15 ÷ DA 30
Pos
Désignation
Q.té
Matériau
1
Vérin
1
Acier inoxydable
2*
Bouchon joint torique
2
Caoutchouc nitrile
3
VDI/VDE Embase
1
Acier inoxydable
4
Embase NAMUR
1
Acier inoxydable
5
Arbre
1
Acier inoxydable
6
Vis
6
Acier inoxydable
7
Bouchon
2
Acier inoxydable
8
Vis
4
Acier inoxydable
9
Seeger
1
Acier inoxydable
10
Rondelle
1
Acier inoxydable
11
Bielle-manivelle
1
Alliage d'acier
12
Goupille élastique externe
1
Alliage d'acier
13
Goupille élastique interne
1
Alliage d'acier
14
Support arbre supérieur
1
Résine acétal
15
Support douille
2
Résine acétal
16
Support arbre inférieur
1
Résine acétal
17*
Joint torique arbre supérieur
1
FKM
18*
Joint torique arbre inférieur
1
FKM
19
Piston
2
Alliage d'aluminium
20*
Support piston
4
P.T.F.E. carbo-graphite filled
21*
Bague d'étanchéité
2
Polyuréthane
22*
Joint torique piston
2
Caoutchouc nitrile
23
Axe
2
Alliage d'acier
24
Douille
2
Alliage d'acier
25*
Bague de support extérieur
1
Résine acétal
26
Joint torique (en option)
2
Caoutchouc nitrile
* Détails du kit des pièces de rechange

COMPOSANTS ACTIONNEUR PNEUMATIQUE DOUBLE EFFET DA CF8M COULÉES CAST MESURES: DA60-DA480

MATÉRIAUX    
Pos
Désignation
Q.té
Matériau
1
Vérin
1
Acier inoxydable
2*
Bouchon joint torique
2
Caoutchouc nitrile
3
Arbre
1
Acier inoxydable
4
Vis
6
Acier inoxydable
5
Bouchon
2
Acier inoxydable
6
Seeger
1
Acier inoxydable
7
Rondelle
1
Acier inoxydable
8
Support arbre inférieur
1
Résine acétal
9
Support arbre supérieur
1
Résine acétal
10
Bielle-manivelle
1
Alliage d'acier
11*
Joint torique arbre inférieur
1
FKM
12
Goupille élastique externe
1
Alliage d'acier
13
Goupille élastique interne
1
Alliage d'acier
14
Piston
2
Alliage d'aluminium
15*
Support piston
4
P.T.F.E. carbo-graphite filled
16*
Bague d'étanchéité
2
Polyuréthane
17
Axe
2
Alliage d'acier
18
Douille
2
Alliage d'acier
19*
Joint torique piston
2
Caoutchouc nitrile
20
Support douille inférieure
1
Résine acétal
21
Support douille supérieure
1
Résine acétal
22*
Joint torique arbre supérieur
1
FKM
23*
Bague de support extérieur
1
Résine acétal
* Détails du kit des pièces de rechange

SCHÉMA DE FONCTIONNEMENT ACTIONNEUR PNEUMATIQUE “DA”

BOÎTIER DE SIGNALISATION AVEC FIN DE COURSE

COMMANDE MANUELLE DE DÉBLOCAGE

ÉLECTROVANNES NAMUR

ÉLECTROVANNES

POSITIONNEUR ÉLECTROPNEUMATIQUE (SÉCURITÉ INTRINSÈQUE)

POSITIONNEUR PNEUMATIQUE

FINS DE COURSE DE PROXIMITÉ

FINS DE COURSE ÉLECTROMÉCANIQUES

FINS DE COURSE PNEUMATIQUES

FINS DE COURSE ANTIDÉFLAGRANTS II2GD ExdIIC

SÉLECTIONNEZ TAILLE
Sélectionnez les paramètres de recherche
RECHERCHER UN ARTICLE
X FERMER

PROCHAIN ÉVÈNEMENT

IVS - Industrial Valve Summit 2026
IVS - Industrial Valve Summit 2026
Bergamo, Italy, 19 - 21 may 2026