1. Faixas de vedação e deslizamento energizadas autolubrificantes
Menor atrito entre o pistão e o cilindro
É evitada a colagem da guarnição ao cilindro mesmo após longos períodos de inatividade
2. Ranhura, buchas e cavilhas com aço com dureza superior a 50 HRC
Maior resistência a forças presentes dentro do atuador
3. Atrito de rolamento entre a ranhura e o pistão
Menor atrito
4. Scotch yoke com atrito de rolamento (transformação do movimento linear em movimento rotativo através de pistão e eixo sem engrenagens)
Menor atrito entre o pistão e o eixo, resultando em menor desgaste das peças
Momento de rotação aprimorado na fase de abertura e fechamento
Menor volume ocupado em relação aos atuadores de pinhão e cremalheira, com consequente menor espaço necessário
Menor peso em relação aos atuadores de pinhão e cremalheira (-30% Kg/Nm) com consequentes economias na construção da estrutura da planta
Menor consumo de ar comparado aos atuadores de pinhão e cremalheira (-40% de ar cm³/Nm efeito duplo e -20% de ar cm³/Nm efeito simples) com consequente menor carga de trabalho do compressor ou possibilidade de usar um compressor com dimensões reduzidas
5. Cilindro laminado
Menor desgaste nas faixas energizadas devido à baixa rugosidade da superfície
6. Stainless Steel shaft
Higher corrosion resistance
Interface para eletroválvulas NAMUR integradas pelo DAN15
Não requer nenhuma base adicional
Processo de produção realizado inteiramente na OMAL
Controle máximo em todas as fases de processamento
Certificado ATEX
Permite instalação na presença de ambiente potencialmente explosivo
Certificados até SIL 3
Alto nível de segurança funcional garantido
DADOS TÉCNICOS
Torque de 30 Nm a 1920 Nm.
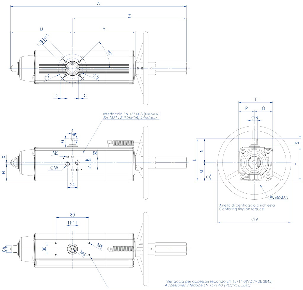
Flange de conexão: EN ISO 5211
F05 - F07 - F10 - F12 - F14 - F16.
Em conformidade com a EN 15714-3
Ângulo de rotação: 92°(-1°, + 91°)
Momento de rotação: O momento de rotação de retorno depende apenas da ação da mola e é independente da pressão de alimentação. Estão disponíveis 4 calibrações diferentes para a mola; ver a tabela.
O fechamento automático por meio das molas ocorre no sentido horário.
Em cada atuador, a figura que segue a sigla SRNV corresponde ao valor do torque de partida em Nm. à pressão de 5,6 bar.
Versão ATEX em conformidade com a diretiva 2014/34/UE. Para a versão ATEX, adicionar YX no final do código.
CONDIÇÕES DE OPERAÇÃO
Temperatura: de -20°C a + 80°C. (Versões especiais: alta temperatura: -20°C + 150°C; baixa temperatura: -50°C + 60°C)
Pressão nominal: 5,6 bar; máxima de operação 8,4 bar.
Fluido de alimentação: ar comprimido filtrado seco não necessariamente lubrificado.
Em caso de lubrificação, usar óleo não detergente, compatível com NBR.
Se necessário, o atuador pneumático a um quarto de volta de nossa produção pode ser equipado com um acionamento manual.
O dispositivo pode ser integrado na versão Efeito Duplo e na versão Efeito Simples.
Para que o sistema funcione corretamente e para a integridade mecânica do dispositivo, é essencial garantir que o atuador pneumático seja desconectado das linhas de alimentação de ar comprimido antes de executar qualquer manobra usando o dispositivo de acionamento manual.
O dispositivo de acionamento manual atua na transmissão mecânica primária do atuador pneumático e na presença de torques aplicados ao volante em conformidade com a norma EN 12570 produz torques de saída com o mesmo valor que o torque nominal do próprio atuador.
| FICHA TÉCNICA SRNV 30 ÷ SRNV 240 | ||||||||
| Código | SRNV0030401S | SRNV0030402S | SRNV0053401S | SRNV0060401S | SRNV0090401S | SRNV0120401S | SRNV0180401S | SRNV0240401S |
| Kit de guarnições | KGGI0016VX | KGGI0016VX | KGGI0060VX | KGGI0018VX | KGGI0019VX | KGGI0020VX | KGGI0021VX | KGGI0022VX |
| Tamanho | SRNV 30 | SRNV 30 | SRNV 53 | SRNV 60 | SRNV 90 | SRNV 120 | SRNV 180 | SRNV 240 |
| ISO | F04 | F05/F07 | F05/F07 | F05/F07 | F07/F10 | F07/F10 | F07/F10 | F10/F12 |
| A | 392,7 | 392,7 | 431,4 | 457,7 | 534,9 | 558,5 | 635 | 700,8 |
| B | 14 | 14 | 17 | 17 | 22 | 22 | 22 | 27 |
| C x profundidade | M5x8 | M6x9 | M6x9 | M6x9 | M8x12 | M8x12 | M8x12 | M10x15 |
| D x profundidade | - | M8x12 | M8x12 | M8x12 | M10x15 | M10x15 | M10x15 | M12x18 |
| E | 42 | 50 | 50 | 50 | 70 | 70 | 70 | 102 |
| F | - | 70 | 70 | 70 | 102 | 102 | 102 | 125 |
| G | 13 | 13 | 13 | 13 | 16 | 17 | 19 | 19 |
| H | 33,7 | 33,7 | 40,8 | 42,8 | 52,5 | 56,1 | 58 | 57,4 |
| J | 18 | 18 | 18 | 18 | 18 | 18 | 18 | 16 |
| K | 14 | 14 | 14 | 14 | 14 | 14 | 14 | 16 |
| I | 10 | 10 | 12 | 12 | 15 | 15 | 19 | 19 |
| L | 90,4 | 90,4 | 103,3 | 107 | 137,5 | 141,1 | 148 | 164,9 |
| M | 37,7 | 37,7 | 44,8 | 46,8 | 56,5 | 60,1 | 62 | 72,9 |
| N | 52,7 | 52,7 | 58,5 | 60,2 | 81 | 81 | 86 | 92 |
| O | 16,5 | 16,5 | 19,3 | 19,3 | 24,8 | 24,8 | 24,3 | 29,5 |
| P | 32,7 | 32,7 | 38,5 | 40,2 | 51 | 51 | 56 | 62 |
| Q | 37,7 | 37,7 | 44,8 | 46,8 | 56,5 | 60,1 | 62 | 72,9 |
| R | 14,5 | 14,5 | 16,2 | 18 | 20,2 | 22,5 | 25,5 | 29 |
| S | 20 | 20 | 20 | 20 | 30 | 30 | 30 | 30 |
| T | 70,4 | 70,4 | 83,3 | 87 | 107,5 | 111,1 | 118 | 134,9 |
| U | 129,4 | 129,4 | 152,1 | 169,3 | 196,8 | 204,8 | 237 | 260,2 |
| V | 180 | 180 | 180 | 180 | 220 | 220 | 300 | 300 |
| W (Gas) | 1/8" | 1/8" | 1/8" | 1/8" | 1/8" | 1/8" | 1/8" | 1/4" |
| X | 4 | 4 | 4 | 4 | 4 | 4 | 4 | - |
| Y | 137,6 | 137,6 | 154,8 | 163,9 | 183,5 | 199,1 | 220,8 | 236,4 |
| Z | 263,3 | 263,3 | 279,3 | 288,4 | 338,1 | 353,7 | 398 | 440,6 |
| Ch | 13 | 13 | 17 | 17 | 22 | 22 | 22 | 27 |
| N° rotações* | 11 | 11 | 13 | 14 | 16 | 18 | 15 | 16 |
| Peso (Kg) | 3,2 | 3,2 | 4,5 | 5,3 | 6,8 | 9 | 11,7 | 15,2 |
| Ar (dm3/ciclo) | 0,17 | 0,17 | 0,3 | 0,33 | 0,55 | 0,8 | 1 | 1,5 |
| FICHA TÉCNICA SRNV 360 ÷ SRNV 960 | |||||||
| Código | SRNV0360401S | SRNV0480401S | SRNV0480402S | SRNV0720401S | SRNV0720402S | SRNV0960401S | SRNV0960402S |
| Kit de guarnições | KGGI0023VX | KGGI0024VX | KGGI0024VX | KGGI0025VX | KGGI0025VX | KGGI0026VX | KGGI0026VX |
| Tamanho | SRNV 360 | SRNV 480 | SRNV 480 | SRNV 720 | SRNV 720 | SRNV 960 | SRNV 960 |
| ISO | F10/F12 | F10/F12 | F14 | F14 | F12 | F14 | F12/F16 |
| A | 810,1 | 842,4 | 842,4 | 1035,4 | 1035,4 | 1067,7 | 1067,7 |
| B | 27 | 36 | 36 | 36 | 36 | 46 | 46 |
| C x profundidade | M10x15 | M10x15 | M16x24 | M16x24 | M12x18 | M16x24 | M12x18 |
| D x profundidade | M12x18 | M12x18 | - | - | - | - | M20x30 |
| E | 102 | 102 | 140 | 140 | 125 | 140 | 125 |
| F | 125 | 125 | - | - | - | - | 165 |
| G | 19,5 | 19,5 | 19,5 | 19,5 | 19,5 | 18,5 | 18,5 |
| H | 61,5 | 78 | 78 | 86,5 | 86,5 | 99,2 | 99,2 |
| J | 16 | 16 | 16 | 16 | 16 | 16 | 16 |
| K | 16 | 16 | 16 | 16 | 16 | 16 | 16 |
| I | 22 | 24 | 24 | 27 | 27 | 32 | 32 |
| L | 178 | 198 | 198 | 216 | 216 | 237,7 | 237,7 |
| M | 78,5 | 93,5 | 93,5 | 101,5 | 101,5 | 114,7 | 114,7 |
| N | 99,5 | 104,5 | 104,5 | 114,5 | 114,5 | 123 | 123 |
| O | 29,5 | 38,5 | 38,5 | 38,5 | 38,5 | 48,5 | 48,5 |
| P | 69,5 | 74,5 | 74,5 | 84,5 | 84,5 | 93 | 93 |
| Q | 78,5 | 93,5 | 93,5 | 101,5 | 101,5 | 114,7 | 114,7 |
| R | 31,8 | 36,5 | 36,5 | 41 | 41 | 46 | 46 |
| S | 30 | 30 | 30 | 30 | 30 | 30 | 30 |
| T | 148 | 168 | 168 | 186 | 186 | 207,7 | 207,7 |
| U | 306,6 | 324,1 | 324,1 | 399 | 399 | 414 | 414 |
| V | 350 | 350 | 350 | 400 | 400 | 400 | 400 |
| W (Gas) | 1/4" | 1/4" | 1/4" | 1/4" | 1/4" | 1/4" | 1/4" |
| X | - | - | - | - | - | - | - |
| Y | 282,3 | 297,1 | 297,1 | 365,6 | 365,6 | 382,9 | 382,9 |
| Z | 503,5 | 518,3 | 518,3 | 636,4 | 636,4 | 653,7 | 653,7 |
| Ch | 27 | 27 | 27 | 36 | 36 | 36 | 36 |
| N° rotações* | 19 | 20 | 20 | 25 | 25 | 26 | 26 |
| Peso (Kg) | 19,5 | 28,1 | 28,1 | 38,8 | 38,8 | 50,6 | 50,6 |
| Ar (dm3/ciclo) | 2 | 2,8 | 2,8 | 4,2 | 4,2 | 5,9 | 5,9 |
| FICHA TÉCNICA SRNV 1920 | |
| Código | SRNV1920E1608A |
| Kit de guarnições | KGGI0230VX |
| Tamanho | SRNV 1920 |
| ISO | F16 |
| Número de rotações* | 30 |
| Peso (Kg) | 91 |
| Ar (dm3/ciclo) | 12,5 |
| MATERIAIS ATÉ SRNV960 | |||
| Pos | Designação | Q. | Material |
| 1 | Parafuso | 1 | Aço inoxidável |
| 2* | Arruelas para Rolamentos de rolos | 4 | Liga de aço |
| 3* | Rolamentos de rolos | 2 | Liga de aço |
| 4 | Flange | 1 | Liga de alumínio |
| 5 | Anel de Centralização (apenas para SRNV360) | 1 | Liga de alumínio |
| 6* | O'ring (apenas para SRNV360) | 1 | Borracha nitrílica |
| 7* | O'ring | 2 | Borracha nitrílica |
| 8* | O'ring | 1 | Borracha nitrílica |
| 9* | O'ring | 1 | Borracha nitrílica |
| 10* | O'ring | 1 | Borracha nitrílica |
| 11 | Parafuso | 1 | Aço inoxidável |
| 12 | Mola Spring | 1 | Aço inoxidável |
| 13 | Cilindro espaçador | 1 | Liga de alumínio |
| 14* | O'ring | 1 | Borracha nitrílica |
| 15* | Tampa guarnição | 1 | Latão+Borracha nitrílica |
| 16 | Tampa (modificada) | 1 | Liga de alumínio |
| 17 | Parafuso | 4 | Aço inoxidável |
| 18* | O'ring | 1 | Borracha nitrílica |
| 19 | Volante de manobra | 1 | Liga de aço |
| 20 | Grão | 2 | Aço inoxidável |
| 21 | Tubo de proteção | 1 | Liga de alumínio |
| 22 | Tubo transparente | 1 | PVC |
| 23 | Tampa de proteção | 1 | Liga de alumínio |
| 24 | Chiave | 1 | Liga de aço |
| 25 | Mola | 2 | Liga de aço |
| 26* | Rebite | 1 | Liga de aço |
| 27* | Indicador | 1 | Polipropilene |
| 28 | Porca de manobra | 1 | Liga de aço |
| 29 | Bucha roscada (apenas para SRNV240) | 2 | Aço inoxidável |
| 30 | Recipiente para molas especial | 1 | Liga de alumínio |
| 31 | Cavilha | 1 | Liga de aço |
| 32 | Parafuso de manobra | 1 | Liga de aço |
| 33* | Anel de vedação (pistão) | 2 | Poliuretano |
| 34* | O'ring Pistão | 2 | Borracha nitrílica |
| 35 | Pistão (modificato) | 1 | Liga de alumínio |
| 36* | Disco de suporte | 4 | P.T.F.E. carbo-graphite filled |
| 37 | Bucha | 2 | Liga de aço |
| 38 | Pino Manga rotativa | 2 | Liga de aço |
| 39* | Guarnição | 2 | Liga de aço+Borracha nitrílica |
| 40 | Parafuso | 2 | Aço inoxidável |
| 41 | Garfo | 1 | Liga de aço |
| 42 | Suporte do eixo | 1 | Resina Acetálica |
| 43 | Cavilha elástica externa | 1 | Liga de aço |
| 44 | Cavilha elástica interna | 1 | Liga de aço |
| 45 | Eixo | 1 | Aço inoxidável |
| 46 | Bucha de deslizamento | 1 | Resina Acetálica |
| 47 | O'ring do eixo inferior | 1 | FKM |
| 48 | Cilindro Cylinder | 1 | Liga de alumínio |
| 49 | O'ring do eixo superior | 1 | FKM |
| 50 | Anel de suporte externo | 1 | Resina Acetálica |
| 51 | Arruela | 1 | Aço inoxidável |
| 52 | Seeger | 1 | Aço inoxidável |
| 53 | Pistão (Standard) | 1 | Liga de alumínio |
| 54 | Parafuso de pré-carga da mola | 1 | Aço inoxidável |
| 55 | Recipiente da mola (Standard) | 1 | Liga de aço ou Liga de alumínio |
| 56* | O'ring tampa | 1 | Borracha nitrílica |
| 57 | Tampa (Standard) | 1 | Liga de alumínio |
| 58 | Parafuso | 4 | Aço inoxidável |
| 59* | O'ring | 1 | Borracha nitrílica |
| 60 | Porca | 1 | Liga de alumínio |
| 61 | Inserir para o'ring (apenas para SRNV53-120-180-360) | 1 | Aço inoxidável |
| * Detalhes do kit de substituição | |||
| MATERIAIS SRNV1920 | |||
| Pos | Designação | Qtd | Material |
| 1 | Cilindro | 1 | Liga de alumínio |
| 2 | Cilindro | 1 | Liga de alumínio |
| 3 | Cilindro | 1 | Liga de alumínio |
| 4 | Tampa (Standard) | 1 | Liga de alumínio |
| 5 | Suporte interno macio | 1 | Liga de alumínio |
| 6 | Suporte externo macio | 1 | Liga de alumínio |
| 7 | Parafuso de pré-carga da mola | 1 | Aço inoxidável |
| 8* | O'ring | 1 | Borracha nitrílica |
| 9 | Porca A Calota | 1 | Aço inoxidável |
| 10 | O'ring | 1 | Borracha nitrílica |
| 11 | O'ring | 1 | Borracha nitrílica |
| 12 | Dado | 1 | Aço inoxidável |
| 13 | Mola externa | 2 | Liga de aço |
| 14 | Mola interna | 2 | Liga de aço |
| 15 | Pistão (Standard) | 1 | Liga de alumínio |
| 16 | Bucha | 2 | Liga de aço |
| 17* | Disco de suporte | 4 | Resina Acetálica |
| 18 | Cavilha | 2 | Liga de aço |
| 19 | Pino | 2 | Liga de aço |
| 20 | Garfo | 1 | Liga de aço |
| 21 | Eixo | 1 | Aço inoxidável |
| 22 | Bucha de deslizamento | 1 | Resina Acetálica |
| 23 | Suporte do eixo | 1 | Resina Acetálica |
| 24* | O'ring tampa | 1 | Borracha nitrílica |
| 25* | Bucha (eixo inferior) | 1 | P.T.F.E. carbo-graphite filled |
| 26* | Bucha (eixo superior) | 1 | P.T.F.E. carbo-graphite filled |
| 27* | Anel de suporte externo | 1 | Resina Acetálica |
| 28 | Arruela | 1 | Aço inoxidável |
| 29* | O'ring | 3 | Borracha nitrílica |
| 30 | Seeger | 1 | Aço inoxidável |
| 31 | Parafuso | 6 | Aço inoxidável |
| 32* | O'ring do eixo inferior | 1 | FKM |
| 33* | O'ring Pistão | 2 | Borracha nitrílica |
| 34* | O'ring do eixo superior | 1 | FKM |
| 35* | O'ring | 2 | Borracha nitrílica |
| 36* | Anel guia | 2 | P.T.F.E. Preenchido com Carbo-grafite |
| 37 | Porca | 12 | Aço inoxidável |
| 38 | Pistão (modificato) | 1 | Liga de alumínio |
| 39* | Rolamento (Volante) | 2 | Poliuretano |
| 40 | Tampa (modificada) Cap (modified) | 1 | Liga de alumínio |
| 41 | Porca de manobra | 1 | Liga de aço |
| 42* | Indicador Indicator | 1 | Polipropilene |
| 43 | Volante de manobra | 1 | Liga de aço |
| 44 | Flange | 1 | Liga de alumínio |
| 45* | Rolamento | 2 | Liga de aço |
| 46 | Parafuso | 8 | Aço inoxidável |
| 47 | Parafuso | 1 | Aço inoxidável |
| 48 | Arruela | 1 | Aço inoxidável |
| 49 | Fechamento do garfo | 1 | Liga de alumínio |
| 50 | Suporte do garfo | 1 | Liga de alumínio |
| 51 | Tranca | 1 | Aço inoxidável |
| 52 | Tampa de proteção | 1 | Liga de alumínio |
| 53 | Parafuso | 3 | Aço inoxidável |
| 54* | Rebite | 1 | Aço inoxidável |
| 55 | Chave | 1 | Aço inoxidável |
| 56 | Parafuso | 6 | Liga de aço |
| 57* | O'ring | 1 | Borracha nitrílica |
| 58* | O'ring | 1 | Borracha nitrílica |
| 59* | O'ring | 1 | Borracha nitrílica |
| 60 | Parafuso | 2 | Aço inoxidável |
| 61* | Guarnição | 2 | Liga de aço+Borracha nitrílica |
| 62* | O'ring | 1 | Borracha nitrílica |
| 63* | O'ring | 1 | Borracha nitrílica |
| 64* | Tampa | 2 | P.T.F.E |
| 65 | Porca | 1 | Aço inoxidável |
| 66 | Parafuso de manobra | 1 | Aço inoxidável |
| 67 | Tubo de proteção removível | 1 | Liga de alumínio |
| 68 | Cavilha | 1 | Aço inoxidável |
| 69 | Recipiente para molas especial | 1 | Liga de aço |
| 70* | O'ring | 1 | Borracha nitrílica |
| 71* | O'ring | 1 | Borracha nitrílica |
| 72 | Parafuso | 1 | Aço inoxidável |
| 73 | Parafuso de segurança | 1 | Aço inoxidável |
| 74 | Tubo de proteção | 1 | Liga de alumínio |
| * Detalhes do kit de substituição | |||