DATOS TÉCNICO
SPar desde 30 Nm a 1920 Nm.
Brida de conexión: EN ISO 5211
F05 - F07 - F10 - F12 - F14 - F16.
Conforme a la EN 15714-3
Ángulo de rotación: 92° (-1°, +91°)
Momento de torsión: El momento de torsión de retorno depende solo de la acción del muelle y es independiente de la presión de alimentación. Están disponibles 4 diferentes calibraciones para el muelle; ver tabla.
El cierre automático por medio de los muelles se realiza en sentido de las agujas del reloj.En cada actuador la cifra que sigue a la sigla SRNV corresponde al valor del par de aceleración en Nm. a la presión de 5,6 bar.
Versión ATEX de conformidad con la directiva 2014/34/UE. Para la versión ATEX añadir YX al final del código.
CONDICIONES DE EJERCICIO
Temperatura: desde -20°C a +80°C. (Versiones especiales: alta temperatura: -20°C +150°C; baja temperatura: -50°C +60°C)Presión nominal: 5,6 bar; máxima de ejercicio 8,4 bar.
Fluido de alimentación: aire comprimido filtrado seco no necesariamente lubricado.
En caso de lubricación usar aceite no detergente, compatible con NBR.
Cuando así lo requiera el actuador neumático de cuarto de vuelta de nuestra producción puede estar equipado con un accionamiento manual.
El dispositivo puede estar integrado tanto en la versión Doble Efecto como en la Simple Efecto.
Para el buen funcionamiento del sistema y por la integridad mecánica del dispositivo es indispensable asegurarse de que el actuador neumático esté desconectado de las líneas de alimentación de aire comprimido antes de realizar alguna maniobra usando el dispositivo de accionamiento manual.
El dispositivo de accionamiento manual actúa en la transmisión mecánica primaria del actuador neumático y frente a pares aplicados al volante de conformidad con la norma EN 12570 produce pares de salida de igual valor del par nominal del actuador.
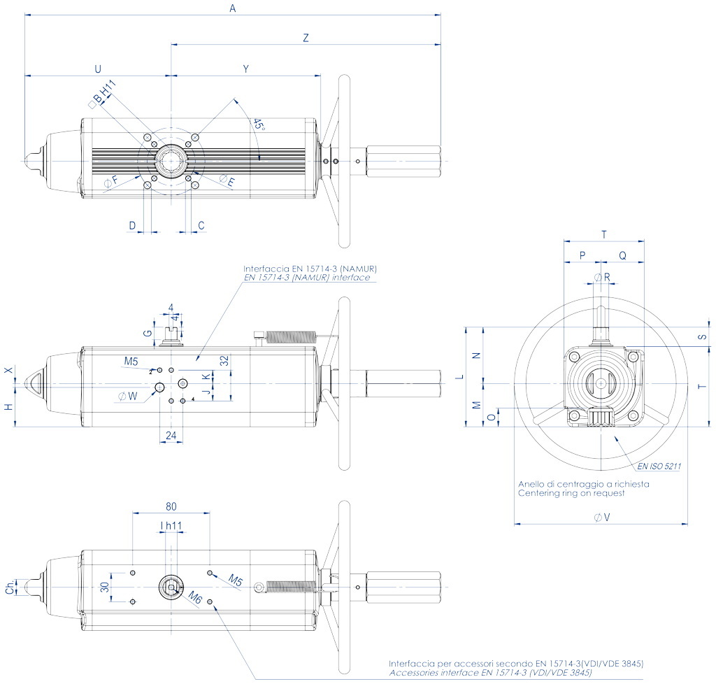
| FICHA TÉCNICA SRNV 30 ÷ SRNV 240 | ||||||||
| Código | SRNV0030401S | SRNV0030402S | SRNV0053401S | SRNV0060401S | SRNV0090401S | SRNV0120401S | SRNV0180401S | SRNV0240401S |
| Kit juntas | KGGI0016VX | KGGI0016VX | KGGI0060VX | KGGI0018VX | KGGI0019VX | KGGI0020VX | KGGI0021VX | KGGI0022VX |
| Medida | SRNV 30 | SRNV 30 | SRNV 53 | SRNV 60 | SRNV 90 | SRNV 120 | SRNV 180 | SRNV 240 |
| ISO | F04 | F05/F07 | F05/F07 | F05/F07 | F07/F10 | F07/F10 | F07/F10 | F10/F12 |
| A | 392,7 | 392,7 | 431,4 | 457,7 | 534,9 | 558,5 | 635 | 700,8 |
| B | 14 | 14 | 17 | 17 | 22 | 22 | 22 | 27 |
| C x fondo | M5x8 | M6x9 | M6x9 | M6x9 | M8x12 | M8x12 | M8x12 | M10x15 |
| D x fondo | - | M8x12 | M8x12 | M8x12 | M10x15 | M10x15 | M10x15 | M12x18 |
| E | 42 | 50 | 50 | 50 | 70 | 70 | 70 | 102 |
| F | - | 70 | 70 | 70 | 102 | 102 | 102 | 125 |
| G | 13 | 13 | 13 | 13 | 16 | 17 | 19 | 19 |
| H | 33,7 | 33,7 | 40,8 | 42,8 | 52,5 | 56,1 | 58 | 57,4 |
| J | 18 | 18 | 18 | 18 | 18 | 18 | 18 | 16 |
| K | 14 | 14 | 14 | 14 | 14 | 14 | 14 | 16 |
| I | 10 | 10 | 12 | 12 | 15 | 15 | 19 | 19 |
| L | 90,4 | 90,4 | 103,3 | 107 | 137,5 | 141,1 | 148 | 164,9 |
| M | 37,7 | 37,7 | 44,8 | 46,8 | 56,5 | 60,1 | 62 | 72,9 |
| N | 52,7 | 52,7 | 58,5 | 60,2 | 81 | 81 | 86 | 92 |
| O | 16,5 | 16,5 | 19,3 | 19,3 | 24,8 | 24,8 | 24,3 | 29,5 |
| P | 32,7 | 32,7 | 38,5 | 40,2 | 51 | 51 | 56 | 62 |
| Q | 37,7 | 37,7 | 44,8 | 46,8 | 56,5 | 60,1 | 62 | 72,9 |
| R | 14,5 | 14,5 | 16,2 | 18 | 20,2 | 22,5 | 25,5 | 29 |
| S | 20 | 20 | 20 | 20 | 30 | 30 | 30 | 30 |
| T | 70,4 | 70,4 | 83,3 | 87 | 107,5 | 111,1 | 118 | 134,9 |
| U | 129,4 | 129,4 | 152,1 | 169,3 | 196,8 | 204,8 | 237 | 260,2 |
| V | 180 | 180 | 180 | 180 | 220 | 220 | 300 | 300 |
| W (Gas) | 1/8" | 1/8" | 1/8" | 1/8" | 1/8" | 1/8" | 1/8" | 1/4" |
| X | 4 | 4 | 4 | 4 | 4 | 4 | 4 | - |
| Y | 137,6 | 137,6 | 154,8 | 163,9 | 183,5 | 199,1 | 220,8 | 236,4 |
| Z | 263,3 | 263,3 | 279,3 | 288,4 | 338,1 | 353,7 | 398 | 440,6 |
| Ch | 13 | 13 | 17 | 17 | 22 | 22 | 22 | 27 |
| N° de revoluciones* | 11 | 11 | 13 | 14 | 16 | 18 | 15 | 16 |
| Peso (Kg) | 3,2 | 3,2 | 4,5 | 5,3 | 6,8 | 9 | 11,7 | 15,2 |
| Aire (dm3/ciclo) | 0,17 | 0,17 | 0,3 | 0,33 | 0,55 | 0,8 | 1 | 1,5 |
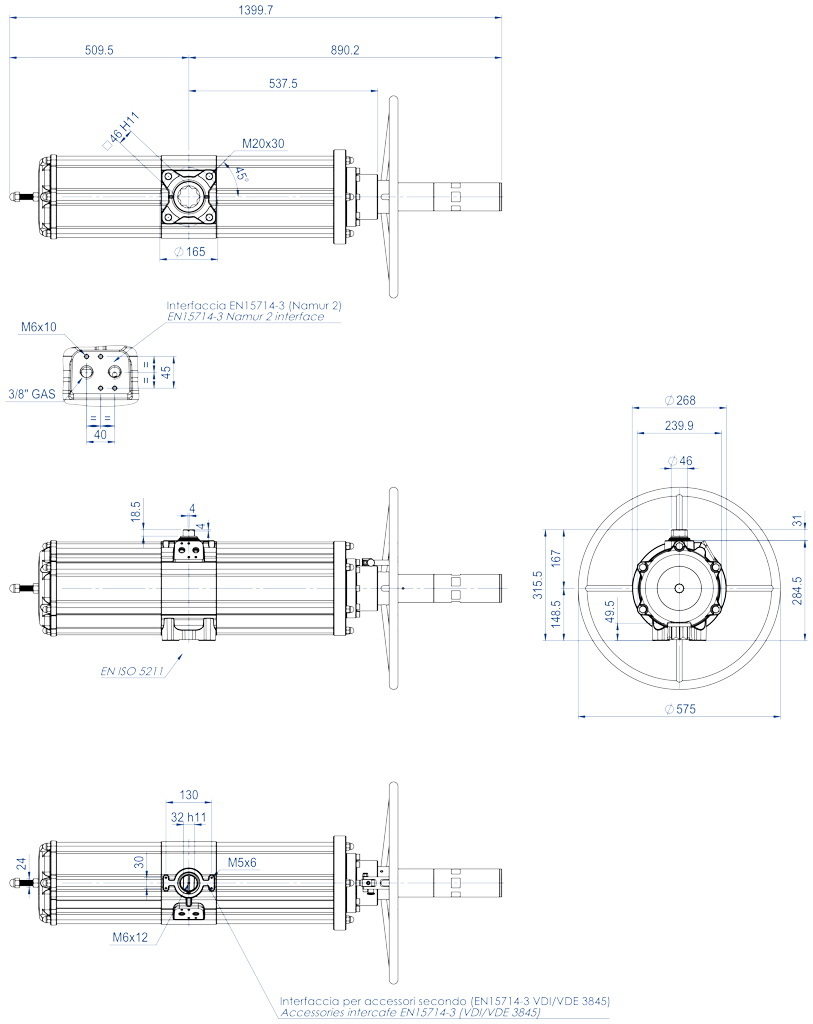
| FICHA TÉCNICA SRNV 360 ÷ SRNV 960 | |||||||
| Código | SRNV0360401S | SRNV0480401S | SRNV0480402S | SRNV0720401S | SRNV0720402S | SRNV0960401S | SRNV0960402S |
| Kit juntas | KGGI0023VX | KGGI0024VX | KGGI0024VX | KGGI0025VX | KGGI0025VX | KGGI0026VX | KGGI0026VX |
| Medida | SRNV 360 | SRNV 480 | SRNV 480 | SRNV 720 | SRNV 720 | SRNV 960 | SRNV 960 |
| ISO | F10/F12 | F10/F12 | F14 | F14 | F12 | F14 | F12/F16 |
| A | 810,1 | 842,4 | 842,4 | 1035,4 | 1035,4 | 1067,7 | 1067,7 |
| B | 27 | 36 | 36 | 36 | 36 | 46 | 46 |
| C x fondo | M10x15 | M10x15 | M16x24 | M16x24 | M12x18 | M16x24 | M12x18 |
| D x fondo | M12x18 | M12x18 | - | - | - | - | M20x30 |
| E | 102 | 102 | 140 | 140 | 125 | 140 | 125 |
| F | 125 | 125 | - | - | - | - | 165 |
| G | 19,5 | 19,5 | 19,5 | 19,5 | 19,5 | 18,5 | 18,5 |
| H | 61,5 | 78 | 78 | 86,5 | 86,5 | 99,2 | 99,2 |
| J | 16 | 16 | 16 | 16 | 16 | 16 | 16 |
| K | 16 | 16 | 16 | 16 | 16 | 16 | 16 |
| I | 22 | 24 | 24 | 27 | 27 | 32 | 32 |
| L | 178 | 198 | 198 | 216 | 216 | 237,7 | 237,7 |
| M | 78,5 | 93,5 | 93,5 | 101,5 | 101,5 | 114,7 | 114,7 |
| N | 99,5 | 104,5 | 104,5 | 114,5 | 114,5 | 123 | 123 |
| O | 29,5 | 38,5 | 38,5 | 38,5 | 38,5 | 48,5 | 48,5 |
| P | 69,5 | 74,5 | 74,5 | 84,5 | 84,5 | 93 | 93 |
| Q | 78,5 | 93,5 | 93,5 | 101,5 | 101,5 | 114,7 | 114,7 |
| R | 31,8 | 36,5 | 36,5 | 41 | 41 | 46 | 46 |
| S | 30 | 30 | 30 | 30 | 30 | 30 | 30 |
| T | 148 | 168 | 168 | 186 | 186 | 207,7 | 207,7 |
| U | 306,6 | 324,1 | 324,1 | 399 | 399 | 414 | 414 |
| V | 350 | 350 | 350 | 400 | 400 | 400 | 400 |
| W (Gas) | 1/4" | 1/4" | 1/4" | 1/4" | 1/4" | 1/4" | 1/4" |
| X | - | - | - | - | - | - | - |
| Y | 282,3 | 297,1 | 297,1 | 365,6 | 365,6 | 382,9 | 382,9 |
| Z | 503,5 | 518,3 | 518,3 | 636,4 | 636,4 | 653,7 | 653,7 |
| Ch | 27 | 27 | 27 | 36 | 36 | 36 | 36 |
| N° de revoluciones* | 19 | 20 | 20 | 25 | 25 | 26 | 26 |
| Peso (Kg) | 19,5 | 28,1 | 28,1 | 38,8 | 38,8 | 50,6 | 50,6 |
| Aire (dm3/ciclo) | 2 | 2,8 | 2,8 | 4,2 | 4,2 | 5,9 | 5,9 |
| FICHA TÉCNICA SRNV 1920 | |
| Código | SRNV1920E1608A |
| Kit juntas | KGGI0230VX |
| Tamaño | SRNV 1920 |
| ISO | F16 |
| N° de revoluciones* | 30 |
| Peso (Kg) | 91 |
| Aire (dm3/ciclo) | 12,5 |
| MATERIALES HASTA SRNV960 | |||
| Pos | Denominación | Cant. | Material |
| 1 | Tornillos | 1 | Acero inoxidable |
| 2* | Rondelles pour paliers à roulements | 4 | Aleación de acero |
| 3* | Rodamientos de rodillos | 2 | Aleación de acero |
| 4 | Brida | 1 | Aleación de aluminio |
| 5 | Anillo de Centrado (Solo para SRNV360) | 1 | Aleación de aluminio |
| 6* | Junta tórica (Solo para SRNV360) | 1 | Goma de nitrilo |
| 7* | Junta tórica | 2 | Goma de nitrilo |
| 8* | Junta tórica | 1 | Goma de nitrilo |
| 9* | Junta tórica | 1 | Goma de nitrilo |
| 10* | Junta tórica | 1 | Goma de nitrilo |
| 11 | Tornillos | 1 | Acero inoxidable |
| 12 | Muelle Spring | 1 | Acero inoxidable |
| 13 | Cilindro distanciador | 1 | Aleación de aluminio |
| 14* | Junta tórica | 1 | Goma de nitrilo |
| 15* | Tapón junta | 1 | Latón+Goma nitrílica |
| 16 | Tapón (modificado) | 1 | Aleación de aluminio |
| 17 | Tornillos | 4 | Acero inoxidable |
| 18* | Junta tórica | 1 | Goma de nitrilo |
| 19 | Volante de maniobra | 1 | Aleación de acero |
| 20 | Clavija | 2 | Acero inoxidable |
| 21 | Tubo de protección | 1 | Aleación de aluminio |
| 22 | Tubo transparente | 1 | PVC |
| 23 | Tapón de protección | 1 | Aleación de aluminio |
| 24 | Llave | 1 | Aleación de acero |
| 25 | Muelle | 2 | Aleación de acero |
| 26* | Remache | 1 | Aleación de acero |
| 27* | Indicador | 1 | Polipropileno |
| 28 | Rosca de maniobra | 1 | Aleación de acero |
| 29 | Casquillo roscado (Solo para SRNV240) | 2 | Acero inoxidable |
| 30 | Contenedor del muelle especial | 1 | Aleación de aluminio |
| 31 | Clavija | 1 | Aleación de acero |
| 32 | Tornillo de maniobra | 1 | Aleación de acero |
| 33* | Anillo de estanqueidad (Pistón) | 2 | Poliuretano |
| 34* | Junta tórica del pistón | 2 | Goma de nitrilo |
| 35 | Pistón (modificado) | 1 | Aleación de aluminio |
| 36* | Disco de soporte | 4 | P.T.F.E. carbo-graphite filled |
| 37 | Brújula | 2 | Aleación de acero |
| 38 | Perno Giratorio sleeve | 2 | Aleación de acero |
| 39* | Junta | 2 | Aleación de acero+Goma nitrílica |
| 40 | Tornillos | 2 | Acero inoxidable |
| 41 | Horquilla | 1 | Aleación de acero |
| 42 | Soporte eje | 1 | Resina acetálica |
| 43 | Pasador elástico externo | 1 | Aleación de acero |
| 44 | Pasador elástico interno | 1 | Aleación de acero |
| 45 | Eje | 1 | Acero inoxidable |
| 46 | Brújula de deslizamiento | 1 | Resina acetálica |
| 47 | Junta tórica del eje inferior | 1 | FKM |
| 48 | Cilindro | 1 | Aleación de aluminio |
| 49 | Junta tórica del eje superior | 1 | FKM |
| 50 | Anillo de soporte externo | 1 | Resina acetálica |
| 51 | Arandela | 1 | Acero inoxidable |
| 52 | Anillo de retención | 1 | Acero inoxidable |
| 53 | Pistón (Estándar) | 1 | Aleación de aluminio |
| 54 | Tornillo pre-carga del muelle | 1 | Acero inoxidable |
| 55 | Contenedor muelle (Estándar) | 1 | Aleación de acero o Aleación de aluminio |
| 56* | Junta tórica del tapón | 1 | Goma de nitrilo |
| 57 | Tapón (Estándar) | 1 | Aleación de aluminio |
| 58 | Tornillos | 4 | Acero inoxidable |
| 59* | Junta tórica | 1 | Goma de nitrilo |
| 60 | Tuerca | 1 | Aleación de aluminio |
| 61 | Aplicación para junta tórica (Solo para SRNV53-120-180-360) | 1 | Acero inoxidable |
| *Detalles del kit de repuesto | |||
| MATERIALES SRNV1920 | |||
| Pos | Denominación | Cant. | Material |
| 1 | Cilindro | 1 | Aleación de aluminio |
| 2 | Cilindro | 1 | Aleación de aluminio |
| 3 | Cilindro | 1 | Aleación de aluminio |
| 4 | Tapón (Estándar) | 1 | Aleación de aluminio |
| 5 | Soporto interno muelle | 1 | Aleación de aluminio |
| 6 | Soporto externo muelle | 1 | Aleación de aluminio |
| 7 | Tornillo de pre-carga del muelle | 1 | Acero inoxidable |
| 8* | Junta tórica | 1 | Goma de nitrilo |
| 9 | Tuerca de casquete | 1 | Acero inoxidable |
| 10 | Junta tórica | 1 | Goma de nitrilo |
| 11 | Junta tórica | 1 | Goma de nitrilo |
| 12 | Tuerca | 1 | Acero inoxidable |
| 13 | Muelle externo | 2 | Aleación de acero |
| 14 | Muelle interno | 2 | Aleación de acero |
| 15 | Pistón (Estándar) | 1 | Aleación de aluminio |
| 16 | Brújula | 2 | Aleación de acero |
| 17* | Disco de soporte | 4 | Resina acetálica |
| 18 | Clavija | 2 | Aleación de acero |
| 19 | Perno | 2 | Aleación de acero |
| 20 | Horquilla | 1 | Aleación de acero |
| 21 | Eje | 1 | Acero inoxidable |
| 22 | Brújula de deslizamiento | 1 | Resina acetálica |
| 23 | Soporte eje | 1 | Resina acetálica |
| 24* | Junta tórica del tapón | 1 | Goma de nitrilo |
| 25* | Casquillo (eje inferior) | 1 | P.T.F.E. carbo-graphite filled |
| 26* | Casquillo (eje superior) | 1 | P.T.F.E. carbo-graphite filled |
| 27* | Anillo de soporte externo | 1 | Resina acetálica |
| 28 | Arandela | 1 | Acero inoxidable |
| 29* | Junta tórica | 3 | Goma de nitrilo |
| 30 | Anillo de retención | 1 | Acero inoxidable |
| 31 | Tornillos | 6 | Acero inoxidable |
| 32* | Junta tórica del eje inferior | 1 | FKM |
| 33* | Junta tórica del pistón | 2 | Goma de nitrilo |
| 34* | Junta tórica del eje superior | 1 | FKM |
| 35* | Junta tórica | 2 | Goma de nitrilo |
| 36* | Anillo de guía | 2 | P.T.F.E. Lleno Carbografito |
| 37 | Tuerca | 12 | Acero inoxidable |
| 38 | Pistón (modificado) | 1 | Aleación de aluminio |
| 39* | Rodamiento (Volante) | 2 | Poliuretano |
| 40 | Tapón (modificado) | 1 | Aleación de aluminio |
| 41 | Rosca de maniobra | 1 | Aleación de acero |
| 42* | Indicador | 1 | Polipropileno |
| 43 | Volante de maniobra | 1 | Aleación de acero |
| 44 | Brida | 1 | Aleación de aluminio |
| 45* | Rodamiento | 2 | Aleación de acero |
| 46 | Tornillos | 8 | Acero inoxidable |
| 47 | Tornillos | 1 | Acero inoxidable |
| 48 | Arandela | 1 | Acero inoxidable |
| 49 | Cierre horquilla | 1 | Aleación de aluminio |
| 50 | Soporte horquilla | 1 | Aleación de aluminio |
| 51 | Bloqueo | 1 | Acero inoxidable |
| 52 | Tapón de protección | 1 | Aleación de aluminio |
| 53 | Tornillos | 3 | Acero inoxidable |
| 54* | Remache | 1 | Acero inoxidable |
| 55 | Llave | 1 | Acero inoxidable |
| 56 | Tornillos | 6 | Aleación de acero |
| 57* | Junta tórica | 1 | Goma de nitrilo |
| 58* | Junta tórica | 1 | Goma de nitrilo |
| 59* | Junta tórica | 1 | Goma de nitrilo |
| 60 | Tornillos | 2 | Acero inoxidable |
| 61* | Junta | 2 | Aleación de acero+Goma nitrílica |
| 62* | Junta tórica | 1 | Goma de nitrilo |
| 63* | Junta tórica | 1 | Goma de nitrilo |
| 64* | Tapón | 2 | P.T.F.E |
| 65 | Tuerca | 1 | Acero inoxidable |
| 66 | Tornillo de maniobra | 1 | Acero inoxidable |
| 67 | Tubo de protección extraíble | 1 | Aleación de aluminio |
| 68 | Clavija | 1 | Acero inoxidable |
| 69 | Contenedor del muelle especia | 1 | Alliage d'acier |
| 70* | Junta tórica | 1 | Goma de nitrilo |
| 71* | Junta tórica | 1 | Goma de nitrilo |
| 72 | Tornillos | 1 | Acero inoxidable |
| 73 | Tornillo de seguridad | 1 | Acero inoxidable |
| 74 | Tubo de protección | 1 | Aleación de aluminio |
| * Detalles del kit de repuesto | |||