images/testate/6gJZ09_Template-Header-Sito-OMAL2560x768-AGO-ok.jpg

AGO HANDWHEEL - SR Volan entegreli

  • avantajları
  • özellikleri
  • boyutlar
  • malzemeler
  • özellikler
  • aksesuarlar
  • belgeler

1.Kendinden yağlamalı, enerjili sızdırmaz ve kayan bantlar
Piston ve silindir arasında daha az sürtünme
Conta uzun süre durduktan sonra bile silindire yapışması önlenir.

2.50 HRC'den büyük çelik sertliği olan yuvalar, burçlar ve soketler
 
 
Aktüatör içindeki mevcut kuvvetlere daha fazla mukavemet

3.Yiv ve piston arasındaki yuvarlanma sürtünmesi

Daha az sürtünme

4.Yuvarlanma sürtünmeli iskoç boyunduruğu (doğrusal hareketin bir piston ve dişlisiz mil vasıtasıyla döner harekete dönüşümü).

Piston ile mil arasında daha az sürtünme, parçalarda daha az aşınma
Açma ve kapama sırasında artan dönme momenti
Pinyon ve kremayer aktüatörlere nazaran daha küçük boyutlarda, dolayısıyla daha az alan gerektirir
Pinyon ve kremayer aktüatörlere nazaran daha az ağırlıkta (-30% Kg/Nm) ve bunun sonucunda tesisat yapımında tasarruf
Kompresörde daha düşük çalışma yükü veya kompresörün küçültülen boyutlarda kullanılması olasılığıyla pinyon ve kremayer aktüatörlere nazaran daha az hava tüketimi (% -40 hava cm3/Nm çift etkili ve %-20 hava cm3/Nm tek etkili)

5.Haddelenmiş silindir

Düşük yüzey pürüzlülüğü sayesinde enerjili bantlarda daha az aşınma

6. Stainless Steel shaft
Higher corrosion resistance

DAN15 ile entegre NAMUR solenoit vana arayüzü

İlave taban plakası gerektirmez

Üretim süreci tümüyle OMAL’de gerçekleşmektedir

Tüm işlem aşamalarında maksimum kontrol

ATEX
Sertifikası
Potansiyel olarak patlayıcı ortamlarda montaja olanak sağlar

SIL 3'e kadar sertifikalı

Yüksek düzeyde işlevsel güvenlik garantisi

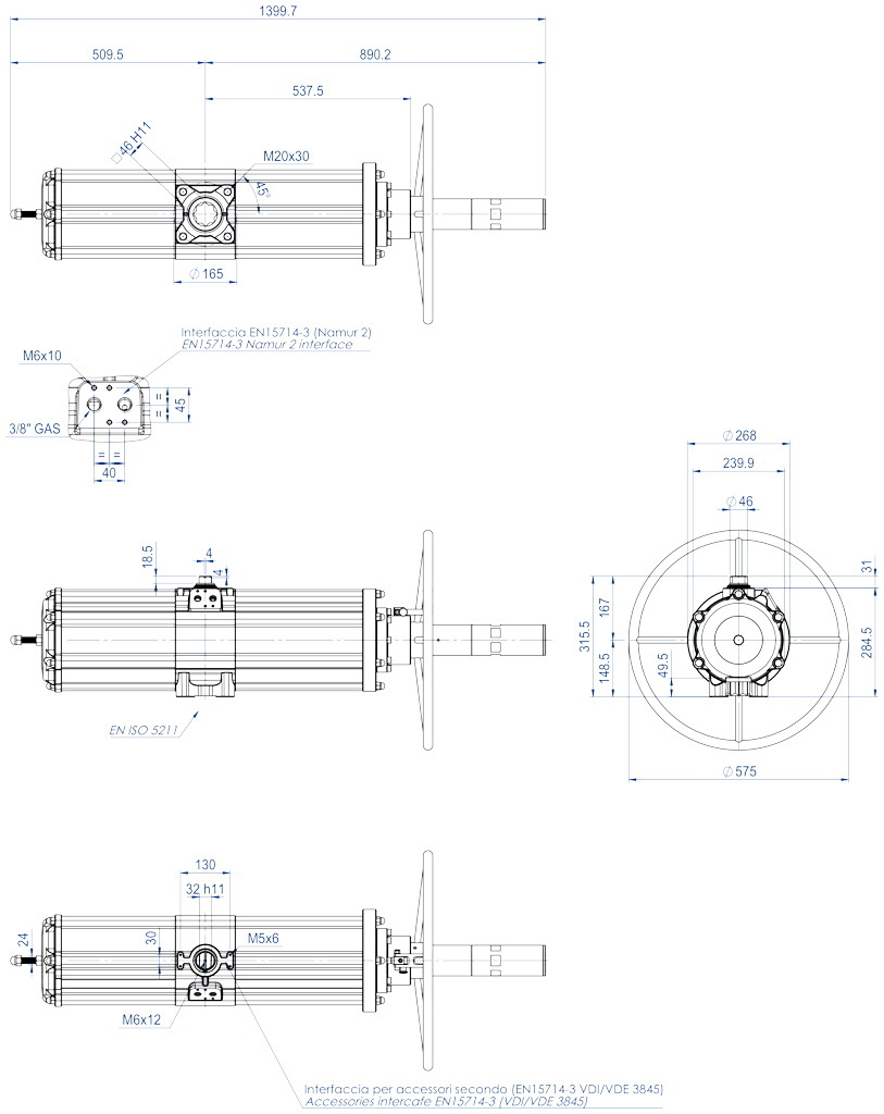
TEKNİK BİLGİLER
30 Nm ile 1920 Nm arasında moment.
Bağlantı flanşı: EN ISO 5211
F05 - F07 - F10 - F12 - F14 - F16.
EN 15714-3 standardına uygun
Dönme açısı: 92° (-1°, +91°)
Dönme momenti: Dönüş momenti sadece yayın hareketine bağlıdır ve besleme basıncından bağımsızdır. 4 farklı yay ayarı vardır;  tabloya bakınız.
Yaylar vasıtasıyla otomatik kapanma saat yönünde gerçekleşir
Her aktüatörde SRNV kısaltmasını takip eden simge 5.6 bar basınçta Nm cinsinden başlangıç torkunun değerine karşılık gelir.
2014/34 / EU direktifine uygun ATEX versiyonu. ATEX versiyonu için kodun sonuna YX ekleyin.

ÇALIŞMA KOŞULLARI

Sıcaklık:  0°C ile +80°C arası; kuru hava olması durumunda -20°C ile +80°C arası.
(Özel versiyonlar: Yüksek sıcaklık: -20 ° C ila +150 ° C; düşük sıcaklık: -50°C +60°C)
Nominal basınç: 5,6 bar; Maksimum çalışma 8.4 bar.
Besleme sıvısı: kuru olarak filtrelenmiş basınçlı hava kesinlikle yağlanmaz.
Yağlama durumunda, deterjan içermeyen veya NBR uyumlu yağ kullanınız.

Gerekirse, çeyrek tur yapabilen pnömatik aktüatörümüz manuel işlemle donatılabilir.
Cihaz, hem Çift etkili versiyona hem de Tek Etkili versiyona entegre edilebilir.
Sistemin düzgün çalışması ve cihazın mekanik sağlamlığı için, manüel çalıştırma düzeneğini kullanma yoluyla herhangi bir işlem yapmadan önce, pnömatik aktüatörün basınçlı hava besleme hatlarından çıkarılmasının sağlanması önem arz etmektedir.
Manüel işlem cihazı, pnömatik aktüatörün birincil mekanik şanzımanı üzerinde ekilidir ve EN 12570 standardına uygun el çarkına uygulanan dönme momentleri varken, aktüatörün kendisinin nominal dönme momenti ile aynı değerde çıkış momentleri üretir.

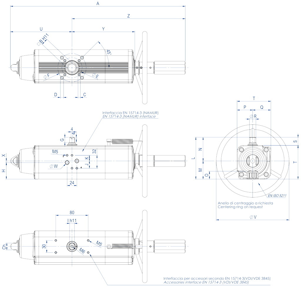
SRNV 30 ÷ SRNV 960

TEKNİK BİLGİ FORMU SRNV 30 ÷ SRNV 240
Kod
SRNV0030401SSRNV0030402SSRNV0053401SSRNV0060401SSRNV0090401SSRNV0120401SSRNV0180401SSRNV0240401S
Conta kiti
KGGI0016VXKGGI0016VXKGGI0060VXKGGI0018VXKGGI0019VXKGGI0020VXKGGI0021VXKGGI0022VX
Ölçü
SRNV 30SRNV 30SRNV 53SRNV 60SRNV 90SRNV 120SRNV 180SRNV 240
ISOF04F05/F07F05/F07F05/F07F07/F10F07/F10F07/F10F10/F12
A392,7392,7431,4457,7534,9558,5635700,8
B1414171722222227
C x derinlikM5x8M6x9M6x9M6x9M8x12M8x12M8x12M10x15
D x derinlik-M8x12M8x12M8x12M10x15M10x15M10x15M12x18
E42505050707070102
F-707070102102102125
G1313131316171919
H33,733,740,842,852,556,15857,4
J1818181818181816
K1414141414141416
I1010121215151919
L90,490,4103,3107137,5141,1148164,9
M37,737,744,846,856,560,16272,9
N52,752,758,560,281818692
O16,516,519,319,324,824,824,329,5
P32,732,738,540,251515662
Q37,737,744,846,856,560,16272,9
R14,514,516,21820,222,525,529
S2020202030303030
T70,470,483,387107,5111,1118134,9
U129,4129,4152,1169,3196,8204,8237260,2
V180180180180220220300300
W (Gaz)1/8"1/8"1/8"1/8"1/8"1/8"1/8"1/4"
X4444444-
Y137,6137,6154,8163,9183,5199,1220,8236,4
Z263,3263,3279,3288,4338,1353,7398440,6
Ch1313171722222227
Devir sayısı* 1111131416181516
Ağırlık (Kg)3,23,24,55,36,8911,715,2
Hava (dm3/devir)0,170,170,30,330,550,811,5

* Doğal pozisyondan başlayarak kapa./açma. Amaçlı teorik devir sayısı

TEKNİK BİLGİ FORMU SRNV 360 ÷ SRNV 960
Kod
SRNV0360401SSRNV0480401SSRNV0480402SSRNV0720401SSRNV0720402SSRNV0960401SSRNV0960402S
Conta kiti
KGGI0023VXKGGI0024VXKGGI0024VXKGGI0025VXKGGI0025VXKGGI0026VXKGGI0026VX
Ölçü
SRNV 360SRNV 480SRNV 480SRNV 720SRNV 720SRNV 960SRNV 960
ISOF10/F12F10/F12F14F14F12F14F12/F16
A810,1842,4842,41035,41035,41067,71067,7
B27363636364646
C x derinlikM10x15M10x15M16x24M16x24M12x18M16x24M12x18
D x derinlikM12x18M12x18----M20x30
E102102140140125140125
F125125----165
G19,519,519,519,519,518,518,5
H61,5787886,586,599,299,2
J16161616161616
K16161616161616
I22242427273232
L178198198216216237,7237,7
M78,593,593,5101,5101,5114,7114,7
N99,5104,5104,5114,5114,5123123
O29,538,538,538,538,548,548,5
P69,574,574,584,584,59393
Q78,593,593,5101,5101,5114,7114,7
R31,836,536,541414646
S30303030303030
T148168168186186207,7207,7
U306,6324,1324,1399399414414
V350350350400400400400
W (Gaz)1/4"1/4"1/4"1/4"1/4"1/4"1/4"
X-------
Y282,3297,1297,1365,6365,6382,9382,9
Z503,5518,3518,3636,4636,4653,7653,7
Ch27272736363636
Devir sayısı*  19202025252626
Ağırlık (Kg)19,528,128,138,838,850,650,6
Hava (dm3/devir)
22,82,84,24,25,95,9

* Doğal pozisyondan başlayarak kapa./açma. Amaçlı teorik devir sayısı

SRNV 1920

TEKNİK BİLGİ FORMU SRNV 1920
Kod
SRNV1920E1608A
Conta kiti
KGGI0230VX
BoyutSRNV 1920
ISOF16
Devir sayısı*
30
Ağırlık  (Kg)
91
Hava (dm3/devir)
12,5

* Doğal pozisyondan başlayarak kapa./açma. Amaçlı teorik devir sayısı

ENTEGRE MANÜEL KONTROLLÜ TEK ETKİLİ PNÖMATİK AKTÜATÖR BİLEŞENLERİ - ÖLÇÜ SRNV960' A KADAR

SRNV960’ A KADAR MALZEMELER
PozAdı:Q.Malzeme
1Vida
1Paslanmaz çelik
2*Makaralı rulman rondelaları
4Çelik alaşımı
3*Makaralı rulmanlar
2Çelik alaşımı
4Flanş
1Alüminyum alaşımı
5Merkezleme halkası (Sadece SRNV360 için)
1Alüminyum alaşımı
6*O'ring ( Sadece SRNV360 için)
1Nitril kauçuk
7*O'ring2Nitril kauçuk
8*O'ring1Nitril kauçuk
9*O'ring1Nitril kauçuk
10*O'ring1Nitril kauçuk
11Vida
1Paslanmaz çelik
12Yay Spring
1Paslanmaz çelik
13Ara silindir parçası
1Alüminyum alaşımı
14*O'ring1Nitril kauçuk
15*Sızdırmazlık tapası
1Pirinç+Nitril kauçuk
16Tapa (değiştirilmiş)
1Alüminyum alaşımı
17Vida
4Paslanmaz çelik
18*O'ring1Nitril kauçuk
19Manevra el çarkı
1Çelik alaşımı
20Pim
2Paslanmaz çelik
21Koruyucu boru
1Alüminyum alaşımı
22Şeffaf boru
1PVC
23Koruyucu tapa
1Alüminyum alaşımı
24Anahtarlar
1Çelik alaşımı
25Yay
2Çelik alaşımı
26*Perçin
1Çelik alaşımı
27*Gösterge
1Polipropilen
28Manevra sonsuz vidası
1Çelik alaşımı
29Dişli burç (Sadece SRNV240 için)
2Paslanmaz çelik
30Özel yay muhafazası
1Alüminyum alaşımı
31Soket
1Çelik alaşımı
32Manevra vidası
1Çelik alaşımı
33*sızdırmazlık halkası (piston)
2Poliüretan
34*Piston o’ringi
2Nitril kauçuk
35Piston (değiştirilmiş)
1Alüminyum alaşımı
36*Destek diski4P.T.F.E. carbo-graphite filled
37Ara burcu2Çelik alaşımı
38Kol döner pimi2Çelik alaşımı
39*Conta2Alaşım Çelik+Nitril kauçuk
40Vida2Paslanmaz çelik
41Çatal1Çelik alaşımı
42Mil desteği1Asetal reçine
43Dış elastik soket1Çelik alaşımı
44İç elastik soket1Çelik alaşımı
45Mil1Paslanmaz çelik
46Kaydırma burcu1Asetal reçine
47Alt mil o-ringi
1FKM
48Silindir Cylinder1Alüminyum alaşımı
49Üst mil o-ringi1FKM
50Dış destek halkası1Asetal reçine
51Rondela1Paslanmaz çelik
52Seeger1Paslanmaz çelik
53Piston (Standart)
1Alüminyum alaşımı
54Yay takılı vida1Paslanmaz çelik
55Yay muhafazası (Standart)
1Çelik alaşımı veya alüminyum alaşımı
56*Tapa o-ringi1Nitril kauçuk
57Tapa (standart)1Alüminyum alaşımı
58Vida4Paslanmaz çelik
59*O'ring1Nitril kauçuk
60Somun1Alüminyum alaşımı
61O'ring için ek parça (Sadece SRNV53-120-180-360 için)
1Paslanmaz çelik
*Yedek parça kitinin detayları.

ENTEGRE MANÜEL KONTROLLÜ TEK ETKİLİ PNÖMATİK AKTÜATÖR BİLEŞENLERİ - ÖLÇÜ SRNV1920

SRNV1920 MALZEMELERİ
PozAdı:Q.tyMalzeme
1Silindir
1Alüminyum alaşımı
2Silindir
1Alüminyum alaşımı
3Silindir
1Alüminyum alaşımı
4Tapa (Standart)
1Alüminyum alaşımı
5Yay iç desteği1Alüminyum alaşımı
6Yay dış desteği1Alüminyum alaşımı
7Yay takılı vida
1Paslanmaz çelik
8*O'ring
1Nitril kauçuk
9Başlık somunu
1Paslanmaz çelik
10O'ring
1Nitril kauçuk
11O'ring
1Nitril kauçuk
12Somun
1Paslanmaz çelik
13Dış yay
2Çelik alaşımı
14İç yay2Çelik alaşımı
15Piston (Standart)
1Alüminyum alaşımı
16Ara burcu2Çelik alaşımı
17*Destel diski4Asetal reçine
18Soket2Çelik alaşımı
19Pim2Çelik alaşımı
20Çatal1Çelik alaşımı
21Mil1Paslanmaz çelik
22Kaydırma burcu1Asetal reçine
23Mil desteği
1Asetal reçine
24*Tapa o-ringi
1Nitril kauçuk
25*Burç (alt mil)
1P.T.F.E. carbo-graphite filled
26*Burç (üst mil)
1P.T.F.E. carbo-graphite filled
27*Dış destek halkası
1Asetal reçine
28Rondela
1Paslanmaz çelik
29*O'ring
3Nitril kauçuk
30Seeger
1Paslanmaz çelik
31Vida6Paslanmaz çelik
32*Alt mil o-ringi
1FKM
33*Piston o’ringi
2Nitril kauçuk
34*Üst mil o-ringi
1FKM
35*O'ring
2Nitril kauçuk
36*Kılavuz halka
2P.T.F.E. Karbon grafit dolgulu
37Somun
12Paslanmaz çelik
38Piston (değiştirilmiş)
1Alüminyum alaşımı
39*Rulman (El çarkı)
2Poliüretan
40Tapa (değiştirilmiş) Cap (modified)
1Alüminyum alaşımı
41Manevra sonsuz vidası
1Çelik alaşımı
42*Gösterge Indicator
1Polipropilen
43Manevra el çarkı
1Çelik alaşımı
44Flanş
1Alüminyum alaşımı
45*Rulman
2Çelik alaşımı
46Vida
8Paslanmaz çelik
47Vida
1Paslanmaz çelik
48Rondela
1Paslanmaz çelik
49Çatal kapatma
1Alüminyum alaşımı
50Çatal destek
1Alüminyum alaşımı
51Asma kilit
1Paslanmaz çelik
52Koruyucu tapa
1Alüminyum alaşımı
53Vida3Paslanmaz çelik
54*Perçin
1Paslanmaz çelik
55Anahtarlar
1Paslanmaz çelik
56Vida
6Çelik alaşımı
57*O'ring
1Nitril kauçuk
58*O'ring
1Nitril kauçuk
59*O'ring
1Nitril kauçuk
60Vida
2Paslanmaz çelik
61*Conta
2Alaşım Çelik+Nitril kauçuk
62*O'ring
1Nitril kauçuk
63*O'ring
1Nitril kauçuk
64*Tapa
2P.T.F.E
65Somun
1Paslanmaz çelik
66Manevra vidası
1Paslanmaz çelik
67Çıkarılabilir koruyucu boru
1Alüminyum alaşımı
68Soket
1Paslanmaz çelik
69Özel yay muhafazası
1Çelik alaşımı
70*O'ring
1Nitril kauçuk
71*O'ring
1Nitril kauçuk
72Vida
1Paslanmaz çelik
73Emniyet vidası
1Paslanmaz çelik
74Koruyucu boru
1Alüminyum alaşımı
* Yedek parça kitinin detayları.

Entegre manüel kontrole sahip aktüatör çalışma şeması

LİMİT SVİÇLİ SİNYAL KUTUSU

MANÜEL KİLİT AÇMA İŞLEMCİSİ

SOLENOİT VANA NAMUR

SOLENOİT VANA

ELEKTROPNÖMATİK KONUMLANDIRICI (İNTRENSEK EMNİYET)

PNÖMATİK KONUMLANDIRICI

YAKINLIK LİMİT ANAHTARI

ELEKTROMEKANİK LİMİT ANAHTARI

PNÖMATİK LİMİT ANAHTARI

PATLAMAYA KARŞI SINIRLAYICI LİMİT ANAHTARI II2GD ExdIIC

SEÇİN BOYUT
Arama parametrelerini seçin
MAKALE ARAYIN
X KAPAT

GELECEK ETKİNLİK

IVS - Industrial Valve Summit 2026
IVS - Industrial Valve Summit 2026
Bergamo, Italy, 19 - 21 may 2026