images/testate/6gJZ09_Template-Header-Sito-OMAL2560x768-AGO-ok.jpg

AGO HANDWHEEL - SR with integrated handwheel

  • benefits
  • features
  • dimensions
  • materials
  • specifications
  • accessories
  • documents

1.Energized and self-lubricated strips
Less friction between piston and cylinder
It prevents the bonding of the seal to the cylinder even after long periods of inactivity

2.Slots, bushes and pins made by steel with hardness higher than 50 HRC
Higher resistance to the forces inside the actuator

3.Rolling friction between piston and slot
Less friction

4.Scotch yoke with rolling friction (transforming rotary motion into linear motion using piston and shaft without teeths/gears)
Reduced friction between piston and shaft with consequently less wear on the relevant parts
Empowered Breakaway Torque (BTO & BTC)
Smaller volume/size than rack and pinion actuators (with the same torque) therefore less space required for installation
Less weight than the rack and pinion (-30% kg / Nm), with consequent savings on the construction sizing of the plant/equipment
Lower air consumption compared to the rack and pinion actuators (-40% air cm3/Nm for Double Acting and -20% air cm3/Nm for Spring Return) therefore less load on the compressor or the possibility of using a smaller compressor's size.

5.Rolled cylinder

Less wear of the energized ties thanks to the low roughness of the surface

6. Stainless Steel shaft
Higher corrosion resistance

From sizes bigger than DAN15, NAMUR interface for solenoid valve is already integrated.
No need for extra plate.

100% in- house manufacturing process technology
Maximum control and accuracy in all the stages of the manufacturing process

ATEX Certificate
Installation is allowed in a potential explosive environment

Up to SIL 3 Certified
Guarantee of the high level of functional safety.

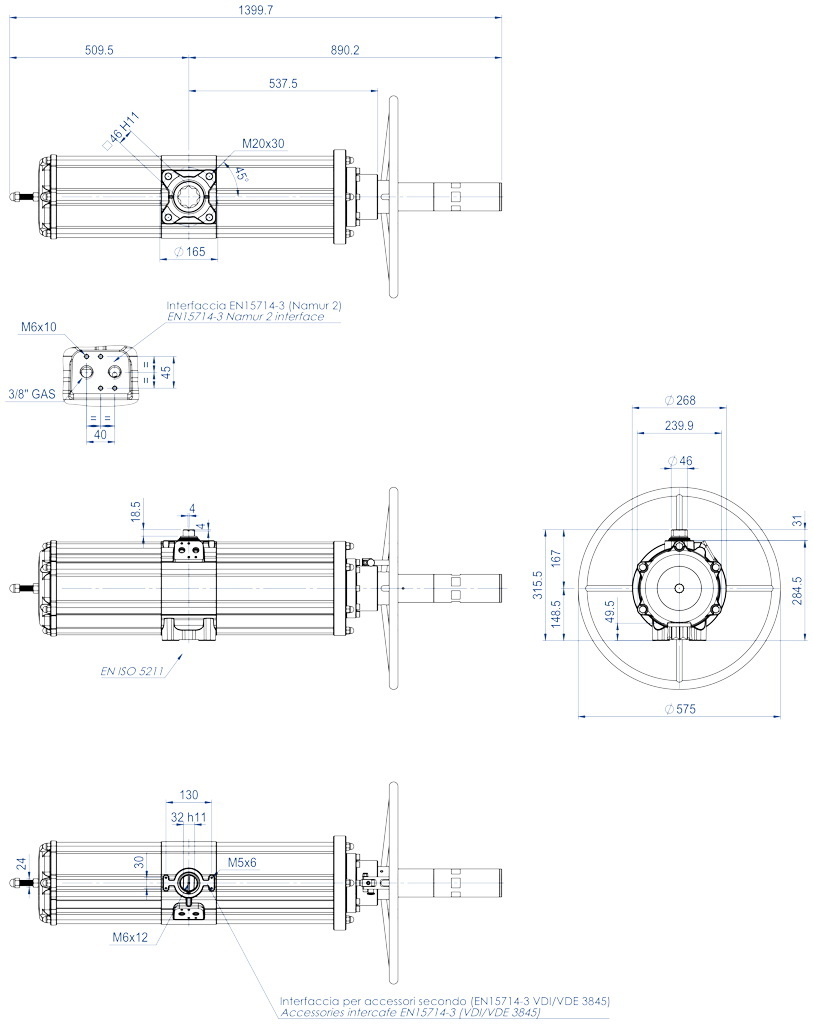
TECHNICAL FEATURES
Torque from 30 Nm to 1920 Nm.
Mounting flange according to EN ISO 5211
F05 - F07 - F10 - F12 - F14 - F16.
In compliance with EN 15714-3
Rotation angle: 92° (-1°, +91°)
Torque: the return torque depends on spring action only notwithstanding the air supply. The spring is provided in four different sizes (see table).
The code numbers after the letters SRNV, always correspond to the breakaway torque in Nm by 5,6 bar air supply.
The actuator automatic closing takes place in clockwise direction by means of its springs. ATEX version in conformity with directive 2014/34/EU. Please add YX at the end of the code for ATEX version.

WORKING CONDITION
Temperature: from -20°C to +80°C. (Special versions: high temperature: -20°C +150°C; low temperature: -50°C +60°)
Air supply: 5,6 bar; maximum 8,4 bar.
Actuating media: filtered dry compressed air, not necessarily lubricated.
In case of lubricated air, either non detergent oil, NBR compatible oil, must be used.

Once required the quarter turn pneumatic actuator can be equipped with a manual
handwheel.
The device can be integrated either in Double Acting and Spring Return versions. For the proper functioning of the system and for the mechanical integrity of the device is essential to ensure that the pneumatic actuator is disconnected from the power lines of compressed air before performing any operation using the manual handwheel.
The manual handwheel acts on the transmission of the primary mechanical transmission of the pneumatic actuator and with torques applied to the handwheel according to EN 12570 it releases output torque of equal value of the nominal torque of the actuator.

SRNV 30 ÷ SRNV 240

DATA SHEET SRNV 30 ÷ SRNV 240
CodeSRNV0030401SSRNV0030402SSRNV0053401SSRNV0060401SSRNV0090401SSRNV0120401SSRNV0180401SSRNV0240401S
Spare SealsKGGI0016VXKGGI0016VXKGGI0060VXKGGI0018VXKGGI0019VXKGGI0020VXKGGI0021VXKGGI0022VX
SizeSRNV 30SRNV 30SRNV 53SRNV 60SRNV 90SRNV 120SRNV 180SRNV 240
ISOF04F05/F07F05/F07F05/F07F07/F10F07/F10F07/F10F10/F12
A392,7392,7431,4457,7534,9558,5635700,8
B1414171722222227
C x depthM5x8M6x9M6x9M6x9M8x12M8x12M8x12M10x15
D x depth-M8x12M8x12M8x12M10x15M10x15M10x15M12x18
E42505050707070102
F-707070102102102125
G1313131316171919
H33,733,740,842,852,556,15857,4
J1818181818181816
K1414141414141416
I1010121215151919
L90,490,4103,3107137,5141,1148164,9
M37,737,744,846,856,560,16272,9
N52,752,758,560,281818692
O16,516,519,319,324,824,824,329,5
P32,732,738,540,251515662
Q37,737,744,846,856,560,16272,9
R14,514,516,21820,222,525,529
S2020202030303030
T70,470,483,387107,5111,1118134,9
U129,4129,4152,1169,3196,8204,8237260,2
V180180180180220220300300
W (Gas)1/8"1/8"1/8"1/8"1/8"1/8"1/8"1/4"
X4444444-
Y137,6137,6154,8163,9183,5199,1220,8236,4
Z263,3263,3279,3288,4338,1353,7398440,6
Ch1313171722222227
N°of turns*1111131416181516
Weight (Kg)3,23,24,55,36,8911,715,2
Air (dm3/cycle)0,170,170,30,330,550,811,5

* Theoretical n° of turns to close/open starting from neutral position.

DATA SHEET SRNV 360 ÷ SRNV 960
CodeSRNV0360401SSRNV0480401SSRNV0480402SSRNV0720401SSRNV0720402SSRNV0960401SSRNV0960402S
Spare Seals
KGGI0023VXKGGI0024VXKGGI0024VXKGGI0025VXKGGI0025VXKGGI0026VXKGGI0026VX
SizeSRNV 360SRNV 480SRNV 480SRNV 720SRNV 720SRNV 960SRNV 960
ISOF10/F12F10/F12F14F14F12F14F12/F16
A810,1842,4842,41035,41035,41067,71067,7
B27363636364646
C x depthM10x15M10x15M16x24M16x24M12x18M16x24M12x18
D x depthM12x18M12x18----M20x30
E102102140140125140125
F125125----165
G19,519,519,519,519,518,518,5
H61,5787886,586,599,299,2
J16161616161616
K16161616161616
I22242427273232
L178198198216216237,7237,7
M78,593,593,5101,5101,5114,7114,7
N99,5104,5104,5114,5114,5123123
O29,538,538,538,538,548,548,5
P69,574,574,584,584,59393
Q78,593,593,5101,5101,5114,7114,7
R31,836,536,541414646
S30303030303030
T148168168186186207,7207,7
U306,6324,1324,1399399414414
V350350350400400400400
W (Gas)1/4"1/4"1/4"1/4"1/4"1/4"1/4"
X-------
Y282,3297,1297,1365,6365,6382,9382,9
Z503,5518,3518,3636,4636,4653,7653,7
Ch27272736363636
N°of turns*19202025252626
Weight (Kg)19,528,128,138,838,850,650,6
Air (dm3/cycle)22,82,84,24,25,95,9

* Theoretical n° of turns to close/open starting from neutral position.

SRNV 1920

DATA SHEET SRNV 1920
CodeSRNV1920E1608A
Spare SealsKGGI0230VX
SizeSRNV 1920
ISOF16
N°of turns*30
Weight (Kg)91
Air (dm3/cycle)12,5

* Theoretical n° of turns to close/open starting from neutral position.

SPRING RETURN ACTUATOR COMPONENTS WITH MANUAL INTEGRATED HANDWHEEL - SIZES: UP TO SRNV960

MATERIALS UP TO SRNV960
PosDenominationQ.Material
1Screw1Stainless Steel
2*Washer for roller bearings4Steel alloy
3*Roller bearings2Steel alloy
4Flange1Aluminium alloy
5Centering ring (Only for SRNV360)1Aluminium alloy
6*O'ring (Only for SRNV360)1Nitrilic rubber
7*O'ring2Nitrilic rubber
8*O'ring1Nitrilic rubber
9*O'ring1Nitrilic rubber
10*O'ring1Nitrilic rubber
11Screw1Stainless Steel
12Spring1Stainless Steel
13Cylinder spacer1Aluminium alloy
14*O'ring1Nitrilic rubber
15*Seal cap1Brass+Nitrilic rubber
16Cap (modified)1Aluminium alloy
17Screw4Stainless Steel
18*O'ring1Nitrilic rubber
19Handwheel for maneuever1Steel alloy
20Set screw2Stainless Steel
21Protecting tube1Aluminium alloy
22Trasparent tube1PVC
23Protecting cap1Aluminium alloy
24Key1Steel alloy
25Spring2Steel alloy
26*Rivet1Steel alloy
27*Indicator1Polypropylene
28Lead nut maneuever1Steel alloy
29Threaded bush (Only for SRNV240)2Stainless Steel
30Special spring cap1Aluminium alloy
31Pin1Steel alloy
32Screw maneuever1Steel alloy
33*Dynamic seal (Piston)2Polyurethane
34*Piston o'ring2Nitrilic rubber
35Piston (modified)1Aluminium alloy
36*Piston's support4P.T.F.E. carbo-graphite filled
37Bush2Steel alloy
38Rotative sleeve2Steel alloy
39*Bounded2Steel alloy+Nitrilic rubber
40Screw2Stainless Steel
41Scotch yoke1Steel alloy
42Shaft support1Acetalic resin
43External elastic pin of the yoke1Steel alloy
44Internal elastic pin of the yoke1Steel alloy
45Shaft1Stainless Steel
46Support bush1Acetalic resin
47Lower sealing shaft1FKM
48Cylinder1Aluminium alloy
49Upper sealing shaft1FKM
50External support ring1Acetalic resin
51Washer1Stainless Steel
52Seeger1Stainless Steel
53Piston (Standard)1Aluminium alloy
54Spring loading screw1Stainless Steel
55Spring cap (Standard)1Steel alloy or Aluminium alloy
56*Cap o'ring1Nitrilic rubber
57Cap (Standard)1Aluminium alloy
58Screw4Stainless Steel
59*O'ring1Nitrilic rubber
60Nut1Aluminium alloy
61Insert for o'ring
(Only for SRNV53-120-180-360)
1Stainless Steel
* Components of spare part kit

SPRING RETURN ACTUATOR COMPONENTS WITH MANUAL INTEGRATED HANDWHEEL - SIZE: SRNV1920

MATERIALS SRNV1920
PosDenominationQ.tyMaterial 
1Cylinder1Aluminium alloy
2Cylinder1Aluminium alloy
3Cylinder1Aluminium alloy
4Cap (Standard)1Aluminium alloy
5Internal spring support1Aluminium alloy
6External spring support1Aluminium alloy
7Spring loading screw1Stainless Steel
8*O'ring1Nitrilic rubber
9Cap Nut1Stainless Steel
10O'ring1Nitrilic rubber
11O'ring1Nitrilic rubber
12Nut1Stainless Steel
13External spring2Steel alloy
14Internal spring2Steel alloy
15Piston (Standard)1Aluminium alloy
16Bush2Steel alloy
17*Piston's support4Acetalic resin
18Pin2Steel alloy
19Rotative sleeve2Steel alloy
20Scotch yoke1Steel alloy
21Shaft1Stainless Steel
22Support bush1Acetalic resin
23Shaft support1Acetalic resin
24*Cap o'ring1Nitrilic rubber
25*Bearing (shaft bottom)1P.T.F.E. carbo-graphite filled
26*Bearing (shaft top)1P.T.F.E. carbo-graphite filled
27*External support ring1Acetalic resin
28Washer1Stainless Steel
29*O'ring3Nitrilic rubber
30Seeger1Stainless Steel
31Screw6Stainless Steel
32*Lower sealing shaft1FKM
33*Piston o'ring2Nitrilic rubber
34*Upper sealing shaft1FKM
35*O'ring2Nitrilic rubber
36*Bearing (piston head)
2P.T.F.E. Carbo-Graphite filled
37Nut12Stainless Steel
38Piston (modified)1Aluminium alloy
39*Bearings (Handwheel)2Poliuretano 
40Cap (modified)1Aluminium alloy
41Lead nut maneuever1Steel alloy
42*Indicator1Polypropylene
43Handwheel for maneuever1Steel alloy
44Flange1Aluminium alloy
45*Thrust bearings2Steel alloy
46Screw8Stainless Steel
47Screw1Stainless Steel
48Washer1Stainless Steel
49Closing fork1Aluminium alloy
50Fork support1Aluminium alloy
51Lock wheel1Stainless Steel
52Protecting cap1Aluminium alloy
53Screw3Stainless Steel
54*Rivet1Stainless Steel
55Key1Stainless Steel
56Screw6Steel alloy
57*O'ring1Nitrilic rubber
58*O'ring1Nitrilic rubber
59*O'ring1Nitrilic rubber
60Screw2Stainless Steel
61*Bounded2Steel alloy+Nitrilic rubber
62*O'ring1Nitrilic rubber
63*O'ring1Nitrilic rubber
64*Plug2P.T.F.E
65Nut1Stainless Steel
66Screw maneuever1Stainless Steel
67Protecting removable tube1Aluminium alloy
68Pin1Stainless Steel
69Special spring cap1Steel alloy
70*O'ring1Nitrilic rubber
71*O'ring1Nitrilic rubber
72Screw1Stainless Steel
73Safety screw1Stainless Steel
74Protecting tube1Aluminium alloy
* Components of spare part kit

Working plane pneumatic actuator with integrated handwheel

LIMIT SWITCH BOX

MANUAL OVERRIDE WITH HAND WHEEL

NAMUR SOLENOID VALVES

SOLENOID VALVES

ELECTROPNEUMATIC POSITIONER (INTRINSICALLY SAFE)

PNEUMATIC POSITIONER

PROXIMITY LIMIT SWITCHES

ELECTROMECHANICAL LIMIT SWITCHES

PNEUMATIC LIMIT SWITCHES

EXPLOSION PROOF LIMIT SWITCHES II2GD ExdIIC

SELECT SIZE
Select the search standards
FIND ITEM
X CLOSE

NEXT EVENT

IVS - Industrial Valve Summit 2026
IVS - Industrial Valve Summit 2026
Bergamo, Italy, 19 - 21 may 2026