1. Energieversorgte, selbstschmierende Dichtungs- und Gleitleisten
Weniger Reibung zwischen Kolben und Zylinder
Das Anhaften der Dichtung am Zylinder wird auch nach langen Standzeiten verhindert
2. Schlitz, Buchsen und Stifte mit härterem Stahl - Härte von über 50 HRC
Größere Beständigkeit gegen die Kräfte innerhalb des Antriebs
3. Rollwiderstand zwischen Schlitz und Kolben
Geringerer Abrieb
4. Kurbelschleife mit Rollwiderstand (Umwandlung der linearen in eine Drehbewegung mittels Kolben und Welle ohne Zahnräder)
Geringerer Verschleiß der Teile durch geringeren Abrieb zwischen Kolben und Welle
Verbessertes Drehmoment beim Öffnen und Schließen
Geringerer Platzbedarf im Vergleich zu Zahnstangenantrieben
Geringeres Gewicht im Vergleich zu Zahnstangenantrieben (-30% kg/Nm) und somit Einsparungen bei Ausführung der Anlagenstruktur
Geringere Belastung des Kompressors bzw. Möglichkeit zur Nutzung eines Kompressors mit kleineren Abmessungen durch geringeren Luftverbrauch im Vergleich zu Zahnstangenantrieben (-40% Luft cm³/Nm doppeltwirkend und -20% Luft cm³/Nm einfachwirkend)
5. Rollenzylinder
Geringerer Verschleiß der energieversorgten Dichtungsleisten durch die geringe Rauheit der Oberfläche
6. Stainless Steel shaft
Higher corrosion resistance
Integrierter Anschluss für NAMUR-Magnetventile DAN15
Kein zusätzlicher Sockel erforderlich
Der gesamte Produktionsprozess erfolgt hausintern bei OMAL
Maximale Kontrolle in allen Verarbeitungsphasen
ATEX-Zertifikat
Ermöglicht die Installation in explosionsgefährdeten Umgebungen
Zertifikat bis SIL 3
Hohes funktionales Sicherheitsniveau garantiert
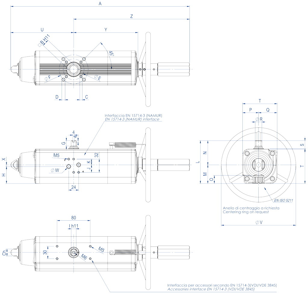
TECHNISCHE DATEN
Drehmoment von 30 Nm bis 1920 Nm.
Flanschanschluss: EN ISO 5211
F05 - F07 - F10 - F12 - F14 - F16.
In Einklang mit der Norm EN 15714-3
Schwenkwinkel: 92° (-1°, +91°)
Drehmoment: Das Rückstellmoment hängt nur von der Wirkung der Feder ab und ist unabhängig vom Versorgungsdruck. Es stehen 4 verschiedene Federeinstellungen zur Verfügung; siehe Tabelle.
Das automatische Schließen mittels Federn erfolgt im Uhrzeigersinn.
Bei jedem Antrieb entspricht der Wert, der der Abkürzung SRNV folgt, dem Wert des Anlaufmoments in Nm, bei einem Druck von 5,6 bar.
ATEX-Ausführung gemäß der EU-Richtlinie 2014/34/EU. Für die ATEX-Ausführung YX am Ende der Artikelnummer hinzufügen.
BETRIEBSBEDINGUNGEN
Temperatur: -20°C bis +80°C. (Sonderausführungen: Hohe Temperatur: -20°C +150°C; niedrige Temperatur: -50°C +60°C)
Nenndruck: 5,6 bar; maximaler Betriebsdruck 8,4 bar.
Versorgungsmedium: Trockene, gefilterte, nicht unbedingt geschmierte Druckluft.
Verwenden Sie zum Schmieren kein reinigendes Öl, sondern solches, das mit NBR kompatibel ist.
Bei Bedarf kann der von unser hergestellte pneumatische Stellantrieb mit Vierteldrehung mit einem Handantrieb ausgestattet werden.
Der Antrieb kann sowohl in die doppeltwirkende als auch in die einfachwirkende Ausführung integriert werden.
Damit das System ordnungsgemäß funktioniert und die mechanische Integrität der Vorrichtung gewährleistet ist, muss sichergestellt sein, dass der pneumatische Antrieb von den Druckluftversorgungsleitungen getrennt ist, bevor Arbeiten mit dem Handantrieb ausgeführt werden können.
Das Handrad wirkt auf das primäre mechanische Getriebe des pneumatischen Stellantriebs und erzeugt bei Anlaufmomenten am Handrad gemäß der Norm EN 12570 Ausgangsdrehmomente, die dem Nenndrehmoment des Stellantriebs selbst entsprechen.
| TECHNISCHES DATENBLATT SRNV 30 ÷ SRNV 240 | ||||||||
| Artikelnummer | SRNV0030401S | SRNV0030402S | SRNV0053401S | SRNV0060401S | SRNV0090401S | SRNV0120401S | SRNV0180401S | SRNV0240401S |
| Dichtungssatz | KGGI0016VX | KGGI0016VX | KGGI0060VX | KGGI0018VX | KGGI0019VX | KGGI0020VX | KGGI0021VX | KGGI0022VX |
| Baugröße | SRNV 30 | SRNV 30 | SRNV 53 | SRNV 60 | SRNV 90 | SRNV 120 | SRNV 180 | SRNV 240 |
| ISO | F04 | F05/F07 | F05/F07 | F05/F07 | F07/F10 | F07/F10 | F07/F10 | F10/F12 |
| A | 392,7 | 392,7 | 431,4 | 457,7 | 534,9 | 558,5 | 635 | 700,8 |
| B | 14 | 14 | 17 | 17 | 22 | 22 | 22 | 27 |
| C x Tiefe | M5x8 | M6x9 | M6x9 | M6x9 | M8x12 | M8x12 | M8x12 | M10x15 |
| D x Tiefe | - | M8x12 | M8x12 | M8x12 | M10x15 | M10x15 | M10x15 | M12x18 |
| E | 42 | 50 | 50 | 50 | 70 | 70 | 70 | 102 |
| F | - | 70 | 70 | 70 | 102 | 102 | 102 | 125 |
| G | 13 | 13 | 13 | 13 | 16 | 17 | 19 | 19 |
| H | 33,7 | 33,7 | 40,8 | 42,8 | 52,5 | 56,1 | 58 | 57,4 |
| J | 18 | 18 | 18 | 18 | 18 | 18 | 18 | 16 |
| K | 14 | 14 | 14 | 14 | 14 | 14 | 14 | 16 |
| I | 10 | 10 | 12 | 12 | 15 | 15 | 19 | 19 |
| L | 90,4 | 90,4 | 103,3 | 107 | 137,5 | 141,1 | 148 | 164,9 |
| M | 37,7 | 37,7 | 44,8 | 46,8 | 56,5 | 60,1 | 62 | 72,9 |
| N | 52,7 | 52,7 | 58,5 | 60,2 | 81 | 81 | 86 | 92 |
| O | 16,5 | 16,5 | 19,3 | 19,3 | 24,8 | 24,8 | 24,3 | 29,5 |
| P | 32,7 | 32,7 | 38,5 | 40,2 | 51 | 51 | 56 | 62 |
| Q | 37,7 | 37,7 | 44,8 | 46,8 | 56,5 | 60,1 | 62 | 72,9 |
| R | 14,5 | 14,5 | 16,2 | 18 | 20,2 | 22,5 | 25,5 | 29 |
| S | 20 | 20 | 20 | 20 | 30 | 30 | 30 | 30 |
| T | 70,4 | 70,4 | 83,3 | 87 | 107,5 | 111,1 | 118 | 134,9 |
| U | 129,4 | 129,4 | 152,1 | 169,3 | 196,8 | 204,8 | 237 | 260,2 |
| V | 180 | 180 | 180 | 180 | 220 | 220 | 300 | 300 |
| W (Gas) | 1/8" | 1/8" | 1/8" | 1/8" | 1/8" | 1/8" | 1/8" | 1/4" |
| X | 4 | 4 | 4 | 4 | 4 | 4 | 4 | - |
| Y | 137,6 | 137,6 | 154,8 | 163,9 | 183,5 | 199,1 | 220,8 | 236,4 |
| Z | 263,3 | 263,3 | 279,3 | 288,4 | 338,1 | 353,7 | 398 | 440,6 |
| Ch | 13 | 13 | 17 | 17 | 22 | 22 | 22 | 27 |
| Anzahl Umdrehungen* | 11 | 11 | 13 | 14 | 16 | 18 | 15 | 16 |
| Gewicht (kg) | 3,2 | 3,2 | 4,5 | 5,3 | 6,8 | 9 | 11,7 | 15,2 |
| Luft (dm3/Zyklus) | 0,17 | 0,17 | 0,3 | 0,33 | 0,55 | 0,8 | 1 | 1,5 |
| TECHNISCHES DATENBLATT SRNV 360 ÷ SRNV 960 | |||||||
| Artikelnummer | SRNV0360401S | SRNV0480401S | SRNV0480402S | SRNV0720401S | SRNV0720402S | SRNV0960401S | SRNV0960402S |
| Dichtungssatz | KGGI0023VX | KGGI0024VX | KGGI0024VX | KGGI0025VX | KGGI0025VX | KGGI0026VX | KGGI0026VX |
| Baugröße | SRNV 360 | SRNV 480 | SRNV 480 | SRNV 720 | SRNV 720 | SRNV 960 | SRNV 960 |
| ISO | F10/F12 | F10/F12 | F14 | F14 | F12 | F14 | F12/F16 |
| A | 810,1 | 842,4 | 842,4 | 1035,4 | 1035,4 | 1067,7 | 1067,7 |
| B | 27 | 36 | 36 | 36 | 36 | 46 | 46 |
| C x Tiefe | M10x15 | M10x15 | M16x24 | M16x24 | M12x18 | M16x24 | M12x18 |
| D x Tiefe | M12x18 | M12x18 | - | - | - | - | M20x30 |
| E | 102 | 102 | 140 | 140 | 125 | 140 | 125 |
| F | 125 | 125 | - | - | - | - | 165 |
| G | 19,5 | 19,5 | 19,5 | 19,5 | 19,5 | 18,5 | 18,5 |
| H | 61,5 | 78 | 78 | 86,5 | 86,5 | 99,2 | 99,2 |
| J | 16 | 16 | 16 | 16 | 16 | 16 | 16 |
| K | 16 | 16 | 16 | 16 | 16 | 16 | 16 |
| I | 22 | 24 | 24 | 27 | 27 | 32 | 32 |
| L | 178 | 198 | 198 | 216 | 216 | 237,7 | 237,7 |
| M | 78,5 | 93,5 | 93,5 | 101,5 | 101,5 | 114,7 | 114,7 |
| N | 99,5 | 104,5 | 104,5 | 114,5 | 114,5 | 123 | 123 |
| O | 29,5 | 38,5 | 38,5 | 38,5 | 38,5 | 48,5 | 48,5 |
| P | 69,5 | 74,5 | 74,5 | 84,5 | 84,5 | 93 | 93 |
| Q | 78,5 | 93,5 | 93,5 | 101,5 | 101,5 | 114,7 | 114,7 |
| R | 31,8 | 36,5 | 36,5 | 41 | 41 | 46 | 46 |
| S | 30 | 30 | 30 | 30 | 30 | 30 | 30 |
| T | 148 | 168 | 168 | 186 | 186 | 207,7 | 207,7 |
| U | 306,6 | 324,1 | 324,1 | 399 | 399 | 414 | 414 |
| V | 350 | 350 | 350 | 400 | 400 | 400 | 400 |
| W (Gas) | 1/4" | 1/4" | 1/4" | 1/4" | 1/4" | 1/4" | 1/4" |
| X | - | - | - | - | - | - | - |
| Y | 282,3 | 297,1 | 297,1 | 365,6 | 365,6 | 382,9 | 382,9 |
| Z | 503,5 | 518,3 | 518,3 | 636,4 | 636,4 | 653,7 | 653,7 |
| Ch | 27 | 27 | 27 | 36 | 36 | 36 | 36 |
| Anzahl Umdrehungen* | 19 | 20 | 20 | 25 | 25 | 26 | 26 |
| Gewicht (kg) | 19,5 | 28,1 | 28,1 | 38,8 | 38,8 | 50,6 | 50,6 |
| Luft (dm3/Zyklus) | 2 | 2,8 | 2,8 | 4,2 | 4,2 | 5,9 | 5,9 |
| TECHNISCHES DATENBLATT SRNV 1920 | |
| Artikelnummer | SRNV1920E1608A |
| Dichtungssatz | KGGI0230VX |
| Baugröße | SRNV 1920 |
| ISO | F16 |
| Anzahl der Umdrehungen* | 30 |
| Gewicht (kg) | 91 |
| Luft (dm3/Zyklus) | 12,5 |
BESTANDTEILE EINFACHWIRKENDER PNEUMATISCHER STELLANTRIEB MIT INTEGRIERTEM HANDRAD - BAUGRÖSSE: BIS SRNV960
| WERKSTOFFE BIS SRNV960 | |||
| Pos | Bezeichnung | Menge | Werkstoff |
| 1 | Schraube | 1 | Edelstahl |
| 2* | Unterlegscheiben für Rollenlager | 4 | Stahllegierung |
| 3* | Rollenlager | 2 | Stahllegierung |
| 4 | Flansch | 1 | Aluminiumlegierung |
| 5 | Zentrierring (nur für SRNV360) | 1 | Aluminiumlegierung |
| 6* | O-Ring (nur für SRNV360) | 1 | Nitrilkautschuk |
| 7* | O-Ring | 2 | Nitrilkautschuk |
| 8* | O-Ring | 1 | Nitrilkautschuk |
| 9* | O-Ring | 1 | Nitrilkautschuk |
| 10* | O-Ring | 1 | Nitrilkautschuk |
| 11 | Schraube | 1 | Edelstahl |
| 12 | Feder | 1 | Edelstahl |
| 13 | Distanzzylinder | 1 | Aluminiumlegierung |
| 14* | O-Ring | 1 | Nitrilkautschuk |
| 15* | Dichtungskappe | 1 | Messing + Nitrilkautschuk |
| 16 | Kappe (verändert) | 1 | Aluminiumlegierung |
| 17 | Schraube | 4 | Edelstahl |
| 18* | O-Ring | 1 | Nitrilkautschuk |
| 19 | Handrad | 1 | Stahllegierung |
| 20 | Justierschraube | 2 | Edelstahl |
| 21 | Schutzrohr | 1 | Aluminiumlegierung |
| 22 | Transparentes Rohr | 1 | PVC |
| 23 | Schutzkappe | 1 | Aluminiumlegierung |
| 24 | Schlüssel | 1 | Stahllegierung |
| 25 | Feder | 2 | Stahllegierung |
| 26* | Niet | 1 | Stahllegierung |
| 27* | Anzeige | 1 | Polypropylen |
| 28 | Betätigungsspindel | 1 | Stahllegierung |
| 29 | Gewindebuchse (nur für SRNV240) | 2 | Edelstahl |
| 30 | Spezialfederteller | 1 | Aluminiumlegierung |
| 31 | Stift | 1 | Stahllegierung |
| 32 | Betätigungsschraube | 1 | Stahllegierung |
| 33* | Dichtring (Kolben) | 2 | Polyurethan |
| 34* | O-Ring Kolben | 2 | Nitrilkautschuk |
| 35 | Kolben (verändert) | 1 | Aluminiumlegierung |
| 36* | Stützscheibe | 4 | P.T.F.E. carbo-graphite filled |
| 37 | Buchse | 2 | Stahllegierung |
| 38 | Drehbolzen | 2 | Stahllegierung |
| 39* | Dichtung | 2 | Stahllegierung + Nitrilkautschuk |
| 40 | Schraube | 2 | Edelstahl |
| 41 | Gabel | 1 | Stahllegierung |
| 42 | Wellenhalterung | 1 | Acetalharz |
| 43 | Äußere Spannhülse | 1 | Stahllegierung |
| 44 | Innere Spannhülse | 1 | Stahllegierung |
| 45 | Welle | 1 | Edelstahl |
| 46 | Gleitbuchse | 1 | Acetalharz |
| 47 | O-Ring untere Welle | 1 | FKM |
| 48 | Zylinder | 1 | Aluminiumlegierung |
| 49 | O-Ring obere Welle | 1 | FKM |
| 50 | Äußerer Stützring | 1 | Acetalharz |
| 51 | Unterlegscheibe | 1 | Edelstahl |
| 52 | Seeger-Montagezange | 1 | Edelstahl |
| 53 | Kolben (Standard) | 1 | Aluminiumlegierung |
| 54 | Federvorspannschraube | 1 | Edelstahl |
| 55 | Federteller (Standard) | 1 | Stahllegierung oder Aluminiumlegierung |
| 56* | O-Ring Kappe | 1 | Nitrilkautschuk |
| 57 | Kappe (Standard) | 1 | Aluminiumlegierung |
| 58 | Schraube | 4 | Edelstahl |
| 59* | O-Ring | 1 | Nitrilkautschuk |
| 60 | Mutter | 1 | Aluminiumlegierung |
| 61 | Einsatz für O-Ring (nur für SRNV53-120-180-360) | 1 | Edelstahl |
| * Bestandteile des Ersatzkits | |||
BESTANDTEILE EINFACHWIRKENDER PNEUMATISCHER STELLANTRIEB MIT INTEGRIERTEM HANDRAD - BAUGRÖSSE: WERKSTOFFE SRNV1920
| WERKSTOFFE SRNV1920 | |||
| Pos | Bezeichnung | Menge | Werkstoff |
| 1 | Zylinder | 1 | Aluminiumlegierung |
| 2 | Zylinder | 1 | Aluminiumlegierung |
| 3 | Zylinder | 1 | Aluminiumlegierung |
| 4 | Kappe (Standard) | 1 | Aluminiumlegierung |
| 5 | Innere Federhalterung | 1 | Aluminiumlegierung |
| 6 | Äußere Federhalterung | 1 | Aluminiumlegierung |
| 7 | Federvorspannschraube | 1 | Edelstahl |
| 8* | O-Ring | 1 | Nitrilkautschuk |
| 9 | Hutmutter | 1 | Edelstahl |
| 10 | O-Ring | 1 | Nitrilkautschuk |
| 11 | O-Ring | 1 | Nitrilkautschuk |
| 12 | Mutter | 1 | Edelstahl |
| 13 | Äußere Feder | 2 | Stahllegierung |
| 14 | Innere Feder | 2 | Stahllegierung |
| 15 | Kolben (Standard) | 1 | Aluminiumlegierung |
| 16 | Buchse | 2 | Stahllegierung |
| 17* | Stützscheibe | 4 | Acetalharz |
| 18 | Stift | 2 | Stahllegierung |
| 19 | Achse | 2 | Stahllegierung |
| 20 | Gabel | 1 | Stahllegierung |
| 21 | Welle | 1 | Edelstahl |
| 22 | Gleitbuchse | 1 | Acetalharz |
| 23 | Wellenhalterung | 1 | Acetalharz |
| 24* | O-Ring Kappe | 1 | Nitrilkautschuk |
| 25* | Buchse (untere Welle) | 1 | P.T.F.E. carbo-graphite filled |
| 26* | Buchse (obere Welle) | 1 | P.T.F.E. carbo-graphite filled |
| 27* | Äußerer Stützring | 1 | Acetalharz |
| 28 | Unterlegscheibe | 1 | Edelstahl |
| 29* | O-Ring | 3 | Nitrilkautschuk |
| 30 | Seeger-Ring | 1 | Edelstahl |
| 31 | Schraube | 6 | Edelstahl |
| 32* | O-Ring untere Welle | 1 | FKM |
| 33* | O-Ring Kolben | 2 | Nitrilkautschuk |
| 34* | O-Ring obere Welle | 1 | FKM |
| 35* | O-Ring | 2 | Nitrilkautschuk |
| 36* | Führungsring | 2 | PTFE kohlenstoff-/graphitverstärkt |
| 37 | Mutter | 12 | Edelstahl |
| 38 | Kolben (verändert) | 1 | Aluminiumlegierung |
| 39* | Lager (Handrad) | 2 | Polyurethan |
| 40 | Kappe (verändert) | 1 | Aluminiumlegierung |
| 41 | Betätigungsspindel | 1 | Stahllegierung |
| 42* | Anzeige | 1 | Polypropylen |
| 43 | Handrad | 1 | Stahllegierung |
| 44 | Flansch | 1 | Aluminiumlegierung |
| 45* | Lager | 2 | Stahllegierung |
| 46 | Schraube | 8 | Edelstahl |
| 47 | Schraube | 1 | Edelstahl |
| 48 | Unterlegscheibe | 1 | Edelstahl |
| 49 | Gabelverschluss | 1 | Aluminiumlegierung |
| 50 | Gabelstütze | 1 | Aluminiumlegierung |
| 51 | Verriegelung | 1 | Edelstahl |
| 52 | Schutzkappe | 1 | Aluminiumlegierung |
| 53 | Schraube | 3 | Edelstahl |
| 54* | Niet | 1 | Edelstahl |
| 55 | Schlüssel | 1 | Edelstahl |
| 56 | Schraube | 6 | Stahllegierung |
| 57* | O-Ring | 1 | Nitrilkautschuk |
| 58* | O-Ring | 1 | Nitrilkautschuk |
| 59* | O-Ring | 1 | Nitrilkautschuk |
| 60 | Schraube | 2 | Edelstahl |
| 61* | Dichtung | 2 | Stahllegierung + Nitrilkautschuk |
| 62* | O-Ring | 1 | Nitrilkautschuk |
| 63* | O-Ring | 1 | Nitrilkautschuk |
| 64* | Kappe | 2 | PTFE |
| 65 | Mutter | 1 | Edelstahl |
| 66 | Betätigungsschraube | 1 | Edelstahl |
| 67 | Abnehmbares Schutzrohr | 1 | Aluminiumlegierung |
| 68 | Stift | 1 | Edelstahl |
| 69 | Spezialfederteller | 1 | Stahllegierung |
| 70* | O-Ring | 1 | Nitrilkautschuk |
| 71* | O-Ring | 1 | Nitrilkautschuk |
| 72 | Schraube | 1 | Edelstahl |
| 73 | Sicherheitsschraube | 1 | Edelstahl |
| 74 | Schutzrohr | 1 | Aluminiumlegierung |
| * Bestandteile des Ersatzkits | |||