1.Fasce di tenuta e scorrimento energizzate autolubrificanti
Minor attrito tra pistone e cilindro
Si evita l’incollaggio della guarnizione al cilindro anche dopo lunghi periodi di fermo
2.Slot, bussole e spine con acciaio con durezza maggiore a 50 HRC
Maggior resistenza alle forze presenti all' interno dell'attuatore
3.Attrito volvente tra slot e pistone
Minor attrito
4.Scotch yoke con attrito volvente (trasformazione del movimento lineare in movimento rotatorio mediante pistone e albero privo di ingranaggi).
Minor attrito tra pistone e albero con conseguente minor usura dei pezzi
Momento torcente potenziato in fase di apertura e chiusura
Minor ingombro rispetto agli attuatori pignone e cremagliera con conseguente minor spazio necessario
Minor peso rispetto agli attuatori pignone e cremagliera (-30% Kg/Nm) con conseguenti risparmi sulla realizzazione della struttura dell'impianto
Minor consumo d'aria rispetto agli attuatori pignone e cremagliera (-40% aria cm³/Nm doppio effetto e -20% aria cm³/Nm semplice effetto) con conseguente minor carico di lavoro del compressore o possibilità di utilizzo di un compressore con dimensioni ridotte
5.Cilindro rullato
Minor usura delle fascette energizzate grazie alla bassa rugosità della superficie
6. Albero Inox
Maggiore resistenza alla corrosione
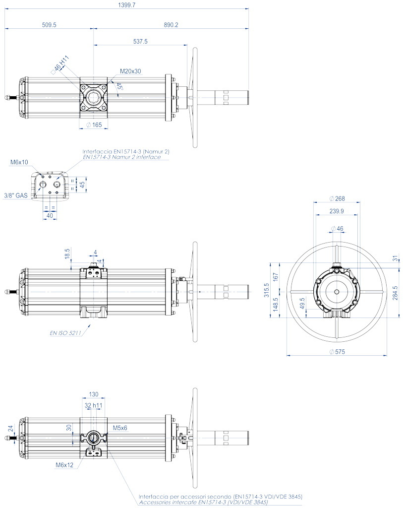
Interfaccia per elettrovalvole NAMUR integrata dal DAN15
Non richiede alcuna basetta supplementare
Processo produttivo interamente eseguito in OMAL
Massimo controllo in tutte le fasi di lavorazione
Certificato ATEX
Ne consente l'installazione in presenza di ambiente potenzialmente esplosivo
Certificato fino a SIL 3
Elevato livello di sicurezza funzionale garantito
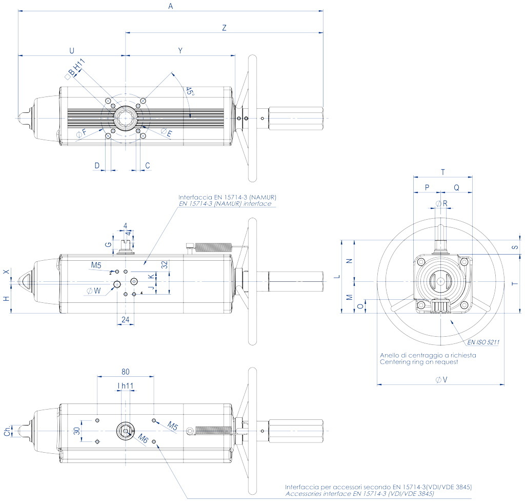
DATI TECNICI
Coppia da 30 Nm a 1920 Nm.
Flangia d’attacco: EN ISO 5211
F05 - F07 - F10 - F12 - F14 - F16.
Conforme alla EN 15714-3
Angolo di rotazione: 92° (-1°, +91°)
Momento torcente: Il momento torcente di ritorno dipende solo dall’azione della molla ed è indipendente dalla pressione di alimentazione. Sono disponibili 4 differenti tarature per la molla; vedi tabella.
La chiusura automatica per mezzo delle molle avviene in senso orario.
In ciascun attuatore la cifra che segue la sigla SRNV corrisponde al valore della coppia di spunto in Nm. alla pressione di 5,6 bar.
Versione ATEX in conformità alla direttiva 2014/34/UE. Per la versione ATEX aggiungere YX alla fine del codice.
CONDIZIONI DI ESERCIZIO
Temperatura: da -20°C a +80°C. (Versioni speciali: alta temperatura: -20°C +150°C; bassa temperatura: -50°C +60°C)
Pressione nominale: 5,6 bar; massima di esercizio 8,4 bar.
Fluido di alimentazione: aria compressa filtrata secca non necessariamente lubrificata.
In caso di lubrificazione usare olio non detergente, compatibile con NBR.
Qualora richiesto l’attuatore pneumatico a quarto di giro di nostra produzione può essere dotato di un azionamento manuale.
Il dispositivo può essere integrato sia nella versione Doppio Effetto che in quella Semplice Effetto.
Per il buon funzionamento del sistema e per l’integrità meccanica del dispositivo è indispensabile accertarsi che l’attuatore pneumatico sia disconnesso dalle linee di alimentazione di aria compressa prima di compiere alcuna manovra impiegando il dispositivo di azionamento manuale.
Il dispositivo di azionamento manuale agisce sulla trasmissione meccanica primaria dell’attuatore pneumatico e a fronte di coppie applicate al volantino conformi alla norma EN 12570 produce coppie in uscita di pari valore della coppia nominale dell’attuatore stesso.
| SCHEDA TECNICA SRNV 30 ÷ SRNV 240 | ||||||||
| Codice | SRNV0030401S | SRNV0030402S | SRNV0053401S | SRNV0060401S | SRNV0090401S | SRNV0120401S | SRNV0180401S | SRNV0240401S |
| Kit guarniz. | KGGI0016VX | KGGI0016VX | KGGI0060VX | KGGI0018VX | KGGI0019VX | KGGI0020VX | KGGI0021VX | KGGI0022VX |
| Misura | SRNV 30 | SRNV 30 | SRNV 53 | SRNV 60 | SRNV 90 | SRNV 120 | SRNV 180 | SRNV 240 |
| ISO | F04 | F05/F07 | F05/F07 | F05/F07 | F07/F10 | F07/F10 | F07/F10 | F10/F12 |
| A | 392,7 | 392,7 | 431,4 | 457,7 | 534,9 | 558,5 | 635 | 700,8 |
| B | 14 | 14 | 17 | 17 | 22 | 22 | 22 | 27 |
| C x depth | M5x8 | M6x9 | M6x9 | M6x9 | M8x12 | M8x12 | M8x12 | M10x15 |
| D x depth | - | M8x12 | M8x12 | M8x12 | M10x15 | M10x15 | M10x15 | M12x18 |
| E | 42 | 50 | 50 | 50 | 70 | 70 | 70 | 102 |
| F | - | 70 | 70 | 70 | 102 | 102 | 102 | 125 |
| G | 13 | 13 | 13 | 13 | 16 | 17 | 19 | 19 |
| H | 33,7 | 33,7 | 40,8 | 42,8 | 52,5 | 56,1 | 58 | 57,4 |
| J | 18 | 18 | 18 | 18 | 18 | 18 | 18 | 16 |
| K | 14 | 14 | 14 | 14 | 14 | 14 | 14 | 16 |
| I | 10 | 10 | 12 | 12 | 15 | 15 | 19 | 19 |
| L | 90,4 | 90,4 | 103,3 | 107 | 137,5 | 141,1 | 148 | 164,9 |
| M | 37,7 | 37,7 | 44,8 | 46,8 | 56,5 | 60,1 | 62 | 72,9 |
| N | 52,7 | 52,7 | 58,5 | 60,2 | 81 | 81 | 86 | 92 |
| O | 16,5 | 16,5 | 19,3 | 19,3 | 24,8 | 24,8 | 24,3 | 29,5 |
| P | 32,7 | 32,7 | 38,5 | 40,2 | 51 | 51 | 56 | 62 |
| Q | 37,7 | 37,7 | 44,8 | 46,8 | 56,5 | 60,1 | 62 | 72,9 |
| R | 14,5 | 14,5 | 16,2 | 18 | 20,2 | 22,5 | 25,5 | 29 |
| S | 20 | 20 | 20 | 20 | 30 | 30 | 30 | 30 |
| T | 70,4 | 70,4 | 83,3 | 87 | 107,5 | 111,1 | 118 | 134,9 |
| U | 129,4 | 129,4 | 152,1 | 169,3 | 196,8 | 204,8 | 237 | 260,2 |
| V | 180 | 180 | 180 | 180 | 220 | 220 | 300 | 300 |
| W (Gas) | 1/8" | 1/8" | 1/8" | 1/8" | 1/8" | 1/8" | 1/8" | 1/4" |
| X | 4 | 4 | 4 | 4 | 4 | 4 | 4 | - |
| Y | 137,6 | 137,6 | 154,8 | 163,9 | 183,5 | 199,1 | 220,8 | 236,4 |
| Z | 263,3 | 263,3 | 279,3 | 288,4 | 338,1 | 353,7 | 398 | 440,6 |
| Ch | 13 | 13 | 17 | 17 | 22 | 22 | 22 | 27 |
| N° giri* | 11 | 11 | 13 | 14 | 16 | 18 | 15 | 16 |
| Peso (Kg) | 3,2 | 3,2 | 4,5 | 5,3 | 6,8 | 9 | 11,7 | 15,2 |
| Aria (dm3/cycle) | 0,17 | 0,17 | 0,3 | 0,33 | 0,55 | 0,8 | 1 | 1,5 |
| SCHEDA TECNICA SRNV 360 ÷ SRNV 960 | |||||||
| Codice | SRNV0360401S | SRNV0480401S | SRNV0480402S | SRNV0720401S | SRNV0720402S | SRNV0960401S | SRNV0960402S |
| Kit guarniz. | KGGI0023VX | KGGI0024VX | KGGI0024VX | KGGI0025VX | KGGI0025VX | KGGI0026VX | KGGI0026VX |
| Misura | SRNV 360 | SRNV 480 | SRNV 480 | SRNV 720 | SRNV 720 | SRNV 960 | SRNV 960 |
| ISO | F10/F12 | F10/F12 | F14 | F14 | F12 | F14 | F12/F16 |
| A | 810,1 | 842,4 | 842,4 | 1035,4 | 1035,4 | 1067,7 | 1067,7 |
| B | 27 | 36 | 36 | 36 | 36 | 46 | 46 |
| C x depth | M10x15 | M10x15 | M16x24 | M16x24 | M12x18 | M16x24 | M12x18 |
| D x depth | M12x18 | M12x18 | - | - | - | - | M20x30 |
| E | 102 | 102 | 140 | 140 | 125 | 140 | 125 |
| F | 125 | 125 | - | - | - | - | 165 |
| G | 19,5 | 19,5 | 19,5 | 19,5 | 19,5 | 18,5 | 18,5 |
| H | 61,5 | 78 | 78 | 86,5 | 86,5 | 99,2 | 99,2 |
| J | 16 | 16 | 16 | 16 | 16 | 16 | 16 |
| K | 16 | 16 | 16 | 16 | 16 | 16 | 16 |
| I | 22 | 24 | 24 | 27 | 27 | 32 | 32 |
| L | 178 | 198 | 198 | 216 | 216 | 237,7 | 237,7 |
| M | 78,5 | 93,5 | 93,5 | 101,5 | 101,5 | 114,7 | 114,7 |
| N | 99,5 | 104,5 | 104,5 | 114,5 | 114,5 | 123 | 123 |
| O | 29,5 | 38,5 | 38,5 | 38,5 | 38,5 | 48,5 | 48,5 |
| P | 69,5 | 74,5 | 74,5 | 84,5 | 84,5 | 93 | 93 |
| Q | 78,5 | 93,5 | 93,5 | 101,5 | 101,5 | 114,7 | 114,7 |
| R | 31,8 | 36,5 | 36,5 | 41 | 41 | 46 | 46 |
| S | 30 | 30 | 30 | 30 | 30 | 30 | 30 |
| T | 148 | 168 | 168 | 186 | 186 | 207,7 | 207,7 |
| U | 306,6 | 324,1 | 324,1 | 399 | 399 | 414 | 414 |
| V | 350 | 350 | 350 | 400 | 400 | 400 | 400 |
| W (Gas) | 1/4" | 1/4" | 1/4" | 1/4" | 1/4" | 1/4" | 1/4" |
| X | - | - | - | - | - | - | - |
| Y | 282,3 | 297,1 | 297,1 | 365,6 | 365,6 | 382,9 | 382,9 |
| Z | 503,5 | 518,3 | 518,3 | 636,4 | 636,4 | 653,7 | 653,7 |
| Ch | 27 | 27 | 27 | 36 | 36 | 36 | 36 |
| N° giri* | 19 | 20 | 20 | 25 | 25 | 26 | 26 |
| Peso (Kg) | 19,5 | 28,1 | 28,1 | 38,8 | 38,8 | 50,6 | 50,6 |
| Aria (dm3/cycle) | 2 | 2,8 | 2,8 | 4,2 | 4,2 | 5,9 | 5,9 |
| SCHEDA TECNICA SRNV 1920 | |
| Codice | SRNV1920E1608A |
| Kit guarniz. | KGGI0230VX |
| Misura | SRNV 1920 |
| ISO | F16 |
| N°di giri* | 30 |
| Peso (Kg) | 91 |
| Air (dm3/cycle) | 12,5 |
COMPONENTI ATTUATORE PNEUMATICO SEMPLICE EFFETTO CON COMANDO MANUALE INTEGRATO - MISURE: FINO A SRNV960
| MATERIALI FINO A SRNV960 | |||
| Pos | Denominazione | Q. | Materiale |
| 1 | Vite | 1 | Acciaio inox |
| 2* | Rondelle per Cuscinetti a rullini | 4 | Lega di acciaio |
| 3* | Cuscinetti a rullini | 2 | Lega di acciaio |
| 4 | Flangia | 1 | Lega di alluminio |
| 5 | Anello di Centraggio (Solo per SRNV360) | 1 | Lega di alluminio |
| 6* | O'ring (Solo per SRNV360) | 1 | Gomma nitrilica |
| 7* | O'ring | 2 | Gomma nitrilica |
| 8* | O'ring | 1 | Gomma nitrilica |
| 9* | O'ring | 1 | Gomma nitrilica |
| 10* | O'ring | 1 | Gomma nitrilica |
| 11 | Vite | 1 | Acciaio inox |
| 12 | Molla Spring | 1 | Acciaio inox |
| 13 | Cilindro distanziale | 1 | Lega di alluminio |
| 14* | O'ring | 1 | Gomma nitrilica |
| 15* | Tappo guarnizione | 1 | Ottone+Gomma nitrilica |
| 16 | Tappo (modificato) | 1 | Lega di alluminio |
| 17 | Vite | 4 | Acciaio inox |
| 18* | O'ring | 1 | Gomma nitrilica |
| 19 | Volantino di manovra | 1 | Lega di acciaio |
| 20 | Grano | 2 | Acciaio inox |
| 21 | Tubo di protezione | 1 | Lega di alluminio |
| 22 | Tubo trasparente | 1 | PVC |
| 23 | Tappo di protezione | 1 | Lega di alluminio |
| 24 | Chiave | 1 | Lega di acciaio |
| 25 | Molla | 2 | Lega di acciaio |
| 26* | Rivetto | 1 | Lega di acciaio |
| 27* | Indicatore | 1 | Polipropilene |
| 28 | Chiocciola di manovra | 1 | Lega di acciaio |
| 29 | Boccola filettata (Solo per SRNV240) | 2 | Acciaio inox |
| 30 | Contenitore molla speciale | 1 | Lega di alluminio |
| 31 | Spina | 1 | Lega di acciaio |
| 32 | Vite di manovra | 1 | Lega di acciaio |
| 33* | Anello di tenuta (Pistone) | 2 | Poliuretano |
| 34* | O'ring pistone | 2 | Gomma nitrilica |
| 35 | Pistone (modificato) | 1 | Lega di alluminio |
| 36* | Dischetto di supporto | 4 | P.T.F.E. carbo-graphite filled |
| 37 | Bussola | 2 | Lega di acciaio |
| 38 | Perno Rotative sleeve | 2 | Lega di acciaio |
| 39* | Guarnizione | 2 | Lega di acciaio+Gomma nitrilica |
| 40 | Vite | 2 | Acciaio inox |
| 41 | Forcella | 1 | Lega di acciaio |
| 42 | Supporto albero | 1 | Resina Acetalica |
| 43 | Spina elastica esterna | 1 | Lega di acciaio |
| 44 | Spina elastica interna | 1 | Lega di acciaio |
| 45 | Albero | 1 | Acciaio inox |
| 46 | Bussola di scorrimento | 1 | Resina Acetalica |
| 47 | O'ring albero inferiore | 1 | FKM |
| 48 | Cilindro Cylinder | 1 | Lega di alluminio |
| 49 | O'ring albero superiore | 1 | FKM |
| 50 | Anello di supporto esterno | 1 | Resina Acetalica |
| 51 | Rondella | 1 | Acciaio inox |
| 52 | Seeger | 1 | Acciaio inox |
| 53 | Pistone (Standard) | 1 | Lega di alluminio |
| 54 | Vite di precarica molla | 1 | Acciaio inox |
| 55 | Contenitore molla (Standard) | 1 | Lega di acciaio o Lega di alluminio |
| 56* | O'ring tappo | 1 | Gomma nitrilica |
| 57 | Tappo (Standard) | 1 | Lega di alluminio |
| 58 | Vite | 4 | Acciaio inox |
| 59* | O'ring | 1 | Gomma nitrilica |
| 60 | Dado | 1 | Lega di alluminio |
| 61 | Inserto per o'ring (Solo per SRNV53-120-180-360) | 1 | Acciaio inox |
| *Particolari del kit di ricambio | |||
| MATERIALI SRNV1920 | |||
| Pos | Denominazione | Q.ty | Materiale |
| 1 | Cilindro | 1 | Lega di alluminio |
| 2 | Cilindro | 1 | Lega di alluminio |
| 3 | Cilindro | 1 | Lega di alluminio |
| 4 | Tappo (Standard) | 1 | Lega di alluminio |
| 5 | Supporto interno molle | 1 | Lega di alluminio |
| 6 | Supporto esterno molle | 1 | Lega di alluminio |
| 7 | Vite di precarica molle | 1 | Acciaio inox |
| 8* | O'ring | 1 | Gomma nitrilica |
| 9 | Dado A Calotta | 1 | Acciaio inox |
| 10 | O'ring | 1 | Gomma nitrilica |
| 11 | O'ring | 1 | Gomma nitrilica |
| 12 | Dado | 1 | Acciaio inox |
| 13 | Molla esterna | 2 | Lega di acciaio |
| 14 | Molla interna | 2 | Lega di acciaio |
| 15 | Pistone (Standard) | 1 | Lega di alluminio |
| 16 | Bussola | 2 | Lega di acciaio |
| 17* | Dischetto di supporto | 4 | Resina Acetalica |
| 18 | Spina | 2 | Lega di acciaio |
| 19 | Perno | 2 | Lega di acciaio |
| 20 | Forcella | 1 | Lega di acciaio |
| 21 | Albero | 1 | Acciaio inox |
| 22 | Bussola di scorrimento | 1 | Resina Acetalica |
| 23 | Supporto albero | 1 | Resina Acetalica |
| 24* | O'ring tappo | 1 | Gomma nitrilica |
| 25* | Boccola (albero inferiore) | 1 | P.T.F.E. carbo-graphite filled |
| 26* | Boccola (albero superiore) | 1 | P.T.F.E. carbo-graphite filled |
| 27* | Anello di supporto esterno | 1 | Resina Acetalica |
| 28 | Rondella | 1 | Acciaio inox |
| 29* | O'ring | 3 | Gomma nitrilica |
| 30 | Seeger | 1 | Acciaio inox |
| 31 | Vite | 6 | Acciaio inox |
| 32* | O'ring albero inferiore | 1 | FKM |
| 33* | O'ring pistone | 2 | Gomma nitrilica |
| 34* | O'ring albero superiore | 1 | FKM |
| 35* | O'ring | 2 | Gomma nitrilica |
| 36* | Anello di guida | 2 | P.T.F.E. Carbo-Graphite filled |
| 37 | Dado | 12 | Acciaio inox |
| 38 | Pistone (modificato) | 1 | Lega di alluminio |
| 39* | Cuscinetto (Volantino) | 2 | Poliuretano |
| 40 | Tappo (modificato) Cap (modified) | 1 | Lega di alluminio |
| 41 | Chiocciola di manovra | 1 | Lega di acciaio |
| 42* | Indicatore Indicator | 1 | Polipropilene |
| 43 | Volantino di manovra | 1 | Lega di acciaio |
| 44 | Flangia | 1 | Lega di alluminio |
| 45* | Cuscinetto | 2 | Lega di acciaio |
| 46 | Vite | 8 | Acciaio inox |
| 47 | Vite | 1 | Acciaio inox |
| 48 | Rondella | 1 | Acciaio inox |
| 49 | Chiusura forcella | 1 | Lega di alluminio |
| 50 | Supporto forcella | 1 | Lega di alluminio |
| 51 | Lucchettaggio | 1 | Acciaio inox |
| 52 | Tappo di protezione | 1 | Lega di alluminio |
| 53 | Vite | 3 | Acciaio inox |
| 54* | Rivetto | 1 | Acciaio inox |
| 55 | Chiave | 1 | Acciaio inox |
| 56 | Vite | 6 | Lega di acciaio |
| 57* | O'ring | 1 | Gomma nitrilica |
| 58* | O'ring | 1 | Gomma nitrilica |
| 59* | O'ring | 1 | Gomma nitrilica |
| 60 | Vite | 2 | Acciaio inox |
| 61* | Guarnizione | 2 | Lega di acciaio+Gomma nitrilica |
| 62* | O'ring | 1 | Gomma nitrilica |
| 63* | O'ring | 1 | Gomma nitrilica |
| 64* | Tappo | 2 | P.T.F.E |
| 65 | Dado | 1 | Acciaio inox |
| 66 | Vite di manovra | 1 | Acciaio inox |
| 67 | Tubo di protezione removibile | 1 | Lega di alluminio |
| 68 | Spina | 1 | Acciaio inox |
| 69 | Contenitore molla speciale | 1 | Lega di acciaio |
| 70* | O'ring | 1 | Gomma nitrilica |
| 71* | O'ring | 1 | Gomma nitrilica |
| 72 | Vite | 1 | Acciaio inox |
| 73 | Vite di sicurezza | 1 | Acciaio inox |
| 74 | Tubo di protezione | 1 | Lega di alluminio |
| * Particolari del kit di ricambio | |||