images/testate/Template-Header-Sito-OMALBALLVALVES.jpg

Válvula a esfera em latão Item 100

Válvula a esfera em latão Item 100

Válvula a esfera em latão 2 vias rosqueada passagem integral

CONFIGURAR Acionamento
SOLICITAR INFORMAÇÃO
IMPRIMIR PÁGINA
  • características
  • dimensões
  • materiais
  • diagramas e torques de partida
  • documentos

CARACTERÍSTICAS GERAIS:
• A válvula é construída para uso em baixas pressões com fluidos não agressivos.
• Temperatura de operação: de -20°C a +150°C para fluidos.
• Pressão de operação: ver o diagrama.
• Fluido interceptado: ar, água, óleos, aplicações leves.
• Extremidades rosqueadas em conformidade com a ISO 7/1.
• Flange de montagem do atuador conforme norma ISO 5211.

EXECUÇÕES ESPECIAIS A PEDIDO:
• Para outras aplicações, entrar em contato com nosso departamento técnico.

CERTIFICAÇÕES:
• Em conformidade com a Diretiva Europeia 2014/68/UE "PED"

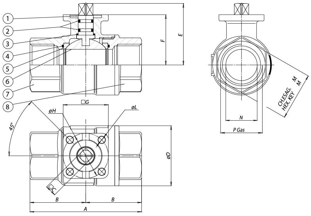
DIMENSÕES
MEDIDA   
A
B
☐C
øD
E
F
☐G
øH
øL
ch.M
N
DN [mm]
[polegada]
DN 10
3/8"
69
34,5
9
31,8
38,5
29,5
36
36
5,5
25
10
DN 15
1/2"
69
34,5
9
31,8
38,5
29,5
36
36
5,5
25
15
DN 20
3/4"
77
38,5
9
40
45,3
36,3
36
36
5,5
31
20
DN 25
1"
89
44,5
9
48
49,2
40,2
36
36
5,5
38
25
DN 32
1" 1/4
103
51,5
11
62
59,6
50,5
42
36
5,5
47
32
DN 40
1" 1/2
114
57
11
72,6
66,2
57
42
36
5,5
54
40
DN 50
2"
134
67
11
88,5
75,5
64,3
46
36/42
5,5
66
50



MATERIAIS   
1
Haste
Latão
EN 12164 CW614N
2
O-ring
FKM

3
Anel anti-fricção
P.T.F.E.

4
O-rings laterais
FKM

5
Guarnições de vedação lateral
P.T.F.E.

6
Esfera
Nickel-chrome plating
EN 12164 CW614N
7
Corpo*
Latão
EN 12165 CW617N
8
Manga fêmea*
 Latão
EN 12165 CW617N
* Tratamento externo: Niquelatura brilhante

DIAGRAMA DE PRESSÃO/TEMPERATURA

Fluxo/queda de pressão e coeficiente nominal Kv

O valor Kv é o valor da vazão em m3/h (com água a 15°C) que causa a queda de pressão de 1 bar.

TORQUES DE PARTIDA en Nm
MEDIDA
DN 10
3/8"
DN 15
1/2"

DN 20
3/4"

DN 25
1"

DN 32
1"1/4

DN 40
1"1/2

DN 50
2"

PN 16 bar
3
3
4
5
7
9
15


Os valores de torque podem variar dependendo da temperatura e do tipo de fluido. Considerar um fator de segurança de 1,4.
Com ciclos frequentes de abertura e fechamento, o torque de manobra pode diminuir significativamente em comparação ao inicial. Os acoplamentos atuador/válvula, mostrados nas páginas a seguir, são realizados para válvulas que interceptam fluidos líquidos ou gasosos, limpos e para temperaturas médias. Para maiores informações ou usos diferentes, consultar nosso departamento técnico.

 CERTIFICADOS

 INSTRUÇÕES

CONFIGURAR DIRIGIR
Selecionar os parâmetros de pesquisa
PESQUISA DE ITEM
X FECHAR

PRÓXIMO EVENTO

IVS - Industrial Valve Summit 2026
IVS - Industrial Valve Summit 2026
Bergamo, Italy, 19 - 21 may 2026