images/testate/Template-Header-Sito-OMALBALLVALVES.jpg

Vanne à boisseau sphérique en laiton, Item 100

Vanne à boisseau sphérique en laiton, Item 100

Vanne à boisseau sphérique en laiton 2 voies, filetée, passage intégral

CONFIGURER Actionnement
DEMANDE D'INFORMATIONS
IMPRIMER PAGE
  • caractéristiques
  • dimensions
  • matériaux
  • diagrammes et couples de démarrage
  • documents

CARACTÉRISTIQUES GÉNÉRALES:
• La vanne a été conçue pour être utilisée à basse pression avec des fluides non agressifs.
• Température de fonctionnement: de -20°C à +150°C pour des fluides.
• Pression de fonctionnement: voir diagramme.
• Fluide véhiculé: air, eau, huiles, applications légères.
• Extrémités filetées selon ISO 7/1.
• Bride montage actionneur selon ISO 5211.

RÉALISATIONS SPÉCIALES SUR DEMANDE:
Pour d'autres applications, veuillez vous adresser à notre bureau technique.

CERTIFICATIONS:
• Conforme à la directive européenne 2014/68/UE  "DESP"

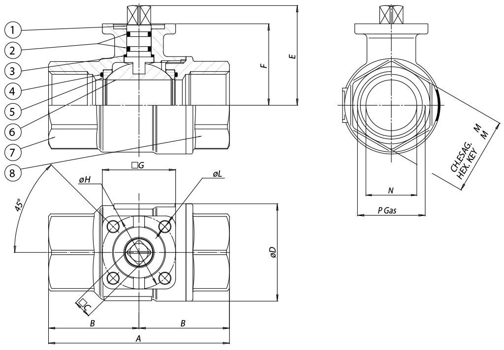
DIMENSIONS
MESURE   
A
B
☐C
øD
E
F
☐G
øH
øL
ch.M
N
DN [mm]
[pouces]
DN 10
3/8"
69
34,5
9
31,8
38,5
29,5
36
36
5,5
25
10
DN 15
1/2"
69
34,5
9
31,8
38,5
29,5
36
36
5,5
25
15
DN 20
3/4"
77
38,5
9
40
45,3
36,3
36
36
5,5
31
20
DN 25
1"
89
44,5
9
48
49,2
40,2
36
36
5,5
38
25
DN 32
1" 1/4
103
51,5
11
62
59,6
50,5
42
36
5,5
47
32
DN 40
1" 1/2
114
57
11
72,6
66,2
57
42
36
5,5
54
40
DN 50
2"
134
67
11
88,5
75,5
64,3
46
36/42
5,5
66
50


MATÉRIAUX    
1
Tige
Laiton
EN 12164 CW614N
2
Joint torique
FKM

3
Bague antifriction
P.T.F.E.

4
Joints toriques latéraux
FKM

5
Garnitures d’étanchéité latérale
P.T.F.E.

6
Boisseau
Nickel-chrome plating
EN 12164 CW614N
7
Corps*
Laiton
EN 12165 CW617N
8
Manchon femelle*
Laiton
EN 12165 CW617N
* Traitement extérieur: Nickelage brillant

DIAGRAMME PRESSION/TEMPÉRATURE

Débit/perte de charge et coefficient nominal Kv

La valeur Kv est la valeur du débit en m3/h (avec de l’eau à 15°C) qui provoque une chute de pression d’1 bar.

COUPLES DE DÉMARRAGE en Nm  
MESURE
DN 10
3/8"

DN 15
1/2"

DN 20
3/4"

DN 25
1"

DN 32
1"1/4

DN 40
1"1/2

DN 50
2"

PN 16 bar
3
3
4
5
7
9
15


Les valeurs du couple peuvent varier en fonction de la température et du fluide. Considérer un facteur de sécurité de 1,4.
Avec des cycles fréquents d'ouverture et de fermeture, le couple de manœuvre pourrait être considérablement inférieur au couple initial. Les accouplements actionneur/vanne, montrés aux pages suivantes, sont conçus pour les vannes qui arrêtent des fluides liquides ou gazeux, propres et pour des températures moyennes. Pour plus d'informations ou pour des utilisations différentes, veuillez vous adresser à notre bureau technique.

 CERTIFICATS

 INSTRUCTIONS

CONFIGURER ACTIONNEMENT
Sélectionnez les paramètres de recherche
RECHERCHER UN ARTICLE
X FERMER

PROCHAIN ÉVÈNEMENT

IVS - Industrial Valve Summit 2026
IVS - Industrial Valve Summit 2026
Bergamo, Italy, 19 - 21 may 2026