images/testate/Template-Header-Sito-OMALBALLVALVES.jpg

Kugelhahn aus Messing Item 100

Kugelhahn aus Messing Item 100
Makro Kugelhähne

Kugelhahn aus Messing, 2-Wege, mit Gewinde, voller Durchgang

KONFIGURIEREN Steuerung
INFORMATIONEN ANFORDERN
SEITE DRUCKEN
  • eigenschaften
  • abmessungen
  • werkstoffe
  • diagramme und anlaufmomente
  • dokumente

ALLGEMEINE EIGENSCHAFTEN: 
• Der Kugelhahn wurde für Anwendungen bei Niederdruck mit nicht aggressiven Medien entwickelt.
• Betriebstemperatur: -20°C bis +150°C für flüssige Medien.
• Betriebsdruck: siehe Diagramm.
• Betriebsmedien: Luft, Wasser, Öle, leichte Anwendungen.
• Innengewinde gemäß der Norm ISO 7/1.
• Montageflansch für Stellantrieb gemäß ISO 5211
 
SONDERAUSFÜHRUNGEN AUF ANFRAGE: 

• Für andere Anwendungen wenden Sie sich an unsere technische Abteilung.

ZERTIFIZIERUNGEN: 
• Gemäß der EU-Richtlinie 2014/68/EU „PED“

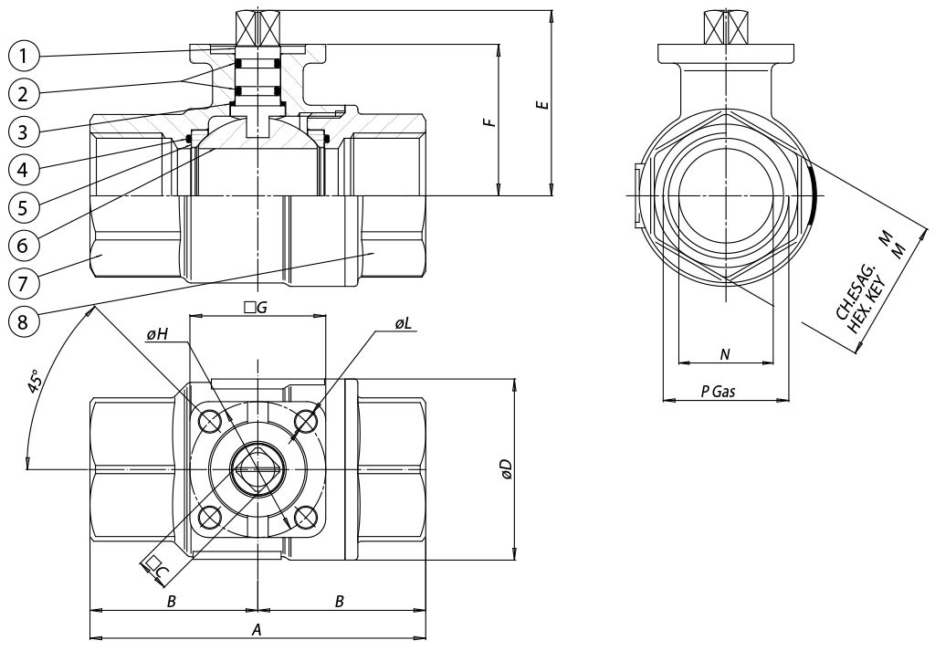
ABMESSUNGEN
BAUGRÖSSE   
A
B
☐C
øD
E
F
☐G
øH
øL
ch.M
N
DN [mm]
[Zoll]
DN 10
3/8"
69
34,5
9
31,8
38,5
29,5
36
36
5,5
25
10
DN 15
1/2"
69
34,5
9
31,8
38,5
29,5
36
36
5,5
25
15
DN 20
3/4"
77
38,5
9
40
45,3
36,3
36
36
5,5
31
20
DN 25
1"
89
44,5
9
48
49,2
40,2
36
36
5,5
38
25
DN 32
1" 1/4
103
51,5
11
62
59,6
50,5
42
36
5,5
47
32
DN 40
1" 1/2
114
57
11
72,6
66,2
57
42
36
5,5
54
40
DN 50
2"
134
67
11
88,5
75,5
64,3
46
36/42
5,5
66
50

WERKSTOFFE   
1
Spindel
Messing
EN 12164 CW614N
2
O-ring
FKM

3
Gleitring
P.T.F.E.

4
Seitliche O-Ringe
FKM

5
Seitliche Dichtungen  
P.T.F.E.

6
Kugel
Nickel-chrome plating
EN 12164 CW614N
7
Gehäuse*
Messing
EN 12165 CW617N
8
Innengewindemuffe*
Messing  
EN 12165 CW617N
* Oberflächenbehandlung: Glanzvernickelung

DRUCK-/TEMPERATURDIAGRAMM

Durchflussrate/Druckverlust und Nennkoeffizient Kv

Der Kv-Wert ist der Durchflusswert in m3/h (bei einer Wassertemperatur von 15°C), der einen Druckabfall von 1 bar verursacht.

ANLAUFMOMENTE in Nm  
BAUGRÖSSE
DN 10
3/8"

DN 15
1/2"

DN 20
3/4"

DN 25
1"

DN 32
1"1/4

DN 40
1"1/2

DN 50
2"

PN 16 bar
3
3
4
5
7
9
15


Die angegebenen Anlaufmomentwerte können sich je nach Temperatur oder Betriebsmedien ändern. Berücksichtigen Sie bitte einen Sicherheitsfaktor von 1,4.
Bei häufigen Öffnungs- und Schließzyklen kann sich das Betriebsdrehmoment im Vergleich zum Anfangswert leicht verringern. Die auf den folgenden Seiten angegebenen Kombinationen Antrieb/Armatur beziehen sich auf Armaturen mit flüssigen oder gasförmigen sauberen Medien bei mittleren Temperaturen. Für weitere Informationen oder andere Anwendungen wenden Sie sich bitte an unsere technische Abteilung.

 ZERTIFIKATE

 ANLEITUNG

KONFIGURIEREN BETÄTIGUNG
Wählen Sie die Suchparameter
ARTIKEL SUCHEN
SCHLIESSEN

NÄCHSTES EVENT

IVS - Industrial Valve Summit 2026
IVS - Industrial Valve Summit 2026
Bergamo, Italy, 19 - 21 may 2026