images/testate/Template-Header-Sito-OMALBALLVALVES.jpg

Válvula de bola de latón Item 100

Válvula de bola de latón Item 100

Válvula de bola de latón de 2 vías roscada paso integral

CONFIGURA Accionamiento
SOLICITA INFORMACIÓN
IMPRIME PÁGINA
  • características
  • dimensiones
  • materiales
  • diagramas y pares de aceleración
  • documentos

CARACTERÍSTICAS GENERALES:
• La válvula está construida para usos a bajas presiones con fluidos no agresivos.
• Temperatura de uso: desde -20°C a +150°C para fluidos.
• Presión de uso: ver diagrama.
• Fluido interceptado: aire, agua, aceites, aplicaciones ligeras.
• Extremos roscados según la norma ISO 7/1.
• Brida de montaje del accionador según la norma ISO 5211.

EJECUCIONES ESPECIALES BAJO PEDIDO:
• Para otras aplicaciones contactar con nuestro departamento técnico.

CERTIFICACIONES:
• Cumple con la directiva Europea 2014/68/UE "PED"

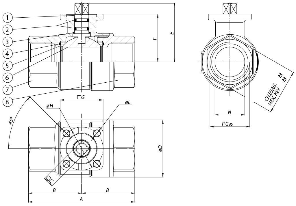
DIMENSIONES
MEDIDA   
A
B
☐C
øD
E
F
☐G
øH
øL
ch.M
N
DN [mm]
[pulgadas]
DN 10
3/8"
69
34,5
9
31,8
38,5
29,5
36
36
5,5
25
10
DN 15
1/2"
69
34,5
9
31,8
38,5
29,5
36
36
5,5
25
15
DN 20
3/4"
77
38,5
9
40
45,3
36,3
36
36
5,5
31
20
DN 25
1"
89
44,5
9
48
49,2
40,2
36
36
5,5
38
25
DN 32
1" 1/4
103
51,5
11
62
59,6
50,5
42
36
5,5
47
32
DN 40
1" 1/2
114
57
11
72,6
66,2
57
42
36
5,5
54
40
DN 50
2"
134
67
11
88,5
75,5
64,3
46
36/42
5,5
66
50



MATERIALES    
1
Vástago
Latón
EN 12164 CW614N
2
Junta tórica
FKM

3
Anillo antifricción
P.T.F.E.

4
Juntas tóricas laterales
FKM

5
Juntas de sellado lateral
P.T.F.E.

6
Bola
Nickel-chrome plating
EN 12164 CW614N
7
Cuerpo*
Latón
EN 12165 CW617N
8
Manguito hembra*
Latón
EN 12165 CW617N
* Tratamiento externo: Niquelado brillante

DIAGRAMA PRESIÓN/TEMPERATURA

Capacidad de carga/pérdida de carga y coeficiente nominal Kv

El valor Kv es el valor de la capacidad de carga en m3/h (con agua a 15°C) que provoca una caída de presión de 1 bar.

PARES DE ACELERACIÓN en Nm
MEDIDA
DN 10
3/8"
DN 15
1/2"

DN 20
3/4"

DN 25
1"

DN 32
1"1/4

DN 40
1"1/2

DN 50
2"

PN 16 bar
3
3
4
5
7
9
15


Los valores del par pueden variar según la temperatura y el tipo de fluido. Tener en cuenta un factor de seguridad igual a 1.4.
Con frecuentes ciclos de apertura y cierre, el par de maniobra puede disminuir sensiblemente con respecto al inicial. Los acoplamientos actuador/válvula, mostrados en las siguientes páginas, se realizan para válvulas que interceptan fluidos líquidos o gaseosos, limpios y para temperaturas medias. Para más información, o usos diferentes, consultar nuestro departamento técnico

 CERTIFICADOS

 INSTRUCCIONES

CONFIGURA CONDUCIR
Selecciona los parámetros de búsqueda
BUSCA ARTÍCULO
X CERRAR

SIGUIENTE EVENTO

IVS - Industrial Valve Summit 2026
IVS - Industrial Valve Summit 2026
Bergamo, Italy, 19 - 21 may 2026