images/testate/Template-Header-Sito-OMALBALLVALVES.jpg

Valvola a sfera in ottone Item 100

Valvola a sfera in ottone Item 100

Valvola a sfera in ottone 2 vie filettata passaggio integrale

CONFIGURA Azionamento
RICHIEDI INFORMAZIONI
STAMPA PAGINA
  • caratteristiche
  • dimensioni
  • materiali
  • diagrammi e coppie di spunto
  • documenti

CARATTERISTICHE GENERALI:
• La valvola é costruita per impieghi a basse pressioni con fluidi non aggressivi.
• Temperatura di utilizzo: da -20°C a +150°C per fluidi.
• Pressione di utilizzo: vedi diagramma.
• Fluido intercettato: aria, acqua, olii, applicazioni leggere.
• Estremità filettate a norma ISO 7/1.
• Flangia montaggio attuatore a norma ISO 5211.

ESECUZIONI SPECIALI A RICHIESTA:

• Per altre applicazioni contattare il nostro ufficio tecnico.

CERTIFICAZIONI:

• Conforme alla direttiva Europea 2014/68/UE “PED”

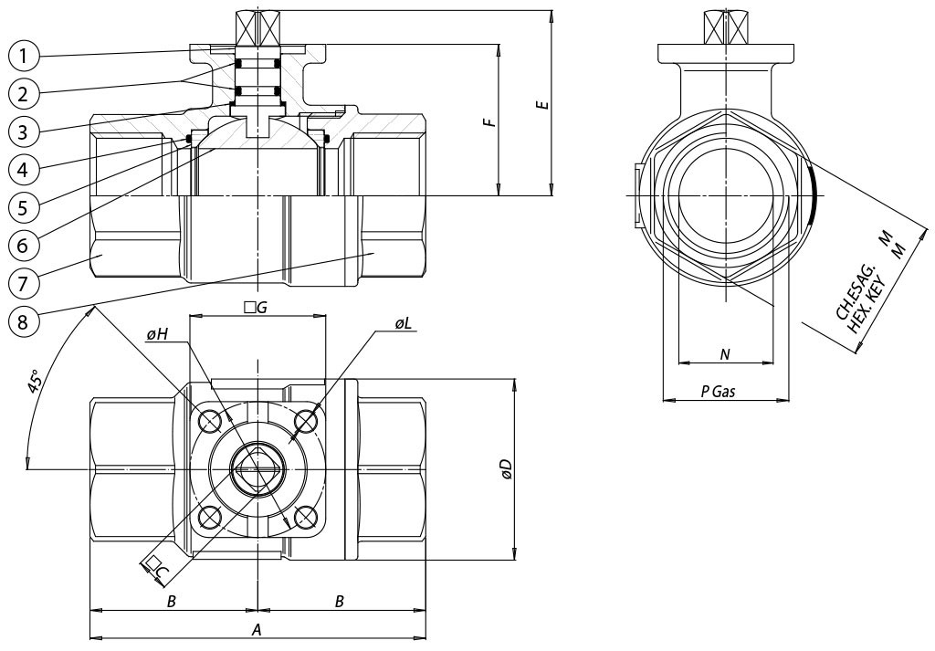
DIMENSIONI    
MISURA  
A
B
☐C
øD
E
F
☐G
øH
øL
ch.M
N
DN [mm]
[inch]
DN 10
3/8"
69
34,5
9
31,8
38,5
29,5
36
36
5,5
25
10
DN 15
1/2"
69
34,5
9
31,8
38,5
29,5
36
36
5,5
25
15
DN 20
3/4"
77
38,5
9
40
45,3
36,3
36
36
5,5
31
20
DN 25
1"
89
44,5
9
48
49,2
40,2
36
36
5,5
38
25
DN 32
1" 1/4
103
51,5
11
62
59,6
50,5
42
36
5,5
47
32
DN 40
1" 1/2
114
57
11
72,6
66,2
57
42
36
5,5
54
40
DN 50
2"
134
67
11
88,5
75,5
64,3
46
36/42
5,5
66
50

MATERIALI    
1
Stelo  
Ottone
EN 12164 CW614N
2
O-ring
FKM

3
Anello antifrizione
P.T.F.E.

4
O-ring laterali  
FKM

5
Guarnizioni di tenuta laterale  
P.T.F.E.

6
Sfera
Nichelcromatura
EN 12164 CW614N
7
Corpo*
Ottone  
EN 12165 CW617N
8
Manicotto femmina*
Ottone  
EN 12165 CW617N
* Trattamento esterno: Nichelatura brillante

Diagramma pressione/temperatura

Portata/perdita di carico e coefficiente nominale Kv

Il valore Kv è il valore di portata in m3/h (con acqua a 15°C) che provoca la caduta di pressione di 1 bar.

COPPIE DI SPUNTO in Nm  
MISURA 
DN 10
3/8"
DN 15
1/2"
DN 20
3/4"
DN 25
1"
DN 32
1"1/4
DN 40
1"1/2
DN 50
2"
PN 16 bar
3
3
4
5
7
9
15


I valori della coppia possono variare in funzione della temperatura e del tipo di fluido. Considerare un fattore di sicurezza pari a 1,4.
Con frequenti cicli di apertura e chiusura la coppia di manovra può diminuire sensibilmente rispetto a quella iniziale. Gli accoppiamenti attuatore/valvola, riportati nelle pagine seguenti, sono realizzati per valvole che intercettano fluidi liquidi o gassosi, puliti e per medie temperature. Per maggiori informazioni, o utilizzi diversi, consultare il nostro ufficio tecnico.

 CERTIFICATI

 ISTRUZIONI

CONFIGURA AZIONAMENTO
Seleziona i parametri di ricerca
CERCA ARTICOLO
X CHIUDI

PROSSIMO EVENTO

IVS - Industrial Valve Summit 2026
IVS - Industrial Valve Summit 2026
Bergamo, Italia, 19 - 21 maggio 2026