images/testate/Template-Header-Sito-OMALBALLVALVES.jpg

Válvula de esfera em latão Item 101

Válvula de esfera em latão Item 101

Válvula de esfera em latão 2 vias rosqueada passagem integral

CONFIGURAR Acionamento
SOLICITAR INFORMAÇÃO
IMPRIMIR PÁGINA
  • características
  • dimensões
  • materiais
  • diagramas e torques de partida
  • documentos

CARACTERÍSTICAS GERAIS:
• A válvula e construída para aplicações de média pressão com fluidos não agressivos.• Temperatura de operação: de -20°C a + 150°C para fluidos.
• Pressão de operação: ver o diagrama.
• Fluido interceptado: ar, água, gás, óleo, produtos petrolíferos e petroquímicos, vácuo.
• Extremidade rosqueada em conformidade com a norma ISO 7/1 and NPT.
• Flange de montagem do atuador conforme norma ISO 5211.
• Disponível também uma versão com perfil de guarnição da esfera autorregulável, adequada para uso com fluidos sujos ou contendo partículas sólidas.

EXECUÇÕES ESPECIAIS A PEDIDO:
• Para outras aplicações, entrar em contato com nosso escritório técnico.

CERTIFICAÇÕES:
• Em conformidade com a diretiva europeia 2014/68/UE "PED".
• Versão ATEX em conformidade com a diretiva 2014/34/UE a pedido

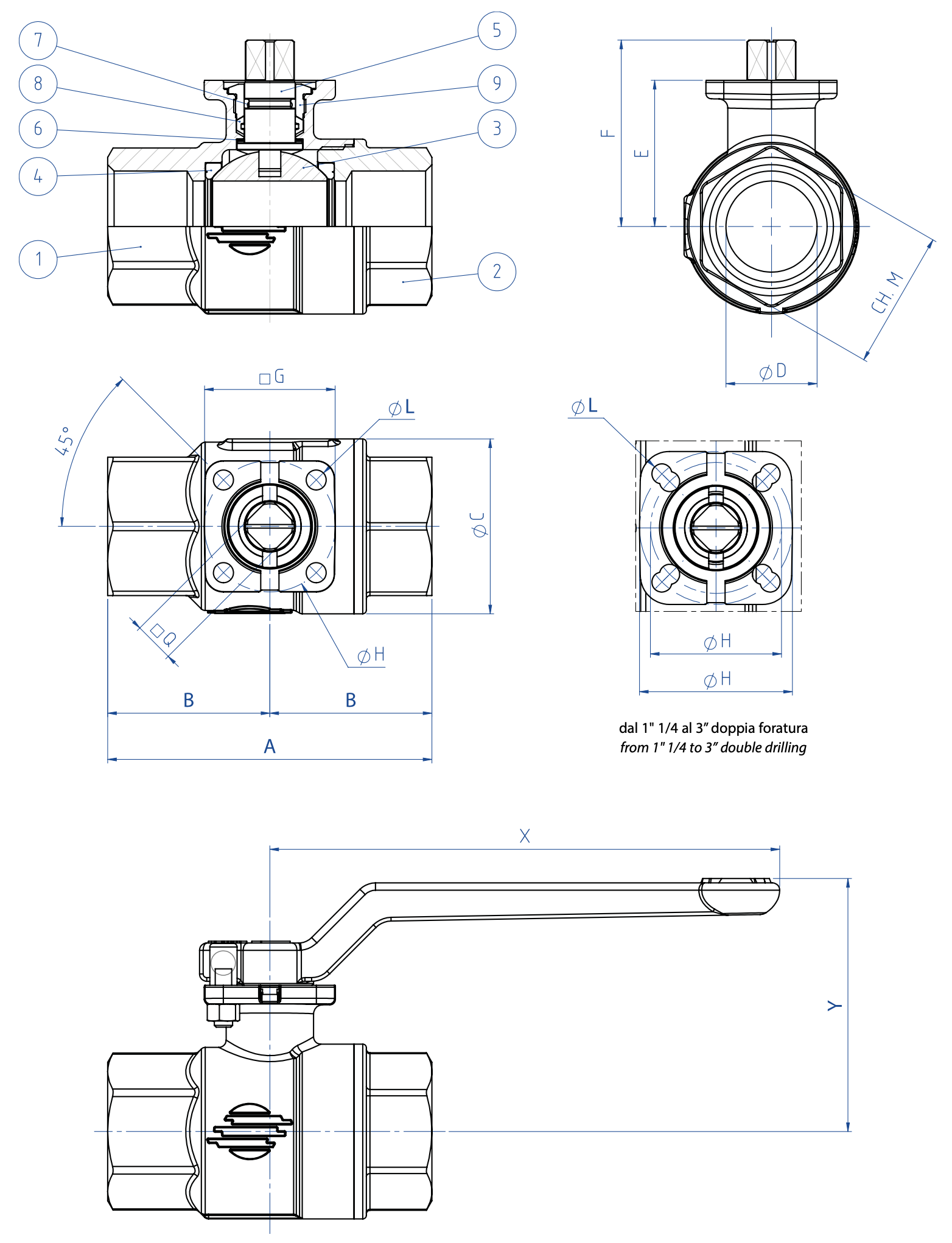
DIMENSÕES   
MEDIDA  
øD
ISO 7/1NPTøc
☐Q
EFGøH
ISOøL
ch.MXY
DN [mm]
[polegada]
ABAB
DN 10
3/8"
106934,5623131,8930,538,53636F035,5
2514058,5
DN 15
1/2"
156934,5623131,8930,538,53636F03
5,5
2514058,5
DN 20
3/4"
207738,568344011*36,347,13636F03
5,5
3114065
DN 25
1"
258944,579,539,84811*40,250,93636F03
5,5
3814068
DN 32
1" 1/4
3210351,59246601151,562,54236/42F03/F04
5,5
4714080
DN 40
1" 1/2
40114571025170,61158694236/42F03/F04
5,5
5414086
DN 50
2"
50134671165888,51165,376,34642/50F04/F05
5,5/6,5
6614093,5
DN 65
2" 1/2
6516180,5146731121483976550/70F05/F07
6,5/8,5
84212118
DN 80
3"
8018592,516884138,41494,5108,56550/70F05/F07
6,5/8,5
98212127,5

* Supply with control panel 9 is available upon request.

MATERIAIS    
1
Corpo*
Latão
EN 12165 CW617N
2
Manga*
Latão
EN 12165 CW617N
3
Esfera
Nickel-chrome plating
EN 12164 CW614N
4
Vedantes laterais
P.T.F.E.

5
Haste
Latão
EN 12164 CW614N
6
Anéis anti-fricção
P.T.F.E.

7
O-ringFKM
8
Vedação da haste
P.T.F.E.

9
Pré-vedação*
Latão
EN 12164 CW614N
* Tratamento externo: Niquelagem brilhante

DIAGRAMA DE PRESSÃO/TEMPERATURA

Fluxo/queda de pressão e coeficiente nominal Kv

O valor Kv é o valor da vazão em m3/h (com água a 15°C) que causa a queda de pressão de 1 bar.

TORQUES DE PARTIDA em Nm 
MEDIDA  
DN 10
3/8"
DN 15
1/2"
DN 20
3/4"
DN 25
1"
DN 32 1"1/4
DN 40
1"1/2
DN 50
2"
DN 65 2"1/2
DN 80
3"
PN 25 bar







48
70
PN 32 bar






23

PN 40 bar




11
16



PN 50 bar


58




PN 64 bar
4
4








Os valores do torque podem variar dependendo da temperatura e do tipo de fluido. Considerar um fator de segurança de 1,4.Com ciclos frequentes de abertura e fechamento, o torque de manobra pode diminuir significativamente em comparação ao inicial. Os acoplamentos atuador/válvula, mostrados nas páginas a seguir, são realizados para válvulas que interceptam fluidos líquidos ou gasosos, limpos e para temperaturas médias. Para mais informações ou usos diferentes, consultar nosso departamento de vendas.

CONFIGURAR DIRIGIR
Selecionar os parâmetros de pesquisa
PESQUISA DE ITEM
X FECHAR

PRÓXIMO EVENTO

IVS - Industrial Valve Summit 2026
IVS - Industrial Valve Summit 2026
Bergamo, Italy, 19 - 21 may 2026