images/testate/Template-Header-Sito-OMALBALLVALVES.jpg

Válvula de bola de latón Item 101

Válvula de bola de latón Item 101

Válvula de bola de latón 2 vías roscada paso integral

CONFIGURA Accionamiento
SOLICITA INFORMACIÓN
IMPRIME PÁGINA
  • características
  • dimensiones
  • materiales
  • diagramas y pares de aceleración
  • documentos

CARACTERÍSTICAS GENERALES:
• La válvula está construida para usos a medias presiones con fluidos no agresivos.
• Temperatura de uso: desde -20°C a +150°C para fluidos.
• Presión de uso: ver diagrama.
• Fluido interceptado: aire, agua, gas, aceites, productos petrolíferos y petroquímicos, vacío.
• Extremos roscados según la norma ISO 7/1 and NPT.
• Brida de montaje del accionador según la norma ISO 5211.
• Disponible también una versión con perfil junta de bola autorascadora adecuada para el uso con fluidos sucios o que contengan partículas sólidas.

EJECUCIONES ESPECIALES BAJO PEDIDO:

• Para otras aplicaciones contactar con nuestro departamento técnico.

CERTIFICACIONES:

• Cumple con la directiva Europea 2014/68/UE “PED”
• Versión ATEX de conformidad con la directiva 2014/34/UE bajo pedido

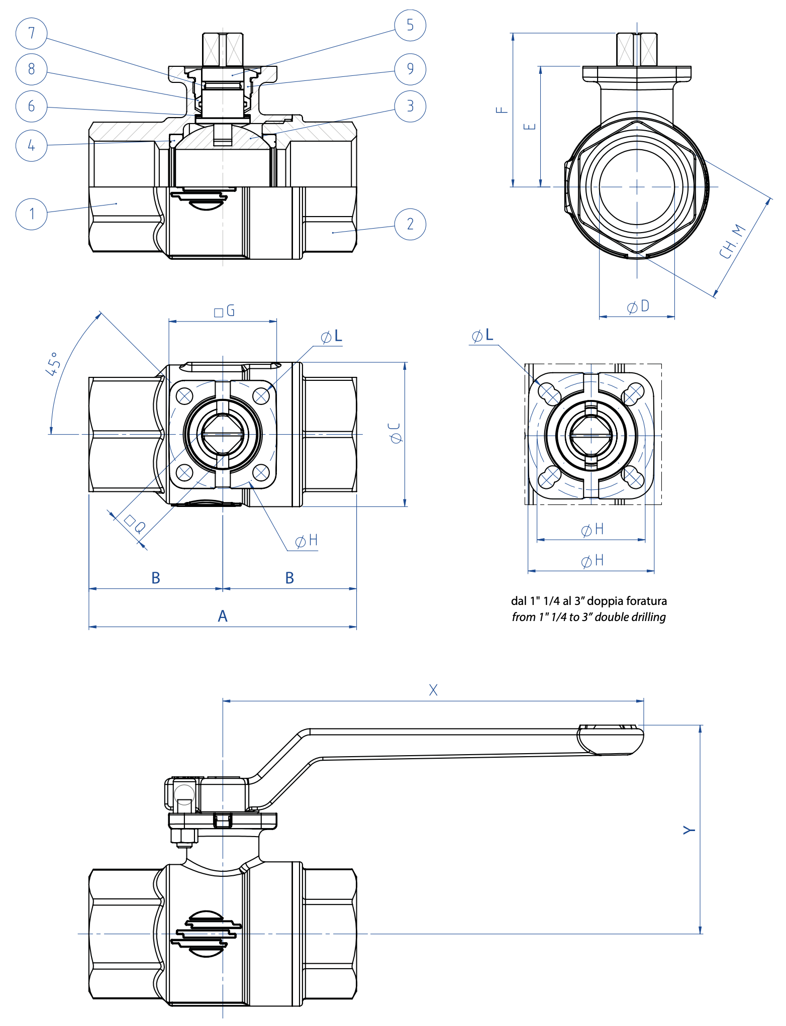
DIMENSIONES   
MEDIDA  
øD
ISO 7/1NPTøc
☐Q
EFGøH
ISOøL
ch.MXY
DN [mm]
[pulgadas]
ABAB
DN 10
3/8"
106934,5623131,8930,538,53636F035,5
2514058,5
DN 15
1/2"
156934,5623131,8930,538,53636F03
5,5
2514058,5
DN 20
3/4"
207738,568344011*36,347,13636F03
5,5
3114065
DN 25
1"
258944,579,539,84811*40,250,93636F03
5,5
3814068
DN 32
1" 1/4
3210351,59246601151,562,54236/42F03/F04
5,5
4714080
DN 40
1" 1/2
40114571025170,61158694236/42F03/F04
5,5
5414086
DN 50
2"
50134671165888,51165,376,34642/50F04/F05
5,5/6,5
6614093,5
DN 65
2" 1/2
6516180,5146731121483976550/70F05/F07
6,5/8,5
84212118
DN 80
3"
8018592,516884138,41494,5108,56550/70F05/F07
6,5/8,5
98212127,5

* Supply with control panel 9 is available upon request.

MATERIALES    
1
Cuerpo*
Latón
EN 12165 CW617N
2
Manguito*
Latón
EN 12165 CW617N
3
Esfera
Nickel-chrome plating
EN 12164 CW614N
4
Juntas de sellado lateral
P.T.F.E.

5
Vástago
Latón
EN 12164 CW614N
6
Anillos antifricción
P.T.F.E.

7
Junta tórica (O-ring)
FKM
8
Junta de sellado del vástago
P.T.F.E.

9
Prensaestopas*
Latón
EN 12164 CW614N
* Tratamiento externo: Niquelado brillante

DIAGRAMA PRESIÓN/TEMPERATURA

Capacidad de carga/pérdida de carga y coeficiente nominal Kv

El valor Kv es el valor de la capacidad de carga en m3/h (con agua a 15°C) que provoca una caída de presión de 1 bar.

PARES DE ACELERACIÓN en Nm 
MEDIDA  
DN 10
3/8"
DN 15
1/2"
DN 20
3/4"
DN 25
1"
DN 32 1"1/4
DN 40
1"1/2
DN 50
2"
DN 65 2"1/2
DN 80
3"
PN 25 bar







48
70
PN 32 bar






23

PN 40 bar




11
16



PN 50 bar


58




PN 64 bar
4
4








Los valores del par pueden variar según la temperatura y el tipo de fluido. Tener en cuenta un factor de seguridad igual a 1.4.
Con frecuentes ciclos de apertura y cierre, el par de maniobra puede disminuir sensiblemente con respecto al inicial. Los acoplamientos actuador/válvula, mostrados en las siguientes páginas, se realizan para válvulas que interceptan fluidos líquidos o gaseosos, limpios y para temperaturas medias. Para más información, o usos diferentes, consultar nuestro departamento comercial.

CONFIGURA CONDUCIR
Selecciona los parámetros de búsqueda
BUSCA ARTÍCULO
X CERRAR

SIGUIENTE EVENTO

IVS - Industrial Valve Summit 2026
IVS - Industrial Valve Summit 2026
Bergamo, Italy, 19 - 21 may 2026