images/testate/Template-Header-Sito-OMALBALLVALVES.jpg

Valvola a sfera in ottone Item 101

Valvola a sfera in ottone Item 101

Valvola a sfera in ottone 2 vie filettata passaggio integrale

CONFIGURA Azionamento
RICHIEDI INFORMAZIONI
STAMPA PAGINA
  • caratteristiche
  • dimensioni
  • materiali
  • diagrammi e coppie di spunto
  • documenti

CARATTERISTICHE GENERALI:
• La valvola é costruita per impieghi a medie pressioni con fluidi non aggressivi.
• Temperatura di utilizzo: da -20°C a +150°C per fluidi.
• Pressione di utilizzo: vedi diagramma.
• Fluido intercettato: aria, acqua, gas, oli, prodotti petroliferi e petrolchimici, vuoto.
• Estremità filettate a norma ISO 7/1 e NPT.
• Flangia montaggio attuatore a norma ISO 5211.
• Disponibile anche una versione con profilo guarnizione sfera autoraschiante idonea all'impiego con fluidi sporchi o contenenti particolato solido.

ESECUZIONI SPECIALI A RICHIESTA:
• Per altre applicazioni contattare il nostro ufficio tecnico.

CERTIFICAZIONI:
• Conforme alla direttiva Europea 2014/68/UE “PED”
• Versione ATEX in conformità alla direttiva 2014/34/UE a richiesta

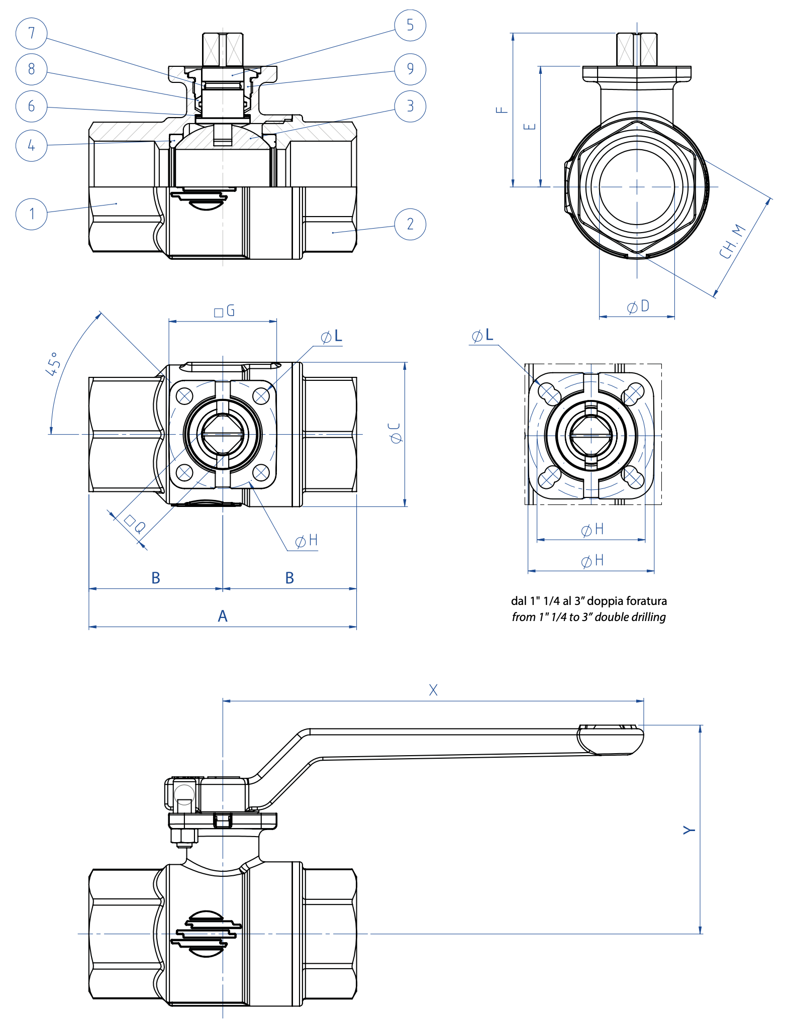
DIMENSIONI   
MISURA  
øD
ISO 7/1NPTøc
☐Q
EFGøH
ISOøL
ch.MXY
DN [mm]
[inch]
ABAB
DN 10
3/8"
106934,5623131,8930,538,53636F035,5
2514058,5
DN 15
1/2"
156934,5623131,8930,538,53636F03
5,5
2514058,5
DN 20
3/4"
207738,568344011*36,347,13636F03
5,5
3114065
DN 25
1"
258944,579,539,84811*40,250,93636F03
5,5
3814068
DN 32
1" 1/4
3210351,59246601151,562,54236/42F03/F04
5,5
4714080
DN 40
1" 1/2
40114571025170,61158694236/42F03/F04
5,5
5414086
DN 50
2"
50134671165888,51165,376,34642/50F04/F05
5,5/6,5
6614093,5
DN 65
2" 1/2
6516180,5146731121483976550/70F05/F07
6,5/8,5
84212118
DN 80
3"
8018592,516884138,41494,5108,56550/70F05/F07
6,5/8,5
98212127,5

* A richiesta è possibile la fornitura con quadro 9.

MATERIALI    
1
Corpo*
Ottone
EN 12165 CW617N
2
Manicotto*
OttoneEN 12165 CW617N
3
Sfera  
Nichelcromatura
EN 12164 CW614N
4
Guarnizioni di tenuta laterale
P.T.F.E.

5
SteloOttoneEN 12164 CW614N
6
Anelli antifrizioneP.T.F.E.

7
O-ringFKM
8
Guarnizione tenuta steloP.T.F.E.

9
Premiguarnizione*Ottone
EN 12164 CW614N
* Trattamento esterno: Nichelatura brillante

Diagramma pressione/temperatura

Portata/perdita di carico e coefficiente nominale Kv

Il valore Kv è il valore di portata in m3/h (con acqua a 15°C) che provoca la caduta di pressione di 1 bar.

COPPIE DI SPUNTO in Nm 
MISURA  
DN 10
3/8"
DN 15
1/2"
DN 20
3/4"
DN 25
1"
DN 32 1"1/4
DN 40
1"1/2
DN 50
2"
DN 65 2"1/2
DN 80
3"
PN 25 bar







48
70
PN 32 bar





23

PN 40 bar




1116



PN 50 bar


58




PN 64 bar
4
4








I valori della coppia possono variare in funzione della temperatura e del tipo di fluido. Considerare un fattore di sicurezza pari a 1,4.
Con frequenti cicli di apertura e chiusura la coppia di manovra può diminuire sensibilmente rispetto a quella iniziale. Gli accoppiamenti attuatore/valvola, riportati nelle pagine seguenti, sono realizzati per valvole che intercettano fluidi liquidi o gassosi, puliti e per medie temperature. Per maggiori informazioni, o utilizzi diversi, consultare il nostro ufficio commerciale.

CONFIGURA AZIONAMENTO
Seleziona i parametri di ricerca
CERCA ARTICOLO
X CHIUDI

PROSSIMO EVENTO

IVS - Industrial Valve Summit 2026
IVS - Industrial Valve Summit 2026
Bergamo, Italia, 19 - 21 maggio 2026