images/testate/Template-Header-Sito-OMALBALLVALVES.jpg

Vanne à boisseau sphérique en laiton, Item 101

Vanne à boisseau sphérique en laiton, Item 101

Vanne à boisseau sphérique en laiton 2 voies, filetée, passage intégral

CONFIGURER Actionnement
DEMANDE D'INFORMATIONS
IMPRIMER PAGE
  • caractéristiques
  • dimensions
  • matériaux
  • diagrammes et couples de démarrage
  • documents

CARACTÉRISTIQUES GÉNÉRALES:
• La vanne a été conçue pour être utilisée à des pressions moyennes avec des fluides non agressifs.
• Température de fonctionnement: de -20°C à +150°C pour des fluides.
• Pression de fonctionnement: voir diagramme. Fluide véhiculé: air, eau, gaz, huiles, produits pétroliers et pétrochimiques, vide.
• Extrémités filetées selon ISO 7/1 and NPT.
• Bride montage actionneur selon ISO 5211.
Disponibilité également d’une version avec profil garniture boisseau autorasant, adaptée à une utilisation avec des fluides encrassés ou contenant des particules solides.

RÉALISATIONS SPÉCIALES SUR DEMANDE:
• Pour d'autres applications, veuillez vous adresser à notre bureau technique.

CERTIFICATIONS:
• Conforme à la directive européenne 2014/68/UE DESP
• Version ATEX conforme à la directive 2014/34/UE sur demande

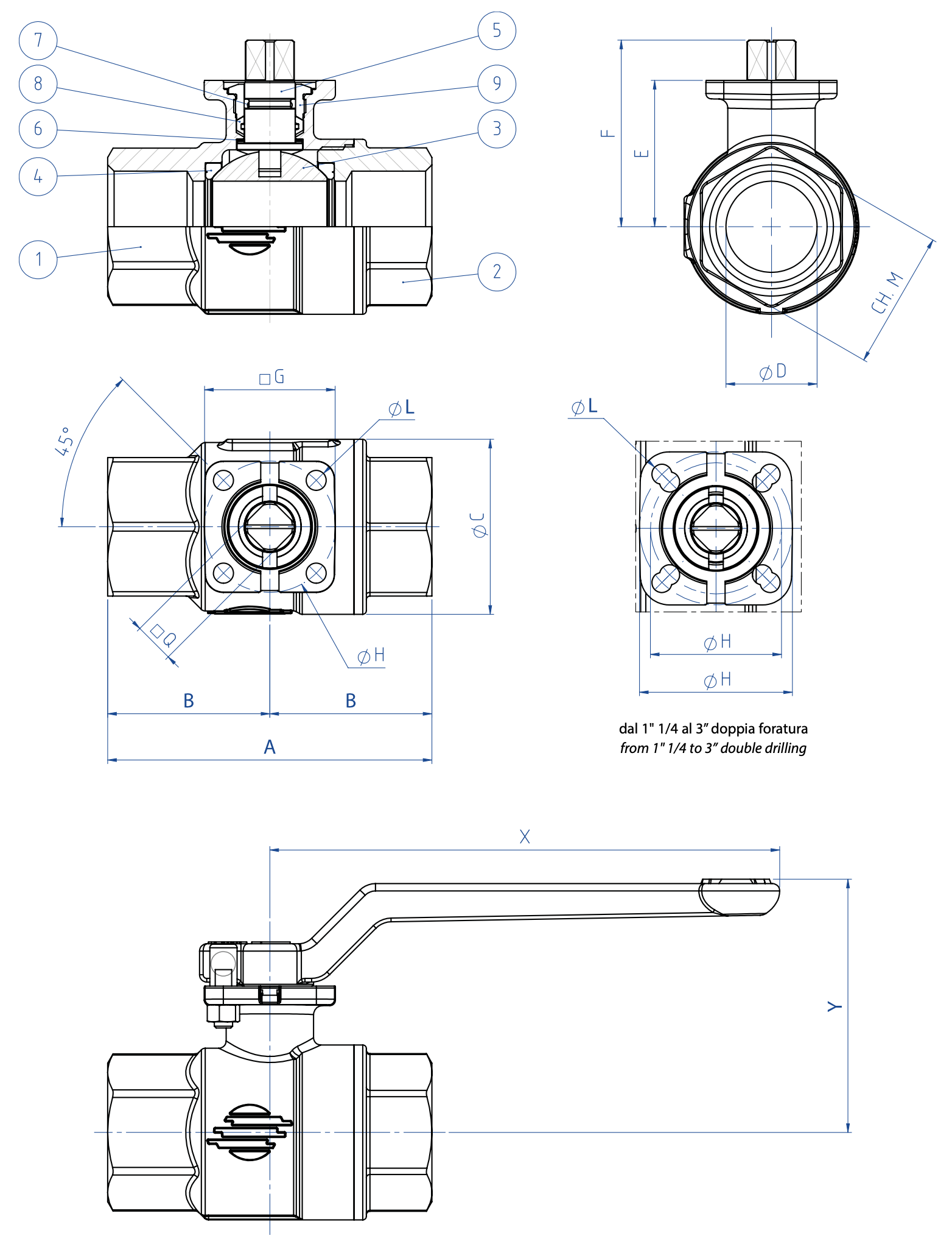
DIMENSIONS   
MESURE  
øD
ISO 7/1NPTøc
☐Q
EFGøH
ISOøL
ch.MXY
DN [mm]
[pouces]
ABAB
DN 10
3/8"
106934,5623131,8930,538,53636F035,5
2514058,5
DN 15
1/2"
156934,5623131,8930,538,53636F03
5,5
2514058,5
DN 20
3/4"
207738,568344011*36,347,13636F03
5,5
3114065
DN 25
1"
258944,579,539,84811*40,250,93636F03
5,5
3814068
DN 32
1" 1/4
3210351,59246601151,562,54236/42F03/F04
5,5
4714080
DN 40
1" 1/2
40114571025170,61158694236/42F03/F04
5,5
5414086
DN 50
2"
50134671165888,51165,376,34642/50F04/F05
5,5/6,5
6614093,5
DN 65
2" 1/2
6516180,5146731121483976550/70F05/F07
6,5/8,5
84212118
DN 80
3"
8018592,516884138,41494,5108,56550/70F05/F07
6,5/8,5
98212127,5

* Supply with control panel 9 is available upon request.

MATÉRIAUX    
1
Corps*
Laiton
EN 12165 CW617N
2
Manchon*
Laiton
EN 12165 CW617N
3
Sphère
Nickel-chrome plating
EN 12164 CW614N
4
Joints latéraux
P.T.F.E.

5
Tige
Laiton
EN 12164 CW614N
6
Anneaux anti-friction
P.T.F.E.

7
Joint torique (O-ring)FKM
8
Joint de tige
P.T.F.E.

9
Serre-joint*
Laiton
EN 12164 CW614N
* Traitement externe: Placage nickel brillant

DIAGRAMME PRESSION/TEMPÉRATURE

Débit/perte de charge et coefficient nominal Kv

La valeur Kv est la valeur du débit en m3/h (avec de l’eau à 15°C) qui provoque une chute de pression d’1 bar.

COUPLES DE DÉMARRAGE en Nm 
MESURE  
DN 10
3/8"
DN 15
1/2"
DN 20
3/4"
DN 25
1"
DN 32 1"1/4
DN 40
1"1/2
DN 50
2"
DN 65 2"1/2
DN 80
3"
PN 25 bar







48
70
PN 32 bar






23

PN 40 bar




11
16



PN 50 bar


58




PN 64 bar
4
4








Les valeurs du couple peuvent varier en fonction de la température et du fluide. Considérer un facteur de sécurité de 1,4.
Avec des cycles fréquents d'ouverture et de fermeture, le couple de manœuvre pourrait être considérablement inférieur au couple initial. Les accouplements actionneur/vanne, montrés aux pages suivantes, sont conçus pour les vannes qui arrêtent des fluides liquides ou gazeux, propres et pour des températures moyennes. Pour plus d'informations ou pour des utilisations différentes, veuillez vous adresser à notre service commercial.

CONFIGURER ACTIONNEMENT
Sélectionnez les paramètres de recherche
RECHERCHER UN ARTICLE
X FERMER

PROCHAIN ÉVÈNEMENT

IVS - Industrial Valve Summit 2026
IVS - Industrial Valve Summit 2026
Bergamo, Italy, 19 - 21 may 2026