images/testate/Template-Header-Sito-OMALBALLVALVES.jpg

Kugelhahn aus Messing Item 101

Kugelhahn aus Messing Item 101
Makro Kugelhähne

Kugelhahn aus Messing, 2-Wege, mit Gewinde, voller Durchgang

KONFIGURIEREN Steuerung
INFORMATIONEN ANFORDERN
SEITE DRUCKEN
  • eigenschaften
  • abmessungen
  • werkstoffe
  • diagramme und anlaufmomente
  • dokumente

ALLGEMEINE EIGENSCHAFTEN: 
• Der Kugelhahn wurde für Anwendungen bei Niederdruck mit nicht aggressiven Medien entwickelt.
• Betriebstemperatur: -20°C bis +150°C für flüssige Medien.
• Betriebsdruck: siehe Diagramm.
• Betriebsmedien: Luft, Wasser, Gas, Öle, Petrochemikalien, Erdölprodukte und Vakuum.
• Innengewinde gemäß der Norm ISO 7/1 and NPT.
• Montageflansch für Stellantrieb gemäß ISO 5211
• Erhältlich auch mit selbstreinigender Kugeldichtung, geeignet für die Verwendung bei schmutzigen Medien oder Medien, die Feststoffe enthalten. 

SONDERAUSFÜHRUNGEN AUF ANFRAGE: 
• Für andere Anwendungen wenden Sie sich bitte an unsere technische Abteilung.

ZERTIFIZIERUNGEN: 
• In Einklang mit der EU-Richtlinie 2014/68/EU "PED"
• ATEX-Ausführung gemäß der EU-Richtlinie ATEX 2014/34/EU (auf Anfrage)

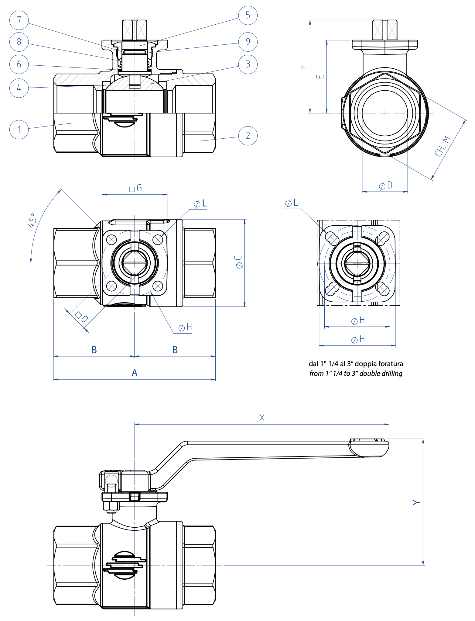
ABMESSUNGEN   
BAUGRÖSSE  
øD
ISO 7/1NPTøc
☐Q
EFGøH
ISOøL
ch.MXY
DN [mm]
[Zoll]
ABAB
DN 10
3/8"
106934,5623131,8930,538,53636F035,5
2514058,5
DN 15
1/2"
156934,5623131,8930,538,53636F03
5,5
2514058,5
DN 20
3/4"
207738,568344011*36,347,13636F03
5,5
3114065
DN 25
1"
258944,579,539,84811*40,250,93636F03
5,5
3814068
DN 32
1" 1/4
3210351,59246601151,562,54236/42F03/F04
5,5
4714080
DN 40
1" 1/2
40114571025170,61158694236/42F03/F04
5,5
5414086
DN 50
2"
50134671165888,51165,376,34642/50F04/F05
5,5/6,5
6614093,5
DN 65
2" 1/2
6516180,5146731121483976550/70F05/F07
6,5/8,5
84212118
DN 80
3"
8018592,516884138,41494,5108,56550/70F05/F07
6,5/8,5
98212127,5

* Supply with control panel 9 is available upon request.

MATERIALIEN    
1
Gehäuse*
Messing
EN 12165 CW617N
2
Muffe*
Messing
EN 12165 CW617N
3
Kugel
Nickel-chrome plating
EN 12164 CW614N
4
Seitliche Dichtungen
P.T.F.E.

5
Spindel
Messing
EN 12164 CW614N
6
Ringe gegen Reibung
P.T.F.E.

7
O-ringFKM
8
Spindeldichtung
P.T.F.E.

9
Dichtungsniederhalter*
Messing
EN 12164 CW614N
* Externe Behandlung: Glänzende Vernickelung

DRUCK-/TEMPERATURDIAGRAMM

Durchflussrate/Druckverlust und Nennkoeffizient Kv

Der Kv-Wert ist der Durchflusswert in m3/h (bei einer Wassertemperatur von 15°C), der einen Druckabfall von 1 bar verursacht.

ANLAUFMOMENTE in Nm
BAUGRÖSSE  
DN 10
3/8"
DN 15
1/2"
DN 20
3/4"
DN 25
1"
DN 32 1"1/4
DN 40
1"1/2
DN 50
2"
DN 65 2"1/2
DN 80
3"
PN 25 bar







48
70
PN 32 bar






23

PN 40 bar




11
16



PN 50 bar


58




PN 64 bar
4
4








Die angegebenen Anlaufmomentwerte können sich je nach Temperatur oder Betriebsmedien ändern. Berücksichtigen Sie bitte einen Sicherheitsfaktor von 1,4.
Bei häufigen Öffnungs- und Schließzyklen kann sich das Betriebsdrehmoment im Vergleich zum Anfangswert leicht verringern. Die auf den folgenden Seiten angegebenen Kombinationen Antrieb/Armatur beziehen sich auf Armaturen mit flüssigen oder  gasförmigen sauberen Medien bei mittleren Temperaturen. Für weitere Informationen oder andere Verwendungszwecke wenden Sie sich bitte an unsere Verkaufsabteilung.

KONFIGURIEREN BETÄTIGUNG
Wählen Sie die Suchparameter
ARTIKEL SUCHEN
SCHLIESSEN

NÄCHSTES EVENT

IVS - Industrial Valve Summit 2026
IVS - Industrial Valve Summit 2026
Bergamo, Italy, 19 - 21 may 2026