images/testate/Template-Header-Sito-OMALBALLVALVES.jpg

Válvula de esfera em latão Item 160-161

Válvula de esfera em latão Item 160-161

Válvula de esfera em latão 3 vias 4 guarnições - rosqueada com esfera em "T" ou "L"
ITEM 160
Válvula com esfera em "T"
ITEM 161
Válvula com esfera em "L"

CONFIGURAR Acionamento
SOLICITAR INFORMAÇÃO
IMPRIMIR PÁGINA
  • características
  • dimensões
  • materiais
  • diagramas e torques de partida
  • especificações

CARACTERÍSTICAS GERAIS:
• A válvula com 4 guarnições na esfera permite desviar o fluxo em todas as direções, ver o diagrama
• Temperatura de operação: de -15°C a +120°C
• Pressão de operação: ver a tabela.
• Fluido interceptado: ar, água, gás, óleos, produtos petrolíferos e produtos petroquímicos, vácuo, fluidos não agressivos.
• Extremidade rosqueada em conformidade com a norma ISO 7/1.

EXECUÇÕES ESPECIAIS A PEDIDO:
• Para outras aplicações, entrar em contato com nosso departamento de vendas.

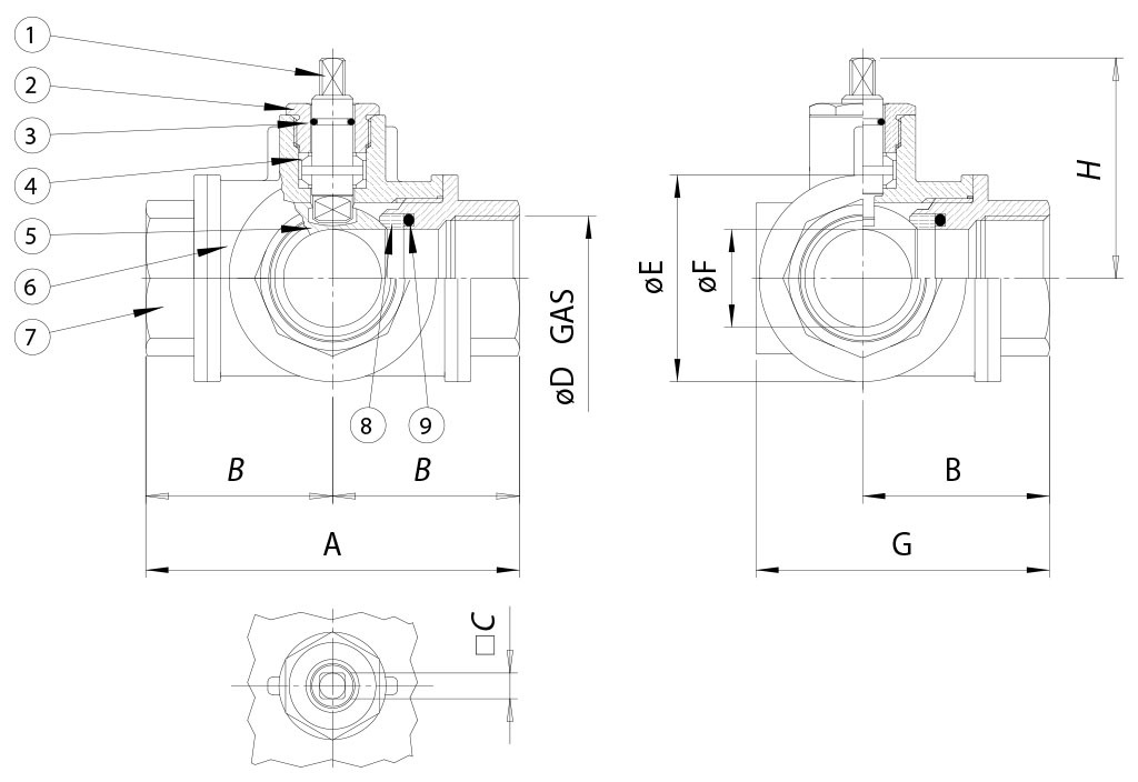
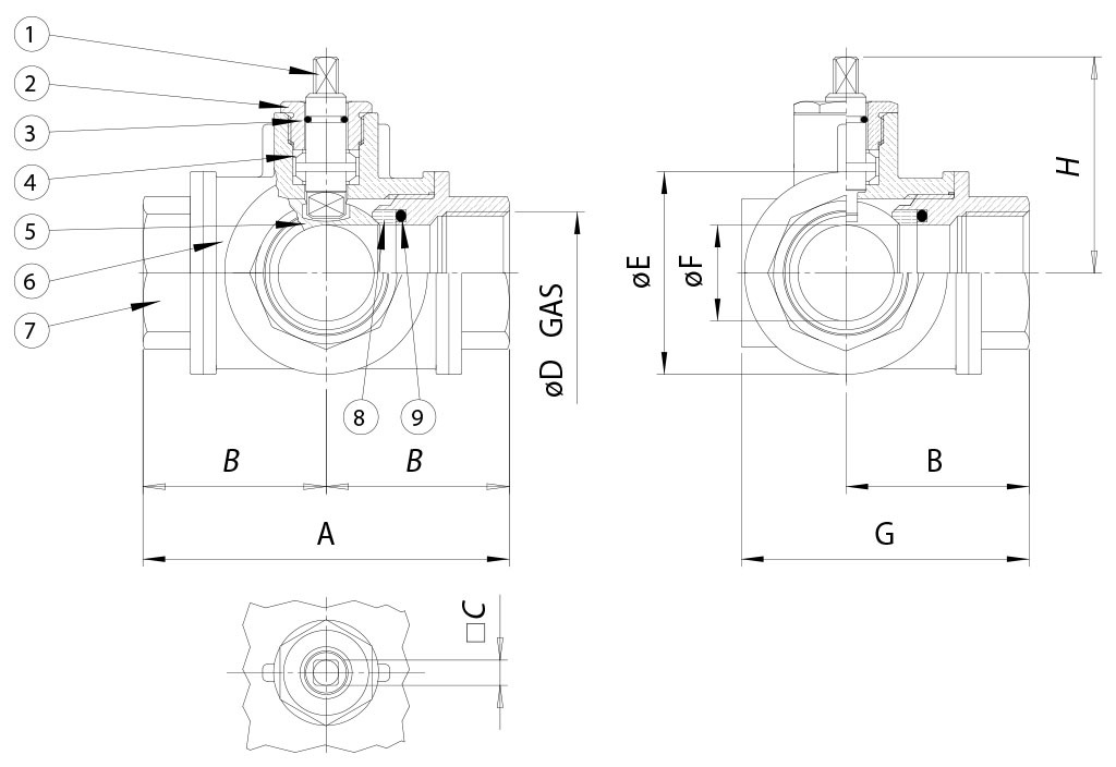
DIMENSÕES  
MEDIDAA
B
□C
øD
øE
øF
G
H
DN [mm]
[polegada]
DN 15
1/2"
80
40
7
1/2”
38
13
61
43,2
DN 20
3/4"
96
48
10
3/4”
48
18
74
52,9
DN 25
1"
113
56,5
10
1”
58
23
88
57,3
DN 32
1" 1/4
130
65
14
1" 1/4
67
29
99
74,5
DN 40
1" 1/2
147
73,5
14
1" 1/2
78
35
114
79
DN 50
2"
169
84,5
17
2”
95
44
132
94,2

MATERIAIS   
1
Haste*
Latão
EN 12164 CW614N
2
Aperta guarnição*
Latão
EN 12164 CW614N
3
O-ring
FKM

4
Torque de vedação superior
P.T.F.E.

5
Esfera
Latão cromado polido
EN 12164 CW614N
6
Corpo*
Latão
EN 12165 CW617N
7
Manga fêmea*
Latão
EN 12165 CW617N
8
Guarnições de vedação lateral
P.T.F.E.

9
O-ring de vedação lateral
FKM

* Tratamento externo: Niquelatura brilhante

DIAGRAMA DE PRESSÃO/TEMPERATURA

TORQUES DE PARTIDA em Nm
MEDIDADN 15
1/2"
DN 20
3/4"
DN 25
1"
DN 32
1"1/4
DN 40
1"1/2
DN 50
2"
PN 16 bar



31
43
74
PN 25 bar


20



PN 40 bar
8
14






Os valores do torque podem variar dependendo da temperatura e do tipo de fluido. Considerar um fator de segurança de 1,4.
Com ciclos frequentes de abertura e fechamento, o torque de manobra pode diminuir significativamente em comparação ao inicial. Os acoplamentos atuador/válvula, mostrados nas páginas a seguir, são realizados para válvulas que interceptam fluidos líquidos ou gasosos, limpos e para temperaturas médias. Para mais informações ou usos diferentes, consultar nosso departamento de vendas.

Diagrama da esfera em "L”

NB:
Com o atuador SR NORMALMENTE FECHADO, a posição de repouso da esfera deve ser "A".
Com o atuador SR NORMALMENTE ABERTO, a posição de repouso da esfera deve ser "B".

Vista de cima

Diagrama da esfera em "T"

Com o atuador, apenas duas posições são possíveis com rotação de 90°: a configuração da esfera deve sempre ser comunicada ao nosso escritório de vendas.
N.B.:
Com o atuador SR NORMALMENTE FECHADO, escolher a posição de repouso da esfera; alimentando, o atuador gira no sentido anti-horário.
Com o atuador SR NORMALMENTE ABERTO, escolher a posição de repouso da esfera; alimentando, o atuador gira no sentido horário.

Vista de cima

CONFIGURAR DIRIGIR
Selecionar os parâmetros de pesquisa
PESQUISA DE ITEM
X FECHAR

PRÓXIMO EVENTO

IVS - Industrial Valve Summit 2026
IVS - Industrial Valve Summit 2026
Bergamo, Italy, 19 - 21 may 2026