images/testate/Template-Header-Sito-OMALBALLVALVES.jpg

Valvola a sfera in ottone Item 160-161

Valvola a sfera in ottone Item 160-161

Valvola a sfera in ottone 3 vie 4 guarnizioni - filettata con sfera a “T” o “L”
ITEM 160
Valvola con sfera a "T"
ITEM 161
Valvola con sfera a "L"

CONFIGURA Azionamento
RICHIEDI INFORMAZIONI
STAMPA PAGINA
  • caratteristiche
  • dimensioni
  • materiali
  • diagrammi e coppie di spunto
  • specifiche

CARATTERISTICHE GENERALI:
La valvola con 4 guarnizioni sulla sfera, permette la deviazione del flusso in tutte le direzioni, vedere schema
• Temperatura di utilizzo: da -15°C a + 120°C
• Pressione di utilizzo: vedi tabella.
• Fluido intercettato: aria, acqua, gas, olii, prodotti petroliferi e petrolchimici, vuoto, fluidi non aggressivi.
• Estremità filettate a norma ISO 7/1.

ESECUZIONI SPECIALI A RICHIESTA:

• Per altre applicazioni contattare il nostro ufficio commerciale.

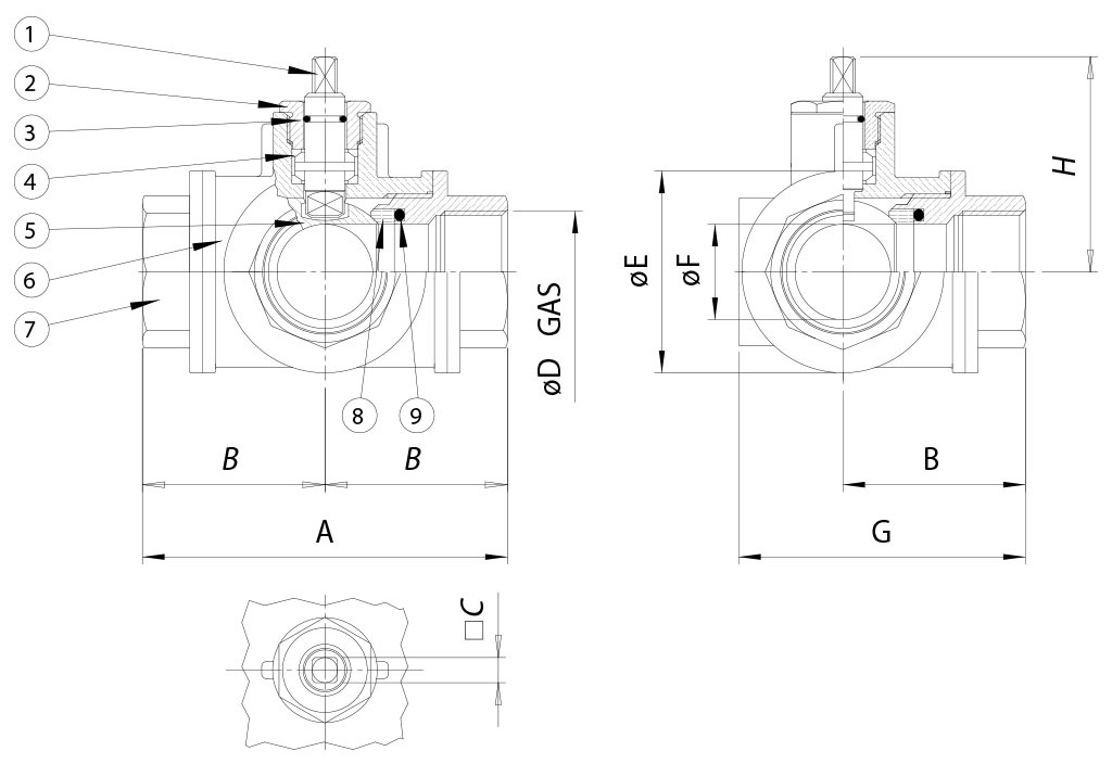
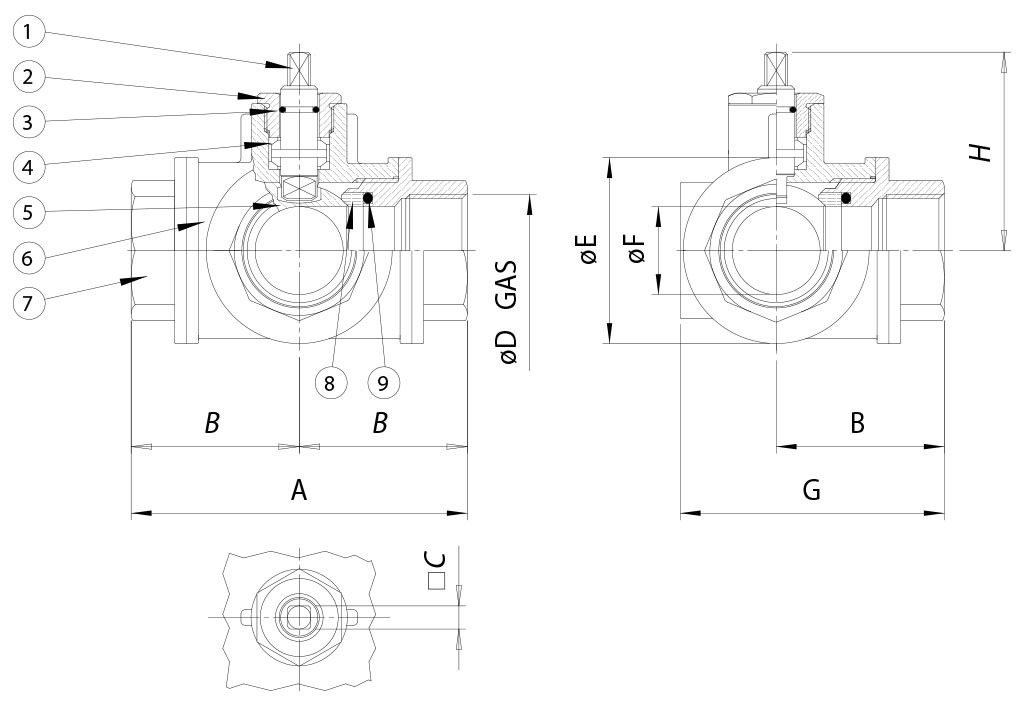
DIMENSIONI   
MISURA
A
B
□C
øD
øE
øF
G
H
DN [mm]
[inch]
DN 15
1/2"
80
40
7
1/2”
38
13
61
43,2
DN 20
3/4"
96
48
10
3/4”
48
18
74
52,9
DN 25
1"
113
56,5
10
1”
58
23
88
57,3
DN 32
1" 1/4
130
65
14
1" 1/4
67
29
99
74,5
DN 40
1" 1/2
147
73,5
14
1" 1/2
78
35
114
79
DN 50
2"
169
84,5
17
2”
95
44
132
94,2

MATERIALI   
1
Stelo*
Ottone
EN 12164 CW614N
2
Premiguarnizione*
Ottone
EN 12164 CW614N
3
O-ring
FKM

4
Coppia di tenuta superiore
P.T.F.E.

5
Sfera
Ottone cromata lucida
EN 12164 CW614N
6
Corpo*
Ottone
EN 12165 CW617N
7
Manicotto femmina*
Ottone  
EN 12165 CW617N
8
Guarnizioni di tenuta laterale  
P.T.F.E.

9
O-ring di tenuta laterale  
FKM

* Trattamento esterno: Nichelatura brillante

Diagramma pressione/temperatura

COPPIE DI SPUNTO in Nm 
MISURA
DN 15
1/2"
DN 20
3/4"
DN 25
1"
DN 32
1"1/4
DN 40
1"1/2
DN 50
2"
PN 16 bar



31
43
74
PN 25 bar


20



PN 40 bar
8
14






I valori della coppia possono variare in funzione della temperatura e del tipo di fluido. Considerare un fattore di sicurezza pari a 1,4.
Con frequenti cicli di apertura e chiusura la coppia di manovra può diminuire sensibilmente rispetto a quella iniziale. Gli accoppiamenti attuatore/valvola, riportati nelle pagine seguenti, sono realizzati per valvole che intercettano fluidi liquidi o gassosi, puliti e per medie temperature. Per maggiori informazioni, o utilizzi diversi, consultare il nostro ufficio commerciale.

Schema sfera a "L" 

N.B.:
Con attuatore SR NORMALMENTE CHIUSO la posizione di riposo della sfera deve essere la “A”.
Con attuatore SR NORMALMENTE APERTO la posizione di riposo della sfera deve essere la “B”.

Vista da sopra

Schema sfera a "T" 

Con l’attuatore sono possibili solo due posizioni con rotazione di 90°: la configurazione della sfera deve essere sempre comunicata al nostro ufficio commerciale.
N.B.:
Con attuatore SR NORMALMENTE CHIUSO scegliere la posizione di riposo della sfera; alimentando, l’attuatore ruota in senso antiorario.
Con attuatore SR NORMALMENTE APERTO scegliere la posizione di riposo della sfera; alimentando, l’attuatore ruota in senso orario.

Vista da sopra

CONFIGURA AZIONAMENTO
Seleziona i parametri di ricerca
CERCA ARTICOLO
X CHIUDI

PROSSIMO EVENTO

IVS - Industrial Valve Summit 2026
IVS - Industrial Valve Summit 2026
Bergamo, Italia, 19 - 21 maggio 2026