images/testate/Template-Header-Sito-OMALBALLVALVES.jpg

Vanne à boisseau sphérique en laiton, Item 160-161

Vanne à boisseau sphérique en laiton, Item 160-161

Vanne à boisseau sphérique en laiton 3 voies 4 joints - filetée avec boisseau en "T" ou "L"
ITEM 160
ITEM 161
Vanne à boisseau en "L"

CONFIGURER Actionnement
DEMANDE D'INFORMATIONS
IMPRIMER PAGE
  • caractéristiques
  • dimensions
  • matériaux
  • diagrammes et couples de démarrage
  • spécifications

CARACTÉRISTIQUES GÉNÉRALES:
• La vanne avec 4 joints sur le boisseau permet de dériver le débit dans toutes les directions
, voir schéma.
• Température de fonctionnement: de -15°C à +120°C
• Pressions de fonctionnement: voir tableau. Fluide véhiculé: air, eau, gaz, huiles, produits pétroliers et pétrochimiques, vide, fluides non agressifs.
• Extrémités filetées selon ISO 7/1.

RÉALISATIONS SPÉCIALES SUR DEMANDE:
Pour d'autres applications, veuillez vous adresser à notre service commercial.

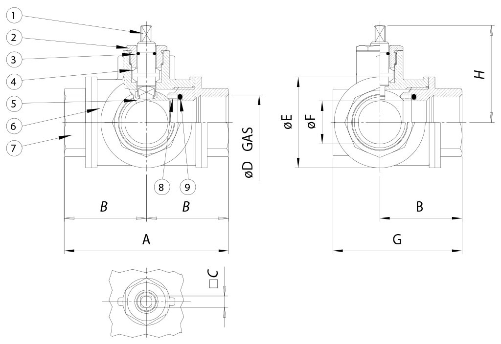
DIMENSIONS   
MESUREA
B
□C
øD
øE
øF
G
H
DN [mm]
[pouces]
DN 15
1/2"
80
40
7
1/2”
38
13
61
43,2
DN 20
3/4"
96
48
10
3/4”
48
18
74
52,9
DN 25
1"
113
56,5
10
1”
58
23
88
57,3
DN 32
1" 1/4
130
65
14
1" 1/4
67
29
99
74,5
DN 40
1" 1/2
147
73,5
14
1" 1/2
78
35
114
79
DN 50
2"
169
84,5
17
2”
95
44
132
94,2

MATÉRIAUX   
1
Tige*
Laiton
EN 12164 CW614N
2
Presse-étoupe*
Laiton
EN 12164 CW614N
3
Joint torique
FKM

4
Paire de garnitures étanchéité supérieure
P.T.F.E.

5
Boisseau
Laiton chromage poli
EN 12164 CW614N
6
Corps*
Laiton
EN 12165 CW617N
7
Manchon femelle*
Laiton
EN 12165 CW617N
8
Garnitures d’étanchéité latérale
P.T.F.E.

9
Joint torique d’étanchéité latérale
FKM

* Traitement extérieur: Nickelage brillant

DIAGRAMME PRESSION/TEMPÉRATURE

COUPLES DE DÉMARRAGE en Nm
MESUREDN 15
1/2"
DN 20
3/4"
DN 25
1"
DN 32
1"1/4
DN 40
1"1/2
DN 50
2"
PN 16 bar



31
43
74
PN 25 bar


20



PN 40 bar
8
14






Les valeurs du couple peuvent varier en fonction de la température et du fluide. Considérer un facteur de sécurité de 1,4.
Avec des cycles fréquents d'ouverture et de fermeture, le couple de manœuvre pourrait être considérablement inférieur au couple initial. Les accouplements actionneur/vanne, montrés aux pages suivantes, sont conçus pour les vannes qui arrêtent des fluides liquides ou gazeux, propres et pour des températures moyennes. Pour plus d'informations ou pour des utilisations différentes, veuillez vous adresser à notre service commercial.

Schéma boisseau en "L"

N.B.:
Avec l'actionneur SR NORMALEMENT FERMÉ, la position de repos du boisseau doit être "A".
Avec l'actionneur SR NORMALEMENT OUVERT, la position de repos du boisseau doit être "B".

Vue de dessus

Schéma boisseau en "T"

Avec l'actionneur, seules deux positions sont possibles avec une rotation de 90°: la configuration du boisseau doit toujours être communiquée à notre service commercial.
NB.:
Avec l'actionneur SR NORMALEMENT FERMÉ, choisissez la position de repos du boisseau; lors de l'alimentation, l'actionneur tourne dans le sens antihoraire.
Avec l'actionneur SR NORMALEMENT OUVERT, choisissez la position de repos du boisseau; lors de l'alimentation, l'actionneur tourne dans le sens horaire.

Vue de dessus

CONFIGURER ACTIONNEMENT
Sélectionnez les paramètres de recherche
RECHERCHER UN ARTICLE
X FERMER

PROCHAIN ÉVÈNEMENT

IVS - Industrial Valve Summit 2026
IVS - Industrial Valve Summit 2026
Bergamo, Italy, 19 - 21 may 2026