images/testate/Template-Header-Sito-OMALBALLVALVES.jpg

Kugelhahn aus Messing Item 160-161

Kugelhahn aus Messing Item 160-161
Makro Kugelhähne

Kugelhahn aus Messing, 3 Wege, 4 Dichtungen - mit Gewinde, mit T- oder L-Bohrung
ITEM 160
Kugelhahn mit T-Bohrung
ITEM 161
Kugelhahn mit L-Bohrung

KONFIGURIEREN Steuerung
INFORMATIONEN ANFORDERN
SEITE DRUCKEN
  • eigenschaften
  • abmessungen
  • werkstoffe
  • diagramme und anlaufmomente
  • merkmale

ALLGEMEINE EIGENSCHAFTEN: 
• Der Kugelhahn mit 4 Kugeldichtungen ermöglicht die Verteilung des Flusses in alle Richtungen, siehe Schema
• Betriebstemperatur: -15°C bis +120°C.
• Betriebsdruck: siehe Tabelle.
• Betriebsmedien: Luft, Wasser, Gas, Öle, Petrochemikalien, Erdölprodukte, Vakuum und nicht aggressive Medien.
• Innengewinde gemäß der Norm ISO 7/1. 

SONDERAUSFÜHRUNGEN AUF ANFRAGE: 
• Für andere Anwendungen wenden Sie sich an unsere Verkaufsabteilung.

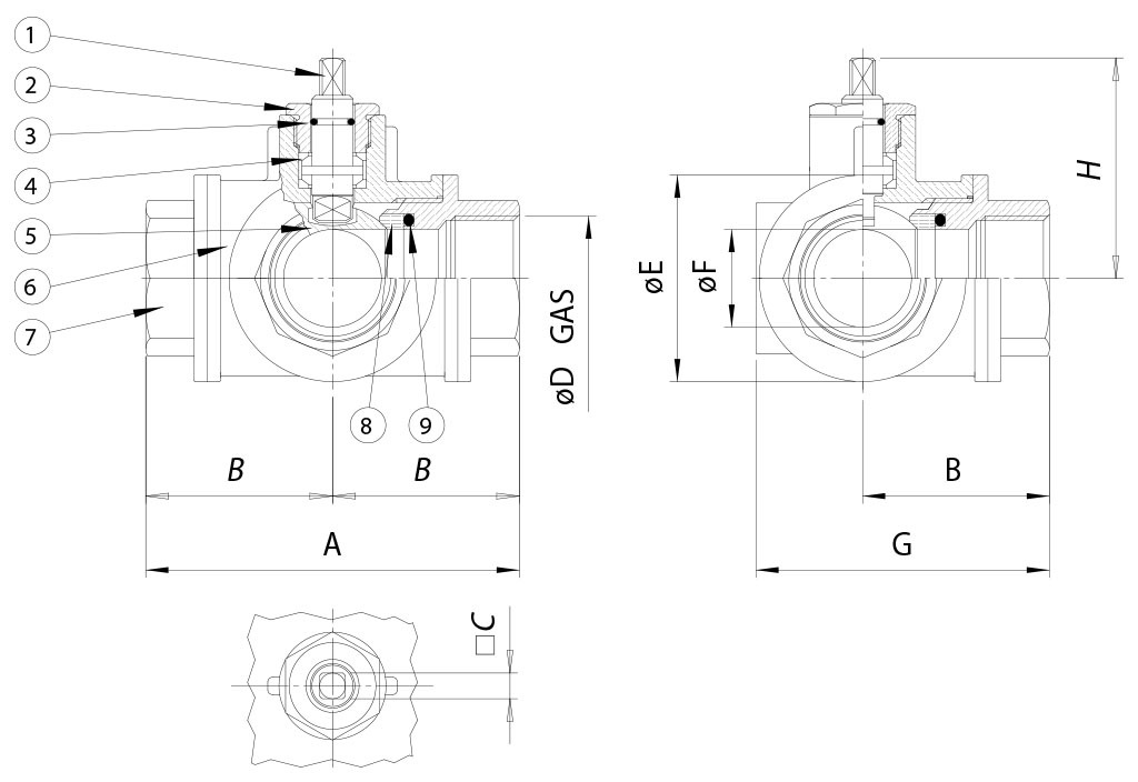
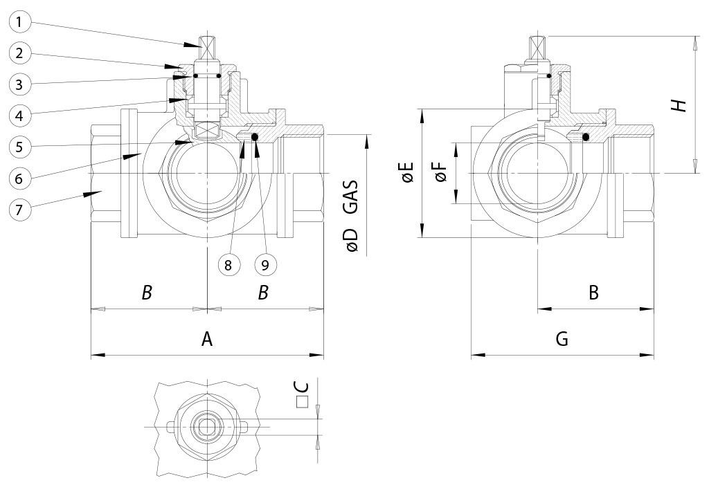
ABMESSUNGEN
BAUGRÖSSE
A
B
□C
øD
øE
øF
G
H
DN [mm]
[Zoll]
DN 15
1/2"
80
40
7
1/2”
38
13
61
43,2
DN 20
3/4"
96
48
10
3/4”
48
18
74
52,9
DN 25
1"
113
56,5
10
1”
58
23
88
57,3
DN 32
1" 1/4
130
65
14
1" 1/4
67
29
99
74,5
DN 40
1" 1/2
147
73,5
14
1" 1/2
78
35
114
79
DN 50
2"
169
84,5
17
2”
95
44
132
94,2

WERKSTOFFE 
1
Spindel*
Messing
EN 12164 CW614N
2
Haltering*
Messing
EN 12164 CW614N
3
O-Ring
FKM

4
Obere Dichtungen
P.T.F.E.

5
Kugel
Glanzverchromtes Messing
EN 12164 CW614N
6
Gehäuse*Messing
EN 12165 CW617N
7
Innengewindemuffe*
Messing
EN 12165 CW617N
8
Seitliche Dichtungen  
P.T.F.E.

9
Seitliche Dichtung O-Ring  
FKM

* Oberflächenbehandlung: Glanzvernickelung

DRUCK-/TEMPERATURDIAGRAMM

ANLAUFMOMENTE in Nm 
BAUGRÖSSE
DN 15
1/2"
DN 20
3/4"
DN 25
1"
DN 32
1"1/4
DN 40
1"1/2
DN 50
2"
PN 16 bar



31
43
74
PN 25 bar


20



PN 40 bar
8
14






Die angegebenen Anlaufmomentwerte können sich je nach Temperatur oder Betriebsmedien ändern. Berücksichtigen Sie bitte einen Sicherheitsfaktor von 1,4.
Bei häufigen Öffnungs- und Schließzyklen kann sich das Betriebsdrehmoment im Vergleich zum Anfangswert leicht verringern. Die auf den folgenden Seiten angegebenen Kombinationen Antrieb/Armatur beziehen sich auf Armaturen mit flüssigen oder gasförmigen sauberen Medien bei mittleren Temperaturen. Für weitere Informationen oder andere Verwendungszwecke wenden Sie sich bitte an unsere Verkaufsabteilung.

Schema L-Bohrung 
 
HINWEIS:
Bei NORMAL GESCHLOSSENEM SR-Stellantrieb muss die Ruheposition der Kugel „A“ sein.
Bei NORMAL GEÖFFNETEM SR-Stellantrieb muss die Ruheposition der Kugel „B" sein.

Ansicht von oben

Schema „T-Bohrung“ 
 
Mit Antrieb sind nur zwei Positionen mit 90°-Drehung möglich: Die Konfiguration der Kugel muss unserer Verkaufsabteilung stets mitgeteilt werden.
HINWEIS:
Bei NORMAL GESCHLOSSENEM SR-Stellantrieb die Ruhestellung der Kugel wählen; bei Betrieb dreht sich der Antrieb gegen den Uhrzeigersinn.
Bei NORMAL GEÖFFNETEM SR-Stellantrieb die Ruhestellung der Kugel wählen; bei Betrieb dreht sich der Antrieb in den Uhrzeigersinn.

Ansicht von oben

KONFIGURIEREN BETÄTIGUNG
Wählen Sie die Suchparameter
ARTIKEL SUCHEN
SCHLIESSEN

NÄCHSTES EVENT

IVS - Industrial Valve Summit 2026
IVS - Industrial Valve Summit 2026
Bergamo, Italy, 19 - 21 may 2026