images/testate/Template-Header-Sito-OMALBALLVALVES.jpg

Válvula de bola de latón Item 160-161

Válvula de bola de latón Item 160-161

Válvula de bola de latón 3 vías 4 juntas - roscada con bola en “T” o “L”
ITEM 160
Válvula con bola en "T"
ITEM 161
Válvula con bola en "L"

CONFIGURA Accionamiento
SOLICITA INFORMACIÓN
IMPRIME PÁGINA
  • características
  • dimensiones
  • materiales
  • diagramas y pares de aceleración
  • especificaciones

CARACTERÍSTICAS GENERALES:
 La válvula con 4 juntas en la bola, permite el desvío del flujo en todas las direcciones, ver esquema
• Temperatura de uso: desde -15°C a + 120°C
• Presión de uso: ver tabla.
• Fluido interceptado: aire, agua, gas, aceites, productos petrolíferos y petroquímicos, vacío, fluidos no agresivos.
• Extremos roscados según la norma ISO 7/1.

EJECUCIONES ESPECIALES BAJO PEDIDO:
• Para otras aplicaciones contactar con nuestro departamento comercial.

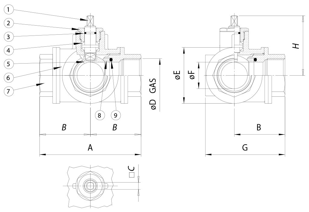
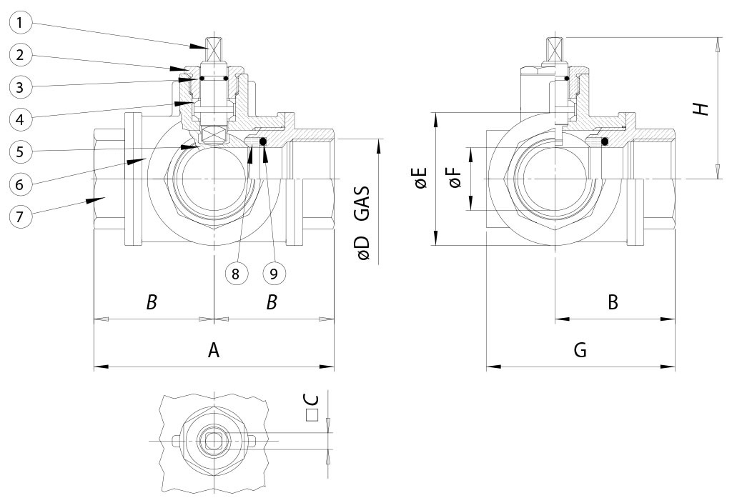
DIMENSIONES   
MEDIDAA
B
□C
øD
øE
øF
G
H
DN [mm]
[pulgadas]
DN 15
1/2"
80
40
7
1/2”
38
13
61
43,2
DN 20
3/4"
96
48
10
3/4”
48
18
74
52,9
DN 25
1"
113
56,5
10
1”
58
23
88
57,3
DN 32
1" 1/4
130
65
14
1" 1/4
67
29
99
74,5
DN 40
1" 1/2
147
73,5
14
1" 1/2
78
35
114
79
DN 50
2"
169
84,5
17
2”
95
44
132
94,2

MATERIALES   
1
Vástago*
Latón
EN 12164 CW614N
2
Prensajuntas*
Latón
EN 12164 CW614N
3
Junta tórica
FKM

4
Par de sellado superior
P.T.F.E.

5
Bola
Latón cromada brillante
EN 12164 CW614N
6
Cuerpo*
Latón
EN 12165 CW617N
7
Manguito hembra*
Latón
EN 12165 CW617N
8
Juntas de sellado lateral
P.T.F.E.

9
Junta tórica de sellado lateral
FKM

* Tratamiento externo: Niquelado brillante

DIAGRAMA PRESIÓN/TEMPERATURA

PARES DE ACELERACIÓN en Nm  
MEDIDADN 15
1/2"
DN 20
3/4"
DN 25
1"
DN 32
1"1/4
DN 40
1"1/2
DN 50
2"
PN 16 bar



31
43
74
PN 25 bar


20



PN 40 bar
8
14






Los valores del par pueden variar según la temperatura y el tipo de fluido. Tener en cuenta un factor de seguridad igual a 1.4.
Con frecuentes ciclos de apertura y cierre, el par de maniobra puede disminuir sensiblemente con respecto al inicial. Los acoplamientos actuador/válvula, mostrados en las siguientes páginas, se realizan para válvulas que interceptan fluidos líquidos o gaseosos, limpios y para temperaturas medias. Para más información, o usos diferentes, consultar nuestro departamento comercial.

Esquema bola en "L"

N.B.:
Con actuador SR NORMALMENTE CERRADO la posición de reposo de la bola debe ser la “A”.
Con actuador SR NORMALMENTE ABIERTO la posición de reposo de la bola debe ser la “B”.

Vista desde arriba

Esquema bola en "T" 

Con el actuador son posibles solo dos posiciones con rotación de 90°: la configuración de la bola siempre debe comunicarse a nuestro departamento comercial.
N.B.:
Con el actuador SR NORMALMENTE CERRADO elegir la posición de reposo de la bola; alimentando, el actuador gira en sentido contrario a las agujas del reloj.
Con el actuador SR NORMALMENTE ABIERTO elegir la posición de reposo de la bola; alimentando, el actuador gira en sentido de las agujas del reloj.

Vista desde arriba

CONFIGURA CONDUCIR
Selecciona los parámetros de búsqueda
BUSCA ARTÍCULO
X CERRAR

SIGUIENTE EVENTO

IVS - Industrial Valve Summit 2026
IVS - Industrial Valve Summit 2026
Bergamo, Italy, 19 - 21 may 2026