1. Самосмазывающиеся и самоуплотняющиеся ленточные скользящие уплотнения.
Меньше трение между поршнем и цилиндром.
Уплотнение не прилипает к цилиндру даже после продолжительных простоев.
2. Стальной регулировочный кулачок.
Возможность регулировки закрытия и (или) открытия стандартным приводом (± 5° по каждой регулировке).
Простота и надежность регулирования.
3. Преобразование линейного движения во вращательное посредством зубчато-реечной передачи.
Линейный крутящий момент при открытии и закрытии (подходит для шаровых кранов).
Высокая точность регулировки благодаря жесткости зубчато-реечной передачи и механическому упору кулачка в регулировочный винт.
Равномерная частота вращения.
4. Цилиндр изготовлен прокаткой.
Меньше износ лент самоуплотняющихся уплотнений благодаря низкой шероховатости поверхности (0,15 мкм Ra).
5. Модульная система поджимающих пружин.
Высокая гибкость и точность настройки крутящего момента, создаваемого пружинами.
Широкий выбор компоновок.
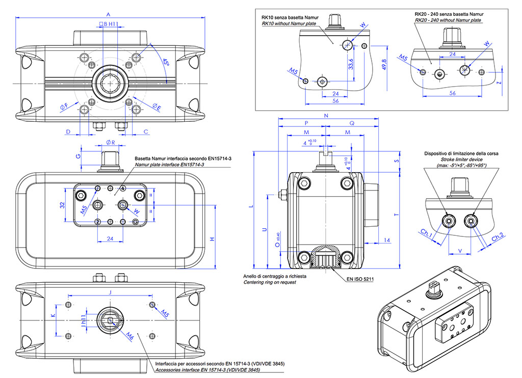
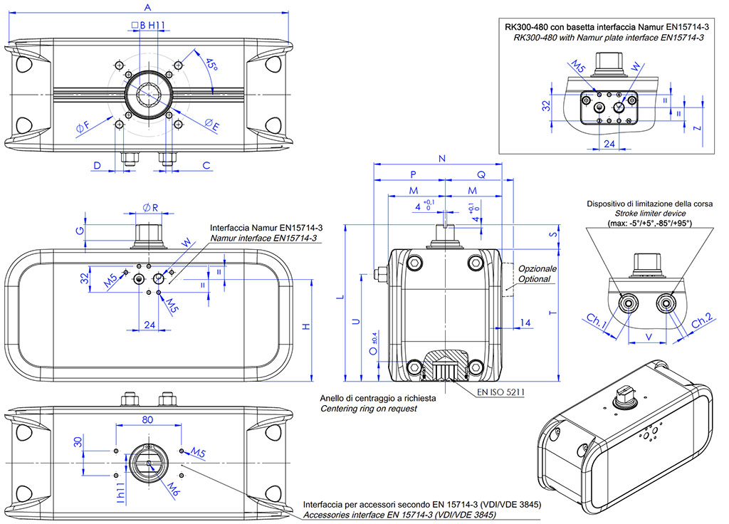
Возможность иметь переходник для электромагнитных клапанов NAMUR для всего ассортимента.
Со съёмной плитой для моделей от RK10 до RK240. - Со встроенной плитой в RK300 и RK480.
Пневматические отверстия с резьбой NPT по запросу.
Со съёмной плитой для всей номенклатуры.
Все стадии производства на предприятиях OMAL.
Максимальный контроль на всех этапах обработки.
ATEX compliance.
Позволяет монтаж даже в потенциально взрывоопасной среде.
Сертифицирован до УПБ 3
Повышенный уровень функциональной безопасности.